Электрическая схема 2006 Evanda 16. ЦЕПЬ ДАТЧИКА ДОЖДЯК началу документа
Evanda
На предыдущую страницуНа следующую страницу
Главная страница GMDEЗагрузить нединамическое оглавлениеЗагрузить динамическое оглавлениеПомощь



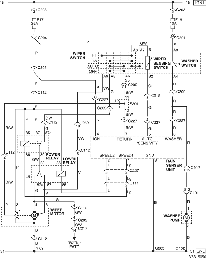
16. ЦЕПЬ ДАТЧИКА ДОЖДЯ

V6B15056.png
Показать иллюстрациюПеревод текста в иллюстрациях


а. ИНФОРМАЦИЯ О РАЗЪЁМЕ

№ РАЗЪЁМА
(№ И ЦВЕТ КОНТАКТА)
СОЕДИНИТЕЛЬНЫЙ ЖГУТ ПРОВОДОВПОЛОЖЕНИЕ РАЗЪЁМА
С101 (контакт 68, серый) Блок предохранителей в моторном отсеке - передняя часть Блок предохранителей в моторном отсеке
C102 (контакт 68, коричневый) Блок предохранителей в моторном отсеке - кузов Блок предохранителей в моторном отсеке
С111 (контакт 2, черный) Кузов - кузов Ниже рядом с двигателем стеклоочистителей
С112 (контакт 6, черный) Кузов - кузов Ниже рядом с двигателем стеклоочистителей
С201 (контакт 22, белый) Блок предохранителей на приборной панели - приборная панель БЛОК ПРЕДОХРАНИТЕЛЕЙ НА ПРИБОРНОЙ ПАНЕЛИ
С203 (контакт 3, серый) Блок предохранителей на приборной панели - приборная панель БЛОК ПРЕДОХРАНИТЕЛЕЙ НА ПРИБОРНОЙ ПАНЕЛИ
С204 (контакт 4, белый) Блок предохранителей на приборной панели - приборная панель БЛОК ПРЕДОХРАНИТЕЛЕЙ НА ПРИБОРНОЙ ПАНЕЛИ
С207 (контакт 16, белый) Приборная панель - кузов Нижняя часть пространства для ног водителя
С208 (контакт 16, желтый) Приборная панель - кузов Нижняя часть пространства для ног водителя
С209 (контакт 22, белый) Приборная панель - кузов Нижняя часть пространства для ног водителя
С210 (контакт 23, белый) Приборная панель - кузов Нижняя часть пространства для ног водителя
С218 (контакт 18, белый) Приборная панель - кузов Нижняя часть пространства для ног пассажира
С227 (контакт 6, белый) Крыша - кузов Верхняя часть пространства для ног водителя
S301 (бесцветн.) Кузов За комбинацией приборов с правой стороны
G102 ПЕРЕДНЯЯ ЧАСТЬ За правой фарой
G302 Кузов Под панелью пола кузова при поперечине со стороны переднего пассажира

б. УСЛОВНОЕ ОБОЗНАЧЕНИЕ & И НАХОЖДЕНИЕ НОМЕРА КОНТАКТА

V5B1P084.png
Показать иллюстрациюПеревод текста в иллюстрациях


в. РАСПОЛОЖЕНИЕ РАЗЪЁМОВ И СОЕДИНЕНИЙ МАССЫ

V3B12021.png
Показать иллюстрациюПеревод текста в иллюстрациях


г. КОНТАКТНАЯ КОЛОДКА

S301 (БЕСЦВЕТН.) : 2.0L

V6B1S005.png
Показать иллюстрациюПеревод текста в иллюстрациях


На предыдущую страницуНа следующую страницу


Главная страница сайта