Электрическая схема 2006 Evanda 21. ЦЕПЬ ЗЕРКАЛА С ЭЛЕКТРОПРИВОДОМК началу документа
Evanda
На предыдущую страницуНа следующую страницу
Главная страница GMDEЗагрузить нединамическое оглавлениеЗагрузить динамическое оглавлениеПомощь



21. ЦЕПЬ ЗЕРКАЛА С ЭЛЕКТРОПРИВОДОМ

1) ЦЕПЬ ПЕРЕКЛЮЧАТЕЛЯ УПРАВЛЕНИЯ ЗЕРКАЛОМ И БЛОКА ЗЕРКАЛА ВОДИТЕЛЯ С ЭЛЕКТРОПРИВОДОМ

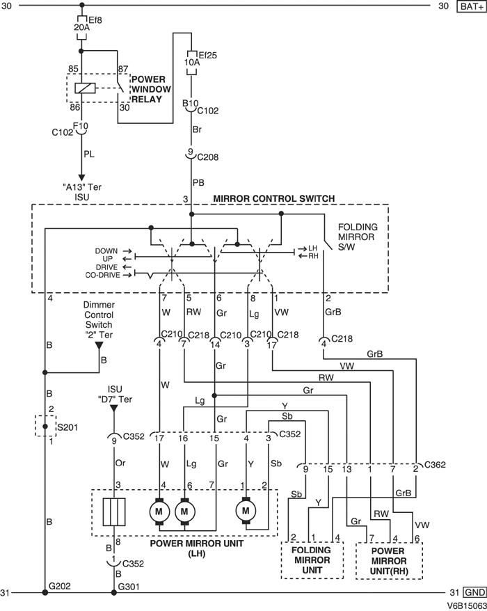
1-1) НАРУЖНОЕ ЗЕРКАЛО ЗАДНЕГО ВИДА БЕЗ РЕГУЛИРОВКИ ВРАЩЕНИЯ

V6B15063.png
Показать иллюстрациюПеревод текста в иллюстрациях


а. ИНФОРМАЦИЯ О РАЗЪЁМЕ

№ РАЗЪЁМА
(№ И ЦВЕТ КОНТАКТА)
СОЕДИНИТЕЛЬНЫЙ ЖГУТ ПРОВОДОВПОЛОЖЕНИЕ РАЗЪЁМА
C102 (контакт 68, коричневый) Блок предохранителей в моторном отсеке - кузов Блок предохранителей в моторном отсеке
С208 (контакт 16, желтый) Приборная панель - кузов Нижняя часть пространства для ног водителя
С210 (контакт 23, белый) Приборная панель - кузов Нижняя часть пространства для ног водителя
С218 (контакт 18, белый) Приборная панель - кузов Нижняя часть пространства для ног пассажира
С352 (контакт 18, белый) Кузов - передняя дверь, левая Под передней стойкой со стороны переднего пассажира
С362 (контакт 18, белый) Кузов - передняя дверь, правая Под передней стойкой со стороны переднего пассажира
S201 (оранжев.) Приборная панель За коробкой реле приборной панели
G202 Приборная панель За прикуривателем с левой стороны
G301 Кузов Под панелью пола кузова при поперечине со стороны водителя

б. УСЛОВНОЕ ОБОЗНАЧЕНИЕ & И НАХОЖДЕНИЕ НОМЕРА КОНТАКТА

V5B1P072.png
Показать иллюстрациюПеревод текста в иллюстрациях


в. РАСПОЛОЖЕНИЕ РАЗЪЁМОВ И СОЕДИНЕНИЙ МАССЫ

V3B12014.png
Показать иллюстрациюПеревод текста в иллюстрациях


V3B12013.png
Показать иллюстрациюПеревод текста в иллюстрациях


г. КОНТАКТНАЯ КОЛОДКА

S201 (ОРАНЖЕВ.) : 2.0L

V5B1S001.png
Показать иллюстрациюПеревод текста в иллюстрациях


S201 (ОРАНЖЕВ.) : 2.5L

V6B1S001.png
Показать иллюстрациюПеревод текста в иллюстрациях


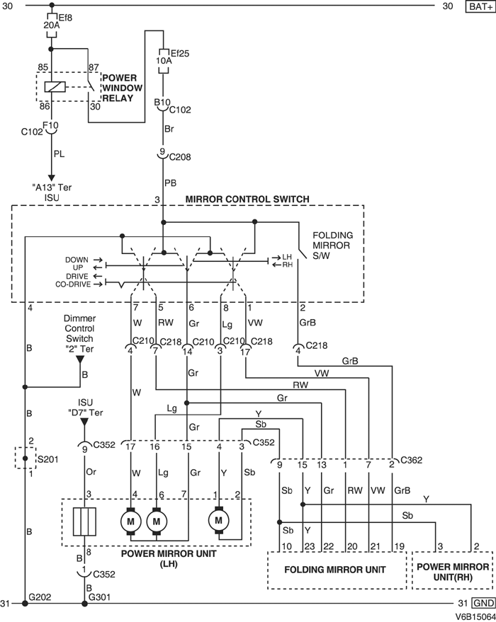
1-2) НАРУЖНОЕ ЗЕРКАЛО ЗАДНЕГО ВИДА С РЕГУЛИРОВКОЙ ВРАЩЕНИЯ

V6B15064.png
Показать иллюстрациюПеревод текста в иллюстрациях


а. ИНФОРМАЦИЯ О РАЗЪЁМЕ

№ РАЗЪЁМА
(№ И ЦВЕТ КОНТАКТА)
СОЕДИНИТЕЛЬНЫЙ ЖГУТ ПРОВОДОВПОЛОЖЕНИЕ РАЗЪЁМА
C102 (контакт 68, коричневый) Блок предохранителей в моторном отсеке - кузов Блок предохранителей в моторном отсеке
С208 (контакт 16, желтый) Приборная панель - кузов Нижняя часть пространства для ног водителя
С210 (контакт 23, белый) Приборная панель - кузов Нижняя часть пространства для ног водителя
С218 (контакт 18, белый) Приборная панель - кузов Нижняя часть пространства для ног пассажира
С352 (контакт 18, белый) Кузов - передняя дверь, левая Под передней стойкой со стороны переднего пассажира
С362 (контакт 18, белый) Кузов - передняя дверь, правая Под передней стойкой со стороны переднего пассажира
S201 (оранжев.) Приборная панель За коробкой реле приборной панели
G202 Приборная панель За прикуривателем с левой стороны
G301 Кузов Под панелью пола кузова при поперечине со стороны водителя

б. УСЛОВНОЕ ОБОЗНАЧЕНИЕ & И НАХОЖДЕНИЕ НОМЕРА КОНТАКТА

V5B1P073.png
Показать иллюстрациюПеревод текста в иллюстрациях


в. РАСПОЛОЖЕНИЕ РАЗЪЁМОВ И СОЕДИНЕНИЙ МАССЫ

V3B12014.png
Показать иллюстрациюПеревод текста в иллюстрациях


V3B12013.png
Показать иллюстрациюПеревод текста в иллюстрациях


г. КОНТАКТНАЯ КОЛОДКА

S201 (ОРАНЖЕВ.) : 2.0L

V5B1S001.png
Показать иллюстрациюПеревод текста в иллюстрациях


S201 (ОРАНЖЕВ.) : 2.5L

V6B1S001.png
Показать иллюстрациюПеревод текста в иллюстрациях


2) ЦЕПЬ БЛОКА СКЛАДЫВАЮЩЕГОСЯ ЗЕРКАЛА И БЛОКА ЗЕРКАЛА ПАССАЖИРА С ЭЛЕКТРОПРИВОДОМ

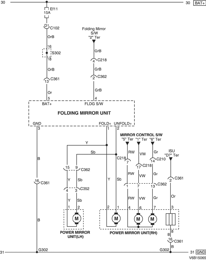
2-1) НАРУЖНОЕ ЗЕРКАЛО ЗАДНЕГО ВИДА БЕЗ РЕГУЛИРОВКИ ВРАЩЕНИЯ

V6B15065.png
Показать иллюстрациюПеревод текста в иллюстрациях


а. ИНФОРМАЦИЯ О РАЗЪЁМЕ

№ РАЗЪЁМА
(№ И ЦВЕТ КОНТАКТА)
СОЕДИНИТЕЛЬНЫЙ ЖГУТ ПРОВОДОВПОЛОЖЕНИЕ РАЗЪЁМА
C102 (контакт 68, коричневый) Блок предохранителей в моторном отсеке - кузов Блок предохранителей в моторном отсеке
С210 (контакт 23, белый) Приборная панель - кузов Нижняя часть пространства для ног водителя
С218 (контакт 18, белый) Приборная панель - кузов Нижняя часть пространства для ног пассажира
С352 (контакт 18, белый) Кузов - передняя дверь, левая Под передней стойкой со стороны переднего пассажира
С361 (контакт 18, белый) Кузов - передняя дверь, правая Под передней стойкой со стороны переднего пассажира
С362 (контакт 18, белый) Кузов - передняя дверь, правая Под передней стойкой со стороны переднего пассажира
S302 (бесцветн.) Кузов Верхняя часть пространства для ног водителя
G302 Кузов Под панелью пола кузова при поперечине со стороны переднего пассажира

б. УСЛОВНОЕ ОБОЗНАЧЕНИЕ & И НАХОЖДЕНИЕ НОМЕРА КОНТАКТА

V5B1P074.png
Показать иллюстрациюПеревод текста в иллюстрациях


в. РАСПОЛОЖЕНИЕ РАЗЪЁМОВ И СОЕДИНЕНИЙ МАССЫ

V3B12014.png
Показать иллюстрациюПеревод текста в иллюстрациях


V3B12013.png
Показать иллюстрациюПеревод текста в иллюстрациях


V3B12015.png
Показать иллюстрациюПеревод текста в иллюстрациях


г. КОНТАКТНАЯ КОЛОДКА

S302 (БЕСЦВЕТН.) : 2.0L И 2.5L

V5B1S011.png
Показать иллюстрациюПеревод текста в иллюстрациях


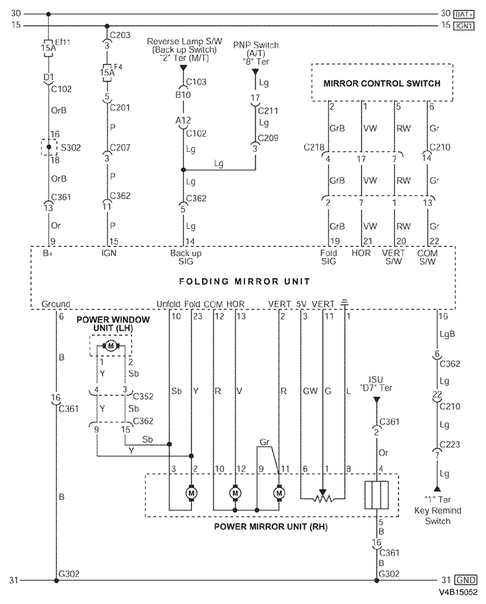
2-2) НАРУЖНОЕ ЗЕРКАЛО ЗАДНЕГО ВИДА С РЕГУЛИРОВКОЙ ВРАЩЕНИЯ

V4B15052.png
Показать иллюстрациюПеревод текста в иллюстрациях


а. ИНФОРМАЦИЯ О РАЗЪЁМЕ

№ РАЗЪЁМА
(№ И ЦВЕТ КОНТАКТА)
СОЕДИНИТЕЛЬНЫЙ ЖГУТ ПРОВОДОВПОЛОЖЕНИЕ РАЗЪЁМА
C102 (контакт 68, коричневый) Блок предохранителей в моторном отсеке - кузов Блок предохранителей в моторном отсеке
С103 (контакт 68, черный) Блок предохранителей в моторном отсеке - двигатель Блок предохранителей в моторном отсеке
С201 (контакт 22, белый) Блок предохранителей на приборной панели - приборная панель БЛОК ПРЕДОХРАНИТЕЛЕЙ НА ПРИБОРНОЙ ПАНЕЛИ
С203 (контакт 3, серый) Блок предохранителей на приборной панели - приборная панель БЛОК ПРЕДОХРАНИТЕЛЕЙ НА ПРИБОРНОЙ ПАНЕЛИ
С207 (контакт 16, белый) Приборная панель - кузов Нижняя часть пространства для ног водителя
С209 (контакт 22, белый) Приборная панель - кузов Нижняя часть пространства для ног водителя
С210 (контакт 23, белый) Приборная панель - кузов Нижняя часть пространства для ног водителя
С211 (контакт 22, белый) Приборная панель - контроллер КПП Нижняя часть пространства для ног водителя
С218 (контакт 18, белый) Приборная панель - кузов Нижняя часть пространства для ног пассажира
С223 (контакт 10, белый) Приборная панель - корпус замка За рулевым колесом
С352 (контакт 18, белый) Кузов - передняя дверь, левая Под передней стойкой со стороны переднего пассажира
С361 (контакт 18, белый) Кузов - передняя дверь, правая Под передней стойкой со стороны переднего пассажира
С362 (контакт 18, белый) Кузов - передняя дверь, правая Под передней стойкой со стороны переднего пассажира
S302 (бесцветн.) Кузов Верхняя часть пространства для ног водителя
G302 Кузов Под панелью пола кузова при поперечине со стороны переднего пассажира

б. УСЛОВНОЕ ОБОЗНАЧЕНИЕ & И НАХОЖДЕНИЕ НОМЕРА КОНТАКТА

V5B1P075.png
Показать иллюстрациюПеревод текста в иллюстрациях


в. РАСПОЛОЖЕНИЕ РАЗЪЁМОВ И СОЕДИНЕНИЙ МАССЫ

V3B12014.png
Показать иллюстрациюПеревод текста в иллюстрациях


V3B12013.png
Показать иллюстрациюПеревод текста в иллюстрациях


V3B12015.png
Показать иллюстрациюПеревод текста в иллюстрациях


г. КОНТАКТНАЯ КОЛОДКА

S302 (БЕСЦВЕТН.) : 2.0L И 2.5L

V5B1S011.png
Показать иллюстрациюПеревод текста в иллюстрациях


На предыдущую страницуНа следующую страницу


Главная страница сайта