Справочник трудоёмкости работ2006 Kalos ДВИГАТЕЛЬ (МЕХАНИЧЕСКАЯ ЧАСТЬ ДВИГАТЕЛЯ С ДВУМЯ РАСПРЕДВАЛАМИ ВЕРХНЕГО РАСПОЛОЖЕНИЯ)К началу документа
Evanda
На предыдущую страницуНа следующую страницу
Главная страница GMDEЗагрузить нединамическое оглавлениеЗагрузить динамическое оглавлениеПомощь

РАЗДЕЛ 1C

ДВИГАТЕЛЬ (МЕХАНИЧЕСКАЯ ЧАСТЬ ДВИГАТЕЛЯ С ДВУМЯ РАСПРЕДВАЛАМИ ВЕРХНЕГО РАСПОЛОЖЕНИЯ)

G141C01
Показать иллюстрациюПеревод текста в иллюстрациях


МЕХАНИЧЕСКАЯ ЧАСТЬ ДВИГАТЕЛЯ С ДВУМЯ РАСПРЕДВАЛАМИ ВЕРХНЕГО РАСПОЛОЖЕНИЯ - СИЛОВОЙ АГРЕГАТ DOHC (111)

ОПИСАНИЕ ОПЕРАЦИИ
КОД ОПЕРАЦИИ
S
N
L
1.4D/1.6D
1.4D
1.6D/1.8D(Fam I)
1.8D/2.0D(Fam II)
2.0D
2.5X
1
. ДВИГАТЕЛЬ В СБОРЕ (M/T) - КАПИТАЛЬНЫЙ РЕМОНТ
1110100
6.3
6.7
6.7
6.7
6.9
-
ВКЛ.: снятие и установка двигателя в сборе, маховика, впускного и выпускного коллектора в сборе, приводного ремня ГРМ, регулировка двигателя.
.
.
.
.
.
.
.
. ДВИГАТЕЛЬ В СБОРЕ (A/T) - КАПИТАЛЬНЫЙ РЕМОНТ
1110300
6.3
6.7
6.7
6.7
6.9
16.4
ВКЛ.: снятие и установка двигателя в сборе, маховика, впускного и выпускного коллектора в сборе, приводного ремня ГРМ, регулировка двигателя.
.
.
.
.
.
.
.
2
. ДВИГАТЕЛЬ В СБОРЕ (M/T) - ЗАМЕНА
1110800
4.4
4.6
4.6
4.6
4.8
-
ВКЛ.: снятие и установка двигателя в сборе, маховика, впускного и выпускного коллектора в сборе, приводного ремня ГРМ, регулировка двигателя.
.
.
.
.
.
.
.
. ДВИГАТЕЛЬ В СБОРЕ (A/T) - ЗАМЕНА
1110900
4.4
4.6
4.6
4.6
4.8
7.5
ВКЛ.: снятие и установка двигателя в сборе, маховика, впускного и выпускного коллектора в сборе, приводного ремня ГРМ, регулировка двигателя.
.
.
.
.
.
.
.
S : AVEO/KALOS/BARINA, N : NUBIRA/LACETTI/FORENZA/OPTRA/VIVA, L : EVANDA/EPICA

G141C02
Показать иллюстрациюПеревод текста в иллюстрациях


МЕХАНИЧЕСКАЯ ЧАСТЬ ДВИГАТЕЛЯ С ДВУМЯ РАСПРЕДВАЛАМИ ВЕРХНЕГО РАСПОЛОЖЕНИЯ - ПРИВОДНЫЕ РЕМНИ (113)

ОПИСАНИЕ ОПЕРАЦИИ
КОД ОПЕРАЦИИ
S
N
L
1.4D/1.6D
1.4D
1.6D/1.8D(Fam I)
1.8D/2.0D(Fam II)
2.0D
2.5X
1
. РЕМЕНЬ, ВСПОМОГАТЕЛЬНЫЙ - ЗАМЕНА
1132200
0.2
0.2
0.2
0.2
0.2
0.3
2
. АВТОНАТЯЖИТЕЛЬ, ВСПОМОГАТЕЛЬНЫЙ РЕМЕНЬ - ЗАМЕНА
1132400
0.4
0.4
0.4
0.4
0.4
0.4
S : AVEO/KALOS/BARINA, N : NUBIRA/LACETTI/FORENZA/OPTRA/VIVA, L : EVANDA/EPICA

G141C03
Показать иллюстрациюПеревод текста в иллюстрациях


МЕХАНИЧЕСКАЯ ЧАСТЬ ДВИГАТЕЛЯ С ДВУМЯ РАСПРЕДВАЛАМИ ВЕРХНЕГО РАСПОЛОЖЕНИЯ - БЛОК ЦИЛИНДРОВ (121)

ОПИСАНИЕ ОПЕРАЦИИ
КОД ОПЕРАЦИИ
S
N
L
1.4D/1.6D
1.4D
1.6D/1.8D(Fam I)
1.8D/2.0D(Fam II)
2.0D
2.5X
1
. ИНДИКАТОР УРОВНЯ МАСЛА - ЗАМЕНА
1210200
0.2
0.2
0.2
0.2
0.2
0.2
2
. ТРУБКА, ИНДИКАТОР УРОВНЯ МАСЛА - ЗАМЕНА
1210300
0.3
0.3
0.3
0.3
1.5
0.2
3
. КЛАПАН, ПЕРЕПУСКНОЙ МАСЛЯНОГО ФИЛЬТРА - ЗАМЕНА
1210500
0.5
0.5
0.5
0.5
0.5
-
4
. ПРОБКА, РАСШИРИТЕЛЬНАЯ - ЗАМЕНА
1210700
0.4
0.4
0.4
0.4
0.4
-
ПРИМЕЧАНИЕ: добавить соответствующее время трудозатрат на операции по снятию деталей, необходимых для освобождения доступа к пробке, в колонку стандартных трудозатрат.
.
.
.
.
.
.
.
5
. ПРОБКА, МАСЛЯНАЯ МАГИСТРАЛЬ - ЗАМЕНА
1210900
3.6
4.0
4.0
4.0
4.2
9,6
ВКЛ.: снятие и установка коробки передач с главной передачей в сборе
.
.
.
.
.
.
.
6
. БЛОК ЦИЛИНДРОВ - ЗАМЕНА
1211100
9.0
7.6
7.6
7.6
7.6
10.9
7
. КРОНШТЕЙН, БЛОК ЦИЛИНДРОВ - ЗАМЕНА
1211300
-
-
-
-
-
0.3
S : AVEO/KALOS/BARINA, N : NUBIRA/LACETTI/FORENZA/OPTRA/VIVA, L : EVANDA/EPICA

G161B01
Показать иллюстрациюПеревод текста в иллюстрациях


МЕХАНИЧЕСКАЯ ЧАСТЬ ДВИГАТЕЛЯ С ДВУМЯ РАСПРЕДВАЛАМИ ВЕРХНЕГО РАСПОЛОЖЕНИЯ - КОЛЕНЧАТЫЙ ВАЛ И ПОРШНИ (122)

ОПИСАНИЕ ОПЕРАЦИИ
КОД ОПЕРАЦИИ
S
N
L
1.4D/1.6D
1.4D
1.6D/1.8D(Fam I)
1.8D/2.0D(Fam II)
2.0D
2.5X
1
. УПЛОТНЕНИЯ, ЗАДНЕЕ ОСНОВНОЕ КОЛЕНВАЛА (АВТОМАТИЧЕСКАЯ КОРОБКА ПЕРЕДАЧ С ГЛАВНОЙ ПЕРЕДАЧЕЙ В СБОРЕ) - ЗАМЕНА
1220200
3.8
3.1
3.1
3.9
4.1
4.1
. УПЛОТНЕНИЯ, ЗАДНЕЕ ОСНОВНОЕ КОЛЕНВАЛА (МЕХАНИЧЕСКАЯ КОРОБКА ПЕРЕДАЧ С ГЛАВНОЙ ПЕРЕДАЧЕЙ В СБОРЕ) - ЗАМЕНА
1220400
4.2
3.8
3.8
3.8
4.0
-
ВКЛ.: снятие и установка коробки передач с главной передачей в сборе
.
.
.
.
.
.
.
2
. ПОДШИПНИК, КОРЕННОЙ КОЛЕНВАЛА (ОДИН) - ЗАМЕНА
1220600
1.6
1.5
1.5
1.1
1.7
8.1
ВКЛ.: снятие и установка коробки передач с главной передачей в сборе, маховика, масляного поддона, регулировка двигателя.
.
.
.
.
.
.
.
A - каждая дополнительная замена
122060A
0.4
0.4
0.4
0.4
0.4
0.4
B - замена заднего коренного подшипника (автоматическая коробка передач с главной передачей в сборе)
122060B
2.8
2.6
2.6
2.6
2.6
2.7
C - замена заднего коренного подшипника (механическая коробка передач с главной передачей в сборе)
122060C
3.1
2.8
2.8
2.8
3.1
-
3
. ПОДШИПНИК, ШАТУН (ОДИН) - ЗАМЕНА
1220800
1.3
1,4
1,4
2.3
2.6
10.1
ВКЛ.: снятие и установка масляного поддона в сборе, всасывающего маслопровода
.
.
.
.
.
.
.
A - каждая дополнительная замена
122080A
0.3
0.3
0.3
0.3
0.3
0.3
B - замена всех
122080B
0.6
0.6
0.6
0.6
0.6
0.6
4
. КОЛЕНЧАТЫЙ ВАЛ (M/T) - ЗАМЕНА
1221100
6.3
6.3
6.3
6.3
7.5
-
ВКЛ.: снятие и установка двигателя в сборе, головки цилиндров в сборе, маховика, поршня в сборе, регулировка двигателя.
.
.
.
.
.
.
.
C - снятие и установка головки цилиндров
122110C
1.0
1.0
1.0
1.0
1.0
-
D - замена колец одного поршня
122110D
0.4
0.4
0.4
0.4
0.4
-
E - замена всех поршневых колец
122110E
1,2
1,2
1,2
1,2
1,2
-
F - замена одного шатуна
122110F
0.4
0.4
0.4
0.4
0.4
-
G - замена всех шатунов
122110G
1.1
1.1
1.1
1.1
1.1
-
H - замена одного поршня
122110H
0.5
0.5
0.5
0.5
0.5
-
J - замена всех поршней
122110J
1.8
1.8
1.8
1.8
1.8
-
S : AVEO/KALOS/BARINA, N : NUBIRA/LACETTI/FORENZA/OPTRA/VIVA, L : EVANDA/EPICA

G161B01
Показать иллюстрациюПеревод текста в иллюстрациях


МЕХАНИЧЕСКАЯ ЧАСТЬ ДВИГАТЕЛЯ С ДВУМЯ РАСПРЕДВАЛАМИ ВЕРХНЕГО РАСПОЛОЖЕНИЯ - КОЛЕНЧАТЫЙ ВАЛ И ПОРШНИ (122)

ОПИСАНИЕ ОПЕРАЦИИ
КОД ОПЕРАЦИИ
S
N
L
1.4D/1.6D
1.4D
1.6D/1.8D(Fam I)
1.8D/2.0D(Fam II)
2.0D
2.5X
4
. КОЛЕНЧАТЫЙ ВАЛ (A/T) - ЗАМЕНА
1221200
7.8
7.2
7.2
7.2
7.5
10.5
ВКЛ.: снятие и установка двигателя в сборе, головки цилиндров в сборе, маховика, поршня в сборе, регулировка двигателя.
.
.
.
.
.
.
.
C - снятие и установка головки цилиндров
122120C
1.0
1.0
1.0
1.0
1.0
1.0
D - замена колец одного поршня
122120D
0.4
0.4
0.4
0.4
0.4
0.4
E - замена всех поршневых колец
122120E
1,2
1,2
1,2
1,2
1,2
1,2
F - замена одного шатуна
122120F
0.4
0.4
0.4
0.4
0.4
0.4
G - замена всех шатунов
122120G
1.1
1.1
1.1
1.1
1.1
1.1
H - замена одного поршня
122120H
0.5
0.5
0.5
0.5
0.5
0.5
J - замена всех поршней
122120J
1.8
1.8
1.8
1.8
1.8
1.8
5
. КОЛЕСО С "МИШЕНЬЮ" НА КОЛЕНВАЛЕ - ЗАМЕНА
1221300
7.3
7.3
7.3
7.3
7.7
10.5
6
. ПОРШЕНЬ, ШАТУН И/ИЛИ КОЛЬЦА (ОДИН) - ЗАМЕНА
1221500
5.1
4.6
4.6
5.6
5.7
9,6
ВКЛ.: снятие и установка головки цилиндров в сборе, всасывающего маслопровода, регулировка двигателя.
.
.
.
.
.
.
.
C - каждая дополнительная замена
122150C
0.8
0.8
0.8
0.8
0.8
0.8
D - замена всех
122150D
1.3
1.3
1.3
1.3
1.3
1.3
7
. МАХОВИК (МЕХАНИЧЕСКАЯ КПП) - ЗАМЕНА
1221700
3.6
3.6
3.6
3.6
3.8
-
ВКЛ.: снятие и установка коробки передач в сборе, крышки сцепления в сборе
.
.
.
.
.
.
.
8
. МАХОВИК (АВТОМАТИЧЕСКАЯ КПП) - ЗАМЕНА
1221900
3.7
3.0
3.0
3.4
3.6
3.6
S : AVEO/KALOS/BARINA, N : NUBIRA/LACETTI/FORENZA/OPTRA/VIVA, L : EVANDA/EPICA

G141C05
Показать иллюстрациюПеревод текста в иллюстрациях


МЕХАНИЧЕСКАЯ ЧАСТЬ ДВИГАТЕЛЯ С ДВУМЯ РАСПРЕДВАЛАМИ ВЕРХНЕГО РАСПОЛОЖЕНИЯ - МАСЛЯНЫЙ ПОДДОН И НАСОС (123)

ОПИСАНИЕ ОПЕРАЦИИ
КОД ОПЕРАЦИИ
S
N
L
1.4D/1.6D
1.4D
1.6D/1.8D(Fam I)
1.8D/2.0D(Fam II)
2.0D
2.5X
1
. ФИЛЬТР, МАСЛЯНЫЙ - ЗАМЕНА
1231100
0.4
0.4
0.4
0.4
0.4
0.5
2
. ПРОБКА И/ИЛИ ПРОКЛАДКА, СЛИВ МАСЛЯНОГО ПОДДОНА - ЗАМЕНА
1231300
0.3
0.3
0.3
0.3
0.3
0.5
3
. ПОДДОН И/ИЛИ ПРОКЛАДКА, МАСЛЯНЫЕ - ЗАМЕНА
1231500
1.3
1.0
1.0
0.8
1.1
1.3
ВКЛ.: передняя выпускная труба в сборе, кронштейн выпускной трубы
.
.
.
.
.
.
.
4
. НАСОС, МАСЛЯНЫЙ ДВИГАТЕЛЯ - ЗАМЕНА
1231700
2.6
2.6
2.6
2.0
2.2
1,4
ВКЛ.: снятие и установка приводного ремня ГРМ, масляного поддона, регулировка двигателя
.
.
.
.
.
.
.
5
. ДАТЧИК, ПЕРЕКЛЮЧАТЕЛЬ ТОПЛИВА И ИЗМЕРИТЕЛЬ ДАВЛЕНИЯ МАСЛА В ДВИГАТЕЛЕ - ЗАМЕНА
1231900
0.3
0.3
0.3
0.3
0.3
0.3
6
. ТРУБКА, МАСЛЯНАЯ ВСАСЫВАЮЩАЯ - ЗАМЕНА
1232100
1.3
0.5
0.5
0.5
1.1
1,4
7
. МАСЛЯНОЕ УПЛОТНЕНИЕ, КОЛЕНВАЛ (СПЕРЕДИ) - ЗАМЕНА
1232300
1.8
1.8
1.8
1.8
1.8
8.1
8
. ЭЛЕМЕНТ, СОЕДИНИТЕЛЬНЫЙ - ЗАМЕНА
1232500
0.5
0.5
0.5
0.5
0.5
0.6
9
. КЛАПАН, ПРЕДОХРАНИТЕЛЬНЫЙ, ДАВЛЕНИЕ МАСЛА - ЗАМЕНА
1232700
0.3
0.3
0.3
0.3
0.3
-
10
. ПРОКЛАДКА МАСЛЯНОГО НАСОСА - ЗАМЕНА
1232900
2.7
2.7
2.7
2.1
2.3
1.5
11
. ТРУБКА И/ИЛИ ПРОКЛАДКА ВЕНТИЛЯЦИИ КАРТЕРА - ЗАМЕНА
1233700
0.3
0.3
0.3
0.3
0.3
-
12
. ШЛАНГ, ВЕНТИЛЯЦИИ КАРТЕРА - ЗАМЕНА
1233700
0.3
0.3
0.3
0.3
0.3
-
S : AVEO/KALOS/BARINA, N : NUBIRA/LACETTI/FORENZA/OPTRA/VIVA, L : EVANDA/EPICA

G141C06
Показать иллюстрациюПеревод текста в иллюстрациях


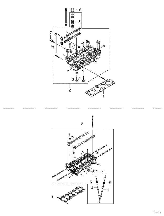
МЕХАНИЧЕСКАЯ ЧАСТЬ ДВИГАТЕЛЯ С ДВУМЯ РАСПРЕДВАЛАМИ ВЕРХНЕГО РАСПОЛОЖЕНИЯ - ГОЛОВКА ЦИЛИНДРОВ (131)

ОПИСАНИЕ ОПЕРАЦИИ
КОД ОПЕРАЦИИ
S
N
L
1.4D/1.6D
1.4D
1.6D/1.8D(Fam I)
1.8D/2.0D(Fam II)
2.0D
2.5X
1
. ПРОКЛАДКА, ГОЛОВКИ ЦИЛИНДРОВ - ЗАМЕНА
1312300
3.4
3,2
3,2
3.9
3.9
9,5
ВКЛ.: снятие и установка головки цилиндров в сборе, впускного и выпускного коллектора в сборе, регулировка двигателя.
.
.
.
.
.
.
.
2
. ГОЛОВКА ЦИЛИНДРОВ - ЗАМЕНА
1312500
3.4
3,2
3,2
3.9
3.9
9,5
ВКЛ.: снятие и установка головки цилиндров в сборе, впускного и выпускного коллектора в сборе, клапанов, регулировка двигателя.
.
.
.
.
.
.
.
. ГОЛОВКА ЦИЛИНДРОВ - КАПИТАЛЬНЫЙ РЕМОНТ
1312600
5.9
5.8
5.8
6.9
6.9
12.7
ВКЛ.: снятие и установка головки цилиндров в сборе, впускного и выпускного коллектора в сборе, клапанов, регулировка двигателя.
.
.
.
.
.
.
.
3
. КЛАПАН (ОДИН ЦИЛИНДР) - ЗАМЕНА
1312700
4.6
4.1
4.1
5.4
5.4
10.1
ВКЛ.: снятие и установка головки цилиндров в сборе, впускного и выпускного коллектора в сборе, распределительного вала, уплотнений штоков клапанов, ремонт клапанов, регулировка двигателя.
.
.
.
.
.
.
.
C - клапаны (каждый дополнительный)
131270C
0.4
0.4
0.4
0.4
0.3
0.1
D - клапаны (все)
131270D
1.5
1.5
1.5
1.5
1.5
1.8
4
. НАПРАВЛЯЮЩАЯ, КЛАПАН - ЗАМЕНА
1312800
4.9
4.4
4.4
5,5
5,5
10.1
ВКЛ.: снятие и установка головки цилиндров в сборе, впускного и выпускного коллектора в сборе, распределительного вала, клапанов, уплотнений штоков, ремонт клапанов, регулировка двигателя.
.
.
.
.
.
.
.
C - клапаны (каждый дополнительный)
131280C
0.3
0.3
0.3
0.3
0.3
0.1
D - клапаны (все)
131280D
1.5
1.5
1.5
1.5
1.5
1.8
S : AVEO/KALOS/BARINA, N : NUBIRA/LACETTI/FORENZA/OPTRA/VIVA, L : EVANDA/EPICA

G141C06
Показать иллюстрациюПеревод текста в иллюстрациях


МЕХАНИЧЕСКАЯ ЧАСТЬ ДВИГАТЕЛЯ С ДВУМЯ РАСПРЕДВАЛАМИ ВЕРХНЕГО РАСПОЛОЖЕНИЯ - ГОЛОВКА ЦИЛИНДРОВ (131)

ОПИСАНИЕ ОПЕРАЦИИ
КОД ОПЕРАЦИИ
S
N
L
1.4D/1.6D
1.4D
1.6D/1.8D(Fam I)
1.8D/2.0D(Fam II)
2.0D
2.5X
5
. КОЛПАЧОК И/ИЛИ УПЛОТНЕНИЕ ПРУЖИНЫ КЛАПАНА (ОДИН ЦИЛИНДР) - ЗАМЕНА
1312900
3.7
3.9
3.9
3.9
4.1
10.1
ВКЛ.: снятие и установка головки цилиндров в сборе, распределительного вала, регулировка двигателя.
.
.
.
.
.
.
.
C - клапаны (каждый дополнительный)
131290C
0.4
0.4
0.4
0.4
0.4
0.1
D - клапаны (все)
131290D
2.1
2.1
2.1
2.1
2.1
2.2
6
. ТОЛКАТЕЛЬ КЛАПАНА - ЗАМЕНА
1313800
1.6
1.3
1.3
1.3
1,2
9,1
C - клапаны (каждый дополнительный)
131380C
0.2
0.2
0.2
0.2
0.2
0.1
D - клапаны (все)
131380D
0.5
0.5
0.5
0.5
0.5
0.2
7
. ДАТЧИК, ТЕМПЕРАТУРЫ ОХЛАЖДАЮЩЕЙ ЖИДКОСТИ ДВИГАТЕЛЯ - ЗАМЕНА
1314100
0.4
0.4
0.4
0.2
0.2
0.2
S : AVEO/KALOS/BARINA, N : NUBIRA/LACETTI/FORENZA/OPTRA/VIVA, L : EVANDA/EPICA

G141C07
Показать иллюстрациюПеревод текста в иллюстрациях


МЕХАНИЧЕСКАЯ ЧАСТЬ ДВИГАТЕЛЯ С ДВУМЯ РАСПРЕДВАЛАМИ ВЕРХНЕГО РАСПОЛОЖЕНИЯ - ОПОРА РАСПРЕДЕЛИТЕЛЬНОГО ВАЛА И ВАЛ (132)

ОПИСАНИЕ ОПЕРАЦИИ
КОД ОПЕРАЦИИ
S
N
L
1.4D/1.6D
1.4D
1.6D/1.8D(Fam I)
1.8D/2.0D(Fam II)
2.0D
2.5X
1
. КРЫШКА И/ИЛИ ПРОКЛАДКА, КАРТЕР РАСПРЕДЕЛИТЕЛЬНОГО ВАЛА (ОДНА ШТ.) - ЗАМЕНА
1322100
0.5
0.5
0.5
0.5
0.5
1.1
2
. РАСПРЕДЕЛИТЕЛЬНЫЙ ВАЛ, ВПУСК/ВЫПУСК - ЗАМЕНА
1322400
2.3
1.3
1.3
1.3
1.3
9.0
ВКЛ.: снятие и установка катушки зажигания, привода распределительного вала, регулировка фаз зажигания.
.
.
.
.
.
.
.
C - замена обоих
132240C
0.3
0.3
0.3
0.3
0.3
0.2
3
. КОЛПАЧОК, МАСЛОЗАПРАВОЧНАЯ ГОРЛОВИНА - ЗАМЕНА
1322700
0.2
0.2
0.2
0.2
0.2
0.2
4
. КРЫШКА, ВЕРХНЯЯ РАСПРЕДЕЛИТЕЛЬНОГО ВАЛА - ЗАМЕНА
1322800
0.2
0.2
0.2
0.2
0.2
0.2
5
. МАСЛЯНОЕ УПЛОТНЕНИЕ, РАСПРЕДЕЛИТЕЛЬНЫЙ ВАЛ - ЗАМЕНА
1323000
2.1
1.8
1.8
1,2
1,2
-
S : AVEO/KALOS/BARINA, N : NUBIRA/LACETTI/FORENZA/OPTRA/VIVA, L : EVANDA/EPICA

G141C08
Показать иллюстрациюПеревод текста в иллюстрациях


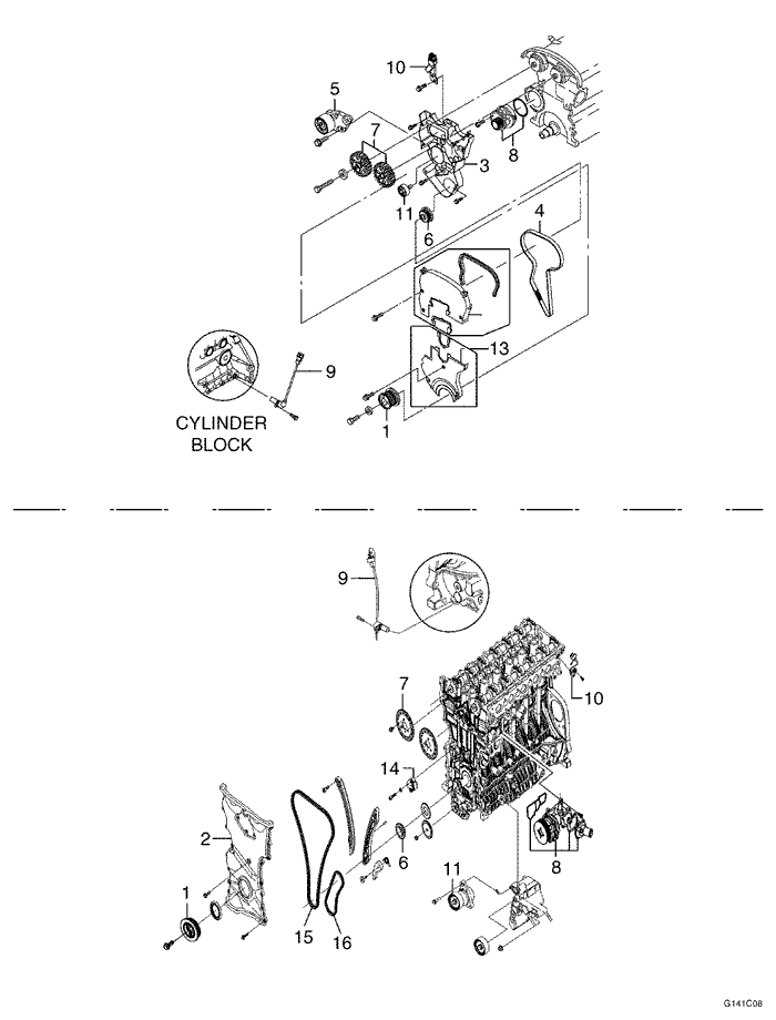
МЕХАНИЧЕСКАЯ ЧАСТЬ ДВИГАТЕЛЯ С ДВУМЯ РАСПРЕДВАЛАМИ ВЕРХНЕГО РАСПОЛОЖЕНИЯ - КРЫШКА ПРИВОДА ГРМ (133)

ОПИСАНИЕ ОПЕРАЦИИ
КОД ОПЕРАЦИИ
S
N
L
1.4D/1.6D
1.4D
1.6D/1.8D(Fam I)
1.8D/2.0D(Fam II)
2.0D
2.5X
1
. ШКИВ, КОЛЕНЧАТЫЙ ВАЛ - ЗАМЕНА
1332100
0.6
0.4
0.4
0.4
0.4
8.1
2
. КРЫШКА И/ИЛИ ПРОКЛАДКА, ГРМ - ЗАМЕНА
1332200
-
-
-
-
1.0
6.7
3
. КРЫШКА, ЗАДНЯЯ ПРИВОДНОГО РЕМНЯ ГРМ - ЗАМЕНА
1332300
1,4
1.6
1.6
1.6
1.6
-
4
. РЕМЕНЬ, ПРИВОДА ГРМ - ЗАМЕНА
1332500
1.1
1.1
1.1
1.3
1.3
-
. РЕМЕНЬ, ПРИВОД ГРМ - РЕГУЛИРОВКА
1332700
1.7
1.1
1.1
1.3
1.3
-
5
. НАТЯЖИТЕЛЬ, РЕМЕНЬ ПРИВОДА ГРМ - ЗАМЕНА
1332900
1.3
1.1
1.1
1.3
1.3
-
ВКЛ.: снятие и установка ремня привода ГРМ, кожуха ремня ГРМ, регулировка двигателя.
.
.
.
.
.
.
.
6
. ЗВЕЗДОЧКА, СИНХРОНИЗАЦИЯ КОЛЕНЧАТОГО ВАЛА - ЗАМЕНА
1333100
1.3
0,9
0,9
1.3
1.3
8.8
ВКЛ.: снятие и установка приводного ремня ГРМ, регулировка двигателя
.
.
.
.
.
.
.
7
. ЗВЕЗДОЧКА, СИНХРОНИЗАЦИЯ РАСПРЕДЕЛИТЕЛЬНОГО ВАЛА - ЗАМЕНА
1333300
1.7
1.7
1.7
1.1
1.1
8.8
ВКЛ.: снятие и установка приводного ремня ГРМ, регулировка двигателя
.
.
.
.
.
.
.
8
. НАСОС И/ИЛИ ПРОКЛАДКА, ОХЛАЖДАЮЩЕЙ ЖИДКОСТИ - ЗАМЕНА
1333500
2.0
1.8
1.8
1.3
1.3
2.3
9
. ДАТЧИК ПОЛОЖЕНИЯ КОЛЕНЧАТОГО ВАЛА - ЗАМЕНА
1333700
0.3
0.2
0.2
1.3
1.3
0.3
10
. ДАТЧИК ПОЛОЖЕНИЯ РАСПРЕДЕЛИТЕЛЬНОГО ВАЛА - ЗАМЕНА
1333800
0.6
0.6
0.6
0.6
0.6
0.2
11
. ШКИВ, ХОЛОСТОЙ - ЗАМЕНА
1333900
1,2
1,2
1,2
1,2
1,2
0.3
12
. КОЖУХ ПРИВОДНОГО РЕМНЯ РАСПРЕДЕЛИТЕЛЬНОГО ВАЛА (ВЕРХНИЙ)
1334200
0.5
0.2
0.2
-
-
-
S : AVEO/KALOS/BARINA, N : NUBIRA/LACETTI/FORENZA/OPTRA/VIVA, L : EVANDA/EPICA

G141C08
Показать иллюстрациюПеревод текста в иллюстрациях


МЕХАНИЧЕСКАЯ ЧАСТЬ ДВИГАТЕЛЯ С ДВУМЯ РАСПРЕДВАЛАМИ ВЕРХНЕГО РАСПОЛОЖЕНИЯ - КРЫШКА ПРИВОДА ГРМ (133)

ОПИСАНИЕ ОПЕРАЦИИ
КОД ОПЕРАЦИИ
S
N
L
1.4D/1.6D
1.4D
1.6D/1.8D(Fam I)
1.8D/2.0D(Fam II)
2.0D
2.5X
13
. КОЖУХ ПРИВОДНОГО РЕМНЯ РАСПРЕДЕЛИТЕЛЬНОГО ВАЛА (НИЖНИЙ)
1334300
0,9
0.7
0.7
-
-
-
14
. НАТЯЖИТЕЛЬ, ЦЕПЬ ПРИВОДА ГРМ - ЗАМЕНА
1334500
-
-
-
-
-
8.8
15
. ЦЕПЬ, ПРИВОДА ГРМ - ЗАМЕНА
1334600
-
-
-
-
-
8,9
16
. ЦЕПЬ, МАСЛЯНЫЙ НАСОС - ЗАМЕНА
1334700
-
-
-
-
-
8,9
S : AVEO/KALOS/BARINA, N : NUBIRA/LACETTI/FORENZA/OPTRA/VIVA, L : EVANDA/EPICA

G141C09
Показать иллюстрациюПеревод текста в иллюстрациях


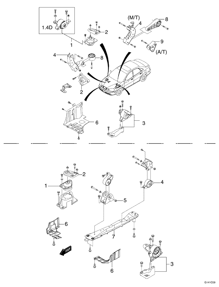
МЕХАНИЧЕСКАЯ ЧАСТЬ ДВИГАТЕЛЯ С ДВУМЯ РАСПРЕДВАЛАМИ ВЕРХНЕГО РАСПОЛОЖЕНИЯ - ПОДВЕСКА ДВИГАТЕЛЯ И КОРОБКИ ПЕРЕДАЧ С ГЛАВНОЙ ПЕРЕДАЧЕЙ В СБОРЕ (138)

ОПИСАНИЕ ОПЕРАЦИИ
КОД ОПЕРАЦИИ
S
N
L
1.4D/1.6D
1.4D
1.6D/1.8D(Fam I)
1.8D/2.0D(Fam II)
2.0D
2.5X
1
. ПОДВЕСКА ДВИГАТЕЛЯ (ПРАВАЯ ПЕРЕДНЯЯ) - ЗАМЕНА
1380100
0,9
0.8
0.8
0.8
0.8
0.8
2
. КРОНШТЕЙН, ПОДВЕСКА ДВИГАТЕЛЯ (ПРАВАЯ ПЕРЕДНЯЯ) - ЗАМЕНА
1380300
0,9
0.8
0.8
0.8
0.8
0.8
3
. ПОДВЕСКА КОРОБКИ ПЕРЕДАЧ С ГЛАВНОЙ ПЕРЕДАЧЕЙ В СБОРЕ (ЛЕВАЯ ПЕРЕДНЯЯ) - ЗАМЕНА
1380500
0,9
0,9
0,9
0,9
0,9
0,9
4
. ПОДВЕСКА КОРОБКИ ПЕРЕДАЧ С ГЛАВНОЙ ПЕРЕДАЧЕЙ В СБОРЕ (СРЕДНЯЯ ЗАДНЯЯ) - ЗАМЕНА
1380700
0,9
0,9
0,9
0.8
0.8
0.8
A - автоматическая коробка передач с главной передачей в сборе
138070A
0.4
-
-
-
-
-
5
. ПОДВЕСКА ДВИГАТЕЛЯ (СРЕДНЯЯ ПЕРЕДНЯЯ) - ЗАМЕНА
1380800
-
-
-
-
0.8
0.8
6
. ЛОНЖЕРОН, СРЕДНИЙ - ЗАМЕНА
1382500
-
-
-
-
0.7
0.7
7
. РЕАКТИВНАЯ ШТАНГА - ЗАМЕНА
1381300
0.5
0.5
0.5
0.5
-
-
8
. КРОНШТЕЙН, РЕАКТИВНЫЙ (НИЖНИЙ) - ЗАМЕНА
1381500
0,9
0,9
-
0,9
-
-
9
. ЩИТОК, БРЫЗГОЗАЩИТНЫЙ - ЗАМЕНА
.
.
.
.
.
.
.
Правый
1382100
0.3
0.3
0.3
0.3
0.3
0.3
Левый
1382200
0.3
0.3
0.3
0.3
0.3
0.3
.
1382300
-
-
-
-
-
-
S : AVEO/KALOS/BARINA, N : NUBIRA/LACETTI/FORENZA/OPTRA/VIVA, L : EVANDA/EPICA
На предыдущую страницуНа следующую страницу


Главная страница сайта