Справочник трудоёмкости работ2005 Evanda ТОРМОЗНАЯ СИСТЕМА (ТОРМОЗНОЙ МЕХАНИЗМ ПЕРЕДНЕГО КОЛЕСА)К началу документа
Evanda
На предыдущую страницуНа следующую страницу
Главная страница GMDEЗагрузить нединамическое оглавлениеЗагрузить динамическое оглавлениеПомощь

РАЗДЕЛ 4D

ТОРМОЗНАЯ СИСТЕМА (ТОРМОЗНОЙ МЕХАНИЗМ ПЕРЕДНЕГО КОЛЕСА)

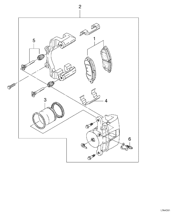
LTA4D01
Показать иллюстрациюПеревод текста в иллюстрациях


ТОРМОЗНОЙ МЕХАНИЗМ ПЕРЕДНЕГО КОЛЕСА - ПЕРЕДНИЙ ТОРМОЗ (445)

ОПИСАНИЕ ОПЕРАЦИИ
КОД ОПЕРАЦИИ
МОДЕЛЬ
S
N
L (сиреневый)
1
. НАКЛАДКИ, ДИСКОВЫЙ ТОРМОЗ (ПЕРЕДНИЙ) - ЗАМЕНА
.
.
.
.
Правый
4450100
0.4
0.5
0.5
Левый
4450110
0.4
0.5
0.5
Оба
4450120
0.6
0.8
0.8
2
. СУППОРТ В СБОРЕ - ЗАМЕНА
.
.
.
.
Правый передний
4450300
0.7
0.7
0.7
Левый передний
4450400
0.7
0.7
0.7
Оба передних
4450500
0,9
1.0
1.0
3
. УПЛОТНИТЕЛЬНЫЙ КОМПЛЕКТ, ПОРШЕНЬ - ЗАМЕНА
4450700
0,9
0,9
0,9
4
. ПРУЖИНА, НАКЛАДКА - ЗАМЕНА
4450900
0.4
0.5
0.5
5
. КОМПЛЕКТ ПАЛЬЦЕВ (ВЕРХ/НИЗ) - ЗАМЕНА
.
.
.
.
Правый
4451100
0,9
0.7
0.7
Левый
4451200
0,9
0.7
0.7
Оба
4451300
1.1
1.1
1.1
6
. ВИНТ ДЛЯ ПРОКАЧКИ - ЗАМЕНА
4451500
0.2
0.3
0.3
S : Kalos/Aveo, N : NUBIRA/LACETTI, L : EVANDA
На предыдущую страницуНа следующую страницу


Главная страница сайта