Предпродажное обслуживание2005 Evanda НИЖНЯЯ ЧАСТЬ АВТОМОБИЛЯК началу документа
Evanda
На предыдущую страницуНа следующую страницу
Главная страница GMDEЗагрузить нединамическое оглавлениеЗагрузить динамическое оглавлениеПомощь

РАЗДЕЛ 4

НИЖНЯЯ ЧАСТЬ АВТОМОБИЛЯ

ПРОВЕРКА НИЖНЕЙ ЧАСТИ АВТОМОБИЛЯ

Для проведения всех описанных в данной главе проверок необходимо поднять автомобиль на уровне выше головы.
Осмотреть нижнюю часть автомобиля на наличие неплотных креплений, утечки топлива, отсутствие компонентов, правильность прокладки и крепления линий. - Затянуть крепления и соединения.

pdisec04p2
Показать иллюстрациюПеревод текста в иллюстрациях


1. РУЛЕВОЙ МЕХАНИЗМ И РЫЧАЖНАЯ СИСТЕМА

Проверить рулевой механизм и рычажную систему.

4931
Показать иллюстрациюПеревод текста в иллюстрациях


2. ПРАВИЛЬНОЕ ПОЛОЖЕНИЕ ЗАЖИМА ПОПЕРЕЧНОЙ РУЛЕВОЙ ТЯГИ

Проверить зажим поперечной рулевой тяги.

tierod
Показать иллюстрациюПеревод текста в иллюстрациях


3. ПРАВИЛЬНОСТЬ УСТАНОВКИ И ЗАЗОРОВ СИСТЕМЫ ВЫПУСКА ОТРАБОТАВШИХ ГАЗОВ

Проверить систему выпуска отработавших газов.

2460w
Показать иллюстрациюПеревод текста в иллюстрациях


4. ПЕРЕДНЯЯ И ЗАДНЯЯ ПОДВЕСКА

Проверить переднюю и заднюю подвеску.

pdisec04p3b
Показать иллюстрациюПеревод текста в иллюстрациях


Передняя подвеска

pdisec04p3a
Показать иллюстрациюПеревод текста в иллюстрациях


Задняя подвеска

5. ПРОВЕРКА УРОВНЯ ЖИДКОСТИ В МОСТУ И МЕХАНИЧЕСКОЙ КОРОБКЕ ПЕРЕДАЧ


uzw6141a
Показать иллюстрациюПеревод текста в иллюстрациях


6. ТОРМОЗНАЯ СИСТЕМА

Проверить уровень тормозной жидкости, состояние тормозных цилиндров, трубок, шлангов и парковочного тормоза. Проверить систему ABS, если она адаптирована.

a107a029
Показать иллюстрациюПеревод текста в иллюстрациях


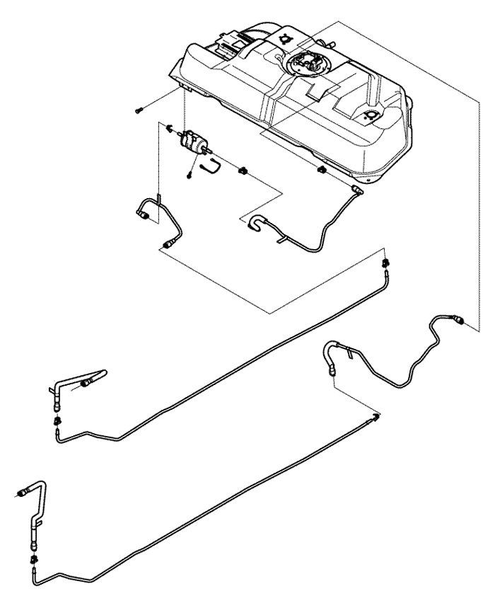
7. ТОПЛИВНАЯ СИСТЕМА

Проверить топливный бак, топливный насос, соединение топливных шлангов, трубок, инжекторов, датчика и фильтра.

2110
Показать иллюстрациюПеревод текста в иллюстрациях



2120
Показать иллюстрациюПеревод текста в иллюстрациях



2130
Показать иллюстрациюПеревод текста в иллюстрациях


8. ВАЛ ПРИВОДА ПЕРЕДНИХ КОЛЕС

Проверить вал привода на наличие ржавчины, повреждений, скрученности и состояние его сборки.

pdisec04p5c
Показать иллюстрациюПеревод текста в иллюстрациях


9. ОСМОТРЕТЬ ШПИЛЬКИ КРЕПЛЕНИЯ КОЛЁС И ФЛАНЦЕВЫЕ ГАЙКИ

Снять колпаки и проверить шпильки и фланцевые гайки крепления колёс.
Момент затяжки шпильки колеса: 12 кг•м (120 Н·м)

pdisec04p5b
Показать иллюстрациюПеревод текста в иллюстрациях


10. НАКАЧКА ШИН ДО УКАЗАННОГО ДАВЛЕНИЯ

Проверить давление воздуха в шинах.
[кПа(psi)]
Размер шин
Передние
Задние
KALOS
155/80 R13
210(30)
210(30)
175/70 R13
210(30)
210(30)
185/60 R14
210(30)
210(30)
Evanda/LACETTI
175/70 R14
207(30)
207(30)
185/65 R14
207(30)
207(30)
195/55 R15
207(30)
207(30)
TACUMA/REZZO
185/70 R14
220(32)
220(32)
195/60 R15
220(32)
220(32)
195/70 R14
210(30)
210(30)
EVANDA
205/65 R15
230(33)
210(30)
205/55 R16
210(30)
210(30)

pdisec04p5a
Показать иллюстрациюПеревод текста в иллюстрациях


На предыдущую страницуНа следующую страницу


Главная страница сайта