Руководство по техническому обслуживанию2006 Evanda РЕМОНТ АГРЕГАТАК началу документа
Evanda
На предыдущую страницуНа следующую страницу
Главная страница GMDEЗагрузить нединамическое оглавлениеЗагрузить динамическое оглавлениеПомощь

РЕМОНТ АГРЕГАТА

Детали головки цилиндров и клапанного механизма

Необходимое оборудование

MKM-571-B Измеритель
KM-340-0 Комплект режущих инструментов
KM-340-7 Направляющий бородок
KM–340–13 Режущие инструменты
KM–340–26 Режущие инструменты
KM–348 Устройство сжатия пружины клапана
KM–653 Адаптер
KM–805 Вороток направляющей клапана


V3B11C61
Показать иллюстрациюПеревод текста в иллюстрациях


Процедура разборки

  1. Снимите головку цилиндров с присоединенным впускным и выпускным коллектором. Следуйте пункту "Головка цилиндров и прокладка" в этом разделе.
  2. Снимите датчик температуры охлаждающей жидкости (ЕСТ).
  3. Снимите винты теплоизоляционного щитка выпускного коллектора.
  4. Снимите теплоизоляционный щиток выпускного коллектора.
  5. Снимите стопорные гайки выпускного коллектора в указанной последовательности.
  6. Снимите выпускной коллектор.
  7. Снимите прокладку выпускного коллектора.
  8. Снимите штырь выпускного коллектора.


  9. V3B11C62
    Показать иллюстрациюПеревод текста в иллюстрациях


  10. Снимите крепежные винты корпуса термостата.
  11. Снимите узел корпуса термостата.
  12. Снимите узел топливной рампы. Следуйте разделу 1D, Управление двигателя.
  13. Снимите крепежные винты байпаса охлаждающей жидкости и корпус.


  14. V3B11C44
    Показать иллюстрациюПеревод текста в иллюстрациях


  15. Снимите стопорные винты и стопорные гайки впускного коллектора в указанной последовательности.
  16. Снимите впускной коллектор.
  17. Снимите прокладку впускного коллектора.


  18. V6B11C05
    Показать иллюстрациюПеревод текста в иллюстрациях


  19. Снять катушку системы прямого зажигания и провода зажигания.
  20. Снять винты крепежного кронштейна клапана рециркуляции отработавших газов и сам кронштейн.
  21. Снимите штыри впускного коллектора.
  22. Снимите свечи зажигания.


  23. V3B11C28
    Показать иллюстрациюПеревод текста в иллюстрациях


  24. Постепенно снять винты головки подшипника распределительного вала в указанной последовательности для каждой головки распределительного вала.


  25. V3B11C64
    Показать иллюстрациюПеревод текста в иллюстрациях


  26. Снимите головки впускного распределительного вала. Выберите правильную позицию для установки.
  27. Снимите впускной распределительный вал.
  28. Снимите регуляторы зазора впускных клапанов.
  29. Снимите головки выпускного распределительного вала. Выберите правильную позицию для установки.
  30. Снимите выпускной распределительный вал.
  31. Снмите регуляторы зазора выпускных клапанов.


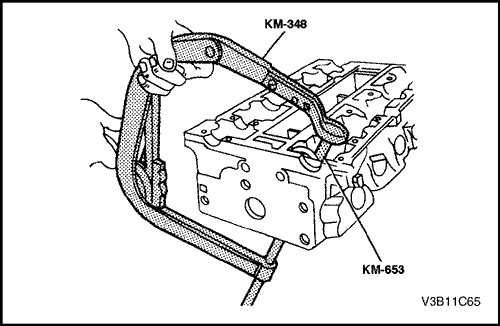
  32. V3B11C65
    Показать иллюстрациюПеревод текста в иллюстрациях


  33. Сожмите пружины клапана при помощи устройства сжатия пружины клапана KM–348 и адаптера KM–653.
  34. Снимите тарелки клапанной пружины.
  35. Снимите устройство сжатия пружины клапана KM–348 и адаптер KM–653.
  36. Снимите крышки пружины клапана.
  37. Снимите пружины клапана. Выберите исходное положение для монтажа пружин клапана.


  38. V3B11C66
    Показать иллюстрациюПеревод текста в иллюстрациях


  39. Снимите клапаны. Выберите исходное положение для монтажа клапана.
  40. Снимите уплотнения штока клапана.


V3B11C67
Показать иллюстрациюПеревод текста в иллюстрациях


Проверка головки цилиндров

  1. Почистите уплотнительные поверхности.
  2. Проверьте прокладку головки цилиндров и сопрягаемые поверхности на утечку, коррозию и прорыв газов.
  3. Проверьте головку цилиндров на трещины.
  4. Проверьте длину и ширину головки цилиндров, используя щуп и проверочную линейку.
  5. Проверьте уплотнительные поверхности на деформацию и искривление. Уплотнительные поверхности головки цилиндров должны быть плоскими на протяжении не менее 0,025 мм (0.001 in.).


  6. V3B11C68
    Показать иллюстрациюПеревод текста в иллюстрациях


  7. Измерьте высоту головки цилиндров от уплотнительной поверхности до уплотнительной поверхности. Высота головки цилиндров должна быть от 133,975 до 134,025 мм (от 5.274 до 5.276 in.). Если высота головки цилиндров меньше 133,9 мм (5.271 in.), замените головку цилиндров.
  8. Проверьте резьбовые отверстия на повреждения.
  9. Проверьте седла клапанов на чрезмерный износ и места пережога.


V3B11C69
Показать иллюстрациюПеревод текста в иллюстрациях


Проверка клапанов

  1. Проверьте упор штока клапана на износ.
  2. Проверьте канавки тарелки клапанной пружины и канавки масляного уплотнения на сколы и износ.
  3. Проверьте клапаны на пережоги и трещины.
  4. Проверьте шток клапана на неровности и царапины.
  5. Проверьте шток клапана. Шток клапана должен быть прямым.
  6. Проверьте фаску клапана на наличие канавок. Если канавка так глубока, что перешлифовка фаски клапана может привести к острым краям, замените клапан.
  7. Проверьте пружину клапана. Если конец пружины клапана не параллельны, замените пружину клапана.
  8. Проверьте седло механизма поворота клапана на износ или сколы. Замените, если необходима.


V3B11C70
Показать иллюстрациюПеревод текста в иллюстрациях


Процедура очистки

  1. Почистите головку цилиндров.
  2. Почистите направляющие клапана.
  3. Почистите все резьбовые отверстия.
  4. Почистите клапаны от сажи, масла и нагара.


V3B11C71
Показать иллюстрациюПеревод текста в иллюстрациях


Капремонт головки цилиндров

Притирка клапана

  1. Смажьте седло клапана мелкозернистой пастой.
  2. Равномерно поднимите клапан с седла при помощи имеющегося в продаже инструмента для заточки клапанов, чтобы распределить пасту.


  3. T3B11B1F
    Показать иллюстрациюПеревод текста в иллюстрациях


  4. Проверьте контактный рисунок на головке клапана и головке цилиндров.
  5. Почистите клапаны, направляющие клапана и головку цилиндров.


T3B11B1G
Показать иллюстрациюПеревод текста в иллюстрациях


Заточка клапана

  1. Убедитесь, что на конусе тарелки клапана нет пережогов.
  2. Клапан можно переточить не более двух раз. Не затачивайте торец штока клапана.
  3. Убедитесь, что угол фаски клапана составляет 45 градусов.
  4. Проверьте высоту блока впускных и выпускных клапанов.


V3B11C72
Показать иллюстрациюПеревод текста в иллюстрациях


Развертка направляющей клапана

  1. Измерьте диаметр направляющей клапана, используя измеритель MKM-571-B и имеющийся в продаже внутренний микрометр.


  2. V3B11C73
    Показать иллюстрациюПеревод текста в иллюстрациях


    Важно: Клапаны ремонтного размера могли быть уже подогнаны на производстве.

  3. Код ремонтного размера указан на направляющей клапана и торце штока клапана. В следующей таблице приведены соответствующие размеры, развертка, код производства и сервисный код для каждого вида техобслуживания.
  4. Размер
    Развертка
    Код производства
    Код сервиса
    обычный
    -
    -
    К
    0,075
    KM-805
    1
    K1
    0,150
    .
    2
    K2
  5. Расточите направляющую клапана с верхней стороны головки цилиндров до следующего ремонтного размера.
  6. После раcточки зачеркние код и выбейте на направляющей клапана новый код.


T3B11B1J
Показать иллюстрациюПеревод текста в иллюстрациях


Обработка резанием седла клапана

  1. Установите головку цилиндров на деревянную колоду.
  2. Отрежьте седла впускного и выпускного клапанов, используя бородок KM–340–7 следующим образом:
  3. Почистите стружку от головки цилиндров.
  4. Проверьте размер для ширины седла клапана.
  5. Проверьте высоту блока впускных и выпускных клапанов. Если указанный размер превышен, установите новые клапаны. Снова проверьте высоту блока впускных и выпускных клапанов. Если высота блока все-таки выше, несмотря на замену клапанов, замените головку цилиндров.


V3B11C74
Показать иллюстрациюПеревод текста в иллюстрациях


Процедура сборки

  1. Смажьте штоки клапана моторным маслом.
  2. Установите клапаны в головку цилиндров в их исходное положение.
  3. Вставьте гнезда пружин клапана.
  4. Наденьте прилагающиеся втулки на шток клапана.
  5. Вставьте новое гнездо штока клапана.
  6. Осторожно, легким постукиванием установите уплотнитель штока клапана до упора.
  7. Установите пружины клапана в их исходное положение.
  8. Установите крышки пружины клапана.


  9. V3B11C65
    Показать иллюстрациюПеревод текста в иллюстрациях


  10. Сожмите пружины клапана при помощи устройства сжатия пружины клапана KM–348 и адаптера KM–653.
  11. Установите тарелки клапанной пружины.
  12. Снимите устройство сжатия пружины клапана KM–348 и адаптер KM–653.


  13. V3B11C64
    Показать иллюстрациюПеревод текста в иллюстрациях


  14. Смажьте моторным маслом регуляторы зазора клапана.
  15. Установите регуляторы зазора клапанов.


  16. V3B11C28
    Показать иллюстрациюПеревод текста в иллюстрациях


  17. Установите впускной распределительный вал.
  18. Установите головки подшипника впускного распределительного вала в их исходное положение.
  19. Установите выпускной распределительный вал.
  20. Установите головки подшипника выпускного распределительного вала в их исходное положение.
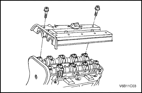
  21. Установите винты головки подшипника распределительного вала.
  22. Затяните постепенно винты головки подшипника распределительного вала в указанной последовательности для каждой головки распределительного вала.
  23. Затянуть
    Затяните винты крышек подшипников распределительного вала до 8 Н•м (71 lb-in).



    V6B11C05
    Показать иллюстрациюПеревод текста в иллюстрациях


  24. Установите свечи зажигания.
  25. Затянуть
    Затяните свечи зажигания до 20 Н•м (15 lb-ft).

  26. Установите крепежный кронштейн катушки системы прямого зажигания и узла рециркуляции отработавших газов и винт.
  27. Затяните винты крепежного кронштейна катушки системы прямого зажигания и узла рециркуляции отработавших газов до 25 Н•м (18 фунто-футов).
  28. Установите катушку системы прямого и узел рециркуляции отработавших газов.
  29. Затянуть
    Затяните крепление катушки системы прямого зажигания и узла рециркуляции отработавших газов до 10 Н•м (89 фунто-дюймов).



    V3B11C45
    Показать иллюстрациюПеревод текста в иллюстрациях


  30. Установите штыри впускного коллектора.
  31. Установите прокладку впускного коллектора.
  32. Установите впускной коллектор.
  33. Установите стопорные винты/гайки впускного коллектора в указанной последовательности.
  34. Затянуть
    Затяните стопорные винты и гайки впускного коллектора до 22 Н•м (16 фунто-футов).



    V3B11C62
    Показать иллюстрациюПеревод текста в иллюстрациях


  35. Установите узел топливной рампы. Следуйте разделу 1D, Управление двигателя.
  36. Установите узел корпуса термостата.
  37. Установите крепежные винты корпуса термостата.
  38. Затянуть
    Затяните крепежные винты корпуса термостата до 15 Н•м (11 lb-ft).

  39. Установите винты корпуса байпаса охлаждающей жидкости.
  40. Затянуть
    Затяните винты корпуса байпаса охлаждающей жидкости до 15 Н•м (11 lb-ft).



    V3B11C49
    Показать иллюстрациюПеревод текста в иллюстрациях


  41. Установите штыри выпускного коллектора.
  42. Установите прокладку выпускного коллектора.
  43. Установите выпускной коллектор.
  44. Установите стопорные гайки выпускного коллектора в указанной последовательности.
  45. Затянуть
    Затяните стопорные гайки выпускного коллектора до 22 Н•м (16 фунто-дюймов).

  46. Установите теплоизоляционный щиток выпускного коллектора.
  47. Установите винты теплоизоляционного щитка выпускного коллектора.
  48. Затянуть
    Затяните винты теплоизоляционного щитка выпускного коллектора до 8 Н•м (71 lb-in).

  49. Установите головку цилиндров с присоединенным впускным и выпускным коллектором. Следуйте пункту "Головка цилиндров и прокладка" в этом разделе.


V3B11C75
Показать иллюстрациюПеревод текста в иллюстрациях


Коленчатый вал

Необходимое оборудование

KM-412 Стенд для капремонта двигателя
KM-470-B Угловой индикатор крутящего момента
J-36792 Инструмент для установки задних сальников коленчатого вала (или КМ-635)

Примечание: Проявляйте особую аккуратность, не допуская появления царапин, вмятин или повреждений на распредвалах.

Процедура разборки

  1. Снимите двигатель. Следуйте пункту "Двигатель" в этом разделе.
  2. Снимите винты маховика или гибкой пластины.
  3. Снимите маховик или гибкую пластину.


  4. V3B11C76
    Показать иллюстрациюПеревод текста в иллюстрациях


  5. Снимите задний сальник коленчатого вала.
  6. Установите двигатель на стенд для капремонта двигателя KM-412.


  7. V3B11C16
    Показать иллюстрациюПеревод текста в иллюстрациях


  8. Снимите винты передней крышки приводного ремня газораспределительного механизма
  9. Снимите переднюю крышку приводного ремня газораспределительного механизма
  10. Снимите винты шкива коленчатого вала.
  11. Снимите шкив коленчатого вала.


  12. V3B11C51
    Показать иллюстрациюПеревод текста в иллюстрациях


  13. Освободите винт автоматического натяжителя приводного ремня газораспределительного механизма.
  14. Поверните шестиугольную головку автоматического натяжителя приводного ремня газораспределительного механизма по часовой стрелке, чтобы ослабить натяжение.
  15. Снимите гайки холостого шкива приводного ремня газораспределительного механизма.
  16. Снимите холостые шкивы приводного ремня газораспределительного механизма.
  17. Снимите приводной ремень газораспределительного механизма.
  18. Снимите стопорные винты подвески двигателя.
  19. Снимите подвеску двигателя.


  20. V6B11C03
    Показать иллюстрациюПеревод текста в иллюстрациях


  21. Отсоедините трубы сапуна картера от крышки клапана.
  22. Снять винты декоративной крышки двигателя.
  23. Снять декоративную крышку двигателя.
  24. Отсоедините провода зажигания от свечей зажигания.
  25. Снять винты крышки головки цилиндров.
  26. Снять шайбы крышки головки цилиндров.
  27. Снять крышку головки цилиндров вместе с прокладкой.


  28. V3B11C17
    Показать иллюстрациюПеревод текста в иллюстрациях


    Примечание: Проявляйте особую аккуратность, не допуская появления царапин, вмятин или повреждений на распредвалах.

  29. Крепко удерживая впускной распределительный вал, снимите винт впускного распредвала.
  30. Снимите шестерню впускного распределительного вала.
  31. Крепко удерживая выпускной распределительный вал, снимите винт выпускного распредвала.
  32. Снимите шестерню выпускного распределительного вала.


  33. V3B11C26
    Показать иллюстрациюПеревод текста в иллюстрациях


  34. Снимите шестерню приводного ремня газораспределительного механизма.


  35. V3B11C52
    Показать иллюстрациюПеревод текста в иллюстрациях


  36. Снимите винты задней задней крышки приводного ремня газораспределительного механизма и крышку.


  37. V3B11C77
    Показать иллюстрациюПеревод текста в иллюстрациях


  38. Поверните двигатель на стенде для капремонта двигателя KM-412.


  39. V3B11C78
    Показать иллюстрациюПеревод текста в иллюстрациях


  40. Снимите стопорные винты масляного поддона.
  41. Снимите масляный поддон.
  42. Снимите винты маслооткачивающей трубы.
  43. Снимите маслооткачивающую трубу.
  44. Снимите винты брызговика/нижнего опорного кронштейна блока цилиндров.
  45. Снимите брызговик.
  46. Снимите винты нижнего опорного кронштейна блока цилиндров.
  47. Снимите нижний опорный кронштейн блока цилиндров.


  48. V3B11C37
    Показать иллюстрациюПеревод текста в иллюстрациях


  49. Снимите стопорные винты масляного насоса.
  50. Снимите масляный насос.


  51. V3B11C80
    Показать иллюстрациюПеревод текста в иллюстрациях


  52. Пометьте порядок расположения крышек шатунных подшипников.
  53. Снимите винты крышек шатунных подшипников для всех поршней.
  54. Снимите крышки шатунных подшипников и опустите шатунные подшипники.


  55. V3B11C81
    Показать иллюстрациюПеревод текста в иллюстрациях


  56. Пометьте порядок расположения крышек коренных подшипников.
  57. Снимите винты крышек коренных подшипников.
  58. Снимите крышки коренных подшипников и нижние коренные подшипники.
  59. Снимите коленчатый вал.
  60. Очистите все необходимые детали.


V3B11C82
Показать иллюстрациюПеревод текста в иллюстрациях


Процедура сборки

  1. Смажьте коренные подшипники моторным маслом.
  2. При замене коленчатого вала, перенесите диск датчика импульсов на новый коленчатый вал.
  3. Затянуть
    Затяните диск датчика импульсов до 13 Н•м (115 фунто-дюймов).



    T3B11B1Q
    Показать иллюстрациюПеревод текста в иллюстрациях


  4. Установите коленчатый вал.
  5. Установите нижние коренные подшипники в крышки подшипников.
  6. Проверьте осевой люфт коленчатого вала с установленными коренными подшипниками.
  7. Проверьте допустимый осевой люфт коленчатого вала. Следуйте пункту "Технические характеристики двигателя" в этом разделе.


  8. T3B11B1R
    Показать иллюстрациюПеревод текста в иллюстрациях


  9. Когда коленчатый вал установлен в передние и задние коренные подшипники, проверьте среднюю шейку коленвала на допустимую эксцентричность (биение). Следуйте пункту "Технические характеристики двигателя " в этом разделе.


  10. T3B11B1V
    Показать иллюстрациюПеревод текста в иллюстрациях


    Важно: Смажьте шейки коленчатого вала консистентной смазкой и слегка смажьте коренные подшипники, чтобы пластмассовая калиброванная проволока не сорвалась при снятии крышек коренных подшипников.

  11. Проверьте все зазоры коренных подшипников, используя имеющуюся в продаже пластмассовую калибровочную проволоку (эластичная калибровочная проволока).
  12. Отрежьте пластмассовую калибровочную проволоку размером с ширину подшипника. Положите ее в осевом направлении между шейками коленчатого вала и коренными подшипниками.
  13. Установите крышки коренных подшипников и винты.
  14. Затянуть
    Затяните винты крышки коренного подшипника до 50 Н•м (37 фунто-футов). С помощью углового индикатора крутящего момента КМ-470-В затяните винты еще на 45 градусов плюс 15 градусов.



    T3B11B1W
    Показать иллюстрациюПеревод текста в иллюстрациях


  15. Снимите винты крышек коренных подшипников и крышки.
  16. Измерьте ширину сплющенной пластмассовой калибровочной проволоки, используя линейку. (Пластмассовая калибровочная проволока имеется для разных допусков).
  17. Проверьте зазоры в подшипниках на разрешенные допуски. Следуйте пункту "Технические характеристики двигателя" в этом разделе.


  18. T3B11B1T
    Показать иллюстрациюПеревод текста в иллюстрациях


  19. Нанесите валик клеевого герметика на канавки крышек коренных подшипников.
  20. Установите крышки коренных подшипников на блок цилиндров.
  21. Затяните крышки коренных подшипников, используя новые винты.
  22. Затянуть
    Затяните винты крышки коренного подшипника до 50 Н•м (37 lb-ft), используя динамометрический ключ. С помощью углового индикатора крутящего момента КМ-470-В затяните винты еще на 45 градусов плюс еще на 15 градусов.



    T3B11B1V
    Показать иллюстрациюПеревод текста в иллюстрациях


    Важно: Смажьте шейки шатунного подшипника и слегка смажьте шатунные подшипники, чтобы пластмассовая калиброванная проволока не сорвалась при снятии крышек шатунных подшипников.

  23. Проверьте все зазоры шатунных подшипников, используя имеющуюся в продаже пластмассовую калибровочную проволоку (эластичная калибровочная проволока).
  24. Отрежьте пластмассовую калибровочную проволоку размером с ширину шатунного подшипника. Положите ее в осевом направлении между шейками шатуна и шатунными подшипниками.
  25. Установите крышки шатунных подшипников.
  26. Затянуть
    Затяните винты крышки шатунного подшипника до 35 Н•м (26 lb-ft), используя динамометрический ключ. Используя угловой индикатор крутящего момента KM-470-B, затяните винты крышки шатунного подшипника на 45 градусов плюс 15 градусов.



    T3B11B1W
    Показать иллюстрациюПеревод текста в иллюстрациях


  27. Снимите крышки шатунных подшипников.
  28. Измерьте ширину сплющенной пластмассовой калибровочной проволоки, используя линейку. (Пластмассовая калибровочная проволока имеется для разных допусков).
  29. Проверьте зазоры в подшипниках на разрешенные допуски. Следуйте пункту "Технические характеристики двигателя" в этом разделе.


  30. T3B11B93
    Показать иллюстрациюПеревод текста в иллюстрациях


  31. Установите крышки шатунных подшипников на шатуны.
  32. Затяните крышки шатунных подшипников, используя новые винты.
  33. Затянуть
    Затяните винты крышки шатунного подшипника до 35 Н•м (26 lb-ft), используя динамометрический ключ. Используя угловой индикатор крутящего момента KM-470-B, затяните винты крышки шатуна на плюс 45 градусов плюс 15 градусов.



    V3B11C37
    Показать иллюстрациюПеревод текста в иллюстрациях


  34. Установите масляный насос.
  35. Установите стопорные винты масляного насоса.
  36. Затянуть
    Затяните стопорные винты масляного насоса до 10 Н•м (89 lb-ft).



    V3B11C83
    Показать иллюстрациюПеревод текста в иллюстрациях


  37. Установите нижний опорный кронштейн и винты блока цилиндров.
  38. Затянуть
    Затяните винты нижний опорный кронштейн блока цилиндров до 35 Н•м (26 фунто-футов).

  39. Установите брызговик и винты нижнего опорного кронштейна блока цилиндров.
  40. Затянуть
    Затяните винты брызговика нижнего опорного кронштейна блока цилиндров до 35 Н•м (26 фунто-футов).

  41. Установите маслооткачивающую трубу.
  42. Установите винты маслооткачивающей трубы.
  43. Затянуть
    Затянуть винты маслооткачивающей трубы до 8 Н•м (71 фунто-дюйм).



    V3B11C32
    Показать иллюстрациюПеревод текста в иллюстрациях


  44. Нанесите герметик на новую прокладку масляного поддона.
  45. Установите прокладку на масляный поддон.
  46. Установите масляный поддон.
  47. Установите стопорные винты масляного поддона.
  48. Затянуть
    Затяните стопорные винты масляного поддона до 20 Н•м (177 фунто-дюймов).



    V3B11C77
    Показать иллюстрациюПеревод текста в иллюстрациях


  49. Поверните двигатель на стенде для капремонта двигателя KM-412.


  50. V3B11C84
    Показать иллюстрациюПеревод текста в иллюстрациях


  51. Установите заднюю крышку приводного ремня газораспределительного механизма.
  52. Установите винты задней крышки приводного ремня газораспределительного механизма.
  53. Затянуть
    Затяните винты задней крышки приводного ремня газораспределительного механизма до 10 Н•м (89 lb-ft).

  54. Установите шестерню приводного ремня газораспределительного механизма и винт.
  55. Затянуть
    Затяните болт ведущей шестерни приводного ремня газораспределительного механизма коленчатого вала до 135 Н•м (100 фунто-футов) плюс от 30 до 10 градусов, используя угловой индикатор крутящего момента KM-470-B.

  56. Установите подвеску двигателя и стопорные винты.
  57. Затянуть
    Затяните стопорные винты подвески двигателя до 60 Н•м (44 фунто-фута).



    V3B11C51
    Показать иллюстрациюПеревод текста в иллюстрациях


  58. Установите автоматический натяжитель приводного ремня газораспределительного механизма.
  59. Установите винты автоматического натяжителя приводного ремня газораспределительного механизма.
  60. Затянуть
    Затяните винты автоматического натяжителя приводного ремня газораспределительного механизма до 25 Н•м (18 lb-ft).

  61. Установите холостой шкив приводного ремня газораспределительного механизма.
  62. Установите гайки холостого шкива приводного ремня газораспределительного механизма.
  63. Затянуть
    Затяните гайки холостого шкива приводного ремня газораспределительного механизма дло 25 Н•м (18 фунто-футов).



    V3B11C17
    Показать иллюстрациюПеревод текста в иллюстрациях


    Примечание: Проявляйте особую аккуратность, не допуская появления царапин, вмятин или повреждений на распредвалах.

  64. Установите шестерню впускного распределительного вала.
  65. Крепко удерживая впускной распределительный вал, снимите винт и шестерную впускного распредвала.
  66. Затянуть
    Затяните винт шестерни впускного распредвала до 50 Н•м (37 фунто-футов) плюс 60 градусов и 15 градусов.

  67. Установите шестерню выпускного распределительного вала.
  68. Крепко удерживая выпускной распределительный вал, снимите винт и шестерную выпускного распредвала.
  69. Затянуть
    Затяните винт шестерни выпускного распредвала до 50 Н•м (37 фунто-футов) плюс 60 градусов и 15 градусов.



    V6B11C03
    Показать иллюстрациюПеревод текста в иллюстрациях


  70. Установите приводной ремень газораспределительного механизма. Следуйте пункту "Приводной ремень газораспределительного механизма" в этом разделе.
  71. Отрегулируйте натяжение приводного ремня газораспределительного механизма. Следуйте пункту "Проверка и регулировка натяжения приводного ремня газораспределительного механизма" в этом разделе.
  72. Нанести небольшое количество герметика на углы передней головки распределительного вала и место крепления верхней части задней крышки головки цилиндров к уплотнению головки цилиндров.
  73. Установить крышку головки цилиндров вместе с прокладкой.
  74. Установить шайбы крышки головки цилиндров.
  75. Установить винты крышки головки цилиндров.
  76. Затянуть
    Затянуть винты крышки головки цилиндров до 8 Н•м (71 фунто-дюйм).



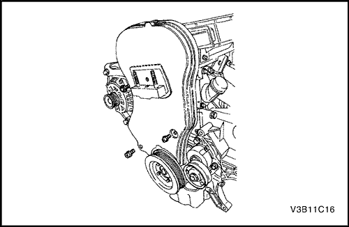
    V3B11C16
    Показать иллюстрациюПеревод текста в иллюстрациях


  77. Соедините провода зажигания со свечами зажигания.
  78. Установить декоративную крышку двигателя.
  79. Установить винты декоративной крышки двигателя.
  80. Затянуть
    Затянуть винты декоративной крышки двигателя до 3 Н•м (27 фунто-дюймов).

  81. Присоединить сапун картера к крышке головки цилиндров.
  82. Установите переднюю крышку приводного ремня газораспределительного механизма.
  83. Установите винты передней крышки приводного ремня газораспределительного механизма.
  84. Затянуть
    Затяните винты передней крышки приводного ремня газораспределительного механизма до 6 Н•м (53 фунта на дюйм).

  85. Установите подъемное устройство для двигателя.
  86. Снимите двигатель со стенда для капремонта двигателя KM-412.


  87. T3B11B1U
    Показать иллюстрациюПеревод текста в иллюстрациях


  88. Установите новый задний сальник коленчатого вала, используя приспособление J–36792 (или KM-635).


  89. V3B11C86
    Показать иллюстрациюПеревод текста в иллюстрациях


  90. Установите маховик или гибкую пластину.
  91. Установите винты маховика или гибкой пластины.
  92. Затянуть
    Затяните винты маховика до 65 Н•м (48 lb-ft). Используя угловой индикатор крутящего момента KM-470-B, затяните винты маховика еще на 30 градусов плюс 15 градусов. Для автоматической коробки передач с главной передачей в сборе затяните винты гибкой пластины до 60 Н•м (44 фунто-фута).

  93. Установите двигатель. Следуйте пункту "Двигатель" в этом разделе.


T3B11B1Q
Показать иллюстрациюПеревод текста в иллюстрациях


Коренные и шатунные подшипники – калиброванная пластмассовая проволока

Необходимое оборудование

KM-470-B Угловой индикатор крутящего момента

Процедура проверки - коленчатый вал

  1. Смажьте коренные подшипники моторным маслом.
  2. Установите верхние коренные подшипники в шейки коленвала блока цилиндров.
  3. Установите нижние коренные подшипники в крышки коренных подшипников.
  4. Установите коленчатый вал.
  5. Проверьте осевой люфт коленчатого вала с установленными коренными подшипниками.
  6. Проверьте допустимый осевой люфт коленчатого вала. Следуйте пункту "Технические характеристики двигателя" в этом разделе.


  7. T3B11B1R
    Показать иллюстрациюПеревод текста в иллюстрациях


  8. Когда коленчатый вал установлен в передние и задние коренные подшипники, проверьте среднюю шейку коленвала на допустимую эксцентричность (биение). Следуйте пункту "Технические характеристики двигателя " в этом разделе.


  9. T3B11B1V
    Показать иллюстрациюПеревод текста в иллюстрациях


    Важно: Смажьте шейки коленчатого вала консистентной смазкой и слегка смажьте коренные подшипники, чтобы пластмассовая калиброванная проволока не сорвалась при снятии крышек коренных подшипников.

  10. Проверьте все зазоры коренных подшипников, используя имеющуюся в продаже пластмассовую калибровочную проволоку (эластичная калибровочная проволока).
  11. Отрежьте пластмассовую калибровочную проволоку размером с ширину подшипника. Положите ее в осевом направлении между шейками коленчатого вала и коренными подшипниками.


  12. T3B11B1T
    Показать иллюстрациюПеревод текста в иллюстрациях


  13. Установите крышки коренных подшипников.
  14. Установите винты крышки коренных подшипников.
  15. Затянуть
    Затяните винты крышки коренного подшипника до 50 Н•м (37 фунто-футов). Используя угловой индикатор крутящего момента KM-470-B, затяните винты крышки коренных подшипников еще на 45 градусов плюс 15 градусов.



    T3B11B1W
    Показать иллюстрациюПеревод текста в иллюстрациях


  16. Снимите крышки коренных подшипников.
  17. Измерьте ширину сплющенной пластмассовой калибровочной проволоки, используя линейку. (Пластмассовая калибровочная проволока имеется для разных допусков).
  18. Проверьте зазоры в подшипниках на разрешенные допуски. Следуйте пункту "Технические характеристики двигателя" в этом разделе.


T3B11B1V
Показать иллюстрациюПеревод текста в иллюстрациях


Процедура проверки - шатуны

  1. Смажьте шатунные подшипники моторным маслом.
  2. Установите верхние шатунные подшипники в шейки шатунов.
  3. Установите нижние шатунные подшипники в крышки шатунных подшипников.
  4. Важно: Смажьте шейки шатунного подшипника и слегка смажьте шатунные подшипники, чтобы пластмассовая калиброванная проволока не сорвалась при снятии крышек шатунных подшипников.

  5. Проверьте все зазоры шатунных подшипников, используя имеющуюся в продаже пластмассовую калибровочную проволоку (эластичная калибровочная проволока).
  6. Отрежьте пластмассовую калибровочную проволоку размером с ширину подшипника. Положите ее в осевом направлении между шейками шатуна и шатунными подшипниками.


  7. T3B11B93
    Показать иллюстрациюПеревод текста в иллюстрациях


  8. Установите крышки шатунных подшипников.
  9. Установите винты крышки шатунных подшипников.
  10. Затянуть
    Затяните винты крышек шатунных подшипников до 35 Н•м (26 фунто-футов). Используя угловой индикатор крутящего момента KM-470-B, затяните винты крышек шатунных подшипников еще на 45 градусов плюс 15 градусов.



    T3B11B1W
    Показать иллюстрациюПеревод текста в иллюстрациях


  11. Снимите крышки шатунных подшипников.
  12. Измерьте ширину сплющенной пластмассовой калибровочной проволоки, используя линейку. (Пластмассовая калибровочная проволока имеется для разных допусков).
  13. Проверьте зазоры в подшипниках на разрешенные допуски. Следуйте пункту "Технические характеристики двигателя" в этом разделе.


На предыдущую страницуНа следующую страницу
Главная страница сайта