Руководство по техническому обслуживанию2006 Evanda ЭЛЕКТРООБОРУДОВАНИЕ ДВИГАТЕЛЯК началу документа
Evanda
На предыдущую страницуНа следующую страницу
Главная страница GMDEЗагрузить нединамическое оглавлениеЗагрузить динамическое оглавлениеПомощь

РАЗДЕЛ 1E

ЭЛЕКТРООБОРУДОВАНИЕ ДВИГАТЕЛЯ

Внимание! Отключите отрицательный кабель батаре перед снятием или установкой любых электрических узлов или при возможном контакте инструментов или оборудования с оголенными электрическими клеммами. Отключение кабеля поможет избежать травм и механических поврежений. Зажигание должно быть заблокировано, если не указано иное.

ТЕХНИЧЕСКИЕ ХАРАКТЕРИСТИКИ

Технические характеристики стартера

Описание
Агрегат
Стандартно
Тип
-
шестеренчатый редуктор с постоянным магнитом
Производительность (емкость)
кВт
1,4
Проверка без нагрузки 12 В обороты приводного ремня
количество оборотов в минуту
85 макс. 2550 мин.
Длина щеток
мм (in.)
7.3

Технические характеристики генератора

Описание
Агрегат
2,0 двойной верх. распредвал
Тип
-
CS128D
Регулятор напряжения
В
14,6
Длина щеток
мм (in.)
25
Производительность (емкость)
-
95 (А)

Технические характеристики аккумуляторной батареи

Описание
Агрегат
2,0 двойной верх. распредвал
Вместимость
а/ч
66
Сила тока при холодном пуске
CCA
610
Резервная емкость, мин.
мин.
110
Проверка с нагрузкой
А
300
Минимальное напряжение:
.
.
9.6
9.5
9.4
9.3
9.1
8.9
8.7
8.5
V
V
V
V
V
V
V
V
70°F (21°C) и выше
60°F (15,6°С)
50°F (10°С)
40°F (4,4°С)
30°F (-1,1°С)
20°F (-6,7°С)
10°F (-12,2°С)
0°F (-17,8°С)

Моменты затяжки резьбовых соединений

ПРОГРАММА
Н•м
lb-ft
lb-in
Гайки проводов аккумуляторной батареи
15
11
-
Нижние винты полки аккумуляторной батареи
10
-
89
Верхние винты полки аккумуляторной батареи
20
15
-
Гайки крепления скоб аккумуляторной батареи
4
-
35
Винты зажимов аккумуляторной батареи
20
15
-
Гайка винтовой передачи от аккумуляторной батареи к генератору
15
11
-
Гайка приводного вала генератора
100
74
-
Винты крепления нижнего кронштейна генератора к блоку цилиндров двигателя
45
33
-
Гайка крепления нижнего кронштейна генератора к генератору
35
26
-
Сквозные винты генератора
25
18
-
Винт опорного кронштейна крепления генератора к головке цилиндров
20
15
-
Винты впускного патрубка генератора и опорного кронштейна головки цилиндров
35
26
-
Винт кронштейна хомута генератора к впускному коллектору
20
15
-
Винты кронштейна для крепления впускного коллектора к блоку цилиндров двигателя (над стартером)
20
15
-
Гайка монтажного соединения стартера
8
-
71
Винты тягового реле стартера
8
-
71
Гайка для подключения провода батареи к электромагнитному реле стартера
15
11
-
Гайка для подключения зажигания к электромагнитному реле стартера
6
-
53
Сквозные винты стартера
6
-
53
Винт крепления стартера к блоку цилиндров
45
33
-
Винт крепления стартера к коробке передач
50
37
-

ПРИНЦИПИАЛЬНЫЕ И МОНТАЖНЫЕ СХЕМЫ

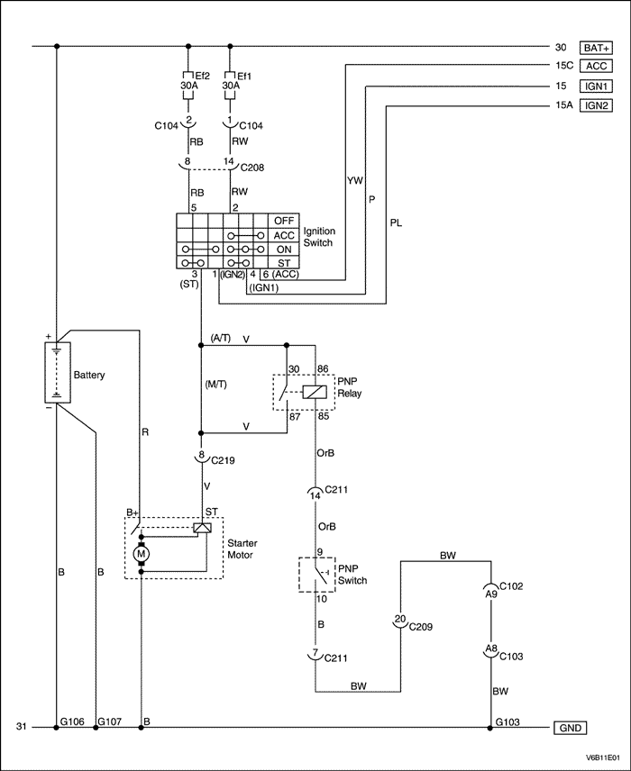
Стартерная система


V6B11E01
Показать иллюстрациюПеревод текста в иллюстрациях


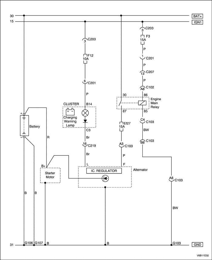
Система зарядки


V6B11E02
Показать иллюстрациюПеревод текста в иллюстрациях


ДИАГНОСТИКА

Стартер не проворачивает двигатель

ШагОперацияЗначенияДаНет
1
  1. Включите фары.
  2. Включите верхний свет.
  3. Переведите ключ зажигания в положение СТАРТ.
Лампы темнеют или выключаются?
-
Перейти к операции 2
Перейти к операции 8
2
Проверьте зарядку аккумуляторной батареи.
Видна ли зеленая точка на встроенном ареометре?
-
Перейти к операции 3
3
  1. Присоедините положительный провод вольтметра к положительной клемме аккумулятора.
  2. Присоедините отрицательный провод вольтметра к отрицательной клемме аккумулятора.
  3. Включите зажигание на СТАРТ.
Вольтметр показывает заданное значение?
< 9,6 В
Перейти к операции 4
4
  1. Присоедините отрицательный провод вольтметра к отрицательной клемме аккумулятора.
  2. Присоедините положительный провод вольтметра к блоку цилиндров.
Вольтметр показывает заданное значение?
> 0,5 В
Перейти к операции 5
Перейти к операции 6
5
Почистите, затяните или замените отрицательный провод аккумулятора.
Закончен ли ремонт?
-
Система в норме
-
6
  1. Присоедините положительный провод вольтметра к клемме "В" стартера.
  2. Присоедините отрицательный провод вольтметра к отрицательной клемме аккумулятора.
Соответствует ли измеренное напряжение указанному значению?
< 9 В
Перейти к операции 7
Перейти к операции 13
7
Почистите, затяните или замените положительный провод аккумулятора.
Закончен ли ремонт?
-
Система в норме
-
8
Проверьте плавкий предохранитель EF2 в коробке предохранителей двигателя.
Предохранитель цел?
-
Перейти к операции 10
Перейти к операции 9
9
Замените плавкий предохранитель EF1.
Ремонт завершен?
-
Система в норме
-
10
Проверьте соединение на клемме стартера "SТ".
Соединение в норме?
-
Перейти к операции 12
Перейти к операции 11
11
Почистите или затяните соединение, если необходимо.
Закончен ли ремонт?
-
Система в норме
-
12
  1. Присоедините положительный провод вольтметра к клемме стартера "SТ".
  2. Присоедините отрицательный провод вольтметра к отрицательной клемме аккумулятора.
  3. Включите зажигание на СТАРТ.
Соответствует ли измеренное напряжение указанному значению?
> 7 В
Перейти к операции 13
Перейти к операции 14
13
Отремонтируйте или замените стартер, если необходимо.
Закончен ли ремонт?
-
Система в норме
-
14
Определите тип коробки передач с главной передачей в сборе.
Автомобиль оснащен автоматической коробкой передач?
-
Перейти к операции 15
Перейти к операции 32
15
  1. Отсоедините реле переключения положения "стоянка-нейтраль" (P/N).
  2. Присоедините отрицательный провод вольтметра к клемме 86 разъема реле P/N.
  3. Присоедините положительный провод вольтметра к положительной клемме аккумулятора.
Вольтметр показывает заданное значение?
11-14 В
Перейти к операции 20
Перейти к операции 16
16
  1. Отсоедините переключатель положения P/N.
  2. Присоедините отрицательный провод вольтметра к клемме 10 разъема переключателя положения P/N.
  3. Присоедините положительный провод вольтметра к положительной клемме аккумулятора.
Вольтметр показывает заданное значение?
11-14 В
Перейти к операции 17
Перейти к операции 25
17
  1. Соедините перемычкой клеммы 9 и 10 разъема переключателя положения P/N.
  2. Присоедините отрицательный провод вольтметра к клемме 86 разъема реле P/N.
  3. Присоедините положительный провод вольтметра к положительной клемме аккумулятора.
Вольтметр показывает заданное значение?
11-14 В
Перейти к операции 18
Перейти к операции 19
18
Замените нейтральный предохранительный резерный выключатель (РNP).
Закончен ли ремонт?
-
Система в норме
-
19
Восстановите оборванный провод между клеммой 9 разъема переключателя положения P/N и клеммой 85 разъема дублирующего реле P/N.
Ремонт закончен?
-
Система в норме
-
20
  1. Присоедините положительный провод вольтметра к клемме 30 разъема дублирующего реле P/N.
  2. Присоедините отрицательный провод вольтметра к "земле".
  3. Включите зажигание на СТАРТ.
Вольтметр показывает заданное значение?
11-14 В
Перейти к операции 21
Перейти к операции 27
21
  1. Присоедините положительный провод вольтметра к клемме 86 разъема реле NSBU.
  2. Присоедините отрицательный провод вольтметра к "земле".
  3. Включите зажигание на СТАРТ.
Вольтметр показывает заданное значение?
11-14 В
Перейти к операции 22
Перейти к операции 26
22
  1. Соедините перемычкой клеммы 30 и 87 реле P/N.
  2. Включите зажигание на СТАРТ.
Стартер проворачивает коленчатый вал?
-
Перейдите к операции 31
Перейти к операции 23
23
Проверьте, нет ли обрыва провода между клеммой 87 разъема реле P/N и клеммой стартера "SТ".
Неисправность обнаружена?
-
Перейти к операции 24
Перейти к операции 13
24
Отремонтируйте провод, если необходимо.
Закончен ли ремонт?
-
Система в норме
-
25
Восстановите оборванный провод между клеммой 4 разъема переключателя положения P/N и "землей".
Закончен ли ремонт?
-
Система в норме
-
26
Восстановите оборванный провод между клеммой 86 разъема реле P/N и клеммой 9 разъема выключателя зажигания.
Ремонт завершен?
-
Система в норме
-
27
  1. Присоедините положительный провод вольтметра к клемме 5 выключателя зажигания, задвинув сзади разъема приспособление совкового типа между корпусом и проводом.
  2. Присоедините отрицательный провод вольтметра к массе.
Вольтметр показывает заданное значение?
11-14 В
Перейдите к операции 29
Перейти к операции 28
28
Восстановите обрыв провода между предохранителем EF5 блока цилиндров двигателя и клеммой 5 разъема выключателя зажигания.
Ремонт завершен?
-
Система в норме
-
29
  1. Присоедините положительный провод вольтметра к клемме 3 выключателя зажигания.
  2. Присоедините отрицательный провод вольтметра к массе.
  3. Включите зажигание на СТАРТ.
Вольтметр показывает заданное значение?
11-14 В
Перейти к операции 30
Перейти к операции 36
30
Восстановите обрыв провода между клеммой 3 разъема выключателя зажигания и клеммой 30 разъема реле P/N.
Ремонт завершен?
-
Система в норме
-
31
Замените реле P/N.
Закончен ли ремонт?
-
Система в норме
-
32
  1. Присоедините положительный провод вольтметра к клемме 5 выключателя зажигания, задвинув сзади разъема приспособление совкового типа между корпусом и проводом.
  2. Присоедините отрицательный провод вольтметра к массе.
Вольтметр показывает заданное значение?
11-14 В
Перейти к операции 34
Перейти к операции 33
33
Восстановите обрыв провода между предохранителем EF2 блока цилиндров двигателя и клеммой 5 разъема выключателя зажигания.
Ремонт завершен?
-
Система в норме
-
34
  1. Присоедините положительный провод вольтметра к клемме 3 выключателя зажигания.
  2. Присоедините отрицательный провод вольтметра к массе.
  3. Включите зажигание на СТАРТ.
Вольтметр показывает заданное значение?
11-14 В
Перейти к операции 35
Перейти к операции 36
35
Устраните обрыв провода между клеммой 3 выключателя зажигания клеммой стартера "SТ".
Закончен ли ремонт?
-
Система в норме
-
36
Замените выключатель зажигания.
Закончен ли ремонт?
-
Система в норме
-

Шум стартера

Чтобы устранить шум стартера при запуски, выполните следующие шаги:
Пункты проверки
Операция
Обратите внимание на воющий шум коленчатого вала перед запуском двигателя. Коленчатый вал двигателя проворачивается и запускается нормально.
Слишком большое расстояние между шестернями стартера и маховиком. Необходимо придвинуть стартер к маховику при помощи компенсационной шайбы.
Проверьте наличие воющего шума после запуска двигателя и отпускания ключа зажигания. Коленчатый вал двигателя проворачивается и запускается нормально. Периодически возникающий шум часто диагностируется как "залипание стартера" или "ослабленное тяговое реле".
Слишком малое расстояние между шестернями стартера и маховиком. Необходимо отодвинуть стартер от маховика при помощи компенсационной шайбы.
Обратите внимание на громкий шум после запуска двигателя и при включенном стартере. Звук похож на сирену, когда при включенном стартере подается газ.
Возможной причиной является неисправное сцепление. Новое сцепление часто помогает решить эту проблему.
Обратите внимание на "гул", "грохот" или в тяжелых случаях "стучание", когда стартер после запуска двигателя останавливается.
Возможной причиной является погнутый или несбалансированный якорь стартера. Новый якорь часто помогает решить эту проблему.
Шумы могут быть устранены подбором исправной компенсационной шайбы.
  1. Обратите внимание на изогнутый или изношенный маховик.
  2. Запустите двигатель и осторожно пометьте вращающийся диск маховика мелом или цветным карандашом, чтобы отметить наибольший зазор между зубьями. Остановите двигатель и поверните маховик так, чтобы помеченные зубья оказались в зоне шестерни стартера.
  3. Отсоедините отрицательный кабель аккумулятора, чтобы предотвратить проворачивание коленчатого вала.
  4. Проверьте зазор между шестерней и маховиком с помощью проволочного калибра минимальной толщиной или диаметром 0,5 мм (0,02 дюйма). Расположите зубец шестерни по центру между двумя зубцами маховика и калибром. Не измеряйте в углах, так как размер там может быть ошибочно более значительным. Если зазор в пределах минимума, отодвиньте стартер от маховика при помощи компенсационной шайбы.
  5. Если зазор близок к 1,5 мм (0,06 дюйма) или больше, придвиньте стартер к маховику. Это обычно является причиной повреждения зубьев маховика или корпуса стартера. Придвиньте стартер к маховику при помощи компенсационной шайбы на опорной пластине маховика. Компенсационная шайба толщиной 0,40 мм (0.016 inch) в этом месте уменьшит зазор примерно на 0,30 мм (0.012 in.). Если нет компенсационных шайб, используйте обыкновенные подкладные шайбы или другой подходящий материал.

Проверка аккумуляторной батареи под нагрузкой

  1. Проверьте аккумуляторную батарею на видимые повреждения, такие как сломанный корпус или крышка, которые могут вызвать потерю электролита. Если имеются видимые повреждения, замените аккумуляторную батарею.

Внимание! Не заряжайте аккумуляторную батарею, если ареометр прозрачный или светло-желтый. Вместо этого замените аккумуляторную батарею. Если батарея горячая на ощупь и через вентиляционное отверстие выходит газ или кислота, прервите зарядку или уменьшите ток зарядки во избежание травм.

Важно: Температура аккумуляторной батареи должна оцениваться касанием, принимая во внимание температуру окружающей среды, в которой она находилась за предыдущие несколько часов.

  1. Проверьте ареометр. Если видна зеленая точка, перейдите к процедуре проверки с нагрузкой. Если индикатор темный, но зеленого цвета не видно, зарядите батарею. Для зарядки снятой аккумуляторной батареи следуйте пункту "Зарядка полностью разряженной аккумуляторной батареи" в этом разделе.
  2. Проверьте ареометр. Если видна зеленая точка, перейдите к процедуре проверки с нагрузкой. Если индикатор темный, но зеленого цвета не видно, зарядите батарею. Для зарядки снятой аккумуляторной батареи следуйте пункту "Зарядка полностью разряженной аккумуляторной батареи" в этом разделе.
  3. Присоедините вольтметр и устройство проверки аккумуляторной батареи под нагрузкой к клеммам батареи.
  4. Присоедините вольтметр и устройство проверки аккумуляторной батареи под нагрузкой к клеммам батареи.
  5. Подайте ток 300 А на 15 секунд, чтобы снять напряжение на поверхности аккумуляторной батареи.
  6. Подайте ток 300 А на 15 секунд, чтобы снять напряжение на поверхности аккумуляторной батареи.
  7. Уберите нагрузку.
  8. Уберите нагрузку.
  9. Дайте аккумуляторной батарее восстановиться в течение 15-ти секунд.
  10. Дайте аккумуляторной батарее восстановиться в течение 15-ти секунд.
  11. Подайте нагрузку в 270 ампер.
  12. Подайте нагрузку в 270 ампер.
  13. Если напряжение не падает ниже заданного минимума, батарея в норме и может быть установлена на место. Если напряжение ниже заданного минимума, замените аккумуляторную батарею. Следуйте пункту "Технические характеристики аккумуляторной батареи" в этом разделе.
  14. Если напряжение не падает ниже заданного минимума, батарея в норме и может быть установлена на место. Если напряжение ниже заданного минимума, замените аккумуляторную батарею. Следуйте пункту "Технические характеристики аккумуляторной батареи" в этом разделе.

Проверка выходной мощности генератора

  1. Выполните проверку систем генератора. Следуйте пункту "Проверка систем генератора" в этом разделе.
  2. Замените генератор, если он не прошел проверку. Следуйте пункту "Генератор" в части Обслуживание автомобиля этого раздела.
  3. Если генератор успешно пройдет проверку, выполните нижеследующую проверку выходной мощности после его установки на автомобиль.

Важно: Всегда проверяйте выходную мощность генератора, прежде чем предположить поломку генератора от замыкания на массу клеммы "L".

  1. Присоедините к автомобилю цифровой мультеметр, амперметр и углеродистый пленочный резистор.
  2. Присоедините к автомобилю цифровой мультеметр, амперметр и углеродистый пленочный резистор.

Важно: Убедитесь, что аккумуляторная батарея полностью заряжена и углеродистый пленочный резистор отключен.

  1. При выключенном выключателе зажигания проверьте и запишите напряжение аккумуляторной батареи.
  2. При выключенном выключателе зажигания проверьте и запишите напряжение аккумуляторной батареи.
  3. Снимите разъем жгута проводов с генератора.
  4. Переведите выключатель зажигания в положение RUN, когда двигатель не работает.
  5. Используйте цифровой мультиметр для проверки напряжения на клемме "L" разъема кабельного жгута. Показания должны быть примерно равны заданному напряжению 12 В аккумуляторной батареи.
  6. Если напряжение слишком мало, проверьте цепь клеммы "L" на замыкание на корпус и обрыв цепи, которые могут вызвать падение напряжения. Исправьте обрывы провода, подключения клемм и т.д., если необходимо. Следуйте пункту "Система зарядки" в этом разделе.
  7. Присоедините разъем жгута проводов генератора.
  8. Запустите двигатель на среднем холостом ходу и измерьте напряжение между клеммами аккумуляторной батареи. Показания должны быть больше, чем записанные в операции 4, но меньше, чем 16 В. Если показания выше 16 В или меньше прежде зафиксированных, замените генератор. Следуйте пункту "Генератор" в части Обслуживание автомобиля этого раздела.
  9. Запустите двигатель на среднем холостом ходу и измерьте выходной ток генератора.
  10. Включите углеродистый пленочный резистор и отрегулируйте его, чтобы получить максимальный ток при напряжении аккумуляторной батареи выше 13 В. Если показания в пределах 15 А, помеченных на генераторе, генератор в порядке. Если нет, замените генератор. Следуйте пункту "Генератор" в части Обслуживание автомобиля этого раздела.
  11. На генераторе, работающем с максимальной выходной мощностью, измерьте напряжение между корпусом генератора и отрицательной клеммой аккумуляторной батареи. Падение напряжения должно составлять 0,5 В или меньше. Если падение напряжение больше 0,5 В, проверьте соединение между корпусом генератора и отрицательным проводом аккумуляторной батареи.
  12. Проверьте, почистите, затяните и перепроверьте все соединения на массу.

T3B11E03
Показать иллюстрациюПеревод текста в иллюстрациях


Проверка систем генератора

При нормальной работе контрольная лампа генератора включается, когда выключатель зажигания находится в положении RUN, и выключается при запуске двигателя. Если лампа работает не нормально или аккумуляторная батарея перезаряжена или разряжена, используйте следующую процедуру для диагностики системы зарядки. Помните, что разряженная аккумуляторная батарея бывает следствием не выключенных на ночь приборов, неисправных выключателей ламп, крышки багажника или вещевого ящика.
Проведите проверку генератора следующим образом:
  1. Осмотрите ремень и проводку.
  2. При положении выключателя зажигания RUN и заглушенном двигателе индикаторная лампа зарядки должна гореть. Если это не так, отсоедините жгут проводов от генератора и подключите к массе клемму "L" через 5-амперную перемычку с предохранителем.
  3. При положении выключателя зажигания RUN и двигателе, работающем на средних оборотах, контрольная лампа зарядки не должна гореть. Если это не так, отсоедините жгут проводов от генератора.
  4. При положении выключателя зажигания RUN и двигателе, работающем на средних оборотах, контрольная лампа зарядки не должна гореть. Если это не так, отсоедините жгут проводов от генератора.

Важно: Всегда проверяйте выходную мощность генератора, прежде чем предположить поломку генератора от замыкания на массу клеммы "L". См. "Генератор" в части, касающейся ремонта агрегата, из данного раздела.

ТЕХНИЧЕСКОЕ ОБСЛУЖИВАНИЕ И РЕМОНТ

ОБСЛУЖИВАНИЕ АВТОМОБИЛЯ



V3B11E03
Показать иллюстрациюПеревод текста в иллюстрациях


Генератор - 95 ампер

Процедура снятия

  1. Отсоедините отрицательный кабель аккумулятора.
  2. Снимите гайку с вывода генератора, соединяющегося с аккумуляторной батареей, и отсоедините этот вывод.
  3. Отсоедините разъем жгута проводов от тыльной стороны генератора.


  4. V3B11E04
    Показать иллюстрациюПеревод текста в иллюстрациях


  5. Снимите изгибающийся вспомогательный приводной ремень. Следуйте разделу 6В, Насос рулевого управления с усилителем.


  6. V3B11E05
    Показать иллюстрациюПеревод текста в иллюстрациях


  7. Снимите винты крепления генератора к впускному коллектору и опорного кронштейна головки цилиндров, а также винт хомута для соединения генератора с впускным коллектором.
  8. Поднимите автомобиль и снимите винты, удерживающие нижний кронштейн генератора на двигателе.


  9. V3B11E06
    Показать иллюстрациюПеревод текста в иллюстрациях


  10. Аккуратно снимите генератор с прикрепленным нижним кронштейном.
  11. Снимите винт нижнего опорного кронштейна генератора и гайку.


V3B11E07
Показать иллюстрациюПеревод текста в иллюстрациях


Процедура установки

  1. Установите генератор на нижнем кронштейне с винтами.
  2. Установите гайку и шайбу на нижнем винте, соединяющем нижний кронштейн с генератором.
  3. Затянуть
    Затяните гайку, скрепляющую нижний кронштейн с генератором, до 35 Н•м (26 фунто-футов).

  4. Установите с помощью винтом генератор и конструкцию нижнего опорного кронштейна на блоке цилиндров.
  5. Затянуть
    Затяните винты, соединяющие нижний кронштейн генератора с блоком цилиндров двигателя, до 45 Н•м (33 фунто-фута).



    V3B11E05
    Показать иллюстрациюПеревод текста в иллюстрациях


  6. Опустите автомобиль и установите винты для соединения генератора с впускным коллектором и опорного кронштейна головки цилиндров.
  7. Затянуть
    Затяните винты для соединения генератора с впускным коллектором и опорного кронштейна головки цилиндров до 35 Н•м (26 фунто-футов).

  8. Установите винт хомута, соединяющей генератор с впускным коллектором.
  9. Затянуть
    Затяните винт хомута, соединяющего генератор с впускным коллектором, до 20 Н•м (15 фунто-футов).



    V3B11E03
    Показать иллюстрациюПеревод текста в иллюстрациях


  10. Соедините разъем жгута проводов с тыльной стороной генератора.
  11. Присоедините вывод аккумуляторной батареи к генератору и установите гайку.
  12. Затянуть
    Затяните вывод, соединяющий аккумуляторную батарею с генератором, до 15 Н•м (11 фунто-футов).



    V3B11E04
    Показать иллюстрациюПеревод текста в иллюстрациях


  13. Установите изгибающийся вспомогательный приводной ремень. Следуйте разделу 6В, Насос рулевого управления с усилителем.
  14. Присоедините отрицательный кабель аккумулятора.


V3B11E08
Показать иллюстрациюПеревод текста в иллюстрациях


Стартер - PG 150S

Процедура снятия

  1. Снимите хомут на стартере, соединяющий впускной коллектор двигателя с блоком цилиндров.
  2. Снимите крепежный винт крепления стартера на коробке передач.
  3. Снимите крепежный винт, соединяющий стартер с блоком цилиндров двигателя.


  4. V3B11E09
    Показать иллюстрациюПеревод текста в иллюстрациях


  5. Снимите гайки электромагнитного реле стартера, чтобы отсоединить электрический кабель.
  6. Снимите узел стартера.


V3B11E08
Показать иллюстрациюПеревод текста в иллюстрациях


Процедура установки

  1. Установите на место узел стартера.
  2. Установите верхний и нижний крепежные винты стартера.
  3. Затянуть
    Затяните винт крепления стартера на блоке цилиндров двигателя до 45 Н•м (33 фунто-фута).

    Затянуть
    Затяните винт крепления стартера на коробке передач до 50 Н•м (37 фунто-футов).

  4. Установите хомут на стартере, соединяющий впускной коллектор двигателя с блоком цилиндров.
  5. Затянуть
    Затяните хомут двигателя поверх стартера до 20 Н•м (15 фунто-футов).



    V3B11E09
    Показать иллюстрациюПеревод текста в иллюстрациях


  6. Установите электрический провод стартера на клемме электромагнитного реле.
  7. Установите гайку для подключения зажигания к электромагнитному реле стартера.
  8. Затянуть
    Затяните гайку до 6 Н•м (53 фунто-дюйма).

  9. Установите гайку для подключения провода батареи к электромагнитному реле стартера.
  10. Затянуть
    Затяните гайку до 15 Н•м (11 фунто-футов).



V3B11E10
Показать иллюстрациюПеревод текста в иллюстрациях


Аккумулятор/полка аккумулятора

Процедура снятия

  1. Отсоедините отрицательный кабель аккумулятора.


  2. V3B11E11
    Показать иллюстрациюПеревод текста в иллюстрациях


  3. Отсоедините положительный кабель аккумулятора.
  4. Снимите гайки со скоб аккумуляторной батареи, крепящие удерживающую скобу аккумуляторной батареи.


  5. V3B11E12
    Показать иллюстрациюПеревод текста в иллюстрациях


  6. Проверьте полку аккумуляторной батареи на трещины или повреждения.
  7. При необходимости отсоедините полку аккумуляторной батареи, сняв верхние винты полки, включая винт клеммы аккумулятора.
  8. Снимите нижние винты полки аккумулятора.


V3B11E12
Показать иллюстрациюПеревод текста в иллюстрациях


Процедура установки

  1. Установите полку аккумуляторной батареи, затянув верхние и нижние винты.
  2. Затянуть
    Затяните винты полки аккумуляторной батареи, включая винты клемм аккумулятора, до 20 Н•м (15 фунто-футов).

    Затянуть
    Затяните нижние винты полки аккумуляторной батареи до 10 Н•м (89 фунто-дюймов).



    V3B11E11
    Показать иллюстрациюПеревод текста в иллюстрациях


  3. Установите аккумуляторную батарею в полку.
  4. Установите скобу аккумуляторной батареи. Для этого вставьте круглые штыри из выемок полки через отверстия в скобе аккумуляторной батарее и вставьте винты, не затягивая их.
  5. Затянуть
    Затяните гайки крепления зажима аккумулятора на штырях до 4 Н •м (35 фунто-дюймов).



    V3B11E10
    Показать иллюстрациюПеревод текста в иллюстрациях


  6. Присоедините положительный кабель аккумулятора.
  7. Присоедините отрицательный кабель аккумулятора.
  8. Затянуть
    Затяните гайки кабеля аккумуляторной батареи до 15 Н•м (11 фунто-футов).

РЕМОНТ АГРЕГАТА



V3B11E13
Показать иллюстрациюПеревод текста в иллюстрациях


Стартер

Процедура разборки

  1. Снимите стартер. Следуйте пункту "Стартер" в части Обслуживание автомобиля этого раздела.
  2. Снимите сквозные винты стартера.


  3. V3B11E14
    Показать иллюстрациюПеревод текста в иллюстрациях


  4. Снимите торцевую деталь коллектора и держатель щеток.
  5. Проверьте щетки, выступающие пружины и держатели щеток на износ и повреждения. Замените узел, если необходимо.


  6. V3B11E15
    Показать иллюстрациюПеревод текста в иллюстрациях


  7. Проверьте якорь на свободный ход. Если якорь свободно не вращается, немедленно прервите сборку, начиная с операции 12 данной процедуры. В ином случае проверьте работу якоря без нагрузки.


  8. T3B11E12
    Показать иллюстрациюПеревод текста в иллюстрациях


    Примечание: Проверку проведите за минимальное время, чтобы не перегреть и, таким образом, не повредить электромагнитное реле.

    Важно: Если номинальное потребление тока не включает в себя электромагнитное реле, вычесть номинальное потребление тока из значения обмотки самоблокировки.

  9. Чтобы начать проверку без нагрузки, закройте выключатель и сравните число оборотов и напряжение с техническими характеристиками. Следуйте пункту "Технические характеристики стартера" в этом разделе. Отсоединяйте только при открытом выключателе. Результаты проверки используйте следующим образом.


  10. T3B11E12
    Показать иллюстрациюПеревод текста в иллюстрациях




    V3B11E16
    Показать иллюстрациюПеревод текста в иллюстрациях


  11. Снимите винты электромагнитного реле.


  12. T3B11E14
    Показать иллюстрациюПеревод текста в иллюстрациях


  13. Снимите гайку разъема катушки возбуждения. Отсоедините разъем катушки возбуждения.


  14. T3B11E15
    Показать иллюстрациюПеревод текста в иллюстрациях


  15. Снимите возвратную пружину.


  16. V3B11E17
    Показать иллюстрациюПеревод текста в иллюстрациях


  17. Снимите статор с якорем с узля стартера.
  18. Снимите крышку.


  19. V3B11E18
    Показать иллюстрациюПеревод текста в иллюстрациях


  20. Снимите статор с якоря.


  21. V3B11E19
    Показать иллюстрациюПеревод текста в иллюстрациях


  22. Проверьте вал, подшипник и шестерню на изменение цвета, повреждение или износ. Замените, если необходимо.
  23. Проверьте места, где провода якоря соприкасаются с ламелями коллектора. Убедитесь в хорошем контакте. Обожженые ламели коллектора свидетельствуют о плохом контакте.
  24. Если имеется проверочное оборудование, проверьте якорь на короткое замыкание, установив его на прибор для проверки и держа полотно пилы на сердечнике якоря и вращая якорь. Если полотно пилы вибрирует, замените якорь.
  25. Повторите проверку после очистки между ламелями коллектора. Если полотно пилы вибрирует, замените якорь.


  26. V3B11E20
    Показать иллюстрациюПеревод текста в иллюстрациях


  27. Снимите шестерни, втулку и шайбу.
  28. Снимите с корпуса стартера опорный элемент и вал.


  29. V3B11E21
    Показать иллюстрациюПеревод текста в иллюстрациях


  30. Разберите вал, отделив сначала от него игольчатый подшипник.
  31. Снимите с паза в валу фланец и стопорное кольцо.


  32. V3B11E22
    Показать иллюстрациюПеревод текста в иллюстрациях


  33. Снимите упорное кольцо и шестерню с вала.


  34. V3B11E23
    Показать иллюстрациюПеревод текста в иллюстрациях


  35. Снимите с вала опору шестерни и фланец.


  36. V3B11E16
    Показать иллюстрациюПеревод текста в иллюстрациях


  37. Если это не сделано на предыдущих шагах, снимите винты, крепящие электромагнитное реле к корпусу и снимите гайку с разъема катушки возбуждения.


  38. T3B11E15
    Показать иллюстрациюПеревод текста в иллюстрациях


  39. Снимите возвратную пружину.


  40. V3B11E24
    Показать иллюстрациюПеревод текста в иллюстрациях


  41. Снимите поршень с защитной крышкой и пусковой рычаг.


  42. V3B11E25
    Показать иллюстрациюПеревод текста в иллюстрациях


    Примечание: Зазор шестерни должен быть нормальным, чтобы выступы на хомуте пускового рычага не ударялись по соединительному фланцу во время запуска.

  43. После разборки стартера и замены электромагнитного реле необходимо проверить зазор шестерни.


  44. V3B11E26
    Показать иллюстрациюПеревод текста в иллюстрациях


  45. Отсоедините разъем катушки возбуждения от клеммы электромагнитного реле и аккуратно заизолируйте разъем.
  46. Присоедините один 12-вольтовый провод к клемме электромагнитного реле и другой к корпусу стартера.
  47. При помощи замыкающего провода установите короткий контакт между разъемом электромагнитного клапана и корпусом стартера так, чтобы шестерня попала в позицию запуска и оставалась там до отключения аккумуляторной батареи.
  48. Важно: Средств для регулировки зазора шестерни на стартере не имеется. Если зазор выходит за установленные пределы, проверьте правильность монтажа и замените изношенные детали.

  49. Отодвиньте шестерью как можно дальше назад, чтобы воспринять любое движение и проверьте зазор щупом. Зазор должен составлять от 0,25 до 3,56 мм (от 0,01 до 0,14 дюймов).


V3B11E23
Показать иллюстрациюПеревод текста в иллюстрациях


Процедура сборки

  1. Очистите все детали стартера, но не пользуйтесь для чистки якоря и катушек возбуждения растворителями, растворяющими консистентную смазку.
  2. Смажьте шестерни. Для последующей сборки только электромагнитного реле перейдите к операции 7. Для последующей сборки стартера и электромагнитного реле перейдите к операции 3.
  3. Если стартер и электромагнитное реле были полностью разобраны, начните сборку с установки опоры шестерни и фланца на вал.


  4. V3B11E22
    Показать иллюстрациюПеревод текста в иллюстрациях


  5. Установите упорное кольцо и шестерню на вал.


  6. V3B11E21
    Показать иллюстрациюПеревод текста в иллюстрациях


  7. Установите стопорное кольцо на канавку вала и вставьте фланец.
  8. Установите игольчатый подшипник.


  9. V3B11E24
    Показать иллюстрациюПеревод текста в иллюстрациях


  10. Установите пусковой рычаг с поршнем и защитной крышкой.


  11. V3B11E27
    Показать иллюстрациюПеревод текста в иллюстрациях


  12. Смажьте шестерни и установите вал.
  13. Установите опорный элемент и шестерни.


  14. V3B11E19
    Показать иллюстрациюПеревод текста в иллюстрациях


  15. Смажьте сторону привода вала якоря и при необходимости установите новую шестерню с подшипником.


  16. T3B11E15
    Показать иллюстрациюПеревод текста в иллюстрациях


  17. Уприте электромагнитное реле и возвратную пружину в поршень, нанеся герметик на фланец электромагнитного реле.


  18. V3B11E16
    Показать иллюстрациюПеревод текста в иллюстрациях


  19. Затяните электромагнитное реле винтами.
  20. Затянуть
    Затяните винты электромагнитного реле до 8 Н•м (71 фунт на фут).

  21. Установите разъем катушки возбуждения на клемму стартера. Установите гайку.
  22. Затянуть
    Затяните гайку монтажного соединения стартера до 8 Н•м (71 фунто-дюйм).



    V3B11E17
    Показать иллюстрациюПеревод текста в иллюстрациях


  23. Установите якорь в статоре.
  24. Установите крышку на якорь и статор.
  25. Установите якорь и статор с крышкой в корпус стартера.


  26. V3B11E14
    Показать иллюстрациюПеревод текста в иллюстрациях


  27. Установите торцевую деталь коллектора и держатель щеток, совместив его отверстия со сквозными отверстиями в корпусе.


  28. V3B11E13
    Показать иллюстрациюПеревод текста в иллюстрациях


  29. Установите сквозные винты стартера.
  30. Установите стартер. Следуйте пункту "Стартер" в части Обслуживание автомобиля этого раздела.
  31. Затянуть
    Затяните сквозные винты стартера до 6 Н•м (53 lb-in).



V3B11E28
Показать иллюстрациюПеревод текста в иллюстрациях


Генератор

Процедура разборки

  1. Снимите генератор. Следуйте пункту "Генератор" в этом разделе.
  2. Снимите гайку вала.


  3. V3B11E29
    Показать иллюстрациюПеревод текста в иллюстрациях


  4. Снимите с вала шкив и фланец.


  5. V3B11E30
    Показать иллюстрациюПеревод текста в иллюстрациях


  6. Отожмите рычагом пластиковую крышку, закрывающую выпрямительный блок и держатели регулятора/щеток. Проверьте, не повреждена ли крышка.


  7. V3B11E31
    Показать иллюстрациюПеревод текста в иллюстрациях


  8. Снимите сквозные винты генератора.


  9. V3B11E32
    Показать иллюстрациюПеревод текста в иллюстрациях


  10. Снимите винты, крепящие выпрямительный блок и держатель регулятора/щеток на концевой опоре токосъемника.


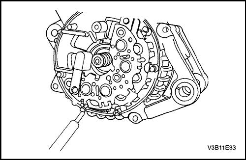
  11. V3B11E33
    Показать иллюстрациюПеревод текста в иллюстрациях


  12. Для снятия держателя регулятора/щеток и выпрямительного блока необходимо сначала распаять вывод, соединяющий узел держателя регулятора/щеток с выводом выпрямительного блока, связанного со статором. Проделайте ту же операцию и с остальными выводами выпрямительного блока, соединенными со статором (по рисунку).


  13. V3B11E34
    Показать иллюстрациюПеревод текста в иллюстрациях


  14. Проверьте электропроводность каждого из трех диодов выпрямительного блока. С каждой стороны диода присоедините щупы омметра. Повторите проверку, переставив концы щупов омметра. Если показания одинаковы, замените выпрямительный блок.


  15. V3B11E35
    Показать иллюстрациюПеревод текста в иллюстрациях


  16. Отметьте линию, перпендикулярную разрыву между корпусом стойки на стороне привода и корпусом концевой опоры токосъемника.
  17. Отожмите стойку на стороне привода от концевой опоры токосъемника.
  18. Снимите фланец.


  19. V3B11E36
    Показать иллюстрациюПеревод текста в иллюстрациях


  20. Снимите вентилятор.


  21. V3B11E37
    Показать иллюстрациюПеревод текста в иллюстрациях


  22. Отделите ротор от концевой опоры токосъемника.


  23. V3B11E38
    Показать иллюстрациюПеревод текста в иллюстрациях


  24. Омметром проверьте заземление статора. Если показание низкое, замените статор. Также необходимо проверить статор на разрыв цепи, приложив щупы на две клеммы. Если показание высокое (зашкаливает), замените статор.


  25. V3B11E39
    Показать иллюстрациюПеревод текста в иллюстрациях


  26. Омметром проверьте ротор на разрыв цепи. Проверьте электропроводность между контактными кольцами. Стандартное сопротивление (холодное) равно 2,8 - 3,0 Ом. Если электропроводность отсутствует, замените ротор.


  27. V3B11E40
    Показать иллюстрациюПеревод текста в иллюстрациях


  28. Омметром проверьте заземление ротора. Убедитесь в отсутствии электропроводности между ротором и контактным кольцом.


V3B11E41
Показать иллюстрациюПеревод текста в иллюстрациях


Процедура сборки

  1. Проверьте подшипник на стороне вентилятора роторного блока. Замените подшипник, если он стал тугим или изношен, особенно если диагностика выявила повышенный шум подшипника во время езды автомобиля.
  2. При необходимости установите новый подшипник и установите на вал ротора фиксатор подшипника.


  3. V3B11E36
    Показать иллюстрациюПеревод текста в иллюстрациях


  4. Запрессуйте роторный блок в концевую стойку.
  5. Установите на вал ротора вентилятор.


  6. V3B11E35
    Показать иллюстрациюПеревод текста в иллюстрациях


  7. Установите фланец.


  8. V3B11E31
    Показать иллюстрациюПеревод текста в иллюстрациях


  9. Установите концевую стойку токосъемника, выровняв кабельные наконечники статора по отверстиям на крышке концевой стойки и затем выровняв отметки на корпусе концевой стойки на стороне привода и корпусе концевой стойки токосъемника, сделанные до разделения этих двух корпусов.
  10. Установите сквозные винты генератора.
  11. Затянуть
    Затяните сквозные винты генератора до 25 Н•м (18 фунто-дюймов).



    V3B11E42
    Показать иллюстрациюПеревод текста в иллюстрациях


  12. Установите выпрямительный блок, припаяв сначала его клеммы к кабельным наконечникам статора.
  13. При износе щеток припаяйте вывод нового блока держателя щеток к блоку регулятора.


  14. V3B11E32
    Показать иллюстрациюПеревод текста в иллюстрациях


  15. Припаяйте вывод блока держателя щеток/регулятора к выпрямительному блоку и прикрепите выпрямительный блок и блоки держателя щеток/регулятора к концевой стойке токосъемника винтами.
  16. Затяните винты выпрямительного блока и блока держателя щеток/регулятора настолько, чтобы они пришли в соприкосновение с соответствующими монтажными пластинами, и затяните винты еще на четверть оборота.


  17. V3B11E29
    Показать иллюстрациюПеревод текста в иллюстрациях


  18. Защелкните крышку.
  19. Установите фланец и шкив на вал со стороны привода.


  20. V3B11E28
    Показать иллюстрациюПеревод текста в иллюстрациях


  21. Установите гайку вала.
  22. Затянуть
    Затяните гайку вала до 100 Н•м (74 фунто-фута).

  23. Установите генератор. Следуйте пункту "Генератор" в этом разделе.

ОБЩЕЕ ОПИСАНИЕ И РАБОТА СИСТЕМЫ

Аккумулятор

На всех автомобилях аккумуляторные батареи стандартно загерметизированы. В крышке вентиляционных заглушек нет. Батарея целиком герметична, за исключением двух небольших вентиляцонных отверстий по сторонам. Эти вентиляционные отверстия служат для отвода газов аккумуляторной батареи. Аккумуляторная батарея имеет следующие преимущества перед обычными:
Аккумуляторная батарея выполняет три основные функции в электрической системе. В первую очередь аккумуляторная батарея представляет собой источник энергии для запуска двигателя. Затем, аккумуляторная батарея выступает стабилизатором напряжения для электрической системы. И кроме этого, на ограниченное время аккумуляторная батарея дает энергию, если производительность генератора становится недостаточной.

Номинальные параметры

Аккумуляторная батарея имеет два номинальных параметра: (1) резервная емкость при 27°С (80°F), это время, в течение которого полностью заряжена аккумуляторная батарея дает ток 25 А при напряжении выше 10,5 В; (2) ток холодного пуска, определенный при - 18°С (0°F), который определяет емкость для холодного пуска.

Резервная емкость

Резервная емкость (RC) - это максимальное время для поездки ночью с минимальной электрической нагрузкой и отсутствующей выходной мощностью генератора. Показатель резервной емкости, выражаемый в минутах, представляет собой время, необходимое для установления напряжения 10,5 В на зажимах полностью заряженного аккумулятора, при температуре 27°С (80°F), разряжающегося при токе 25 ампер.

Сила тока при холодном пуске

Проверка силы тока при холодном пуске выражается при температуре аккумуляторной батареи -18°С (0°F). Номинальный параметр тока - это минимальная сила тока, которую должна дать аккумуляторная батарея на 30 секунд при заданной температуре, соответствуя минимальным требованиям по напряжению - 7,2 В. Этот параметр - измерение мощности холодного пуска.
Аккумуляторная батарея не предназначена для вечной эксплуатации. Однако, при правильном обслуживании, аккумуляторная батарея будет служить много лет.
Если аккумуляторная батарея проходит проверку, но функционирует по непонятным причинам недостаточно хорошо, то в основе этого могут лежать следующие факторы:

Встроенный ареометр

Герметичная аккумуляторная батарея имеет встроенный, скомпенсированный по температуре ареометр на верху аккумуляторной батареи. Ареометр используется для следующей диагностической процедуры:
  1. Осматривая аккумуляторную батарею, убедитесь, что она имеет чистый верх.
  2. При нормальном режиме работы видно два индикатора:
  3. Иногда видна другая индикация:
  4. Иногда видна другая индикация:

Процедура зарядки

  1. Аккумуляторы с индикацией зеленой точки не требуют зарядки, кроме случая, когда они только что разрядились, например, при проворачивании коленвала автомобиля.
  2. При зарядке аккумуляторов с изолированными выводами вне автомобиля устанавливайте комплект с переходником. Убедитесь, что все зарядные контакты чисты и плотно затянуты. Лучшие результаты достигаются, когда электролит и пластины имеют комнатную температуру. Чрезмерно холодная аккумуляторная батарея может не воспринимать ток зарядки в течение нескольких часов.
  3. Заряжайте аккумуляторную батарею до появления зеленой точки. Во время зарядки проверяйте аккумуляторную батарею каждые пол-часа. Для появления зеленой точки может потребоваться наклонить или встряхнуть аккумуляторную батарею.
  4. После зарядки аккумуляторная батарея должна пройти проверку с нагрузкой. Следуйте пункту "Стартер" в этом разделе.

Требуемое время зарядки

Время, необходимое для зарядки аккумуляторной батареи, зависит от следующих факторов:

Зарядка полностью разряженной аккумуляторной батареи

За исключением случаев несоблюдения такой процедуры, аккумуляторная батарея в идеальном состоянии может не требовать замены.
Следующая процедура применяется для зарядки полностью разряженной аккумуляторной батареи:
  1. Измерьте напряжение на клеммах аккумуляторной батареи точным вольтметром. Если показания меньше 10 В, ток зарядки будет очень низким, и потребуется некоторое время, чтобы аккумуляторная батарея начала потреблять ток в несколько миллиампер. Следуйте пункту "Требуемое время зарядки" в данном разделе, где основное внимание уделено факторам, влияющим на требуемое время зарядки. Такие низкие токи считываются не всеми амперметрами.
  2. Установите высокий уровень на зарядном устройстве.

Важно: Некоторые зарядные устройства имеют защиту от переполюсовки, которая предупреждает неправильное подключение клемм аккумуляторной батареи. Полностью разряженная аккумуляторная батарея может иметь недостаточно напряжения, чтобы активировать защитную схему, даже если кабель подключен правильно. Это может быть вызвано тем, что аккумуляторная батарея не потребляет ток зарядки. Следуйте указаниям изготовителя, чтобы обойти схему защиты, чтобы включить зарядное устройство и провести зарядку аккумуляторной батареи со слабым напряжением.

  1. Продолжайте зарядку до тех пор, пока не станет возможным измерить ток зарядки. Зарядные устройства отличаются по напряжению и силе тока. Время, требуемое аккумуляторной батарее для принятия измеряемого тока зарядки при различных напряжениях, может быть таким:
  2. Продолжайте зарядку до тех пор, пока не станет возможным измерить ток зарядки. Зарядные устройства отличаются по напряжению и силе тока. Время, требуемое аккумуляторной батарее для принятия измеряемого тока зарядки при различных напряжениях, может быть таким:
Напряжение
Часы
16,0 или больше
До 4 часов
14.0-15.9
До 8 часов
13.9 или меньше
До 16 часов

Важно: Важно помнить, что полностью разряженная аккумуляторная батарея должна быть заряжена до достаточного количества ампер-часов (а/ч), чтобы восстановить ее до приемлемого состояния. В целом достаточно зарядки до параметров резервной емкости (RC), чтобы на ареометре появилась зеленая точка.

Процедура запуска двигателя от постороннего источника тока

  1. Установите автомобиль с заряженным аккумулятором так, чтобы соединительные кабели от заряженного аккумулятора дотягивались до аккумулятора, требующего зарядки.
  2. Выключите зажигание, все фары и всю электрическую нагрузку в обоих автомобилях.
  3. Установите сигнальные огни, если того требует транспортная обстановка, а также освещение для рабочей зоны.
  4. Надежно обездвижьте оба автомобиля с помощью стояночного тормоза.

Примечание: Во избежание повреждения автомобиля исключите нахождение кабелей на шкивах, вентиляторах или других узлах, приводимых в движение при запуске двигателя, или рядом с ними.

  1. Переключите автоматическую коробку передач в положение СТОЯНКА, а если это механическая КПП, то в положение НЕЙТРАЛЬ.
  2. Переключите автоматическую коробку передач в положение СТОЯНКА, а если это механическая КПП, то в положение НЕЙТРАЛЬ.

Внимание! Во избежание несчастных случаев не пользуйтесь кабелями с поврежденной или отсутствующей изоляцией.

  1. Присоедините один конец кабеля на положительную клемму добавочной аккумуляторной батареи. Убедитесь, что он не соприкасается с другими металлическими частями.
  2. Присоедините один конец кабеля на положительную клемму добавочной аккумуляторной батареи. Убедитесь, что он не соприкасается с другими металлическими частями.
  3. Присоедините другой кабеля на положительную клемму разряженной аккумуляторной батареи. Не присоединяйте другой конец отрицательной клеммы разряженной аккумуляторной батареи.

Внимание! Не присоединяйте кабель напрямую к отрицательной клемме разряженной аккумуляторной батареи. В этом случае могут возникнуть искры и батарея может взорваться.

  1. Присоедините один конец второго кабеля к отрицательной клемме пусковой аккумуляторной батареи.
  2. Присоедините один конец второго кабеля к отрицательной клемме пусковой аккумуляторной батареи.
  3. Окончательное подключение выполните к массе двигателя (например, к опорному кронштейну) не менее чем в 450 мм (18 дюймов) от разряженной батареи.
  4. Запустите двигатель на автомобиле с хорошей аккумуляторной батареей. Дайте двигателю поработать несколько минут на средней скорости.
  5. Запустите двигатель автомобиля с разряженным аккумулятором.
  6. Снимите соединительные кабели, в точности выполнив вышеприведенные действия в обратном порядке, сняв сначала отрицательный кабель с автомобиля с разряженным аккумулятором. Снимая каждый зажим, убедитесь, что он не касается других металлических частей, в то время, когда другой конец остается присоединенным.

Генератор

Система зарядки Delco-Remy CS имеет несколько моделей, включая CS-128D. Число обозначает наружный диаметр изоляции статора в мм.
Генераторы CS оснащены встроенными регуляторами.
В отличие от трехпроводных генераторов модель CS-128D может использоваться только с двумя соединениями: положительным концом аккумулятора и выводом "L", идущим на индикаторную лампу зарядки.
Как и в других системах зарядки контрольная лампа зарядки горит, когда выключатель зажигания находится в положении RUN и выключается, когда двигатель работает. Если контрольная лампа зарядки горит при работающем двигателе, это говорит о неисправности системы зарядки. Контрольная лампа горит ярко при разных типах неисправности, а также тогда, когда системное напряжение слишком высоко или слишком низко.
Настройка напряжения регулятора меняется с температурой и ограничивает напряжение в системе, управляя током ротора. Установите соответствующий средний ток возбуждения для необходимой регулировки напряжения в системе путем изменения времени включения-выключения. На высоких скоростях генератор может быть включен на 10 процентов и выключен на 90 процентов времени. На низких скоростях с высокой электрической нагрузкой генератор может быть включен на 90 процентов и выключен на 10 процентов времени.

Система зарядки

Генераторы CS используют новый тип регулятора с тремя диодами Статор Delta, мостовой выпрямитель, и ротор с контактными кольцами и щетками имеют схожую электрическую схему с предыдущими генераторами. Используются обычный шкив и вентилятор. Проверочного отверстия нет.

Стартер

Двигатели стартера с катушкой возбуждения имеют полюсовые накладки вокруг якоря, которые возбуждаются от катушек.
Роторные двигатели с пусковыми рычагами в оболочке имеют механизм пуска и подвижную катушку в корпусе привода, который защищает их от воздействия грязи, мороза и брызг.
В главном контуре обмотки электромагнитного реле возбуждаются при закрытом выключателе. Движение подвижной катушки и пускового рычага заставляют шестерню зайти в маховик двигателя. Главные контакты электромагнитного реле закрываются. Происходит пуск двигателя.
После запуска двигателя обгонная муфта шестерни защищает якорь от повышенных оборотов до отключения выключателя, когда возратная пружина заставляет шестерню отойти назад. Чтобы избежать излишнего перебега, выключатель следует отключить сразу после запуска двигателя.

Стартерная система

Электрооборудование двигателя включает в себя аккумуляторную батарею, зажигание, стартер, генератор и всю соответствующую проводку. Таблицы диагностики помогут найти и устранить неисправности. Если неисправность касается конкретного компонента, следуйте к разделу руководства по обслуживанию этого компонента.
Система пуска двигателявключает в себя аккумуляторную батарею, стартер, выключатель зажигания и всю соответствующую проводку. Все эти компоненты имеют электрическое соединение.


На предыдущую страницуНа следующую страницу
Главная страница сайта