ТЕХНИЧЕСКОЕ ОБСЛУЖИВАНИЕ И РЕМОНТ
ОБСЛУЖИВАНИЕ АВТОМОБИЛЯ
Сбрасывание давления в системе подачи топлива
Процедура
Внимание! Топливная система находится под давлением. Перед отсоединением топливопроводов во избежание пролива топлива и ожогов следует сбросить давление в системе подачи топлива.
- Снять топливную крышку.
- Снять предохранитель топливного насоса с блока предохранителей двигателя.
- Запустить двигатель и заглушить его.
- Провернуть коленчатый вал двигателя еще в течение 10 секунд.



Топливный бак
Процедура снятия
Внимание! Топливная система находится под давлением. Перед отсоединением топливопроводов во избежание пролива топлива и ожогов следует сбросить давление в системе подачи топлива.
- Сбросить давление в топливной системе. См. "Сбрасывание давления в системе подачи топлива" в этом разделе.
- Отсоедините отрицательный кабель аккумулятора.
- Слить топливо из бака.
- Снять передний глушитель. См. раздел 1G, "Система выпуска отработавших газов"
- Снять гайки с щитком топливного бака.



- Снять хомут наливного патрубка с топливного бака.
- Отсоединить наливной патрубок топливного бака.
- Отсоединить трубопровод для паров топлива рядом с наливным патрубком топливного бака.
- Отсоединить разъем жгута проводов топливного насоса.



- Отсоединить подающий и обратный трубопроводы впереди справа от топливного бака.



- Подпереть топливный бак.
- Снять крепежные винты хомутов топливного бака.
- Снять хомут топливного бака.
- Осторожно опустить топливный бак.
- Снять топливный бак.
- Убрать детали при необходимости.



Процедура установки
- Поднять топливный бак до нужного положения.
- Установить хомуты топливного бака.
- Установить крепежные винты хомутов топливного бака.
Затянуть
Затянуть крепежные винты хомутов топливного бака до 20 Н•м (15 lb-ft).



- Присоединить подающий и обратный топливопроводы.



- Присоединить разъем жгута проводов топливного насоса.
- Присоединить трубопровод для паров топлива.
- Присоединить наливной патрубок топливного бака.
- Присоединить вентиляционный патрубок топливного бака.
- Установить хомут наливного патрубка на топливный бак.



- Установить гайки с щитком топливного бака.
- Установить передний глушитель. См. раздел 1G, "Система выпуска отработавших газов"
- Присоедините отрицательный кабель аккумулятора.
- Заправить топливный бак.
- Проверить утечки на соединениях топливного бака и топливопроводов.



Топливный насос
Процедура снятия
Внимание! Топливная система находится под давлением. Перед отсоединением топливопроводов во избежание пролива топлива и ожогов следует сбросить давление в системе подачи топлива.
- Сбросить давление в системе подачи топлива.
- Снять топливную крышку.
- Снять предохранитель топливного насоса с блока предохранителей двигателя.
- Запустить двигатель и заглушить его.
- Провернуть коленчатый вал двигателя еще в течение 10 секунд.
- Отсоедините отрицательный кабель аккумулятора.
- Снять заднее сиденье. См. раздел 9Н, "Сиденья".
- Снять технологическую крышку топливного насоса.



- Отсоединить электрический разъем с топливного насоса.
- Отсоединить подающий топливопровод.
- Отсоединить обратный топливопровод.
- Повернуть замковое кольцо против часовой стрелки, освободив петли топливного бака.
- Снять узел топливного насоса с бака.



Процедура установки
- Почистить сопряженные поверхности прокладки на топливном баке.
- Установить на место новую прокладку.
- Установить топливный насос в топливный бак на то же место для облегчения установки топливопровода и разъема.
- Установить замковое кольцо и повернуть его по часовой стрелке до упора в баке.
- Присоединить разъем топливного насоса.
- Установить подающий топливопровод топливного насоса.
- Установить обратный топливопровод топливного насоса.
- Установить технологическую крышку топливного насоса.
- Присоедините отрицательный кабель аккумулятора.
- Проверить работоспособность топливного насоса.
- Установить заднее сиденье. См. раздел 9Н, "Сиденья".



Датчик уровня топлива
Процедура снятия
- Отсоединить разъем изолятора.



- Вставить клин клеммы (1) в разъем изолятора.
Примечание: Клин может быть отсоединен с усилием, но не может быть повторно подсоединен.



- Вытолкнуть клин (1) наружу и вытянуть провода, отсоединив их от изолятора.



- Снять датчик уровня топлива (1) с корпуса датчика (2).
- Снять корпус датчика (2).



- Снять узел датчика уровня топлива (3).



Процедура установки
- Загнуть провода (1) датчика (2).



- Установить датчик на топливный насос (1).
Примечание: Без правильной установки датчика указатель уровня топлива будет работать неточно.
- Установить датчик уровня топлива на корпус датчика.
Примечание: Без правильной установки датчика уровня топлива, контрольная лампа уровня топлива будет реагировать неточно.



- Присоединить провод к разъему изолятора.



- Присоединить разъем изолятора.



Топливный фильтр
Процедура снятия
Внимание! Топливная система находится под давлением. Перед отсоединением топливопроводов во избежание пролива топлива и ожогов следует сбросить давление в системе подачи топлива.
- Сбросить давление в системе подачи топлива. См. "Сбрасывание давления в системе подачи топлива" в этом разделе.
- Отсоедините отрицательный кабель аккумулятора.
- Снять болт крепежного кронштейна топливного фильтра.
- Снять крышку топливного фильтра.
- Отсоединить входные/выходные топливопроводы, сдвинув замок разъема вперед и сняв шланг с патрубка топливного фильтра.



Процедура установки
- Установить новый топливный фильтр в зажимную скобу. Обратить внимание на направление потока.
- Установить топливный фильтр.
- Присоединить входные/выходные топливопроводы. Закрепить топливопроводы замком разъема.



- Установить крышку топливного фильтра.
- Установить болт крепежного кронштейна топливного фильтра вместе с проводом массы.
Затянуть
Затянуть болт крепежного кронштейна топливного фильтра до 10 Н•м (89 фунто-футов).
- Присоедините отрицательный кабель аккумулятора.
- Проверить топливный фильтр на утечки.



Топливная рампа и форсунки
Процедура снятия
Внимание! Топливная система находится под давлением. Перед отсоединением топливопроводов во избежание пролива топлива и ожогов следует сбросить давление в системе подачи топлива.
- Сбросить давление в системе подачи топлива. См. "Сбрасывание давления в системе подачи топлива" в этом разделе.
- Отсоедините отрицательный кабель аккумулятора.
- Отсоедините разъем датчика температуры воздуха на впуске (IAT).
- Отсоединить сапун от крышки головки цилиндров.



- Отсоединить шланг положительной вентиляции картера (система вентиляции картера) с крышки головки цилиндров.
- Отсоединить тросы дроссельной заслонки от корпуса дроссельной заслонки и кронштейна.
- Снять регулятор давления топлива. См. "Регулятор давления топлива" в данном разделе.
- Отсоедините возвратный топливопровод от топливной рампы.
- Отсоединить впускной топливопровод от топливной рампы.
- Снять крепежные болты топливной рампы.



Примечание: Перед снятием топливную рампу можно почистить аэрозольным чистящим средством согласно инструкции по применению. Не погружать топливные рампы в растворитель. Топливную рампу снимать осторожно, не допуская повреждения электрических разъемов и наконечников форсунок. Не допускать попадания грязи и других загрязнений в открытые трубопроводы и каналы. Во время обслуживания фитинги должны быть закрыты крышками, а отверстия заглушками.
Важно: Если форсунка отделяется от рампы и остается в головке цилиндра, заменить уплотнительное кольцо и зажимной хомут.
- Снять топливную рампу с крышкой отсека топливных форсунок и прикрепленными форсунками.
- Отсоединить разъемы крышки отсека топливных форсунок.



- Снять крепежные хомуты топливных форсунок.
- Снять топливные форсунки, потянув их вниз и наружу.
- Снять уплотнительные кольца топливных форсунок.



Процедура установки
Важно: Разные форсунки откалиброваны на разный расход топлива. При заказе новой топливной форсунки заказывать только идентичный узел по номеру на старой форсунке.
- Смазать уплотнительное кольцо топливной форсунки моторным маслом. Установить уплотнительные кольца на топливные форсунки.
- Установить топливные форсунки в гнезда топливной рампы с клеммами топливных форсунок, обращенными наружу.
- Установить крепежные хомуты топливных форсунок на топливную форсунку и на край топливной рампы.
- Убедиться, что хомуты расположены параллельно разъему жгута проводов топливной форсунки.



- Установить топливную рампу на головку цилиндров.
- Установите стопорные винты топливной рампы.
Затянуть
Затяните стопорные винты топливной рампы до 25 Н•м (18 фунто-футов).
- Присоединить впускной топливопровод к топливной рампе.
- Присоедините возвратный топливопровод к топливной рампе.
- Установить регулятор давления топлива. См. "Регулятор давления топлива" в данном разделе.
- Присоединить крышку отсека топливных форсунок и разъемы. Повернуть каждую топливную форсунку при необходимости.



- Присоединить ПВХ-шланг к крышке головки цилиндров.
- Присоединить сапун к крышке головки цилиндров.
- Присоедините разъём датчика IAT.
- Присоедините отрицательный кабель аккумулятора.
- Проверить топливную рампу и топливные форсунки на утечку.



Регулятор давления топлива
Процедура снятия
Внимание! Топливная система находится под давлением. Перед отсоединением топливопроводов во избежание пролива топлива и ожогов следует сбросить давление в системе подачи топлива.
- Сбросить давление в топливной системе. См. "Сбрасывание давления в системе подачи топлива" в этом разделе.
- Отсоедините отрицательный кабель аккумулятора.
- Отсоедините разъем датчика температуры воздуха на впуске (IAT).
- Отсоединить сапун от крышки головки цилиндров.
- Снимите трубку впуска воздуха.
- Отсоединить вакуумный шланг от регулятора давления топлива.



- Снять стопорный зажим регулятора давления топлива.
- Снять регулятор давления топлива, повернув его взад-вперед и затем вытянув наружу.
- Снять уплотнительное кольцо.



Процедура установки
- Смазать уплотнительное кольцо. Установить уплотнительное кольцо на корпус регулятора давления топлива.
- Вставить регулятор давления топлива в корпус топливной рампы.
- Установить стопорный зажим регулятора давления топлива.
Затянуть
Затянуть стопорный зажим регулятора давления топлива до 12 Н•м (106 фунто-дюймов).



- Присоединить вакуумный шланг к регулятору давления топлива.
- Установите трубку впуска воздуха.
- Присоединить сапун к крышке головки цилиндров.
- Присоедините разъём датчика IAT.
- Присоедините отрицательный кабель аккумулятора.
- Проверить герметичность регулятора давления топлива, заглушив двигатель и установив зажигание в положение "включено".



Датчик температуры охлаждающей жидкости
Процедура снятия
- Сбросить давление в системе охлаждающей жидкости.
- Отсоедините отрицательный кабель аккумулятора.
- Отсоедините разъем датчика температуры охлаждающей жидкости двигателя (ЕСТ).
Примечание: С датчиком температуры охлаждающей жидкости обращаться осторожно. Поврежденный датчик повлияет на работоспособность системы впрыска топлив.
- Снять датчик температуры охлаждающей жидкости двигателя с крепежного переходника клапана рециркуляции отработавших газов.



Процедура установки
- Смазать резьбу датчика ECT герметиком.
- Установить датчик температуры охлаждающей жидкости двигателя в крепежном переходнике клапана рециркуляции отработавших газов.
Затянуть
Затянуть датчик температуры охлаждающей жидкости до 20 Н•м (15 фунто-футов).
- Присоедините разъем датчика ЕСТ.
- Заправить систему охлаждения двигателя.
- Присоедините отрицательный кабель аккумулятора.



Датчик положения дроссельной заслонки
Процедура снятия
- Отсоедините отрицательный кабель аккумулятора.
- Снять патрубок впуска воздуха и резонатор.
- Отсоедините разъём датчика угла открытия дроссельной заслонки (TP).
- Снять крепежные болты и датчик положения дроссельной заслонки.



Процедура установки
- Установить датчик положения дроссельной заслонки на валу при закрытой дроссельной заслонке. Совместить датчик положения дроссельной заслонки с отверстиями под болты.
- Установить крепежные болты датчика положения дроссельной заслонки.
Затянуть
Затянуть крепежные болты датчика положения дроссельной заслонки до 2 Н•м (18 lb-in).
- Присоедините разъём датчика угла открытия дроссельной заслонки (TP).
- Установить патрубок впуска воздуха и резонатор.
- Присоедините отрицательный кабель аккумулятора.



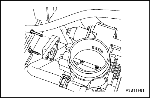
Корпус дроссельной заслонки
Процедура снятия
- Отсоедините отрицательный кабель аккумулятора.
- Отсоедините разъем датчика температуры воздуха на впуске (IAT).
- Отсоединить сапун от крышки головки цилиндров.
- Снимите трубку впуска воздуха.



- Отсоединить тросы дроссельной заслонки, открыв дроссельную заслонку и пропустив трос через размыкающий паз.
- Отсоединить вакуумные шланги от корпуса дроссельной заслонки.
- Отсоединить разъемы датчика положения дроссельной заслонки и клапана регулятора холостого хода.
- Отсоединить шланги подачи охлаждающей жидкости от корпуса дроссельной заслонки.
- Снять крепежные гайки корпуса дроссельной заслонки.



Примечание: Закрыть отверстие впускного коллектора после снятия корпуса дроссельной заслонки. Это предотвратит попадание предметов или мусора в двигатель, что может вызвать его повреждение.
- Снять корпус дроссельной заслонки и прокладку.
- Снять датчик положения дроссельной заслонки. См. "Датчик положения дроссельной заслонки" в этом разделе.
- Снять клапан регулирования подачи воздуха на холостом ходу. См. "Клапан регулятора холостого хода" в этом разделе.



Процедура установки
Примечание: Осторожно счистить старый уплотнительный материал с обработанных алюминиевых поверхностей. Острый инструмент может повредить уплотнительные поверхности.
- Почистить сопряженные поверхности прокладки на впускном коллекторе.
Примечание: Корпус дроссельной заслонки после демонтажа можно почистить в погружном очистителе. Датчик положения дроссельной заслонки и клапан регулятора холостого хода не должны вступать в контакт с любым растворителем или очистителем, так как могут быть ими приведены в негодность.
- Очистить корпус дроссельной заслонки.
- Установить датчик положения дроссельной заслонки. См. "Датчик положения дроссельной заслонки" в этом разделе.
- Установить клапан регулятора холостого хода. См. "Клапан регулятора холостого хода" в этом разделе.
- Установить корпус дроссельной заслонки с новой прокладкой на впускной коллектор.
- Установить крепежные гайки корпуса дроссельной заслонки.
Затянуть
Затянуть крепежные гайки корпуса дроссельной заслонки до 10 Н•м (89 lb-in).



- Присоединить разъем датчика положения дроссельной заслонки и разъем клапана регулятора холостого хода.
- Присоедините шланги охлаждающей жидкости к корпусу дроссельной заслонки.
- Присоединить вакуумные шланги на корпус дроссельной заслонки.
Важно: Убедиться, что тросы дроссельной заслонки / круиз-контроля не удерживают дроссельную заслонку открытой. При остановленном двигателе убедиться в том, что педаль акселератора свободна.
- Присоединить тросы дроссельной заслонки.
- Установите трубку впуска воздуха.
- Присоединить сапун к крышке головки цилиндров.
- Присоедините разъём датчика IAT.
- Присоедините отрицательный кабель аккумулятора.
- Заправить систему охлаждения.



Управляющий датчик кислорода (HO2S1)
Процедура снятия
- Отсоедините отрицательный кабель аккумулятора.
Примечание: Датчик кислорода (O2S) имеет неразъемный гибкий вывод и разъем. Этот гибкий вывод не снимать с датчика О2S. Повреждение или снятие гибкого вывода или разъема может повлиять на работу датчика О2S. С датчиком О2S обращаться осторожно. Не ронять датчик О2S.
- Отсоединить разъем HO2S1.
Примечание: Датчик кислорода трудно снимается при температуре двигателя ниже 118°С (48°F). Чрезмерные усилия могут повредить резьбу в выпускном коллекторе.
- Осторожно снять датчик HO2S1 с выпускного коллектора.



Процедура установки
Важно: Для резьбы датчика кислорода используется специальный противозадирный состав. Этот состав состоит из жидкого графита и стеклянных шариков. Графит выгорает, а стеклянные шарики остаются и облегчают снятие датчика. Новые или отремонтированные датчики уже имеют состав, нанесенный на резьбу. Если датчик снимается с двигателя или переустанавливается, то на резьбу обязательно нанести противозадирный состав перед повторной установкой.
- Покрыть резьбу датчика HO2S1 противозадирным составом при необходимости.
- Установить датчик HO2S1 на выпускной коллектор.
Затянуть
Затянуть датчик кислорода до 44 Н•м (33 фунто-фута).
- Присоединить разъем HO2S1.
- Присоедините отрицательный кабель аккумулятора.



Диагностический датчик кислорода (HO2S2)
Процедура снятия
- Отсоедините отрицательный кабель аккумулятора.
- Отсоедините электрический разъем.



- Снимите датчик кислорода.



Процедура установки
- Установить датчик кислорода.
Затянуть
Затянуть датчик кислорода до 44 Н•м (33 фунто-фута).



- Соедините электрический разъем.
- Присоедините отрицательный кабель аккумулятора.



Датчик температуры впускного воздуха
Процедура снятия
- Отсоедините отрицательный кабель аккумулятора.
- Отсоедините разъем датчика температуры воздуха на впуске (IAT).
- Снять датчик температуры впускного воздуха, вынув его из патрубка впуска воздуха.
Процедура установки
- Установить датчик температуры впускного воздуха на патрубок впуска воздуха.
- Присоединить разъем датчика температуры впускного воздуха.
- Присоедините отрицательный кабель аккумулятора.



Клапан регулятора холостого хода
Процедура снятия
- Отсоедините отрицательный кабель аккумулятора.
- Снять впускной резонатор.
- Отсоедините разъем клапана регулирования подачи воздуха на холостом ходу (IAC).
- Снять крепежные болты клапана регулятора холостого хода.
Примечание: Не нажимать на иглу клапана регулятора холостого хода, прошедшего ремонт. Усилия, необходимые для перемещения иглы, могут повредить резьбу на изношенном приводе.
- Снять клапан регулятора холостого хода.
Примечание: Не использовать метил, этил или кетон, так как они могут повредить детали.
- Почистить место вокруг уплотнительного кольца клапана регулировки холостого хода, седло клапана, воздушный канал подходящим очистителем топливной системы.



Процедура установки
Важно: При установке нового клапана регулятора холостого хода, заменить его идентичным узлом. Форма иглы клапана регулировки холостого хода выполнена с учетом специального применения. Измерить расстояние между насадкой клапана регулировки холостого хода и крепежным фланцем. Если расстояние больше 1.1 inches (28 мм), надавить пальцем на иглу, чтобы немного убрать ее. Усилие, необходимое для убирания иглы, не повредит клапан регулятора холостого хода. Регулировка 1.1–inch (28 мм) нужна для того, чтобы не допустить касания седла иглой клапана регулировки холостого хода. Эта регулировка 1.1–inch (28 мм) является адекватной настройкой регулируемого холостого хода при повторном запуске.
- Смазать новое уплотнительное кольцо моторным маслом. Установить новое уплотнительное кольцо в клапан.
- Установить клапан регулятора холостого хода в корпус дроссельной заслонки.
- Установить крепежные болты клапана регулятора холостого хода.
Затянуть
Затянуть крепежные болты клапана регулятора холостого хода до 3 Н•м (27 lb-in).
- Присоедините разъем клапана IAC.
- Установить впускной резонатор.
- Присоедините отрицательный кабель аккумулятора.
- Запустить двигатель и проверить частоту вращения на холостом ходу.



Датчик абсолютного давления в коллекторе
Процедура снятия
- Отсоедините отрицательный кабель аккумулятора.
- Отсоединить топливную рампу. См. "Топливная рампа и форсунки" в этом разделе.
- Отсоединить разъем датчика абсолютного давления в коллекторе от датчика абсолютного давления в коллекторе.
- Снять крепежный болт датчика абсолютного давления в коллекторе.
- Снять датчик абсолютного давления в коллекторе с впускного коллектора.



Процедура установки
- Присоединить разъем датчика абсолютного давления в коллекторе к датчику абсолютного давления в коллекторе.
- Установить датчик абсолютного давления в коллекторе на выпускной коллектор.
- Установить крепежный болт датчика абсолютного давления в коллекторе.
Затянуть
Затянуть крепежный болт датчика абсолютного давления в коллекторе до 4 Н•м (35 lb-in).
- Присоединить топливную рампу. См. "Топливная рампа и форсунки" в этом разделе.
- Присоедините отрицательный кабель аккумулятора.



Клапан рециркуляции отработавших газов
Процедура снятия
- Отсоедините отрицательный кабель аккумулятора.
- Отсоединить вакуумный шланг от клапана рециркуляции отработавших газов.
- Отсоединить разъем системы рециркуляции отработавших газов.
- Снять крепежные болты клапана рециркуляции отработавших газов.
- Снять клапан рециркуляции отработавших газов с крепежного переходника клапана рециркуляции отработавших газов.



Процедура установки
- Очистить сопряженную поверхность крепежного переходника клапана рециркуляции отработавших газов.
- Установить новую прокладку клапана рециркуляции отработавших газов.
- Установить клапан рециркуляции отработавших газов вместе с болтом.
Затянуть
Затянуть крепежные болты клапана рециркуляции отработавших газов до 30 Н•м (22 lb-ft)
- Присоединить разъем системы рециркуляции отработавших газов.
- Присоединить вакуумные шланги к клапану рециркуляции отработавших газов.
- Присоедините отрицательный кабель аккумулятора.



Датчик детонации
Процедура снятия
- Отсоедините отрицательный кабель аккумулятора.
- Поднимите и зафиксируйте автомобиль.
- Отсоедините электрический разъем на датчике детонации.



- Снять болт и датчик детонации.



Процедура установки
- Установить датчик детонации вместе с болтом.
Затянуть
Затянуть болт датчика детонации до 20 Н•м (15 lb-ft).



- Присоединить электрический разъем к датчику детонации.
- Опустите автомобиль.
- Присоедините отрицательный кабель аккумулятора.



Датчик G
Процедура снятия
- Отсоедините отрицательный кабель аккумулятора.
- Отсоединить электрический разъем датчика неровной дороги и снять сам датчик.



Процедура установки
- Установить датчик неровной дороги и присоединить электрический разъем.
- Присоедините отрицательный кабель аккумулятора.



Адсорбер СУПБ
Процедура снятия
Внимание! Угольный фильтр и вакуумный шланг содержат пары топлива. Не курить и не работать с открытым огнем в опасной зоне.
- Отсоединить шланги для паров топлива угольного фильтра.
- Снять болт, крепящий фланец угольного фильтра к автомобилю.
- Выдвинуть угольный фильтр из держателя направляющей.
- Снять угольный фильтр.



Процедура установки
- Вставить угольный фильтр в направляющую и задвинуть на место.
- Установить болт фланца угольного фильтра.
Затянуть
Затянуть болт фланца адсорбера системы улавливания паров бензина до 10 Н•м (89 фунто-дюймов).
- Присоединить шланги для паров топлива угольного фильтра.



Электромагнитный клапан продувки адсорбера СУПБ
Процедура снятия
- Отсоедините отрицательный кабель аккумулятора.
- Отсоединить разъем электромагнитного клапана продувки адсорбера СУПБ.
- Отсоединить вакуумные шланги от электромагнитного клапана продувки адсорбера СУПБ.
- Снять болт кронштейна электромагнитного клапана продувки адсорбера СУПБ с впускного коллектора.
- Отсоединить электромагнитный клапан продувки адсорбера СУПБ с крепежного кронштейна.



Процедура установки
- Присоединить электромагнитный клапан продувки адсорбера СУПБ на крепежный кронштейн.
- Установить электромагнитный клапан продувки адсорбера СУПБ и крепежный кронштейн на впускной коллектор вместе с болтом кронштейна.
Затянуть
Затянуть болт кронштейна электромагнитного клапана продувки адсорбера СУПБ до 10 Н•м (89 фунто-дюймов).
- Присоединить вакуумные шланги к электромагнитному клапану продувки адсорбера СУПБ.
- Присоединить разъем электромагнитного клапана адсорбера СУПБ.
- Присоедините отрицательный кабель аккумулятора.



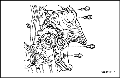
Датчик положения коленчатого вала
Процедура снятия
- Отсоедините отрицательный кабель аккумулятора.
- Снимите насос рулевого управления с усилителем, если имеется. Следуйте разделу 6В, Насос рулевого управления с усилителем.
- Снимите компрессор кондиционирования воздуха. См. раздел 7 D, "Система автоматического контроля обогрева, вентиляции и кондиционирования воздуха".
- Снять болты заднего крепежного кронштейна компрессора кондиционирования воздуха и задний крепежный кронштейн компрессора кондиционирования воздуха.
- Снять дополнительный крепежный кронштейн, удалив болты.



- Отсоединить разъём датчика положения коленчатого вала (СКР).
- Снимите стопорный винт датчика положения коленчатого вала.
- Осторожно повернуть и снять датчик положения коленчатого вала с блока цилиндров двигателя.



Процедура установки
- Вставить датчик положения коленчатого вала в блок цилиндров.
- Установить крепежный болт датчика положения коленчатого вала.
Затянуть
Затянуть крепежный болт датчика положения коленчатого вала до 8 Н•м (71 lb-in).
- Присоедините разъем датчика СКР.
- Установить дополнительный крепежный кронштейн вместе с болтами.
Затянуть
Затянуть болты дополнительного крепежного кронштейна до 27 Н•м (37 lb-ft).



- Установить задний крепежный кронштейн кондиционера.
Затянуть
Затянуть болты крепежного кронштейна кондиционера до 35 Н•м (26 lb-ft).
- Установить компрессор кондиционирования воздуха. См. раздел 7 D, "Система автоматического контроля обогрева, вентиляции и кондиционирования воздуха".
- Установите насос рулевого управления с гидроусилителем. Следуйте разделу 6В, Насос рулевого управления с усилителем.
- Присоедините отрицательный кабель аккумулятора.



Датчик положения распределительного вала
Процедура снятия
- Отсоедините отрицательный кабель аккумулятора.
- Снимите кожух двигателя.
- Отсоединить электрический разъем датчика.



- Снимите переднюю крышку приводного ремня газораспределительного механизма. Следуйте разделу 1С Механическая часть двигателя DOHC.
- Снять болты датчика положения распределительного вала.
- Снять сверху датчик положения распределительного вала.



Процедура установки
- Установить датчик положения распределительного вала и болты.
Затянуть
Затянуть болты датчика положения распределительного вала до 8 Н•м (71 фунто-дюйм).



- Установить переднюю крышку приводного ремня газораспределительного механизма, шкив коленчатого вала, вспомогательный приводной ремень и воздушный фильтр. Следуйте разделу 1С Механическая часть двигателя DOHC.
- Присоединить электрический разъем датчика.
- Установите кожух двигателя.
- Присоедините отрицательный кабель аккумулятора.



Контроллер электронной системы управления двигателем (ЭСУД)
Процедура снятия
- Отсоедините отрицательный кабель аккумулятора.
- Снять патрубок впуска воздуха и резонатор.
- Отсоединить разъемы контроллера ЭСУД от контроллера ЭСУД.
- Снять контроллер ЭСУД.



Процедура установки
- Присоединить, разъемы контроллера ЭСУД к контроллеру ЭСУД.
- Совместить контроллер ЭСУД с основанием.
- Закрепить контроллер ЭСУД на основании защелками.
- Установить наружные замки контроллера ЭСУД.
- Установить защитную панель на стороне пассажира. См. раздел 9G, "Отделка салона".
- Присоедините отрицательный кабель аккумулятора.
- Провести процедуру определения отклонения системы датчика положения коленчатого вала. См. "DTC P1336" в этом разделе.



Катушка электронной системы зажигания
Процедура снятия
- Отсоедините отрицательный кабель аккумулятора.
- Отсоедините разъем катушки электронной системы зажигания (EI).
- Пометить положение провода зажигания и снять провода зажигания.
- Снять крепежные болты катушки электронной системы зажигания.
- Снимите катушку электронной системы зажигания.



Процедура установки
- Установить катушку электронной системы зажигания на место монтажа и установить крепежные болты.
Затянуть
Затянуть крепежные болты катушки электронной системы зажигания до 10 Н•м (89 lb-in).
- Присоедините разъем катушки электронной системы зажигания.
- Установить провода зажигания.
- Присоедините отрицательный кабель аккумулятора.