Руководство по техническому обслуживанию2005 Evanda ЗАДНЯЯ ПОДВЕСКАК началу документа
Evanda
На предыдущую страницуНа следующую страницу
Главная страница GMDEЗагрузить нединамическое оглавлениеЗагрузить динамическое оглавлениеПомощь

РАЗДЕЛ 2D

ЗАДНЯЯ ПОДВЕСКА

Внимание! Необходимо отсоединять отрицательный провод аккумулятора перед снятием или установкой любого электрического устройства, а также в тех случаях, когда возможно соприкосновение инструмента или оборудования с открытыми электрическими контактами. Отсоединение этого провода поможет избежать несчастного случая, а также повреждения автомобиля. Необходимо также, чтобы зажигание находилось в положении LOCK, если не будет требоваться иное.

ТЕХНИЧЕСКИЕ ХАРАКТЕРИСТИКИ

Моменты затяжки резьбовых соединений

ПРОГРАММА
Н•м
Фунт-фут
Фунт-дюйм
Гайка стойки стабилизатора задней подвески
50
37
-
Болт штанги стабилизатора задней подвески
50
37
-
Болт крепления переднего параллельного рычага к кулаку
110
81
-
Болт крепления кулачка переднего параллельного звена к поперечине.
40, 80
30, 59
-
Болт крепления заднего параллельного рычага к кулаку
110
81
-
Болт крепления заднего параллельного рычага к поперечине
110
81
-
Болт крепления продольного рычага к кулаку
120
89
-
Болт крепления продольного рычага к кронштейну
100
74
-
Болт кронштейна продольного рычага
90
66
-
Гайка крепления верхнего рычага к кулаку задней подвески
110
81
-
Гайка крепления верхнего рычага к кузову
60
44
-
Верхняя гайка крепления стойки задней подвески
50
37
-
Нижняя гайка крепления стойки задней подвески
90
66
-
Гайка и болт задней поперечины
110
81
-
Гайка крепления задней ступицы к заднему кулаку
65
48
-
Болт крепления суппорта заднего тормоза к кулаку
45
33
-
Винт заднего дискового тормоза
4
-
35

СПЕЦИАЛЬНЫЕ ИНСТРУМЕНТЫ

Таблица специальных инструментов


KM329A
Показать иллюстрациюПеревод текста в иллюстрациях


KM-329-A
Приспособление для сжатия пружин

ДИАГНОСТИКА

Проверка чрезмерного трения

Выполните проверку на чрезмерное трение в задней подвески, действуя как указано ниже:
  1. С помощью еще одного механика поднимите автомобиль за задний бампер как можно выше. Медленно опустите бампер, чтобы кузов автомобиля занял свое нормальное положение.
  2. Измерьте расстояние от земли до середины бампера.
  3. Надавите на бампер, а затем медленно отпустите, чтобы кузов автомобиля занял свое нормальное положение относительно колес.
  4. Измерьте расстояние от земли до середины бампера.
Разность между результатами двух указанных измерений должна быть менее 12,7 мм (0,50 дюйма). Если разность больше этого предельного значения, то проверьте на повреждения или износ рычаги.

Буфер хода сжатия телескопической стойки

Буфер хода сжатия телескопической стойки по существу является амортизатором. Однако, по сравнению с амортизаторами, буферы хода сжатия телескопических стоек легче удлиняются и сжимаются вручную.

Недостаточное сопротивление стоек подвески

Проверки
Операция
Проверьте давление воздуха в шинах.
Отрегулируйте давление воздуха в шинах до значения, указанного в табличке с техническими данными шин.
Проверьте, каковы условия нагружения автомобиля при обычной эксплуатации.
Выясните у владельца автомобиля, известны ли ему нормальные условия загрузки.
Проверьте эффективность буфера хода сжатия телескопической стойки при сжатии и отбое.
Резко надавите на угол бампера, ближайший к проверяемому буферу хода сжатия телескопической стойки, а затем отпустите.
Сравните сжатие и отбой с имеющимися на другом таком же автомобиле, не имеющем неисправностей.
Замените буфер хода сжатия телескопической стойки, если потребуется.

Стойки шумят

Проверки
Операция
Проверьте, хорошо ли закреплены узлы крепления и нет ли у них повреждений.
Затяните буфер хода сжатия телескопической стойки. Замените буфер хода сжатия телескопической стойки, если потребуется.
Проверьте эффективность буфера хода сжатия телескопической стойки при сжатии и отбое.
Резко надавите на угол бампера, ближайший к проверяемому буферу хода сжатия телескопической стойки, а затем отпустите.
Сравните сжатие и отбой с имеющимися на другом таком же автомобиле, не имеющем неисправностей.
Замените буфер хода сжатия телескопической стойки, если потребуется.

Утечки

Проверки
Операция
Проверьте, нет ли каких-либо следов утечки жидкости.
Буфер хода сжатия телескопической стойки исправен.
Проверьте крышку уплотнения на полностью вытянутой стойке.
Замените буфер хода сжатия телескопической стойки.
Проверьте, нет ли излишка жидкости в буфере хода сжатия телескопической стойки.
Замените буфер хода сжатия телескопической стойки.

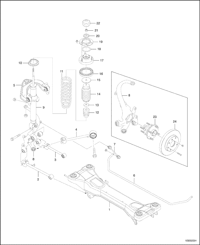
РАСПОЛОЖЕНИЕ КОМПОНЕНТОВ

Задняя подвеска


V3B32D01
Показать иллюстрациюПеревод текста в иллюстрациях


  1. Задний мост
  2. Передний параллельный рычаг
  3. Задний параллельный рычаг
  4. Продольный рычаг задней подвески
  5. Верхний рычаг
  6. Штанга стабилизатора
  7. Стойка стабилизатора
  8. Кулак задней подвески
  9. Стойка задней подвески
  10. Нижний изолятор пружины задней подвески
  11. Пружина задней подвески
  12. Буфер с отверстием
  13. Ограничитель хода буфера
  14. Пылезащитный чехол задней подвески
  15. Шайба
  16. Верхний изолятор пружины задней подвески
  17. Опора стойки задней подвески
  18. Кольцо
  19. Изолятор задней стойки
  20. Шайба
  21. Гайка
  22. Колпак опоры задней стойки
  23. Узел задней ступицы
  24. Задний дисковый тормоз

ТЕХНИЧЕСКОЕ ОБСЛУЖИВАНИЕ И РЕМОНТ

РАБОТЫ, ВЫПОЛНЯЕМЫЕ НА АВТОМОБИЛЕ



V3B32D02
Показать иллюстрациюПеревод текста в иллюстрациях


Стойка стабилизатора задней подвески

Порядок снятия

  1. Приподнимите автомобиль и установите его на предусмотренные для этого опоры.
  2. Снимите гайку крепления штанги стабилизатора к стойке стабилизатора и гайку крепления штанги к телескопической стойке.
  3. Снимите стойку стабилизатора задней подвески.


V3B32D03
Показать иллюстрациюПеревод текста в иллюстрациях


Порядок установки

  1. Установите с помощью соответствующих гаек стойку стабилизатора на штангу стабилизатора задней подвески и штангу на телескопической стойке.
  2. Затянуть
    Затяните гайки крепления стойки стабилизатора на штанге стабилизатора задней подвески и штанги на телескопической стойке до достижения момента 50 Н•м (37 фунт-фут).



V3B32D04
Показать иллюстрациюПеревод текста в иллюстрациях


Штанга стабилизатора задней подвески

Порядок снятия

  1. Приподнимите автомобиль и установите его на предусмотренные для этого опоры.
  2. Снимите стойку стабилизатора задней подвески. См. в этой части раздел "Стабилизатор задней подвески".
  3. Снимите болт крепления штанги стабилизатора задней подвески, хомут и втулку.


V3B32D05
Показать иллюстрациюПеревод текста в иллюстрациях


Порядок установки

  1. Установите болт крепления штанги стабилизатора задней подвески, хомут и втулку.
  2. Затянуть
    Затяните болт крепления штанги стабилизатора задней подвески до достижения момента 50 Н•м (37 фунт-фут).

  3. Установите стойку стабилизатора задней подвески. См. в этой части раздел "Стабилизатор задней подвески".


V3B32D06
Показать иллюстрациюПеревод текста в иллюстрациях


Передний параллельный рычаг

Порядок снятия

  1. Приподнимите автомобиль и установите его на предусмотренные для этого опоры.
  2. Снимите задние колеса.
  3. Снимите болт крепления заднего параллельного рычага к кулаку и болт крепления к задней поперечине.
  4. Снимите задний параллельный рычаг.


V3B32D07
Показать иллюстрациюПеревод текста в иллюстрациях


Порядок установки

  1. Установите болт крепления переднего параллельного рычага к кулаку и болт крепления кулачка к задней поперечине.
  2. Затянуть
    Затяните болт крепления переднего параллельного рычага к кулаку до достижения момента 110 Н•м (81 фунт-фут).

  3. Отрегулируйте схождение задних колес, если потребуется. См. Часть 2B. Регулировка углов установки колес.
  4. Затяните болт переднего параллельного рычага.
  5. Затянуть
    Затяните болт кулачка до достижения момента 80 Н•м (59 фунт-фут).



V3B32D08
Показать иллюстрациюПеревод текста в иллюстрациях


Задний параллельный рычаг

Порядок снятия

  1. Приподнимите автомобиль и установите его на предусмотренные для этого опоры.
  2. Снимите задние колеса.
  3. Снимите задний параллельный рычаг.
  4. Отверните гайку крепления штанги стабилизатора к стойке стабилизатора


V3B32D09
Показать иллюстрациюПеревод текста в иллюстрациях


Порядок установки

  1. Установите задний параллельный рычаг с болтом крепления к кулаку и болт крепления к задней поперечине.
  2. Затянуть
    Затяните болт крепления заднего параллельного рычага к кулаку и болт крепления к задней поперечине до достижения момента 110 Н•м (81 фунт-фут).



V3B32D10
Показать иллюстрациюПеревод текста в иллюстрациях


Продольный рычаг

Порядок снятия

  1. Приподнимите автомобиль и установите его на предусмотренные для этого опоры.
  2. Снимите задние колеса.
  3. Снимите болт крепления продольного рычага к кулаку и болты кронштейна продольного рычага.
  4. Снимите продольный рычаг.


V3B32D11
Показать иллюстрациюПеревод текста в иллюстрациях


Порядок установки

  1. Установите продольный рычаг с болтом крепления к кулаку и болты кронштейна продольного рычага.
  2. Затянуть
    Затяните болт крепления продольного рычага к кулаку до достижения момента 120 Н•м (89 фунт-фут) и болты кронштейна продольного рычага до достижения момента 90 Н•м (66 фунт-фут).



V3B32D12
Показать иллюстрациюПеревод текста в иллюстрациях


Кулак задней подвески

Порядок снятия

  1. Приподнимите автомобиль и установите его на предусмотренные для этого опоры.
  2. Снимите задние колеса.
  3. С помощью KM-507-B снимите гайку крепления верхнего рычага к кулаку задней подвески.


  4. V3B32D13
    Показать иллюстрациюПеревод текста в иллюстрациях


  5. Снимите передний и задний параллельные рычаги и продольный рычаг. См. в этой части раздел "Передний и задний параллельные рычаги и продольный рычаг".
  6. Снимите ступицу. См. Часть 4Е. Задние тормоза.
  7. Снимите болт крепления стойки к кулаку.
  8. Снимите кулак задней подвески.


V3B32D14
Показать иллюстрациюПеревод текста в иллюстрациях


Порядок установки

  1. Установите ступицу на кулак задней подвески. См. Часть 4Е. Задние тормоза.
  2. Установите передний и задний параллельные рычаги. См. в этой части раздел "Передний и задний параллельные рычаги и продольный рычаг".
  3. Установите гайку крепления верхнего рычага к кулаку задней подвески.
  4. Затянуть
    Затяните гайку крепления верхнего рычага к кулаку задней подвески до достижения момента 110 Н•м (81 фунт-фут).



V3B32D15
Показать иллюстрациюПеревод текста в иллюстрациях


Верхний рычаг

Порядок снятия

  1. Приподнимите автомобиль и установите его на предусмотренные для этого опоры.
  2. Снимите задние колеса.
  3. Снимите гайку крепления верхнего рычага к кулаку задней подвески.


  4. V3B32D16
    Показать иллюстрациюПеревод текста в иллюстрациях


  5. Снимите гайки крепления верхнего рычага к кузову.
  6. Снимите верхний рычаг.


V3B32D15
Показать иллюстрациюПеревод текста в иллюстрациях


Порядок установки

  1. Установите верхний рычаг, закрепив его гайками на кузове.
  2. Затянуть
    Затяните гайки крепления верхнего рычага к кузову до достижения момента 60 Н•м (44 фунт-фут).

  3. Установите гайку крепления верхнего рычага к кулаку задней подвески.
  4. Затянуть
    Затяните гайку крепления верхнего рычага к кулаку задней подвески до достижения момента 110 Н•м (81 фунт-фут).



V3B32D17
Показать иллюстрациюПеревод текста в иллюстрациях


Задняя стойка

Порядок снятия

  1. Приподнимите автомобиль и установите его на предусмотренные для этого опоры.
  2. Снимите задние колеса.
  3. Снимите нижнюю гайку крепления стойки задней подвески к кулаку.


  4. V3B32D18
    Показать иллюстрациюПеревод текста в иллюстрациях


  5. Снимите заднее сиденье и верхние гайки крепления стойки к кузову. См. Часть 9H. Сиденья.


V3B32D18
Показать иллюстрациюПеревод текста в иллюстрациях


Порядок установки

  1. Установите стойку задней подвески, прикрепив верхними гайками к кузову, и установите заднее сиденье. См. Часть 9H. Сиденья.
  2. Затянуть
    Затяните верхние гайки крепления стойки задней подвески к кузову до достижения момента 50 Н•м (37 фунт-фут).

  3. Установите нижнюю гайку крепления стойки задней подвески к кулаку.
  4. Затянуть
    Затяните нижнюю гайку крепления стойки задней подвески к кулаку до достижения момента 90 Н•м (66 фунт-фут)..



V3B32D19
Показать иллюстрациюПеревод текста в иллюстрациях


Задняя поперечина

Порядок снятия

  1. Приподнимите автомобиль и установите его на предусмотренные для этого опоры.
  2. Снимите задние колеса.
  3. Снимите задний глушитель. См. Часть 1G. Система выпуска отработавших газов.


  4. V3B32D20
    Показать иллюстрациюПеревод текста в иллюстрациях


    Внимание! Если поперечина при снятии не будет опираться на домкратную стойку, то это может привести к получению травмы.

  5. Снимите заднее сиденье и верхнюю гайку крепления стойки задней подвески к кузову. Следуйте соответствующим инструкциям, приведенным в данном разделе.


  6. V3B32D21
    Показать иллюстрациюПеревод текста в иллюстрациях


  7. Снимите болты и гайки задней поперечины.
  8. Снимите заднюю поперечину, опустив для этого домкратную стойку.


V3B32D17
Показать иллюстрациюПеревод текста в иллюстрациях


Порядок установки

  1. Установите заднюю поперечину с помощью болтов и гаек.
  2. Затянуть
    Затяните болты и гайки задней поперечины до достижения момента 110 Н•м (81 фунт-фут).

  3. Установите передний и задний параллельные рычаги и штангу стабилизатора. Следуйте соответствующим инструкциям, приведенным в данном разделе.


V3B34E10
Показать иллюстрациюПеревод текста в иллюстрациях


Задняя ступица и подшипник в сборе

Порядок снятия

  1. Приподнимите автомобиль и установите его на предусмотренные для этого опоры.
  2. Снимите задние колеса.


  3. V3B34E10
    Показать иллюстрациюПеревод текста в иллюстрациях


  4. Снимите суппорт заднего тормоза, задний дисковый тормоз и винт.


  5. V3B34E17
    Показать иллюстрациюПеревод текста в иллюстрациях


  6. Снимите гайки крепления задней ступицы к кулаку и заднюю ступицу.


V3B32E17
Показать иллюстрациюПеревод текста в иллюстрациях


Порядок установки

  1. Установите заднюю ступицу с гайками крепления к кулаку.
  2. Затянуть
    Затяните гайки крепления задней ступицы к кулаку до достижения момента 65 Н•м (48 фунт-фут).

  3. Установите задний дисковый тормоз и суппорт заднего тормоза.
  4. Затянуть
    Затяните болты суппорта заднего тормоза до достижения момента 45 Н•м (33 фунт-фут).



    V3B32E17
    Показать иллюстрациюПеревод текста в иллюстрациях


  5. Установите винт диска заднего тормоза.
  6. Затянуть
    Затяните винт диска заднего тормоза до достижения момента 4 Н•м (35 фунт-дюйм).

РЕМОНТ АГРЕГАТА



V3B32D24
Показать иллюстрациюПеревод текста в иллюстрациях


Амортизатор задней подвески

Необходимое оборудование

Приспособление для сжатия пружин KM-329-A

Порядок разборки

  1. Снимите заднюю телескопическую стойку с автомобиля. См. в этой части раздел "Телескопическая стойка в сборе" .
  2. Установите телескопическую стойку в сборе в приспособление для сжатия пружин KM-329-A. Обеспечьте надежную установку захватов на пружине.


  3. V3B32D25
    Показать иллюстрациюПеревод текста в иллюстрациях


  4. Сожмите пружину.
  5. Снимите контргайку со штока буфера хода сжатия телескопической стойки.


  6. V3B32D26
    Показать иллюстрациюПеревод текста в иллюстрациях


  7. Извлеките стойку из приспособления для сжатия пружин и снимите опору задней стойки, верхний изолятор пружины, пылезащитный чехол, буфер с отверстием, винтовую пружину и нижний изолятор пружины задней стойки.


V3B32D26
Показать иллюстрациюПеревод текста в иллюстрациях


Порядок сборки

  1. Установите на заднюю стойку в сборе нижний изолятор пружины, винтовую пружину, буфер с отверстием, пылезащитный чехол, верхний изолятор пружины и опору задней стойки.


  2. V3B32D25
    Показать иллюстрациюПеревод текста в иллюстрациях


  3. Сожмите пружину.
  4. Установите контргайку на шток буфера хода сжатия телескопической стойки.
  5. Извлеките телескопическую стойку в сборе из приспособления для сжатия пружин KM-329-A.

Ступица и подшипник

Подшипники задних ступиц не подлежат обслуживанию отдельно от ступицы. Поэтому ступицу и подшипник следует заменять в сборе.

ОБЩЕЕ ОПИСАНИЕ И ФУНКЦИОНИРОВАНИЕ СИСТЕМ

Задняя подвеска

Задняя подвеска является полностью независимой и включает в себя поперечину с четырьмя параллельными рычагами, два продольных рычага, две телескопических стойки в сборе с цилиндрическими пружинами и изоляторами, а также два кулака, на которых расположены ступицы с подшипниками в сборе. Стойки в сборе воспринимают вес автомобиля через цилиндрические пружины, установленные вокруг буферов хода сжатия телескопических стоек.
Цилиндрические пружины опираются на изоляторы, прикрепленные к верхней опоре и нижней опорной чашке пружины стоек в сборе. Параллельные рычаги и кронштейн продольного рычага снабжены на концах втулками с резиновыми изоляторами и прикреплены к поперечине и к кулаку. На каждом заднем параллельном рычаге имеется резьбовой регулятор схождения задних колес. Продольные рычаги прикреплены к кузову (с помощью кронштейна) и к кулаку. Кованый кулак прикреплен болтом к телескопической стойке в сборе.
Боковое перемещение кулака контролируется параллельными рычагами. Перемещение кулака вперед и назад контролируется продольным рычагом.


На предыдущую страницуНа следующую страницу
Главная страница сайта