Руководство по техническому обслуживанию2005 Evanda ОБЩЕЕ ОПИСАНИЕ И РАБОТА СИСТЕМЫК началу документа
Evanda
На предыдущую страницуНа следующую страницу
Главная страница GMDEЗагрузить нединамическое оглавлениеЗагрузить динамическое оглавлениеПомощь

ОБЩЕЕ ОПИСАНИЕ И РАБОТА СИСТЕМЫ

Общее описание системы

Антиблокировочная тормозная система (АБС) MGH-25 предназначена для сведения к минимуму проскальзывания колес при резком торможении. MGH-25 выполняет эту функцию путем постоянного измерения скорости каждого колеса и независимого регулирования давления тормозной жидкости, поступающей к каждому колесу при торможении. Это позволяет водителю сохранить путевую устойчивость и улучшает управляемость.

Необходимые базовые знания

Приступая к работе с этим разделом, вы должны обладать необходимыми знаниями в следующих областях. Без этих основных знаний использование диагностических процедур, описанных в этом разделе, будет затруднено.

Компоненты системы АБС

Антиблокировочная тормозная система (АБС) MGH-25 состоит из обычной гидравлической тормозной системы плюс антиблокировочные элементы. В состав обычной тормозной системы входят вакуумный усилитель, главный цилиндр, передние дисковые тормоза, задние барабанные тормоза, соединительные тормозные трубки и шланги, датчик уровня тормозной жидкости и контрольная лампа тормоза.
В состав АБС входят гидравлический блок, HECU (контроллер гидравлического блока), плавкий предохранитель системы, четыре датчика скорости колес (по одному на каждое колесо), соединительные провода, индикатор АБС, индикатор DDRP (система раздельного динамического распределения тормозных усилий на задних колесах), подключенный к контрольной лампе стояночного тормоза, и задние барабанные тормоза. См. "Расположение компонентов АБС" в этом разделе.
Гидравлический блок, вместе с присоединенным к нему контроллером тормозной системы EBCM, расположен между расширительным бачком и перегородкой, отделяющей моторный отсек от салона, с левой стороны автомобиля.
Гидравлический блок в основном состоит из запорных клапанов, двух электромагнитных клапанов для каждого колеса, гидравлического насоса, двух аккумуляторов. Для предотвращения блокировки колес гидравлический блок регулирует давление жидкости, подаваемой к тормозным механизмам передних и задних колес.

Базовый режим торможения

Основной схемой построения антиблокировочной тормозной системы (АБС) MGH-25, используемой для данного автомобиля, является схема с диагональным расщеплением. Один контур подает давление от главного цилиндра к тормозным механизмам переднего правого и заднего левого колеса, а второй контур подает давление к тормозным механизмам переднего левого и заднего правого колеса. Все клапаны гидравлического модулятора находятся в обычном положении, питание на них не подается. См. схемы в подразделе "Компоненты системы АБС" этого раздела.

T4B34F50
Показать иллюстрациюПеревод текста в иллюстрациях


MCP: выход главного цилиндра в первый тормозной контур
MCS: выход главного цилиндра во второй тормозной контур
NO: нормально открытый электромагнитный клапан
NC: нормально закрытый электромагнитный клапан
M: электродвигатель
LPA: аккумулятор низкого давления
HPA: аккумулятор высокого давления

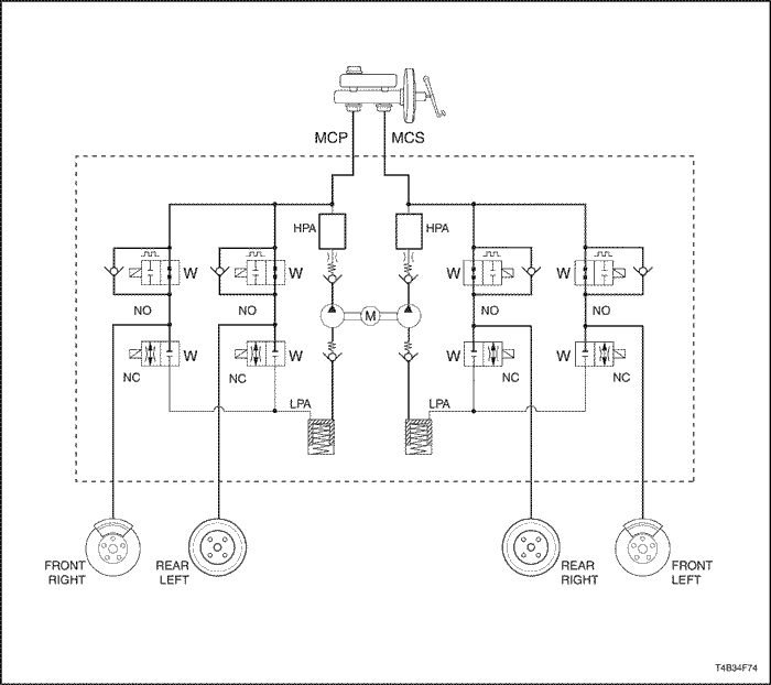
Антиблокировочный режим торможения - нажатие педали

Если в процессе поддержания постоянного давления или при его уменьшении ECU (блок электронного управления) обнаружит, что проскальзывание какого-либо колеса уменьшилось, то ECU увеличит давление, подаваемое на тормозной механизм этого колеса от главного цилиндра. Нормально открытый клапан (NO) открыт, а нормально закрытый (NC) закрыт, после чего давление от главного цилиндра может быть подано на тормозной механизм колеса.

T4B34F74
Показать иллюстрациюПеревод текста в иллюстрациях


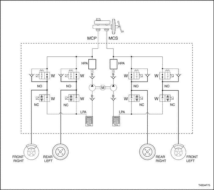
Антиблокировочный режим торможения - удержание давления

Когда блок ECU обнаруживает проскальзывание колеса, он закрывает нормально открытый клапан (NO) и оставляет закрытым нормально закрытый клапан (NC) в модуляторе тормозного давления, чтобы изолировать систему. Благодаря этому давление на тормозе остается постоянным и гидравлическое давление не увеличивается и не уменьшается.

T4B34F75
Показать иллюстрациюПеревод текста в иллюстрациях


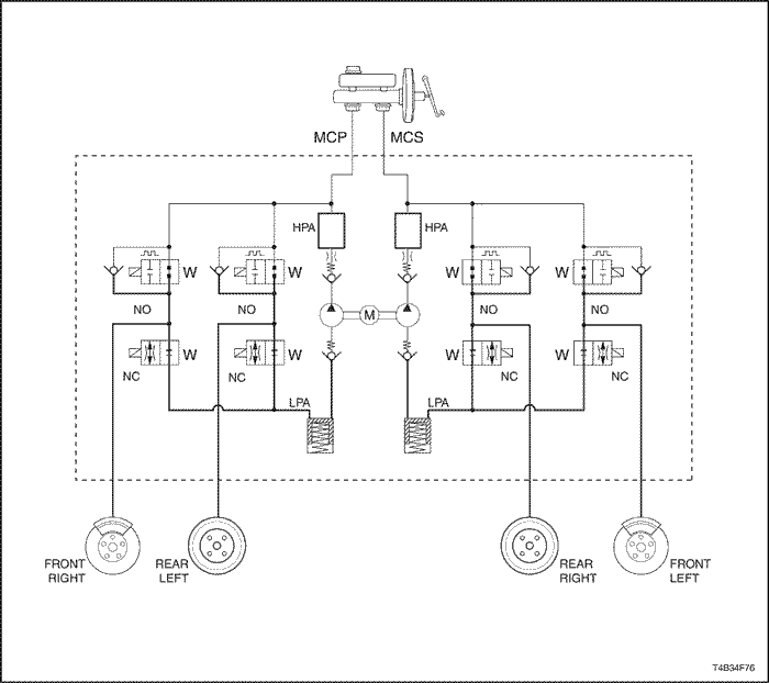
Антиблокировочный режим торможения - снижение давления

Если в режиме поддержания постоянного давления блок ECU продолжает обнаруживать проскальзывание колеса, то HECU уменьшит давление на этом колесе. Нормально открытый клапан (NO) остается закрытым, а нормально закрытый клапан (NC) открывается. Излишек жидкости / избыточное давление временно поступает в аккумулятор, находящийся в модуляторе тормозного давления, где сохраняется до тех пор, пока у насоса не появляется возможность вернуть жидкость в бачок главного цилиндра.

T4B34F76
Показать иллюстрациюПеревод текста в иллюстрациях


DDRP (система раздельного динамического распределения тормозных усилий на задних колесах)

DDRP (система раздельного динамического распределения тормозных усилий на задних колесах) представляет собой дозирующую систему, предназначенную для поддержания устойчивости автомобиля при торможении. В нормальных условиях торможения для всех колес должна поддерживаться одинаковая скорость, что необходимо для эффективного и сбалансированного торможения. При резком торможении для задних колес требуется сравнительно меньшее тормозящее усилие, поскольку вес автомобиля действует на его переднюю часть. Система DDRP поддерживает требуемое давление в тормозной системе для задних колес путем использования впускного и выпускного клапанов АБС с целью обеспечения эффективного торможения и устойчивости автомобиля. В системе DDRP электропитание на задний электромагнитный клапан поддержания давления подается от системы зажигания. Красная контрольная лампа тормоза загорается при возникновении следующих неисправностей.

Неисправности DDRP (система раздельного динамического распределения тормозных усилий на задних колесах)

.
.
DDRP
Устройство
Предполагаемая неисправность
Контрольная лампа АБС
Контрольная лампа тормоза
Функционирование DDRP
Датчик правый передний
Замыкание или обрыв
Горит
-
Ухудшено
Датчик левый передний
Замыкание или обрыв
Горит
-
Ухудшено
Датчик правый задний
Замыкание или обрыв
Горит
-
Ухудшено
Датчик левый задний
Замыкание или обрыв
Горит
-
Ухудшено
Два датчика, один мост
Замыкание или обрыв
Горит
Горит
Отключена
Один передний и один задний датчик
Замыкание или обрыв
Горит
-
Ухудшено
Электродвигатель
Замыкание на "массу" - сторона низкого напряжения
Горит
-
Ухудшено
Замыкание на "массу" - сторона высокого напряжения
Горит
-
Ухудшено
Замыкание на аккумулятор - сторона низкого напряжения
Горит
-
Ухудшено
Замыкание на аккумулятор - сторона высокого напряжения
-
-
Нет
Обрыв цепи электродвигателя
Горит
-
Ухудшено
Электродвигатель остановился
Горит
-
Ухудшено
Передние электромагнитные клапаны подачи давления
Замыкание или обрыв
Горит
-
Ухудшено
Передние электромагнитные клапаны отключения давления
Замыкание или обрыв
Горит
-
Ухудшено
Задние электромагнитные клапаны подачи давления
Замыкание или обрыв
Горит
-
Ухудшено
Задние электромагнитные клапаны отключения давления
Замыкание или обрыв
Горит
Горит
Ухудшено
Реле системы
Обрыв (невозможно включить)
Горит
-
Ухудшено
Замыкание (невозможно выключить)
-
-
Нет
Аккумулятор 2 (электродвигатель)
Замыкание на "массу"
Горит
Горит
Ухудшено
Обрыв
-
-
Низкое напряжение
"Масса" (электродвигатель)
Обрыв или замыкание на аккумулятор
Горит
-
Отключена
Аккумулятор 1 (ECU, электромагнитные клапаны)
Обрыв или замыкание на "массу"
Горит
Горит
Отключена
"Масса" ((ECU, электромагнитные клапаны)
Обрыв или замыкание на аккумулятор
Горит
Горит
Отключена
Зажигание
Обрыв или замыкание на "массу"
Горит
Горит
Отключена
Выключатель контрольной лампы тормоза
Не применимо
-
-
Отключена
Порт последовательной передачи данных
Замыкание или обрыв
Горит
Горит
Отключена

HECU (контроллер гидравлического блока)

Контроллер HECU выполняет следующие основные функции:
с целью обеспечения эффективного торможения и устойчивости автомобиля. В системе DDRP электропитание на задний электромагнитный клапан поддержания давления подается от системы зажигания. Красная контрольная лампа тормоза загорается при возникновении следующих неисправностей.
HECU непрерывно определяет скорость каждого из колес, чтобы определить начало проскальзывания. В случае обнаружения тенденции какого-либо из колес к проскальзыванию, HECU подает команду на соответствующие клапаны, чтобы изменить давление тормозной жидкости в части гидравлических контуров или во всех, исключив таким образом проскальзывание колеса и обеспечив оптимальное торможение. HECU продолжает контролировать давление в гидравлических контурах до тех пор, пока тенденция к проскальзыванию не исчезнет. Кроме того, HECU непрерывно контролирует функционирование АБС. В случае обнаружения ошибки, HECU может отключить АБС и включить контрольную лампу АБС на комбинации приборов. HECU также контролирует отображение диагностических кодов неисправности при работе в диагностическом режиме.

Реле электромагнитных клапанов

Реле электромагнитных клапанов подает питание на электродвигатель насоса и на электромагнитные клапаны. Контакт, имеющийся в реле, является нормально открытым, но закрывается по команде, поступающей во время инициализации. Этот контакт реле будет оставаться замкнутым в течение оставшейся части поездки до тех пор, пока в память не будет записан какой-либо диагностический код неисправности, требующий размыкания этого контакта. Если в память будет записан диагностический код неисправности, требующий подачи команды на выключение реле, то подача напряжения от аккумулятора на электродвигатель насоса и электромагнитные клапаны прекратится на всю оставшуюся часть поездки и АБС не сможет функционировать. Реле является составной частью HECU и отдельно не обслуживается.

Датчики скорости колес и зубчатые кольца

Датчик скорости колеса имеется на каждом из колес. Датчики передают информацию о скорости колес в HECU при помощи сигналов небольшого напряжения переменного тока. Сигнал передается в HECU при помощи интерфейса, который может стать причиной поступления в HECU ложных сигналов датчиков скорости, вызванных, в частности, влиянием электромагнитных помех.

Контрольная лампа АБС (ЖЕЛТАЯ)

Контрольная лампа АБС находится на комбинации приборов и загорается при обнаружении неисправности АБС блоком HECU. Контрольная лампа АБС информирует водителя о наличии неисправности, ставшей причиной выключения АБС. Если горит только контрольная лампа АБС, то торможение можно выполнять в нормальном режиме, включая и использование усилителя.
Контрольная лампа АБС загорается в следующих случаях.

Контрольная лампа тормоза (КРАСНАЯ)

Красная контрольная лампа тормоза находится на комбинации приборов и загорается, чтобы предупредить водителя о неисправности тормозной системы, которая может стать причиной ухудшения работы тормозов. Лампочка будет гореть при включении стояночного тормоза или неполном отключении, или же если замкнется датчик уровня тормозной жидкости (при слишком низком уровне тормозной жидкости в бачке главного цилиндра). При замыкании датчика уровня тормозной жидкости (слишком низкий уровень) контрольная лампа тормоза будет гореть до тех пор, пока причина загорания не будет устранена. Кроме того, при некоторых неисправностях в системе MGH-25, лампочка также будет загораться, давая водителю знать, что система DDRP (система раздельного динамического распределения тормозных усилий на задних колесах) отключена.


На предыдущую страницуНа следующую страницу
Главная страница сайта