Руководство по техническому обслуживанию2006 Evanda АВТОМАТИЧЕСКАЯ КОРОБКА ПЕРЕДАЧ С ГЛАВНОЙ ПЕРЕДАЧЕЙ В СБОРЕ ZF 4 HP 16К началу документа
Evanda
На предыдущую страницуНа следующую страницу
Главная страница GMDEЗагрузить нединамическое оглавлениеЗагрузить динамическое оглавлениеПомощь

РАЗДЕЛ 5A

АВТОМАТИЧЕСКАЯ КОРОБКА ПЕРЕДАЧ С ГЛАВНОЙ ПЕРЕДАЧЕЙ В СБОРЕ ZF 4 HP 16

Внимание! Необходимо отсоединять отрицательный провод аккумулятора перед снятием или установкой любого электрического устройства, а также в тех случаях, когда возможно соприкосновение инструмента или оборудования с открытыми электрическими контактами. Отсоединение этого провода поможет избежать несчастного случая, а также повреждения автомобиля. Необходимо также, чтобы зажигание находилось в положении LOCK, если не будет требоваться иное.

ВВЕДЕНИЕ

АВТОМАТИЧЕСКАЯ КОРОБКА ПЕРЕДАЧ С ГЛАВНОЙ ПЕРЕДАЧЕЙ В СБОРЕ ZF 4HP 16

ZF 4 HP 16 - это четырехступенчатая коробка передач для переднеприводных автомобилей с поперечно установленным двигателем.
Коробка передач имеет в своем составе гидротрансформатор с блокировочной муфтой.
Планетарная зубчатая передача определяет механическое передаточное отношение. Передаточное число КПП может изменяться в зависимости от мощности двигателя веса автомобиля, на котором она установлена. Электрогидроуправление делает возможным контролируемое переключение передач при невыключенном сцеплении и применение различных программ переключения. Если рычаг переключения передач находится в положении "Р", происходит механическое блокирование вторичного вала.
Особенностью данной коробки передач является, то, что она работает без муфты свободного хода. Переключение передач происходит посредством частичного перекрытия моментов включения и выключения фрикционных муфт.
Преимущество такого переключения заключается в следующем:
- КПП более компактна и легче из-за отсутствия муфт свободного хода и меньшего количества элементов, участвующих в процессе переключения передач.
- Ниже потери на трение, т.е. более высокий КПД.
- Снижены пиковые нагрузки на элементы КПП и привода колес.
Однако переключение передач с частичным перекрытием моментов включения и выключения муфт требует высокопроизводительного аппаратного и программного обеспечения, а также точных сигналов от двигателя.

Элементы коробки передач


V3B35A01
Показать иллюстрациюПеревод текста в иллюстрациях


ТЕХНИЧЕСКИЕ ХАРАКТЕРИСТИКИ

Общие технические характеристики

.
Определение
Тип КПП
4-ступенчатая для полного привода и поперечного двигателя
Крутящий момент на входе
240 Н•м (177 фунт/фут)
Вес коробки передач
76 кг (168 фунтов)
Мощность гидротрансформатора
9,72 кг (21,4 фунта)
Тип жидкости для коробки передач (производитель)
ESSO LT 71141 или TOTAL ATF H50235
Объем жидкости для коробки передач
7,3 ± 0,2 кв. (6,9 ± 0,2 л)

Передаточное число

Передача
Передаточное число
Первая
2.719
Вторая
1.487
Третья
1.000
Четвертая
0.717
Задняя
2.529
Главная пара
3,945:1 (2,0 л с двумя распредвалами верхнего расположения)

Заправочные объемы

.
Литров
Кварт
Снятие поддона
4
4.2
Капитальный ремонт
6.9 ± 0.2
7.3 ± 0.2
Снятие гидротрансформатора
2
2.1
(Указаны примерные величины)

МОМЕНТЫ ЗАТЯЖКИ РЕЗЬБОВЫХ СОЕДИНЕНИЙ

Диапазон
Н•м
Фунт-фут
Фунт-дюйм
Болты крепления упорной пластины
23.5
17.5
-
Корончатая гайка
220
162
-
Крепежные болты задней крышки
23.5
17.5
-
Крепежные болты порога гидротрансформатора
10
-
89
Переключатель положения парковка/нейтраль
10
-
89
Соединительные болты насоса для подачи жидкости
10
-
89
Болты крепления крышки на корпусе фильтра жидкости
10
-
89
Крепежные болты датчика скорости первичного вала
8
-
71
Крепежные болты датчика скорости вторичного вала
8
-
71
Болты крепления клапанного механизма
8
-
71
Верхние и нижние болты крепления клапанного механизма
6
-
53
Соединительные болты поддона для жидкости
6
-
53
Спускное отверстие в поддоне для жидкости
45
33
-
Пробка отверстия для проверки уровня жидкости
45
33
-
Герметичные пробки трубопровода
20
15
-
Болты крепления крышки на корпусе клапана 1
6
-
53
Крепежные болты электромагнитного клапана
6
-
53
Крепежные болты регулятора давления (EDS)
6
-
53
Болты впускного патрубка масляного радиатора
35
26
-
Болты выпускного патрубка масляного радиатора
35
26
-
Контргайка регулятора троса управления переключением передач
8
-
71
Гайка крепления троса управления переключением передач
8
-
71
Верхние болты крепления коробки передач к двигателю
75
55
-
Рычаг переключения передач (на корпусе коробки передач)
15
11
-
Гайки крепления контроллера КПП
23
17
-
Болты крепления гидротрансформатора
45
33
-
Болт крепления механизма управления переключением передач
8
-
71
Нижние болты крепления коробки передач к двигателю (a)
75
55
-
Нижний болт крепления коробки передач к двигателю (b)
21
15
-
Нижние болты крепления коробки передач к двигателю (c)
31
23
-
Болты (a) и гайка крепления кронштейна передней подвески двигателя
90
66
-
Болты (b) и гайка крепления кронштейна передней подвески двигателя
80
59
-
Болт (c) крепления кронштейна передней подвески двигателя
65
48
-
Болты крепления заднего кронштейна коробки передач
65
48
-
Диапазон
Парковка/
Нейтраль
Задняя
D
3
2
1
Передача
N
R
1-я
2-я
3-я
4-я
1-я
2-я
3-я
1-я
2-я
1-я
Электромагнитный клапан 1
Вкл.
Вкл./
Выкл.
Вкл./
Выкл.
Вкл./
Выкл.
Вкл./
Выкл.
Вкл./
Выкл.
Вкл./
Выкл.
Вкл./
Выкл.
Вкл./
Выкл.
Вкл./
Выкл.
Вкл./
Выкл.
Вкл./
Выкл.
Электромагнитный клапан 2
Вкл.
Вкл.
Вкл.
Выкл.
Выкл.
Выкл.
Вкл.
Выкл.
Выкл.
Вкл.
Выкл.
Вкл.
Электромагнитный клапан-регулятор давления 3 (EDS 3)
Выкл.
Выкл.
Выкл.
Вкл.
Вкл./
Выкл.
Вкл./
Выкл.
Выкл.
Вкл.
Вкл./
Выкл.
Выкл.
Вкл.
Выкл.
Электромагнитный клапан-регулятор давления 4 (EDS 4)
Вкл.
Выкл.
Вкл.
Вкл.
Вкл.
Выкл.
Вкл.
Вкл.
Вкл.
Вкл.
Вкл.
Вкл.
Электромагнитный клапан-регулятор давления 5 (EDS 5)
Выкл.
Выкл.
Вкл.
Вкл.
Выкл.
Выкл.
Вкл.
Вкл.
Выкл.
Вкл.
Вкл.
Вкл.
Электромагнитный клапан-регулятор давления 6 (EDS 6)
Вкл.
Выкл.
Вкл.
Вкл.
Вкл.
Выкл.
Вкл.
Вкл.
Вкл.
Вкл.
Вкл.
Вкл.
Тормоз B
A
A
A
.
A
.
A
.
A
A
.
A
Тормоз C
.
.
.
.
.
Н
.
.
.
.
.
.
Тормоз D
.
Н
.
.
.
.
.
.
.
.
.
.
Муфта E
.
.
.
A
A
A
.
A
A
.
A
.
Тормоз F
.
.
Н
Н
.
.
Н
Н
.
Н
Н
Н
Блокировочная муфта
.
.
.
.
.
A
.
.
.
.
.
.
А = включено
Н = выключено
Вкл. = электромагнитный клапан под напряжением.
Выкл. = электромагнитный клапан обесточен.
** = Ручное переключение со второй передачи на третью возможно только на скорости более примерно 100 км/ч (62 миль/ч).
*** = Ручное переключение с первой передачи на вторую возможно только на скорости более примерно 60 км/ч (37 миль/ч).

Примечание: Для безопасности также возможно переключение с первой передачи на третью на высокой скорости.

Схема переключения передач в зависимости от скорости автомобиля

Скорость при повышении передачи

МОДЕЛЬ
Первая-вторая передача(±3,0 миль/ч (4,8 км/ч))
Вторая-третья передача (±4,0 миль/ч (6,4 км/ч))
Третья-четвертая (±5,0 миль в час (8 км/ч))
10%
ПДЗ
25%
ПДЗ
50%
ПДЗ
100%
ПДЗ
10%
ПДЗ
25%
ПДЗ
50%
ПДЗ
100%
ПДЗ
10%
ПДЗ
25%
ПДЗ
50%
ПДЗ
100%
ПДЗ
2,0 л с двумя распредвалами верхнего расположения
миль/ч (км/ч)
11 (18)
12 (20)
17 (28)
34 (54)
19 (31)
24 (38)
34 (54)
70 (112)
39 (63)
41 (66)
53 (85)
103 (165)

Скорость при понижении передачи

МОДЕЛЬ
Понижение передачи (±4,0 миль/ч (6,4 км/ч))
Блокировочная муфта включена
(Четвертая)
Блокировочная муфта выключена
(Четвертая)
Четвертая-третья
(накатом)
Третья-вторая
(накатом)
Вторая-первая
(накатом)
10%
25%
10%
25%
2,0 л с двумя распредвалами верхнего расположения
миль/ч (км/ч)
29 (46)
15 (24)
7 (11)
48 (78)
48 (78)
39 (62)
40 (65)

Магистральное давление

Диапазон передач
Соленоид
Магистральное давление
Канал В
Канал Е
Парковка/ нейтраль
Вкл.
НИЗКОЕ
90~124,7 ф./кв.д.
(6,2~8,6 бар)
.
Выкл.
ВЫСОКОЕ
221,9~252,3 ф./кв.д.
(15,3~17,4 бар)
.
Задняя
Вкл.
НИЗКОЕ
89,9~124,7 ф./кв.д.
(6,2~8,6 бар)
.
Выкл.
ВЫСОКОЕ
221,9~252,3 ф./кв.д.
(15,3~17,4 бар)
.
Передний ход
Вкл.
НИЗКОЕ
.
90~124,7 ф./кв.д.
(6,2~8,6 бар)
Выкл.
ВЫСОКОЕ
.
137,7~162,4 ф./кв.д.
(9,5~11,2 бар)
3
Вкл.
НИЗКОЕ
90~124,7 ф./кв.д.
(6,2~8,6 бар)
90~124,7 ф./кв.д.
(6,2~8,6 бар)
Выкл.
ВЫСОКОЕ
221,9~252,3 ф./кв.д.
(15,3~17,4 бар)
137,7~162,4 ф./кв.д.
(9,5~11,2 бар)
2
Вкл.
НИЗКОЕ
.
90~124,7 ф./кв.д.
(6,2~8,6 бар)
Выкл.
ВЫСОКОЕ
.
137,7~162,4 ф./кв.д.
(9,5~11,2 бар)
1
Вкл.
НИЗКОЕ
90~124,7 ф./кв.д.
(6,2~8,6 бар)
.
Выкл.
ВЫСОКОЕ
221,9~252,3 ф./кв.д.
(15,3~17,4 бар)
.

СПЕЦИАЛЬНЫЕ ИНСТРУМЕНТЫ

ТАБЛИЦА СПЕЦИАЛЬНЫХ ИНСТРУМЕНТОВ


ST100
Показать иллюстрациюПеревод текста в иллюстрациях


Диагностический прибор

DW110060
Показать иллюстрациюПеревод текста в иллюстрациях


DW110-060
Кронштейн для подвески двигателя

DW260020
Показать иллюстрациюПеревод текста в иллюстрациях


DW260-020
Фиксирующее приспособление для коробки передач с главной передачей в сборе

DW260010
Показать иллюстрациюПеревод текста в иллюстрациях


DW260-010
Зажимное приспособление для коробки передач с главной передачей в сборе

DW260030
Показать иллюстрациюПеревод текста в иллюстрациях


DW260-030
Приспособление для установки сальника полуоси

DW260050
Показать иллюстрациюПеревод текста в иллюстрациях


DW260-050
Приспособление для установки переключателя положения парковка/нейтраль

DW260060
Показать иллюстрациюПеревод текста в иллюстрациях


DW260-060
Приспособление для демонтажа/установки разрезного упорного кольца тормоза F

DW260070
Показать иллюстрациюПеревод текста в иллюстрациях


DW260-070
Приспособление для демонтажа/установки пробки коробки передач с главной передачей в сборе

DW240010
Показать иллюстрациюПеревод текста в иллюстрациях


DW240-010
Универсальный манометр

DW260150
Показать иллюстрациюПеревод текста в иллюстрациях


DW260-150
Приспособление для демонтажа/установки упорного кольца муфты E

DW260140
Показать иллюстрациюПеревод текста в иллюстрациях


DW260-140
Приспособление для демонтажа/установки упорного кольца муфты B

DW260160
Показать иллюстрациюПеревод текста в иллюстрациях


DW260-160
Приспособление для демонтажа/установки пружинного стопорного кольца тормоза C/D

DW260080
Показать иллюстрациюПеревод текста в иллюстрациях


DW260-080
Измерительный прибор для установки прокладки муфты B/E

DW260120
Показать иллюстрациюПеревод текста в иллюстрациях


DW260-120
Регулировочное кольцо муфты B

DW260130
Показать иллюстрациюПеревод текста в иллюстрациях


DW260-130
Регулировочное кольцо муфты E

DW260100
Показать иллюстрациюПеревод текста в иллюстрациях


DW260-100
Приспособление для измерения толщины диска муфты В/Е

DW260090
Показать иллюстрациюПеревод текста в иллюстрациях


DW260-090
Приспособление для измерения муфты B/E (свободный ход пружинных стопорных колец, посадочное место)

DW260110
Показать иллюстрациюПеревод текста в иллюстрациях


DW260-110
Линейка для измерения зазора диска тормоза F

ПРИНЦИПИАЛЬНЫЕ И МОНТАЖНЫЕ СХЕМЫ

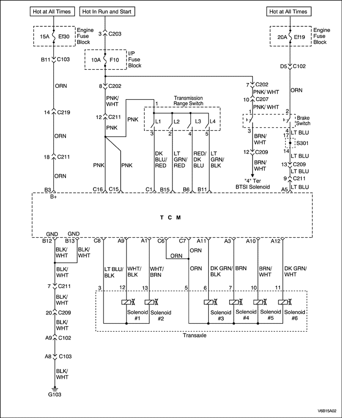
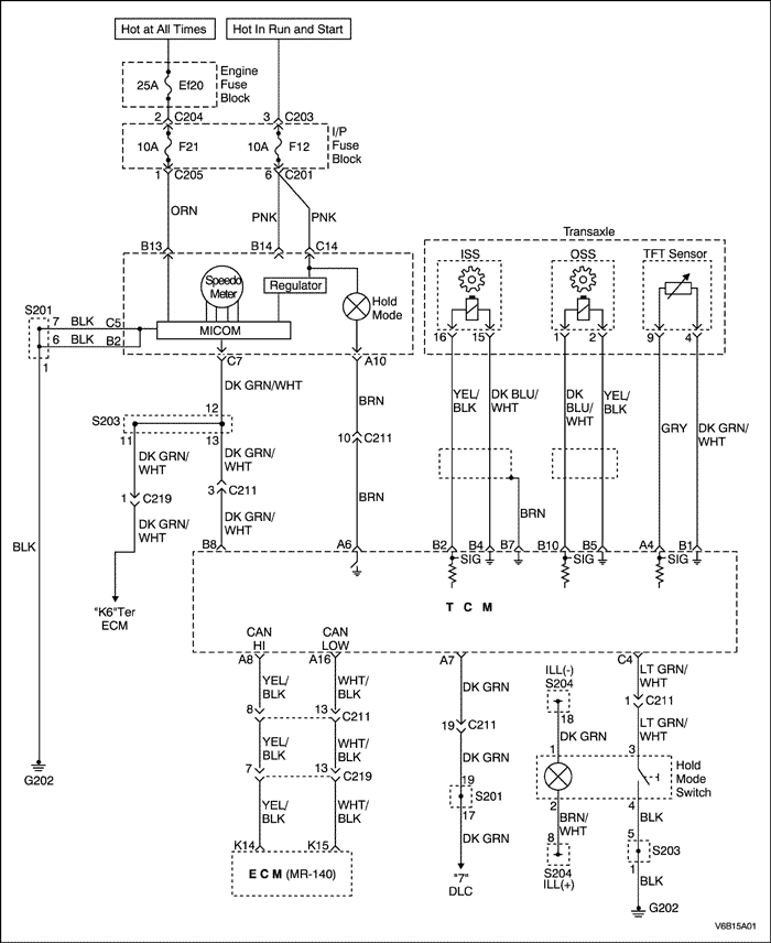
Контроллер коробки передач с главной передачей в сборе (1 из 2)


V6B15A01
Показать иллюстрациюПеревод текста в иллюстрациях


Контроллер коробки передач с главной передачей в сборе (2 из 2)


V6B15A02
Показать иллюстрациюПеревод текста в иллюстрациях


Схема режимов переключения

Экономичный режим (двигатель 2,0 л с двумя распредвалами верхнего расположения)


V3B15A16
Показать иллюстрациюПеревод текста в иллюстрациях


Блокировочная муфта включена (Экономичный режим; третья передача, четвертая передача) (двигатель 2,0 л с двумя распредвалами верхнего расположения)


V3B15A17
Показать иллюстрациюПеревод текста в иллюстрациях


Режим мощностного обогащения (двигатель 2,0 л с двумя распредвалами верхнего расположения)


V3B15A18
Показать иллюстрациюПеревод текста в иллюстрациях


Режим приостановки (двигатель 2,0 л с двумя распредвалами верхнего расположения)


V3B15A19
Показать иллюстрациюПеревод текста в иллюстрациях


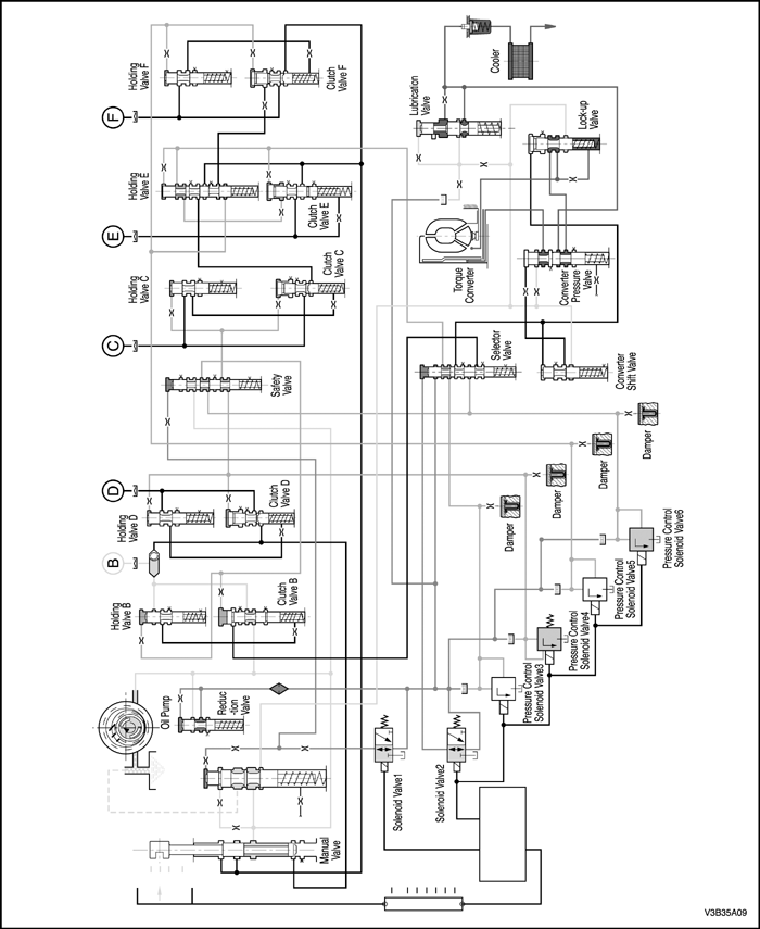
Схема передачи мощности

Парковка/ нейтраль


V3B35A09
Показать иллюстрациюПеревод текста в иллюстрациях


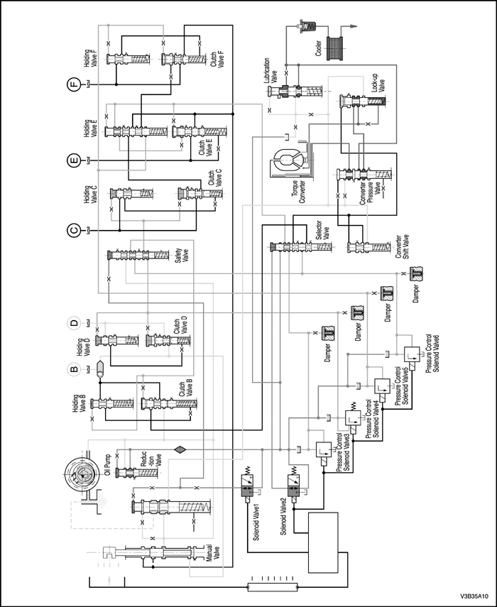
Парковка/ нейтраль

Когда рычаг переключения передач находится в положении "Парковка" или "Нейтраль" момент от двигателя на планетарный механизм КПП не передается. Масло нагнетается масляным насосом в клапанный механизм системы гидроуправления. Включается только сцепление В, а гидротрансформатор выключен.

Управление

Клапан контроля давления в трубопроводе

Клапан-регулятор давления поддерживает магистральное давление в клапанном механизме на необходимом уровне. В то время, когда не происходит переключение передач, магистральное давление изменяется между двумя уровнями, в зависимости от крутящего момента турбины. Со временем магистральное давление увеличивается линейно. Однако увеличение продолжается до определенного предела. По достижении данного предела излишнее масло вытесняется в масляный поддон.

Редукционный клапан

Редукционный клапан уменьшает магистральное давление, которое подается на расположенные за ним электромагнитные клапаны и электромагнитные клапаны-регуляторы давления (EDS). Это позволяет использовать менее мощные электромагнитные клапаны.
Магистральное давление нагнетается масляным насосом, после которого жидкость направляется к редукционному клапану. Входной канал редукционного клапана блокируется и в трубопроводе поддерживается необходимый уровень давления.

Электромагнитный клапан 1, 2

Электромагнитный клапан 1 регулирует магистральное давление (высокое и низкое), подаваемое на клапаны муфт. Электромагнитный клапан 1 имеет два состояния: включен или выключен. При включенном клапане давление в магистрали низкое [87~116 ф./кв.д. (6~8 бар)]. При выключенном клапане давление в магистрали высокое [232~261 ф./кв.д. (16~18 бар)].
Электромагнитный клапан 2 контролирует поток жидкости к клапану муфты Е или к клапану блокировочной муфты гидротрансформатора. При включенном соленоиде 2 жидкость подается на клапан блокировочной муфты гидротрансформатора, а при выключенном соленоиде - на клапан муфты Е.
Контроллер КПП отслеживает состояние нескольких входных сигналов и включает или выключает электромагнитные клапаны и выбирает передачи в соответствии с режимом движения автомобиля.
Если рычаг переключения передач находится в положении "Парковка" или "Нейтраль", электромагнитный клапан 1 включен и магистральное давление подается через него на предохранительный и регулирующий клапаны.

Муфта В включена

Если рычаг переключения передач находится в положении "Парковка" или "Нейтраль", электромагнитные клапаны 1 и 2 включены. При этом также включены регулирующие соленоиды (EDS) 4 и 6.
При включенном EDS 6 поступающая от редукционного клапана жидкость подается к предохранительному клапану, управляющему клапану муфты В и обратному клапану В. Масло, поступающее к входному каналу управляющего клапана муфты, подается под давлением к золотнику клапана. Затем магистральное давление подается на обратный и шаровой клапаны, и включается муфта B.

Блокировочная муфта (гидротрансформатора)

Соленоид 2 включен и золотник клапана регулировки давления в трубопроводе открывается. Теперь жидкость проходит через клапан давления гидротрансформатора.
В результате давление рабочей жидкости в зоне за поршнем блокировочной муфты гидротрансформатора равно давлению в зоне турбины. Поток проходит к камере турбины через вал турбины и свободное пространство позади поршня.

Смазка/охлаждение.

Смазывающий клапан в случае низкой скорости нагнетания подает охлаждающее масло в первую очередь в гидротрансформатор. Кроме того, этот клапан обеспечивает поступление необходимого количества охлаждающего и смазывающего масла через обводной контур.
Жидкость от гидротрансформатора поступает к радиатору через смазывающий клапан.

Задняя


V3B35A10
Показать иллюстрациюПеревод текста в иллюстрациях


Задняя

При включении заднего хода крутящий момент передается через первичный вал и муфту В. При этом работа коробки передач происходит следующим образом:

Управление

Муфта В включена

Магистральное давление, нагнетаемое масляным насосом, подается на муфту B через клапан выбора диапазона. Положение шарика в клапане изменяется, обеспечивая подачу давления на муфту В.

Тормоз D включен

Давление, включающее муфту В, также подается и на управляющий клапан тормоза D.
При включении задней передачи соленоид 1 включается, а EDS 4 выключается. В результате жидкость поступает от редукционного клапана на управляющий клапан тормоза D через EDS 4.
Золотник управляющего клапана тормоза D открывается, пропуская жидкость к обратному клапану тормоза D.

Блокировочная муфта (гидротрансформатора)

Соленоид 2 включен и золотник клапана регулировки давления в трубопроводе открывается. Теперь жидкость проходит через клапан давления гидротрансформатора.
В результате давление рабочей жидкости в зоне за поршнем блокировочной муфты гидротрансформатора равно давлению в зоне турбины. Поток проходит к камере турбины через вал турбины и свободное пространство позади поршня.

Смазка/охлаждение

Смазывающий клапан в случае низкой скорости нагнетания подает охлаждающее масло в первую очередь в гидротрансформатор. Кроме того, этот клапан обеспечивает поступление необходимого количества охлаждающего и смазывающего масла через обводной контур.
Жидкость от гидротрансформатора поступает к радиатору через смазывающий клапан.

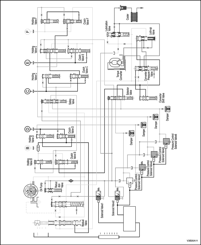
Передачи переднего хода - Первая передача


V3B35A11
Показать иллюстрациюПеревод текста в иллюстрациях


Передачи переднего хода - Первая передача

При включении 1-й передачи крутящий момент передается через первичный вал и муфту В. При этом работа коробки передач происходит следующим образом:

Управление

Муфта В включена

Если рычаг переключения передач находится в положении "Парковка" или "Нейтраль", электромагнитные клапаны 1 и 2 включены. При этом также включены регулирующие соленоиды (EDS) 4 и 6.
При включенном EDS 6 поступающая от редукционного клапана жидкость подается к предохранительному клапану, управляющему клапану муфты В и обратному клапану В. Масло, поступающее к входному каналу управляющего клапана муфты, подается под давлением к золотнику клапана. Затем магистральное давление подается на обратный и шаровой клапаны, и включается муфта B.

Муфта F включена

Включается EDS 5. Магистральное давление после прохождения через редукционный клапан, поступает к обратному клапану и управляющему клапану. В результате раскрывается золотник клапана.

Блокировочная муфта (гидротрансформатора)

Соленоид 2 включен и золотник клапана регулировки давления в трубопроводе открывается. Теперь жидкость проходит через клапан давления гидротрансформатора.
В результате давление рабочей жидкости в зоне за поршнем блокировочной муфты гидротрансформатора равно давлению в зоне турбины. Поток проходит к камере турбины через вал турбины и свободное пространство позади поршня.

Смазка/охлаждение

Смазывающий клапан в случае низкой скорости нагнетания подает охлаждающее масло в первую очередь в гидротрансформатор. Кроме того, этот клапан обеспечивает поступление необходимого количества охлаждающего и смазывающего масла через обводной контур.
Жидкость от гидротрансформатора поступает к радиатору через смазывающий клапан.

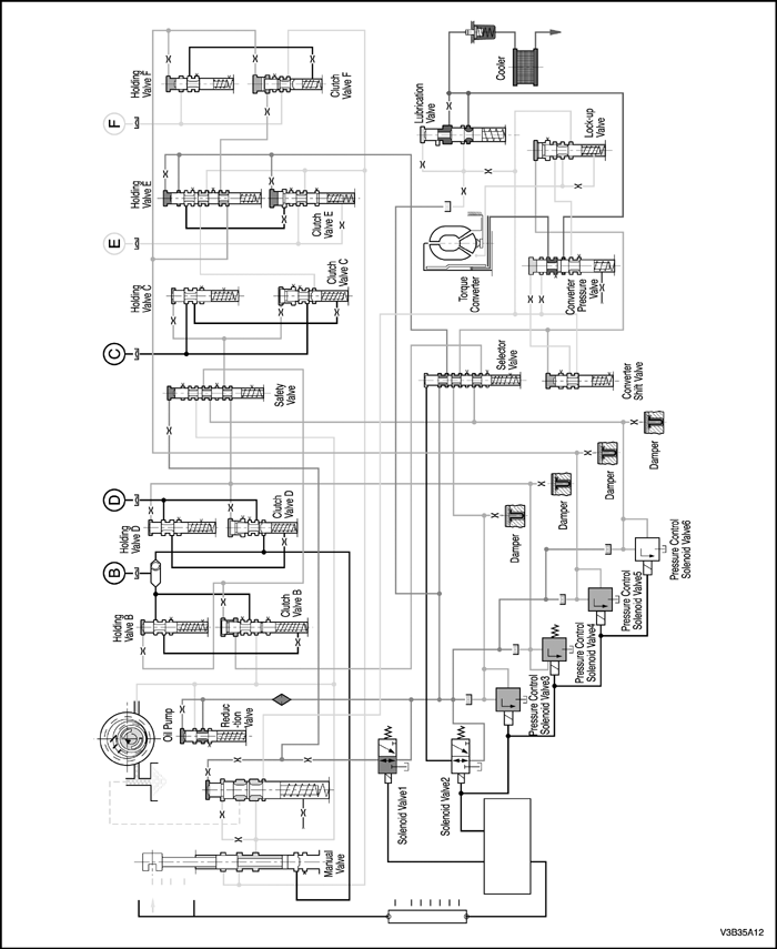
Передачи переднего хода - Вторая передача


V3B35A12
Показать иллюстрациюПеревод текста в иллюстрациях


Передачи переднего хода - Вторая передача

При включении 2-й передачи крутящий момент передается через первичный вал и муфту E. При этом работа коробки передач происходит следующим образом:

Управление

Муфта E включена

Соленоид 2 выключается. Магистральное давление после прохождения через редукционный клапан, поступает к управляющему клапану муфты E. Жидкость проходит через клапан, включая муфту E.

Муфта F включена

Включается EDS 5. Магистральное давление после прохождения через редукционный клапан, поступает к обратному клапану и управляющему клапану. В результате раскрывается золотник клапана.

Блокировочная муфта

Электромагнитный клапан 2 включен и золотник клапана-регулятора магистрального давления открывается. Теперь жидкость проходит через клапан давления гидротрансформатора.
В результате давление рабочей жидкости в зоне за поршнем блокировочной муфты гидротрансформатора равно давлению в зоне турбины. Поток проходит к камере турбины через вал турбины и свободное пространство позади поршня.

Смазка/охлаждение

Смазывающий клапан в случае низкой скорости нагнетания подает охлаждающее масло в первую очередь в гидротрансформатор. Кроме того, этот клапан обеспечивает поступление необходимого количества охлаждающего и смазывающего масла через обводной контур.
Жидкость от гидротрансформатора поступает к радиатору через смазывающий клапан.

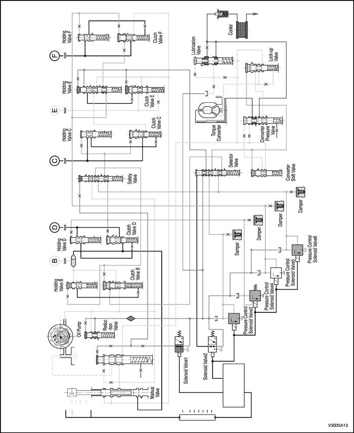
Передачи переднего хода - Третья передача


V3B35A13
Показать иллюстрациюПеревод текста в иллюстрациях


Передачи переднего хода - Третья передача

При включении 3-й передачи крутящий момент передается через первичный вал и муфты В и E. При этом работа коробки передач происходит следующим образом:

Управление

Муфта В включена

Если рычаг переключения передач находится в положении "Парковка" или "Нейтраль", электромагнитные клапаны 1 и 2 включены. При этом также включены регулирующие соленоиды (EDS) 4 и 6.
При включенном EDS 6 поступающая от редукционного клапана жидкость подается к предохранительному клапану, управляющему клапану муфты В и обратному клапану В. Масло, поступающее к входному каналу управляющего клапана муфты, подается под давлением к золотнику клапана. Затем магистральное давление подается на обратный и шаровой клапаны, и включается муфта B.

Блокировочная муфта (гидротрансформатора)

Электромагнитный клапан 2 включен и золотник клапана-регулятора магистрального давления открывается. Теперь жидкость проходит через клапан давления гидротрансформатора.
В результате давление рабочей жидкости в зоне за поршнем блокировочной муфты гидротрансформатора равно давлению в зоне турбины. Поток проходит к камере турбины через вал турбины и свободное пространство позади поршня.

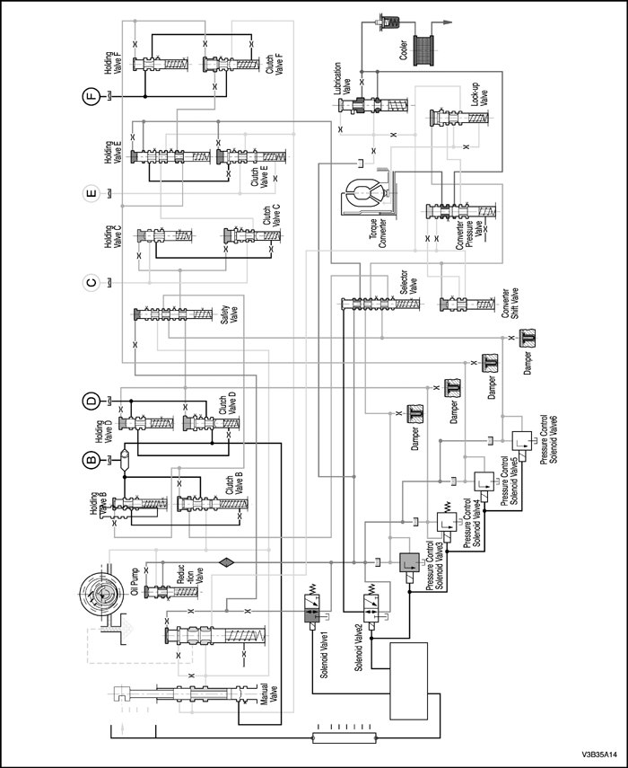
Передачи переднего хода - четвертая передача


V3B35A14
Показать иллюстрациюПеревод текста в иллюстрациях


Передачи переднего хода - четвертая передача

При включении 4-й передачи крутящий момент передается через первичный вал и муфты E и C. При этом работа коробки передач происходит следующим образом:

Управление

Муфта E включена

Соленоид 2 выключается. Магистральное давление после прохождения через редукционный клапан, поступает к управляющему клапану муфты E. Жидкость проходит через клапан, включая муфту E.

Включена муфта С

EDS 4 выключается, в результате чего уровень жидкости повышается. Магистральное давление подается к предохранительному клапану, клапану муфты D и обратному клапану D. При подаче давления на предохранительный клапан включается клапан муфты C и обратный клапан C.

Блокировочная муфта

Электромагнитный клапан 2 включен и золотник клапана-регулятора магистрального давления открывается. Теперь жидкость проходит через клапан давления гидротрансформатора.
В результате давление рабочей жидкости в зоне за поршнем блокировочной муфты гидротрансформатора равно давлению в зоне турбины. Поток проходит к камере турбины через вал турбины и свободное пространство позади поршня.

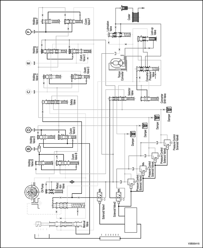
Передачи переднего хода - четвертая передача; аварийный режим/режим замещения


V3B35A15
Показать иллюстрациюПеревод текста в иллюстрациях


Передачи переднего хода - четвертая передача; аварийный режим/режим замещения

При включении 4-й передачи крутящий момент передается через первичный вал и муфты E и C. При этом работа коробки передач происходит следующим образом:

Управление

Муфта E включена

Соленоид 2 выключается. Магистральное давление после прохождения через редукционный клапан, поступает к управляющему клапану муфты E. Жидкость проходит через клапан, включая муфту E.

Включена муфта С

EDS 4 выключается, в результате чего уровень жидкости повышается. Магистральное давление подается к предохранительному клапану, клапану муфты D и обратному клапану D. При подаче давления на предохранительный клапан включается клапан муфты C и обратный клапан C.

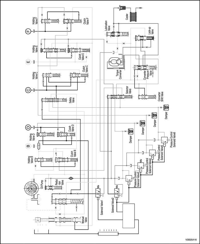
Передачи переднего хода - Третья передача; аварийный/ замещающий режим


V3B35A16
Показать иллюстрациюПеревод текста в иллюстрациях


Передачи переднего хода - Третья передача; аварийный/ замещающий режим

При включении 3-й передачи крутящий момент передается через первичный вал и муфты В и E. При этом работа коробки передач происходит следующим образом:

Управление

Муфта В включена

Если рычаг переключения передач находится в положении "Парковка" или "Нейтраль", электромагнитные клапаны 1 и 2 включены. При этом также включены регулирующие соленоиды (EDS) 4 и 6.
При включенном EDS 6 поступающая от редукционного клапана жидкость подается к предохранительному клапану, управляющему клапану муфты В и обратному клапану В. Масло, поступающее к входному каналу управляющего клапана муфты, подается под давлением к золотнику клапана. Затем магистральное давление подается на обратный и шаровой клапаны, и включается муфта B.


На предыдущую страницуНа следующую страницу
Главная страница сайта