Руководство по техническому обслуживанию2005 Evanda КартерК началу документа
Evanda
На предыдущую страницуНа следующую страницу
Главная страница GMDEЗагрузить нединамическое оглавлениеЗагрузить динамическое оглавлениеПомощь


T3B15B36
Показать иллюстрациюПеревод текста в иллюстрациях


Картер

Порядок разборки

  1. Снять КПП с автомобиля. См. "Коробка передач с главной передачей в сборе" в этом разделе.
  2. Выкрутить болты крепления и снять крышку рычага переключения. Крышку рычага переключения не разбирать.


  3. T3B15B43
    Показать иллюстрациюПеревод текста в иллюстрациях


  4. Выкрутить болты крепления и снять заднюю крышку картера КПП.


  5. T3B15B45
    Показать иллюстрациюПеревод текста в иллюстрациях


  6. Выкрутить болты и снять упорную пластину с установленными на ней валами. Валы не разбирать.


  7. T3B15B99
    Показать иллюстрациюПеревод текста в иллюстрациях


  8. Снять дифференциал с картера КПП. Дифференциал не разбирать. См. "Дифференциал" в этом разделе.
  9. Снять выключатель света заднего хода с картера КПП.


  10. T3B15B41
    Показать иллюстрациюПеревод текста в иллюстрациях


  11. Снять подшипник выключения сцепления и его направляющую. См. Раздел 5C, "Сцепление".
  12. Выкрутить болт и снять механизм привода спидометра с КПП.


T3B15B41
Показать иллюстрациюПеревод текста в иллюстрациях


Порядок сборки

  1. Установить механизм привода спидометра на КПП и закрепить его болтом.
  2. Затянуть
    Затянуть болт крепления механизма привода спидометра моментом 4 Н•м (35 фунт-дюйма).



    T3B15B99
    Показать иллюстрациюПеревод текста в иллюстрациях


  3. Установить направляющую и подшипник выключения сцепления. См. Раздел 5C, "Сцепление".
  4. Установить выключатель света заднего хода на картер КПП.
  5. Затянуть
    Затянуть болт крепления выключателя света заднего хода моментом 20 Н•м (15 фунт-футов).



    T3B15B45
    Показать иллюстрациюПеревод текста в иллюстрациях


  6. Установить дифференциал в картер КПП. См. "Дифференциал" в этом разделе.
  7. Установить упорную пластину с валами.
  8. Вкрутить болты крепления упорной пластины.
  9. Затянуть
    Затянуть болты крепления упорной пластины моментом 22 Н•м (16 фунт-футов).



    T3B15B43
    Показать иллюстрациюПеревод текста в иллюстрациях


  10. Установить заднюю крышку картера КПП и закрепить ее болтами.
  11. Затянуть
    Затянуть большие болты крепления задней крышки картера КПП моментом 20 Н•м (15 фунт-футов), а малые болты моментом 15 Н•м (11 фунт-футов).



    T3B15B36
    Показать иллюстрациюПеревод текста в иллюстрациях


  12. Установить крышку рычага переключения и закрепить ее болтами.
  13. Затянуть
    Затянуть болты крепления крышки рычага переключения моментом 22 Н•м (16 фунт-футов).

  14. Установить коробку передач в автомобиль. См. "Коробка передач с главной передачей в сборе" в этом разделе.


T3B15BA1
Показать иллюстрациюПеревод текста в иллюстрациях


Дифференциал

Необходимое оборудование

KM-520: приспособление для демонтажа/монтажа
KM-525: приспособление для монтажа
J-22888-20-A: приспособление для снятия подшипников с упорами J-22888-35
KM-522: приспособление для монтажа

Порядок разборки

  1. Выкрутить болты крепления крышки дифференциала, снять крышку дифференциала и прокладку крышки.


  2. T3B15BA2
    Показать иллюстрациюПеревод текста в иллюстрациях


  3. Выкрутить болт крепления и снять прижимную пластину подшипника/регулировочного кольца.


  4. T3B15BA3
    Показать иллюстрациюПеревод текста в иллюстрациях


  5. Снять подшипник/регулировочное кольцо с помощью приспособления для демонтажа/монтажа KM-520.


  6. T3B15BA4
    Показать иллюстрациюПеревод текста в иллюстрациях


  7. Выкрутить болты крепления фланца правого подшипника и снять фланец.


  8. T3B15BA5
    Показать иллюстрациюПеревод текста в иллюстрациях


  9. Снять дифференциал в сборе с картера КПП.


  10. T3B15BA6
    Показать иллюстрациюПеревод текста в иллюстрациях


  11. Выкрутить болты крепления ведомой шестерни главной передачи.


  12. T3B15BA7
    Показать иллюстрациюПеревод текста в иллюстрациях


  13. Снять ведомую шестерню главной передачи с корпуса дифференциала.


  14. T3B15BA8
    Показать иллюстрациюПеревод текста в иллюстрациях


  15. Извлечь стопорный штифт из корпуса дифференциала и оси сателлитов.


  16. T3B15BA9
    Показать иллюстрациюПеревод текста в иллюстрациях


  17. Снять ось сателлитов.


  18. T3B15BB1
    Показать иллюстрациюПеревод текста в иллюстрациях


  19. Снять сателлиты и шайбы.
  20. Снять полуосевые шестерни и упорные кольца.


  21. T3B15BB2
    Показать иллюстрациюПеревод текста в иллюстрациях


  22. Снять оба подшипника дифференциала с помощью приспособления для снятия подшипников J-22888-20-A с упорами J-22888-35.


  23. T3B15BB3
    Показать иллюстрациюПеревод текста в иллюстрациях


  24. Снять ведущую шестерню привода спидометра с корпуса дифференциала.


T3B15BB4
Показать иллюстрациюПеревод текста в иллюстрациях


Порядок сборки

  1. Установить ведущую шестерню привода спидометра на корпус дифференциала с помощью приспособления KM-525.


  2. T3B15BB5
    Показать иллюстрациюПеревод текста в иллюстрациях


  3. Установить оба подшипника дифференциала с помощью приспособления KM-522.


  4. T3B15BB1
    Показать иллюстрациюПеревод текста в иллюстрациях


  5. Установить полуосевые шестерни и упорные кольца в корпус дифференциала.
  6. Установить сателлиты с шайбами в корпус дифференциала.


  7. T3B15BA9
    Показать иллюстрациюПеревод текста в иллюстрациях


  8. Установить ось сателлитов в корпус дифференциала.


  9. T3B15BB6
    Показать иллюстрациюПеревод текста в иллюстрациях


  10. Установить стопорный штифт в корпус дифференциала и ось сателлитов.


  11. T3B15BA6
    Показать иллюстрациюПеревод текста в иллюстрациях


  12. Установить ведомую шестерню главной передачи и закрепить ее болтами.
  13. Затянуть
    Затянуть болты ведомой шестерни главной передачи моментом 70 Н•м (52 фунт-фута).



    T3B15BA5
    Показать иллюстрациюПеревод текста в иллюстрациях


  14. Установить дифференциал в сборе в картер КПП.


  15. T3B15BA4
    Показать иллюстрациюПеревод текста в иллюстрациях


  16. Установить фланец правого подшипника и закрепить его болтами.
  17. Затянуть
    Затянуть болты крепления фланца правого подшипника моментом 25 Н•м (18 фунт-футов).



    T3B15BA3
    Показать иллюстрациюПеревод текста в иллюстрациях


  18. Установить регулировочное кольцо подшипника.
  19. Затянуть регулировочное кольцо подшипника с помощью приспособления KM-520.
  20. Затянуть
    Регулировочное кольцо следует затягивать до полного выбора зазора в дифференциале.
    Отрегулировать преднатяг подшипников дифференциала.
    Старые подшипники:
    1 Н•м (9 фунт-дюймов) - необходим для проворачивания дифференциала со скоростью один оборот в секунду.
    Новые подшипники:
    2 Н•м (18 фунт-дюймов) - необходим для проворачивания дифференциала со скоростью один оборот в секунду.
    Отрегулировать преднатяг подшипников.



    T3B15BA2
    Показать иллюстрациюПеревод текста в иллюстрациях


  21. Установить прижимную пластину подшипника/регулировочного кольца и закрепить болтом.
  22. Затянуть
    Затянуть болт крепления прижимной пластины подшипника/регулировочного кольца моментом 25 Н•м (18 фунт-футов).



    T3B15BA1
    Показать иллюстрациюПеревод текста в иллюстрациях


  23. Установить прокладку крышки дифференциала и крышку дифференциала. Закрепить болтами.
  24. Затянуть
    Затянуть болты крепления крышки дифференциала моментом 40 Н•м (30 фунт-футов).



T3B15B68
Показать иллюстрациюПеревод текста в иллюстрациях


Сборка основного узла

Необходимое оборудование

J-36633: держатель стопорного кольца
KM-334: установочная втулка
KM-552: специальное приспособление
KM-554: приспособление для монтажа
KM-113-2: основание

Порядок сборки

  1. Соединить первичный и вторичный валы.
  2. Сжать стопорное кольцо в основании вторичного вала и удерживать его с помощью приспособления J-36633.
  3. Удерживать стопорное кольцо в основании первичного вала разжатым с помощью специального приспособления.
  4. Установить вместе первичный и вторичный валы на упорную пластину.
  5. Освободить стопорные кольца вторичного и первичного валов.


  6. T3B15B65
    Показать иллюстрациюПеревод текста в иллюстрациях


  7. Установить вилку переключения 1-й и 2-й передач.
  8. Установить рычаг включения 5-й передачи на упорную пластину.


  9. T3B15B64
    Показать иллюстрациюПеревод текста в иллюстрациях


  10. Установить стопорную шпильку штока/вилки переключения 3-й и 4-й передач.


  11. T3B15B63
    Показать иллюстрациюПеревод текста в иллюстрациях


  12. Установить опорный кронштейн на упорную пластину.


  13. T3B15BB7
    Показать иллюстрациюПеревод текста в иллюстрациях


  14. Установить шток/вилку переключения 1-й и 2-й передач на упорную пластину.


  15. T3B15B61
    Показать иллюстрациюПеревод текста в иллюстрациях


  16. Установить стопорную шпильку вилки переключения 1-й и 2-й передач.


  17. T3B15B60
    Показать иллюстрациюПеревод текста в иллюстрациях


  18. Вкрутить болты крепления опорного кронштейна.
  19. Затянуть
    Затянуть болты опорного кронштейна моментом 7 Н•М (62 фунт-дюйма).



    T3B15B59
    Показать иллюстрациюПеревод текста в иллюстрациях


  20. Установить шток/вилку включения заднего хода на упорную пластину.


  21. T3B15B58
    Показать иллюстрациюПеревод текста в иллюстрациях


  22. Установить стопорную шпильку штока/вилки включения заднего хода.


  23. T3B15B57
    Показать иллюстрациюПеревод текста в иллюстрациях


  24. Установить шпильку и пружину блокировки штока в отверстие в пробке.


  25. T3B15BB8
    Показать иллюстрациюПеревод текста в иллюстрациях


  26. Установить пробки штока переключения.


  27. T3B15B55
    Показать иллюстрациюПеревод текста в иллюстрациях


  28. Установить соединительный элемент пятой передачи на упорную пластину с помощью собачки и закрепить болтами.
  29. Затянуть
    Затянуть болты соединительного элемента пятой передачи моментом 7 Н•м (62 фунт-дюйма).



    T3B15BB9
    Показать иллюстрациюПеревод текста в иллюстрациях


  30. Установить ведущую шестерню пятой передачи на первичный вал с помощью приспособления KM-554 и установочной втулки KM-334.


  31. T3B15B53
    Показать иллюстрациюПеревод текста в иллюстрациях


  32. Установить стопорные кольца ведущей шестерни пятой передачи.


  33. T3B15B52
    Показать иллюстрациюПеревод текста в иллюстрациях


  34. Установить упорные полукольца, стопорное кольцо и игольчатый подшипник на вторичный вал.


  35. T3B15B51
    Показать иллюстрациюПеревод текста в иллюстрациях


  36. Установить блокирующее кольцо синхронизатора на ведомую шестерню пятой передачи.


  37. T3B15BC1
    Показать иллюстрациюПеревод текста в иллюстрациях


  38. Установить ведомую шестерню пятой передачи в сборе на вторичный вал.
  39. Установить скользящую муфту и ступицу муфты синхронизатора 5-й передачи с помощью приспособления KM-554.


  40. T3B15B48
    Показать иллюстрациюПеревод текста в иллюстрациях


  41. Установить стопорное кольцо шестерни пятой передачи в сборе.


  42. T3B15B47
    Показать иллюстрациюПеревод текста в иллюстрациях


  43. Установить вилку включения пятой передачи на упорную пластину и закрепить ее болтами.
  44. Затянуть
    Затянуть болты крепления вилки включения пятой передачи моментом 22 Н•м (16 фунт-футов).



    T3B15B45
    Показать иллюстрациюПеревод текста в иллюстрациях


  45. Снять упорную пластину со специального приспособления KM-552.
  46. Переключиться на вторую передачу.
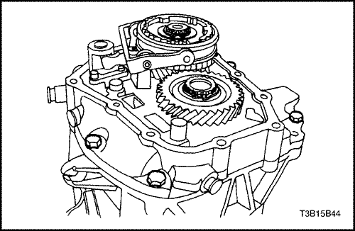
  47. Установить упорную пластину с валами в картер КПП.


  48. T3B15B44
    Показать иллюстрациюПеревод текста в иллюстрациях


  49. Вкрутить болты крепления упорной пластины.
  50. Затянуть
    Затянуть болты крепления упорной пластины моментом 22 Н•м (16 фунт-футов).



    T3B15B41
    Показать иллюстрациюПеревод текста в иллюстрациях


  51. Установить механизм привода спидометра и закрепить его болтами.
  52. Затянуть
    Затянуть болт крепления механизма привода спидометра моментом 4 Н•м (35 фунт-дюймов).



    T3B15B40
    Показать иллюстрациюПеревод текста в иллюстрациях


  53. Прикрутить крышку рычага переключения к приспособлению KM-552.
  54. Установить приспособление на основание KM-113-2.
  55. Установить шток, палец рычага выбора передач и шпильку пальца рычага выбора передач.


  56. T3B15B38
    Показать иллюстрациюПеревод текста в иллюстрациях


  57. Установить стопорное кольцо, втулку, пружину и промежуточный рычаг выбора передач.
  58. Снять крышку рычага переключения с основания KM-113-2 и приспособления KM-552.
  59. Переключиться на нейтральную передачу.


  60. T3B15B36
    Показать иллюстрациюПеревод текста в иллюстрациях


  61. Установить крышку рычага переключения и закрепить ее болтами.
  62. Затянуть
    Затянуть болты крепления крышки рычага переключения моментом 22 Н•м (16 фунт-футов).



    T3B15B42
    Показать иллюстрациюПеревод текста в иллюстрациях


  63. Установить заднюю крышку картера КПП и закрепить ее болтами.
  64. Затянуть
    Затянуть большие болты крепления задней крышки картера КПП моментом 20 Н•м (15 фунт-футов), а малые болты моментом 15 Н•м (11 фунт-футов).

  65. Установить коробку передач в автомобиль. См. "Коробка передач с главной передачей в сборе" в этом разделе.


На предыдущую страницуНа следующую страницу
Главная страница сайта