Руководство по техническому обслуживанию2006 Evanda СИСТЕМЫ СТЕКЛООЧИСТИТЕЛЕЙ/ОМЫВАТЕЛЕЙК началу документа
Evanda
На предыдущую страницуНа следующую страницу
Главная страница GMDEЗагрузить нединамическое оглавлениеЗагрузить динамическое оглавлениеПомощь

РАЗДЕЛ 9D

СИСТЕМЫ СТЕКЛООЧИСТИТЕЛЕЙ/ОМЫВАТЕЛЕЙ

Внимание! Отсоедините провод от отрицательного вывода аккумулятора, прежде чем снимать или устанавливать какие-либо электрические устройства, а также в ситуации, когда есть возможность касания оголенных электрических контактов каким-либо инструментом или приспособлением. Отсоединение этого провода позволяет избежать травм и повреждения оборудования автомобиля. Кроме того, если не указано иное, зажигание должно находиться в положении LOCK.

ТЕХНИЧЕСКИЕ ХАРАКТЕРИСТИКИ

Моменты затяжки резьбовых соединений

ПРОГРАММА
Н•м
фунт-фут
фунт-дюйм
Винты вентиляционной решетки в облицовке рамы ветрового стекла
2.5
-
22
Болты бачка омывателя
9
-
80
Гайка крепления рычага стеклоочистителя
15
11
-
Гайка рычага стеклоочистителя
22
16
-
Болты электродвигателя стеклоочистителей
4
-
35

ПРИНЦИПИАЛЬНЫЕ И МОНТАЖНЫЕ СХЕМЫ

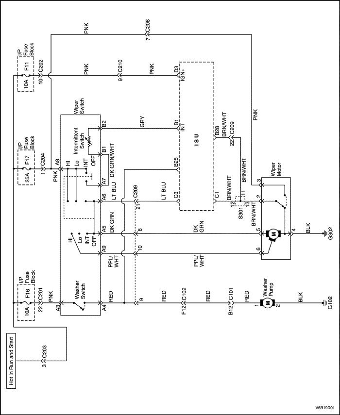
Система очистителей и омывателя ветрового стекла


V6B19D01
Показать иллюстрациюПеревод текста в иллюстрациях


Система стеклоочистителей с датчиком дождя


V6B19D02
Показать иллюстрациюПеревод текста в иллюстрациях


ДИАГНОСТИКА

Очистители ветрового стекла с двумя скоростями и прерывающимся режимом

Стеклоочистители ветрового стекла не работают ни на одной скорости

ШагОперацияЗначенияДаНет
1
Проверить предохранитель F16 и F17.
Перегорел ли предохранитель F16 и F17?
-
Перейдите на Шаг 2
Перейдите на Шаг 3
2
  1. Проверьте на предмет короткого замыкания и при необходимости устраните его.
  2. Замените предохранитель.
Ремонт закончен?
-
Система в норме
-
3
Проверить напряжение на предохранителе F16 и F17.
Равно ли напряжение указанному значению?
11~14 В
Перейдите на Шаг 5
Перейдите на Шаг 4
4
Устранить разрыв цепи подачи электропитания на предохранитель F16 и F17.
Ремонт закончен?
-
Система в норме
-
5
  1. Отсоединить разъем электродвигателя стеклоочистителей.
  2. Установите зажигание в положение ON.
  3. Перевести выключатель стеклоочистителей в положение HI.
  4. Проверить напряжение на выводе 6 разъема электродвигателя стеклоочистителей.
Равно ли напряжение указанному значению?
11~14 В
Перейдите на Шаг 6
Перейдите на Шаг 7
6
Заменить электродвигатель стеклоочистителей.
Ремонт закончен?
-
Система в норме
-
7
  1. Выключатель стеклоочистителей по-прежнему отсоединен.
  2. Установите зажигание в положение ON.
  3. Проверить подаваемое батареей напряжение на выводе А8 разъема выключателя стеклоочистителей.
Равно ли напряжение указанному значению?
11~14 В
Перейдите на Шаг 9
Перейдите на Шаг 8
8
Устранить разрыв цепи между выводом А8 разъема выключателя стеклоочистителей и предохранителем F17.
Ремонт закончен?
-
Система в норме
-
9
  1. Выключатель стеклоочистителей по-прежнему отсоединен.
  2. Перевести выключатель стеклоочистителей в положение HI.
  3. С помощью омметра проверить отсутствие обрывов цепи между выводами A8 и A9 разъема выключателя стеклоочистителей.
Показывает ли омметр указанное значение?
0 Ом
Перейдите на Шаг 11
Перейдите на Шаг 10
10
Заменить выключатель стеклоочистителей.
Ремонт закончен?
-
Система в норме
-
11
Устранить разрыв цепи между выключателем стеклоочистителей и электродвигателем стеклоочистителей.
Ремонт закончен?
-
Система в норме
-

Очистители ветрового стекла не работают на скорости HI, работают на скорости LO

ШагОперацияЗначенияДаНет
1
  1. Установите зажигание в положение ON.
  2. Перевести выключатель стеклоочистителей в положение HI.
  3. Проверить напряжение на выводе 6 разъема электродвигателя стеклоочистителей.
Равно ли напряжение указанному значению?
11~14 В
Перейдите на Шаг 2
Перейдите на Шаг 3
2
Заменить электродвигатель стеклоочистителей.
Ремонт закончен?
-
Система в норме
-
3
  1. Отсоединить выключатель стеклоочистителей.
  2. Перевести выключатель стеклоочистителей в положение HI.
  3. С помощью омметра проверить отсутствие обрывов цепи между выводами A8 и A9 разъема выключателя стеклоочистителей.
Показывает ли омметр указанное значение?
0 Ом
Перейдите на Шаг 5
Перейдите на Шаг 4
4
Заменить выключатель стеклоочистителей.
Ремонт закончен?
-
Система в норме
-
5
Устранить разрыв цепи между выводом A9 разъема выключателя стеклоочистителей и выводом 6 разъема электродвигателя стеклоочистителей.
Ремонт закончен?
-
Система в норме
-

Очистители ветрового стекла не работают на скорости LO, работают на скорости HI

ШагОперацияЗначенияДаНет
1
  1. Установите зажигание в положение ON.
  2. Перевести выключатель стеклоочистителей в положение LO.
  3. Проверить напряжение на выводе 5 разъема электродвигателя стеклоочистителей.
Равно ли напряжение указанному значению?
11~14 В
Перейдите на Шаг 2
Перейдите на Шаг 3
2
Заменить электродвигатель стеклоочистителей.
Ремонт закончен?
-
Система в норме
-
3
  1. Отсоединить выключатель стеклоочистителей.
  2. Перевести выключатель стеклоочистителей в положение LO.
  3. С помощью омметра проверить отсутствие обрывов цепи между выводами A8 и A5 разъема выключателя стеклоочистителей.
Показывает ли омметр указанное значение?
0 Ом
Перейдите на Шаг 5
Перейдите на Шаг 4
4
Заменить выключатель стеклоочистителей.
Ремонт закончен?
-
Система в норме
-
5
Устранить разрыв цепи между выводом A5 разъема выключателя стеклоочистителей и выводом 5 разъема электродвигателя стеклоочистителей.
Ремонт закончен?
-
Система в норме
-

Очистители ветрового стекла не работают в прерывающемся режиме, работают на других скоростях

ШагОперацияЗначенияДаНет
1
  1. Установите зажигание в положение ON.
  2. С помощью вольтметра проверить напряжение на выводе D3 разъема ISU.
Соответствует ли напряжение указанному значению?
11~14 В
Перейдите на Шаг 3
Перейдите на Шаг 2
2
Устранить разрыв цепи между выводом D3 разъема ISU и предохранителем F11.
Ремонт закончен?
-
Система в норме
-
3
  1. Установите зажигание в положение ON.
  2. Перевести выключатель стеклоочистителей в положение INT.
  3. Проверить напряжение на выводе B1 разъема ISU.
Показывает ли вольтметр напряжение, соответствующее указанному значению?
11~14 В
Перейдите на Шаг 7
Перейдите на Шаг 4
4
Проверить наличие разрывов цепи между выводом B2 разъема выключателя стеклоочистителей и выводом B1 разъема ISU.
Цепь разомкнута?
-
Перейдите на Шаг 6
Перейдите на Шаг 5
5
Заменить выключатель стеклоочистителей.
Ремонт закончен?
-
Система в норме
-
6
Устранить разрыв цепи между выводом B2 разъема выключателя стеклоочистителей и выводом B1 разъема ISU.
Ремонт закончен?
-
Система в норме
-
7
  1. Установите зажигание в положение ON.
  2. Перевести выключатель стеклоочистителей в положение INT.
  3. Проверить пульсирующее напряжение на выводе C3 разъема ISU.
Показывает ли вольтметр пульсирующее напряжение, соответствующее указанному значению?
11~14 В
Перейдите на Шаг 8
Перейдите на Шаг 8
8
  1. Установите зажигание в положение ON.
  2. Проверить напряжение на выводе A6 разъема выключателя стеклоочистителей.
Соответствует ли импульс напряжения указанному значению?
-
Перейдите на Шаг 9
Перейдите на Шаг 10
9
Заменить выключатель стеклоочистителей.
Ремонт закончен?
-
Система в норме
-
10
Устранить разрыв цепи между выключателем стеклоочистителей и реле стеклоочистителей.
Ремонт закончен?
-
Система в норме
-

Стеклоочистители ветрового стекла не возвращаются в исходное положение

ШагОперацияЗначенияДаНет
1
  1. Установите зажигание в положение ON.
  2. Проверить напряжение на выводе 2 разъема электродвигателя стеклоочистителей.
Равно ли напряжение указанному значению?
11~14 В
Перейдите на Шаг 3
Перейдите на Шаг 2
2
Устранить разрыв цепи между электродвигателем стеклоочистителей и предохранителем F17.
Ремонт закончен?
-
Система в норме
-
3
  1. Перевести выключатель стеклоочистителей в положение HI.
  2. При выключенном положении выключателя стеклоочистителей проверить напряжение на выводе 5 разъема электродвигателя стеклоочистителей.
Присутствует ли указанное напряжение при выключенном положении выключателя стеклоочистителей?
11~14 В
Перейдите на Шаг 5
Перейдите на Шаг 4
4
Заменить электродвигатель стеклоочистителей.
Ремонт закончен?
-
Система в норме
-
5
  1. Отсоединить ISU.
  2. Проверить отсутствие обрывов цепи между выводами C1 и C3 ISU.
Показывает ли омметр указанное значение?
0 Ом
Перейдите на Шаг 6
Перейдите на Шаг 7
6
Устранить разрыв цепи между электродвигателем стеклоочистителей и ISU.
Ремонт закончен?
-
Система в норме
-
7
Заменить ISU.
Ремонт закончен?
-
Система в норме
-

Система омывателей ветрового стекла

Омыватель ветрового стекла не работает, стеклоочистители работают нормально

ШагОперацияЗначенияДаНет
1
Активизировать выключатель омывателя ветрового стекла.
Работают ли стеклоочистители ветрового стекла при активизации выключателя омывателя?
-
Перейдите на Шаг 4
Перейдите на Шаг 2
2
  1. Установите зажигание в положение ON.
  2. Активируя выключатель стеклоомывателя, проверить напряжение на выводе A4 разъёма выключателя очистителей ветрового стекла.
Равно ли напряжение указанному значению?
11~14 В
Перейдите на Шаг 8
Перейдите на Шаг 3
3
Заменить выключатель стеклоочистителей.
Ремонт закончен?
-
Система в норме
-
4
Проверить бачок омывателя ветрового стекла.
Если ли в бачке омывающая жидкость?
-
Перейдите на Шаг 6
Перейдите на Шаг 5
5
Наполнить бачок омывателя ветрового стекла.
Ремонт закончен?
-
Система в норме
-
6
Проверить шланги и жиклеры омывателя ветрового стекла.
Шланги и жиклеры омывателя ветрового стекла забиты или повреждены?
-
Перейдите на Шаг 7
Перейдите на Шаг 8
7
Отремонтировать шланги и жиклеры омывателя.
Ремонт закончен?
-
Система в норме
-
8
  1. Установите зажигание в положение ON.
  2. Активировав омыватель ветрового стекла, проверить напряжение на насосе омывателя ветрового стекла.
Равно ли напряжение указанному значению?
11~14 В
Перейдите на Шаг 10
Перейдите на Шаг 9
9
Устранить разрыв цепи между насосом омывателя ветрового стекла и выключателем очистителей ветрового стекла.
Ремонт закончен?
-
Система в норме
-
10
С помощью омметра измерить сопротивление между массой и насосом омывателя ветрового стекла.
Равно ли сопротивление указанному значению?
0 Ом
Перейдите на Шаг 12
Перейдите на Шаг 11
11
Устранить обрыв цепи массы насоса омывателя ветрового стекла.
Ремонт закончен?
-
Система в норме
-
12
Заменить насос омывателя ветрового стекла.
Ремонт закончен?
-
Система в норме
-

Очистители ветрового стекла с датчиком дождя

Обнаружение неисправностей

У датчика дождя имеется два уровня обнаружения неисправностей, которые описываются далее:

Обнаружена неисправность A

Неисправность A показывается при обнаружении датчиком того, что рабочая точка сервоэлемента датчика выше предполагаемых пределов. Это указывает на повреждение ветрового стекла в области оптопары или на то, что датчик снят с оптопары.

Обнаружена неисправность В

Неисправность В показывается при обнаружении датчиком того, что он больше не реагирует на сигналы дождя. Это указывает на повреждение ветрового стекла в области оптопары или на то, что более вероятно, что датчик обнаружил электрическую неисправность внутри датчика.

Степень прикрепления

Степень прикрепления используется для определения, когда обнаруживается неисправность A. Значение степени прикрепления устанавливается на 140. Этот позволяет изделию работать во всех условиях, кроме тех, когда ветровое стекло имеет серьезное повреждение.

Для выявления неисправности использовать регулировку чувствительности

Метод выявления обнаруженных неисправностей, доступный механикам по обслуживанию в авторемонтной мастерской, заключается в использования входа чувствительности и стеклоочистителей в качестве индикатора. Метод технического обслуживания описывается следующим образом:
  1. Включив зажигание, переместить регулировку чувствительности на установку высокой чувствительности.
  2. Уменьшить чувствительность одной установкой.
  3. Если происходит очистка, то обнаружена 000Неисправность A, и механик по обслуживанию должен убедиться, что область оптопары на ветровом стекле не повреждена, и что датчик прикреплен к оптопаре.
  4. Уменьшить чувствительность еще одной установкой.
  5. Если происходит очистка, то обнаружена Неисправность В, и датчик следует снять и заменить заведомо исправным датчиком.

ТЕХНИЧЕСКОЕ ОБСЛУЖИВАНИЕ И РЕМОНТ

РАБОТЫ НА АВТОМОБИЛЕ



V3B39D01
Показать иллюстрациюПеревод текста в иллюстрациях


Рычаг стеклоочистителя ветрового стекла

Процедура снятия

  1. Открыть капот.
  2. Снять гайку с рычага стеклоочистителя.
  3. Стянуть рычаг стеклоочистителя.


V3B39D01
Показать иллюстрациюПеревод текста в иллюстрациях


Процедура установки

  1. Установить рычаг стеклоочистителя.
  2. Примечание: Непосредственный контакт разнородных металлов может привести к быстрой коррозии. Во избежание преждевременной коррозии используйте надлежащий крепеж.

  3. Закрепить рычаг стеклоочистителя с помощью гайки.
  4. Затянуть
    Затянуть гайку рычага стеклоочистителя с усилием 22 Н•м (16 фунт-футов).

  5. Закрыть капот.


V3B39D02
Показать иллюстрациюПеревод текста в иллюстрациях


Электродвигатель стеклоочистителей ветрового стекла

Процедура снятия

  1. Отсоедините провод от отрицательного вывода аккумуляторной батареи.
  2. Снять винты и левую часть вентиляционной решетки в облицовке рамы ветрового стекла.
  3. Снять гайку и шайбу, которые крепят систему тяг рычага стеклоочистителя к ведущему валу электродвигателя.
  4. Снять систему тяг рычага стеклоочистителя с ведущего вала электродвигателя.


  5. V3B39D03
    Показать иллюстрациюПеревод текста в иллюстрациях


  6. Отсоединить электрический разъем.
  7. Снять болты и электродвигатель стеклоочистителей.


V3B39D03
Показать иллюстрациюПеревод текста в иллюстрациях


Процедура установки

    Примечание: Непосредственный контакт разнородных металлов может привести к быстрой коррозии. Во избежание преждевременной коррозии используйте надлежащий крепеж.

  1. Установить электродвигатель стеклоочистителей с помощью болтов.
  2. Затянуть
    Затянуть болты электродвигателя стеклоочистителей с усилием 10 Н•м (89 фунт-дюймов).

  3. Подсоединить электрический разъем.


  4. V3B39D02
    Показать иллюстрациюПеревод текста в иллюстрациях


  5. Надеть систему тяг рычага стеклоочистителя на ведущий вал электродвигателя.
  6. Установить систему тяг рычага стеклоочистителя на ведущий вал электродвигателя с помощью шайбы и гайки.
  7. Затянуть
    Затянуть гайку системы тяг рычага стеклоочистителя с усилием 8,5 Н•м (75 фунт-дюймов).

  8. Установить левую часть вентиляционной решетки в облицовке рамы ветрового стекла с помощью винтов.
  9. Затянуть
    Затянуть винты вентиляционной решетки в облицовке рамы ветрового стекла с усилием 2,5 Н•м (22 фунт-дюйм).

  10. Присоедините провод к отрицательному выводу аккумуляторной батареи.


V3B39D04
Показать иллюстрациюПеревод текста в иллюстрациях


Щетка стеклоочистителя ветрового стекла

Процедура снятия

  1. Повернуть щетку стеклоочистителя на рычаге.
  2. Нажав на фиксатор, потянуть щетку стеклоочистителя вниз вдоль рычага стеклоочистителя и снять щетку.


V3B39D04
Показать иллюстрациюПеревод текста в иллюстрациях


Процедура установки

  1. Установить щетку стеклоочистителя, надвинув ее на рычаг до щелчка фиксатора.


V3B39D05
Показать иллюстрациюПеревод текста в иллюстрациях


Вставка щетки стеклоочистителя ветрового стекла

Процедура снятия

  1. Стянуть вставку со щетки стеклоочистителя.


V3B39D05
Показать иллюстрациюПеревод текста в иллюстрациях


Процедура установки

  1. Натянуть вставку на щетку стеклоочистителя.


V3B39D06
Показать иллюстрациюПеревод текста в иллюстрациях


Бачок омывателя ветрового стекла

Процедура снятия

  1. Отсоедините провод от отрицательного вывода аккумуляторной батареи.
  2. Снять переднее правое колесо. См. раздел 2Е, «Шины и диски».
  3. Снять брызговик передней колесной арки. См. раздел 9R, «Передняя часть кузова».
  4. Отсоединить шланг омывателя от насоса омывателя.
  5. Отсоединить электрические разъемы.
  6. Снять болты и бачок.


V3B39D07
Показать иллюстрациюПеревод текста в иллюстрациях


Процедура установки

    Примечание: Непосредственный контакт разнородных металлов может привести к быстрой коррозии. Во избежание преждевременной коррозии используйте надлежащий крепеж.

  1. Установить бачок с помощью болтов.
  2. Затянуть
    Затянуть болты бачка омывателя с усилием 9 Н•м (80 фунт-дюйм).

  3. Подсоединить электрический разъем.
  4. Подсоединить шланг омывателя к насосу омывателя.
  5. Установить брызговик передней колесной арки. См. раздел 9R, «Передняя часть кузова».
  6. Установить переднее правое колесо. См. раздел 2Е, «Шины и диски».
  7. Присоедините провод к отрицательному выводу аккумуляторной батареи.


V3B39B08
Показать иллюстрациюПеревод текста в иллюстрациях


Насос омывателя ветрового стекла

Процедура снятия

  1. Отсоедините провод от отрицательного вывода аккумуляторной батареи.
  2. Снять правое переднее левое колесо. См. раздел 2Е, «Шины и диски».
  3. Снять брызговик передней колесной арки. См. раздел 9R, «Передняя часть кузова».
  4. Отсоединить электрический разъем.
  5. Отсоединить шланг омывателя от насоса омывателя.
  6. Снять насос омывателя.


V3B39B08
Показать иллюстрациюПеревод текста в иллюстрациях


Процедура установки

  1. Установить насос омывателя.
  2. Подсоединить шланг омывателя к насосу омывателя.
  3. Подсоединить электрический разъем.
  4. Установить брызговик передней колесной арки. См. раздел 9R, «Передняя часть кузова».
  5. Установить правое переднее колесо. См. раздел 2Е, «Шины и диски».
  6. Присоедините провод к отрицательному выводу аккумуляторной батареи.


V3B39D09
Показать иллюстрациюПеревод текста в иллюстрациях


Жиклеры омывателя ветрового стекла

Процедура снятия

  1. Открыть капот.
  2. Отсоединить шланг омывателя от жиклера.
  3. Снять жиклер с капота.


V3B39D09
Показать иллюстрациюПеревод текста в иллюстрациях


Процедура установки

  1. Установить жиклер в капот.
  2. Подсоединить шланг омывателя к жиклеру.
  3. Закрыть капот.


V3B39D10
Показать иллюстрациюПеревод текста в иллюстрациях


Шланги омывателя ветрового стекла

Процедура снятия

  1. Открыть капот.
  2. Отсоединить шланг омывателя ветрового стекла от жиклеров омывателя на капоте.
  3. Снять переднее правое колесо. См. раздел 2Е, «Шины и диски».
  4. Снять брызговик передней колесной арки. См. раздел 9R, «Передняя часть кузова».
  5. Отсоединить шланг омывателя от бачка омывателя.
  6. Снять шланг омывателя.


V3B39D10
Показать иллюстрациюПеревод текста в иллюстрациях


Процедура установки

  1. Подсоединить шланг омывателя к насосу омывателя.
  2. Установить брызговик передней колесной арки. См. раздел 9R, «Передняя часть кузова».
  3. Установить переднее правое колесо. См. раздел 2Е, «Шины и диски».
  4. Подсоединить шланг омывателя ветрового стекла к жиклерам омывателя на капоте.
  5. Закрыть капот.


J3B19D11
Показать иллюстрациюПеревод текста в иллюстрациях


Датчик дождя

Процедура снятия

  1. Отсоедините провод от отрицательного вывода аккумуляторной батареи.
  2. Снять крышку датчика дождя.
  3. Отсоединить электрический разъем.
  4. Снять датчик дождя.


J3B19D11
Показать иллюстрациюПеревод текста в иллюстрациях


Процедура установки

  1. Установить датчик дождя на оптопару с помощью двух защелкивающихся фиксаторов из нержавеющей стали.
  2. Подсоединить электрический разъем.
  3. Установить крышку датчика дождя.
  4. Присоедините провод к отрицательному выводу аккумуляторной батареи.

ОБЩЕЕ ОПИСАНИЕ И РАБОТА СИСТЕМЫ

Система стеклоочистителей ветрового стекла

Система стеклоочистителей ветрового стекла состоит из электродвигателя стеклоочистителей, системы тяг, рычагов стеклоочистителей со щетками и выключателя стеклоочистителей/омывателей. В цепи стеклоочистителей ветрового стекла установлено возвратное устройство, состоящее из червячной передачи и кулачкового диска. Устройство служит для временного поддержания цепи в замкнутом состоянии после перевода выключателя в выключенное положение. Система стеклоочистителей приводится в движение электродвигателем с магнитом постоянного типа. Электродвигатель стеклоочистителей ветрового стекла монтируется на щиток передка и соединяется непосредственно с системой тяг стеклоочистителей ветрового стекла.
Электродвигатель стеклоочистителей ветрового стекла имеет две скорости: LO (низкую) и HI (высокую), а также способен работать в прерывающемся режиме. Выключатель стеклоочистителей является неотъемлемой частью выключателя стеклоочистителей/омывателей. Стеклоочистители ветрового стекла включаются рычагом, расположенным справа на рулевой колонке.

Система омывателей ветрового стекла

В систему омывателей ветрового стекла входят бачок с омывающей жидкостью, насос омывающей жидкости, шланги, жиклеры и выключатель стеклоочистителей/омывателей. Бачок омывателя ветрового стекла установлен за брызговиком колесной арки переднего левого колеса. К бачку прикреплен насос омывателя, подающий омывающую жидкость через шланги в два жиклера, установленных на капоте. Выключатель омывателей является неотъемлемой частью выключателя стеклоочистителей/омывателей. Омыватели ветрового стекла включаются рычагом, расположенным справа на рулевой колонке.

Система стеклоочистителей с датчиком дождя

Система стеклоочистителей с датчиком дождя дополнительно к обычным функциям стеклоочистителей OFF (Выкл.), MIST (Туман), LOW SPEED (Низкая скорость), HIGH SPEED (Высокая скорость) и WASHER (Стеклоомыватель) также обеспечивает автоматическое управление задержкой, низкой скоростью и высокой скоростью.
Система стеклоочистителей с датчиком дождя включает в себя выключатель стеклоочистителей, реле низкой/высокой скорости, датчик дождя в сборе, оптопару и фасонную крышку.
Реле мощности и реле низкой/высокой скорости управляются блоком датчика дождя и контролируют работу стеклоочистителей.
Блок датчика дождя это электронный модуль, использующий инфракрасное излучение для определения уровня видимости ветрового стекла для водителя, и отдающий команды узлу электродвигателя стеклоочистителей по приводу в движение стеклоочистителей для поддержания предварительно выбранного уровня видимости. В модуле датчика дождя имеется субблок на микросхеме и микрокомпьютер, который выполняет логическую функцию. Запатентованный нелинейный алгоритм управления, встроенный в микрокомпьютер, интерпретирует входной сигнал дождя и посылает команды на электродвигатель стеклоочистителей для соответствующей очистки.
Оптопара это пластиковый оптический компонент, который спаривает инфракрасное излучение, исходящее от модуля датчика дождя на ветровое стекло. Оптопара прикрепляется к ветровому стеклу с помощью клея "Sotefa" у производителя ветрового стекла.

Автоматический режим

Когда выключатель стеклоочистителей перемещается в положение AUTO, а переключатель зажигания находится в рабочих положениях (RUN), считается, что датчик дождя находится режиме "АВТОМАТИЧЕСКИЙ".

Очистка как напоминание о включении:

Одиночная очистка производится при обнаружении дождя в предыдущие 5 минут и перемещении выключателя стеклоочистителей в положение AUTO. Если выключатель стеклоочистителей остается в автоматическом режиме при выключении зажигания автомобиля, а затем переключатель зажигания автомобиля переводится во включенное положение, то система стеклоочистителей с датчиком дождя производит одиночную очистку.

Функция регулировки чувствительности:

Водитель может регулировать рабочие характеристики датчика дождя, регулируя входные данные чувствительности. В автоматическом режиме датчик дождя производит одиночную очистку каждый раз, когда ЧУВСТВИТЕЛЬНОСТЬ настраивается по восходящей на более чувствительную установку. Эта одиночная очистка производится только при обнаружении дождя в предыдущие 5 минут. Если регулировка чувствительности настраивается по восходящей более чем на один шаг, то датчик производит только одиночную очистку, если время между увеличениям не превышает 2 секунды.

Автоматический с задержкой

Обычно стеклоочистители должны оставаться в исходном положении. Датчик дождя определяет время задержки срабатывания, соответствующее количеству осадков на ветровом стекле с учетом вводимой водителем установки ЧУВСТВИТЕЛЬНОСТИ с помощью переключателя. Когда время задержки срабатывания показывает, что требуется произвести очистку, датчик дождя обеспечивает входной сигнал на электродвигатель стеклоочистителя для активации стеклоочистителей и стирания осадков с ветрового стекла. При всех операциях в режиме АВТОМАТИЧЕСКИЙ С ЗАДЕРЖКОЙ датчик дождя посылает команды стеклоочистителям во время одной очистки работать в режиме НИЗКАЯ СКОРОСТЬ. Одиночная очистка производится включением цепи управления скоростью 1 на 500 миллисекунд.

Автоматический с низкой

Операция в режиме АВТОМАТИЧЕСКИЙ С НИЗКОЙ СКОРОСТЬЮ применяется тогда, когда количество осадков, выпадающих на ветровое стекло, превышает порог между режимами АВТОМАТИЧЕСКИЙ С ЗАДЕРЖКОЙ и АВТОМАТИЧЕСКИЙ С НИЗКОЙ. Этот порог включает в себя достаточное запаздывание для предупреждения зацикливания между операциями в режиме АВТОМАТИЧЕСКИЙ С ЗАДЕРЖКОЙ и АВТОМАТИЧЕСКИЙ С НИЗКОЙ СКОРОСТЬЮ с устойчивым количеством скопления осадков на ветровом стекле.

Автоматический с высокой

Операция в режиме АВТОМАТИЧЕСКИЙ С ВЫСОКОЙ СКОРОСТЬЮ применяется тогда, когда количество осадков, выпадающих на ветровое стекло, превышает порог между режимами АВТОМАТИЧЕСКИЙ С НИЗКОЙ и АВТОМАТИЧЕСКИЙ С ВЫСОКОЙ. Этот порог включает в себя достаточное запаздывание для предупреждения зацикливания между операциями в режиме АВТОМАТИЧЕСКИЙ С НИЗКОЙ СКОРОСТЬЮ и АВТОМАТИЧЕСКИЙ С ВЫСОКОЙ СКОРОСТЬЮ с устойчивым количеством скопления осадков на ветровом стекле.
Датчик дождя контролирует выключатель стеклоочистителей для определения того, выбрана ли функция омывателя. Датчик дождя использует эту информацию, чтобы пропускать или игнорировать ввод в алгоритм данных о жидкости омывателя. Датчик дождя позволяет электродвигателю стеклоочистителей работать с низкой скоростью в режиме омывания и доводит стеклоочистители по следующим правилам:

Ручной режим

Датчик дождя определяет, когда выбран ручной режим, такой как РУЧНОЙ С НИЗКОЙ, MIST (Туман), ВЫКЛ. или РУЧНОЙ С ВЫСОКОЙ. Эти режимы вводятся переключателем на колонке, а датчик дождя влияния не оказывает.


На предыдущую страницуНа следующую страницу
Главная страница сайта