Электрическая схема 2007 16. СИСТЕМА СБЕРЕЖЕНИЯ ЗАРЯДА АККУМУЛЯТОРНОЙ БАТАРЕИК началу документа
Epica
На предыдущую страницуНа следующую страницу
Главная страница GMDEЗагрузить нединамическое оглавлениеЗагрузить динамическое оглавлениеПомощь



16. СИСТЕМА СБЕРЕЖЕНИЯ ЗАРЯДА АККУМУЛЯТОРНОЙ БАТАРЕИ

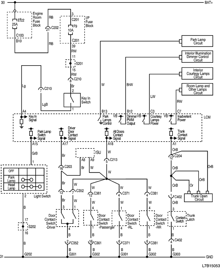
1) ЦЕПЬ СИСТЕМЫ СБЕРЕЖЕНИЯ ЗАРЯДА АККУМУЛЯТОРНОЙ БАТАРЕИ

L7B15053.png
Показать иллюстрациюПеревод текста в иллюстрациях


а. ИНФОРМАЦИЯ О РАЗЪЁМЕ

№ РАЗЪЁМА
(№ И ЦВЕТ КОНТАКТА)
СОЕДИНИТЕЛЬНЫЙ ЖГУТ ПРОВОДОВПОЛОЖЕНИЕ РАЗЪЁМА
С103 (контакт 68, белый) Кузов - блок предохранителей в моторном отсеке Блок предохранителей в моторном отсеке
С201 (контакт 76, черный) Приборная панель - блок предохранителей на приборной панели БЛОК ПРЕДОХРАНИТЕЛЕЙ НА ПРИБОРНОЙ ПАНЕЛИ
С202 (контакт 23, белый) Приборная панель - кузов Коробка разъемов внизу левой передней стойки
С203 (контакт 16, желтый) Приборная панель - кузов Коробка разъемов внизу левой передней стойки
C204 (контакт 22, белый) Приборная панель - кузов Коробка разъемов внизу левой передней стойки
С210 (контакт 10, белый) Приборная панель - корпус замка Возле середины рулевой колонки
C213 (контакт 23, белый) Приборная панель - кузов Коробка разъемов внизу правой передней стойки
С352 (контакт 18, белый) Кузов - дверь водителя Внизу передней стойки водителя
С361 (контакт 18, серый) Кузов - дверь пассажира Внизу передней стойки пассажира
С371 (контакт 21, белый) Кузов - задняя левая дверь Внизу левой средней стойки
С381 (контакт 21, белый) Кузов - задняя правая дверь Внизу правой средней стойки
С402 (контакт 6, белый) Крышка багажника - кузов На левой боковой панели в багажном отсеке
G202 Приборная панель Левая нижняя часть центрального молдинга приборной панели
G301 Кузов На левой поперечине передней панели пола
G302 Кузов На правой поперечине передней панели пола
G303 Кузов Возле задней полки левой задней стойки

б. УСЛОВНОЕ ОБОЗНАЧЕНИЕ & И НАХОЖДЕНИЕ НОМЕРА КОНТАКТА

L7B1P053.png
Показать иллюстрациюПеревод текста в иллюстрациях


в. РАСПОЛОЖЕНИЕ РАЗЪЁМОВ И СОЕДИНЕНИЙ МАССЫ

L7B12002.png
Показать иллюстрациюПеревод текста в иллюстрациях


г. КОНТАКТНАЯ КОЛОДКА

S201

L7B1S101.png
Показать иллюстрациюПеревод текста в иллюстрациях


S202

L7B1S002.png
Показать иллюстрациюПеревод текста в иллюстрациях


На предыдущую страницуНа следующую страницу


Главная страница сайта