Электрическая схема 2007 15. ЗВУКОВОЙ СИГНАЛК началу документа
Epica
На предыдущую страницуНа следующую страницу
Главная страница GMDEЗагрузить нединамическое оглавлениеЗагрузить динамическое оглавлениеПомощь



15. ЗВУКОВОЙ СИГНАЛ

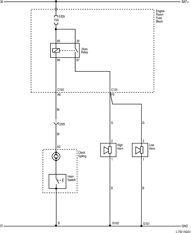
1) ЦЕПЬ ЗВУКОВОГО СИГНАЛА

L7B15331.png
Показать иллюстрациюПеревод текста в иллюстрациях


а. ИНФОРМАЦИЯ О РАЗЪЁМЕ

№ РАЗЪЁМА
(№ И ЦВЕТ КОНТАКТА)
СОЕДИНИТЕЛЬНЫЙ ЖГУТ ПРОВОДОВПОЛОЖЕНИЕ РАЗЪЁМА
C101 (контакт 68, черный) Передняя часть - блок предохранителей в моторном отсеке Блок предохранителей в моторном отсеке
С103 (контакт 68, белый) Кузов - блок предохранителей в моторном отсеке Блок предохранителей в моторном отсеке
C205 (контакт 23, белый) Приборная панель - кузов Коробка разъемов внизу левой передней стойки
G101 ПЕРЕДНЯЯ ЧАСТЬ За левой фарой
G102 ПЕРЕДНЯЯ ЧАСТЬ За правой фарой

б. УСЛОВНОЕ ОБОЗНАЧЕНИЕ & И НАХОЖДЕНИЕ НОМЕРА КОНТАКТА

L7B1P052.png
Показать иллюстрациюПеревод текста в иллюстрациях


в. РАСПОЛОЖЕНИЕ РАЗЪЁМОВ И СОЕДИНЕНИЙ МАССЫ

L7B12003.png
Показать иллюстрациюПеревод текста в иллюстрациях


На предыдущую страницуНа следующую страницу


Главная страница сайта