Электрическая схема 2007 23. ПОДУШКА БЕЗОПАСНОСТИК началу документа
Epica
На предыдущую страницуНа следующую страницу
Главная страница GMDEЗагрузить нединамическое оглавлениеЗагрузить динамическое оглавлениеПомощь



23. ПОДУШКА БЕЗОПАСНОСТИ

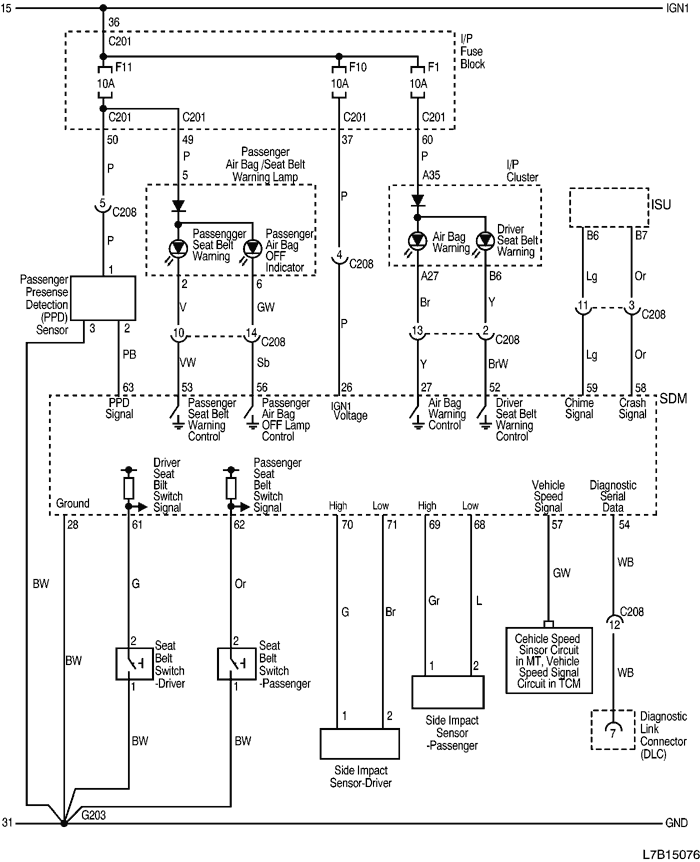
1) ЦЕПЬ ЭЛЕКТРОПИТАНИЯ, МАССЫ, ДИАГНОСТИКИ, КОНТРОЛЬНЫХ ЛАМП, ПЕРЕКЛЮЧАТЕЛЕЙ И ДАТЧИКОВ

L7B15076.png
Показать иллюстрациюПеревод текста в иллюстрациях


а. ИНФОРМАЦИЯ О РАЗЪЁМЕ

№ РАЗЪЁМА
(№ И ЦВЕТ КОНТАКТА)
СОЕДИНИТЕЛЬНЫЙ ЖГУТ ПРОВОДОВПОЛОЖЕНИЕ РАЗЪЁМА
С201 (контакт 76, черный) Приборная панель - блок предохранителей на приборной панели БЛОК ПРЕДОХРАНИТЕЛЕЙ НА ПРИБОРНОЙ ПАНЕЛИ
C208 (контакт 16, белый) Подушка безопасности - приборная панель За аудиосистемой в центре приборной панели
G203 Подушка безопасности На передней панели пола возле SDM

б. УСЛОВНОЕ ОБОЗНАЧЕНИЕ & И НАХОЖДЕНИЕ НОМЕРА КОНТАКТА

L7B1P075.png
Показать иллюстрациюПеревод текста в иллюстрациях


в. РАСПОЛОЖЕНИЕ РАЗЪЁМОВ И СОЕДИНЕНИЙ МАССЫ

L7B12008.png
Показать иллюстрациюПеревод текста в иллюстрациях


L7B12002.png
Показать иллюстрациюПеревод текста в иллюстрациях


2) ЦЕПЬ МОДУЛЕЙ ПОДУШЕК БЕЗОПАСНОСТИ И НАТЯЖИТЕЛЕЙ РЕМНЕЙ БЕЗОПАСНОСТИ

L7B15077.png
Показать иллюстрациюПеревод текста в иллюстрациях


а. ИНФОРМАЦИЯ О РАЗЪЁМЕ

№ РАЗЪЁМА
(№ И ЦВЕТ КОНТАКТА)
СОЕДИНИТЕЛЬНЫЙ ЖГУТ ПРОВОДОВПОЛОЖЕНИЕ РАЗЪЁМА
C303 (контакт 4, белый) Подушка безопасности - кузов Внизу левой средней стойки

б. УСЛОВНОЕ ОБОЗНАЧЕНИЕ & И НАХОЖДЕНИЕ НОМЕРА КОНТАКТА

L7B1P076.png
Показать иллюстрациюПеревод текста в иллюстрациях


в. РАСПОЛОЖЕНИЕ РАЗЪЁМОВ И СОЕДИНЕНИЙ МАССЫ

L7B12008.png
Показать иллюстрациюПеревод текста в иллюстрациях


На предыдущую страницуНа следующую страницу


Главная страница сайта