Электрическая схема 2007 3. КОНТРОЛЛЕР УПРАВЛЕНИЯ ДВИГАТЕЛЕМ (ЭСУД, ECC16C39)К началу документа
Epica
На предыдущую страницуНа следующую страницу
Главная страница GMDEЗагрузить нединамическое оглавлениеЗагрузить динамическое оглавлениеПомощь



3. КОНТРОЛЛЕР УПРАВЛЕНИЯ ДВИГАТЕЛЕМ (ЭСУД, ECC16C39)

1) ЦЕПЬ ЭЛЕКТРОПИТАНИЯ, МАССЫ, ИНДИКАТОРНОЙ ЛАМПЫ НЕИСПРАВНОСТИ, ДИАГНОСТИКИ

L7B15304.png
Показать иллюстрациюПеревод текста в иллюстрациях


а. ИНФОРМАЦИЯ О РАЗЪЁМЕ

№ РАЗЪЁМА
(№ И ЦВЕТ КОНТАКТА)
СОЕДИНИТЕЛЬНЫЙ ЖГУТ ПРОВОДОВПОЛОЖЕНИЕ РАЗЪЁМА
С102 (контакт 68, серый) Двигатель - блок предохранителей в моторном отсеке Блок предохранителей в моторном отсеке
С103 (контакт 68, белый) Кузов - блок предохранителей в моторном отсеке Блок предохранителей в моторном отсеке
С201 (контакт 76, черный) Приборная панель - блок предохранителей на приборной панели БЛОК ПРЕДОХРАНИТЕЛЕЙ НА ПРИБОРНОЙ ПАНЕЛИ
C204 (контакт 22, белый) Приборная панель - кузов Коробка разъемов внизу левой передней стойки
C205 (контакт 23, белый) Приборная панель - кузов Коробка разъемов внизу левой передней стойки
G103 Двигатель Между блоком предохранителей в моторном отсеке и аккумуляторной батареей

б. УСЛОВНОЕ ОБОЗНАЧЕНИЕ & И НАХОЖДЕНИЕ НОМЕРА КОНТАКТА

L7B1P303.png
Показать иллюстрациюПеревод текста в иллюстрациях


в. РАСПОЛОЖЕНИЕ РАЗЪЁМОВ И СОЕДИНЕНИЙ МАССЫ

L7B12104.png
Показать иллюстрациюПеревод текста в иллюстрациях


L7B12002.png
Показать иллюстрациюПеревод текста в иллюстрациях


2) ЦЕПИ ДАТЧИКОВ ДВИГАТЕЛЯ (ACP, ДАВЛЕНИЕ НАДДУВА, EXTS1, EXTS2)

L7B15305.png
Показать иллюстрациюПеревод текста в иллюстрациях


б. УСЛОВНОЕ ОБОЗНАЧЕНИЕ & И НАХОЖДЕНИЕ НОМЕРА КОНТАКТА

L7B1P304.png
Показать иллюстрациюПеревод текста в иллюстрациях


в. РАСПОЛОЖЕНИЕ РАЗЪЁМОВ И СОЕДИНЕНИЙ МАССЫ

L7B12104.png
Показать иллюстрациюПеревод текста в иллюстрациях


L7B12102.png
Показать иллюстрациюПеревод текста в иллюстрациях


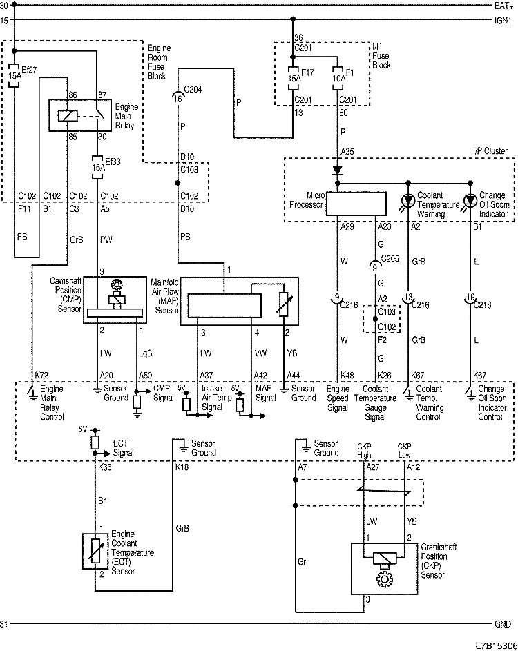
3) ЦЕПИ ДАТЧИКОВ ДВИГАТЕЛЯ (CMP, MAF, ECT, CKP)

L7B15306.png
Показать иллюстрациюПеревод текста в иллюстрациях


а. ИНФОРМАЦИЯ О РАЗЪЁМЕ

№ РАЗЪЁМА
(№ И ЦВЕТ КОНТАКТА)
СОЕДИНИТЕЛЬНЫЙ ЖГУТ ПРОВОДОВПОЛОЖЕНИЕ РАЗЪЁМА
С102 (контакт 68, серый) Двигатель - блок предохранителей в моторном отсеке Блок предохранителей в моторном отсеке
С201 (контакт 76, черный) Приборная панель - блок предохранителей на приборной панели БЛОК ПРЕДОХРАНИТЕЛЕЙ НА ПРИБОРНОЙ ПАНЕЛИ
C204 (контакт 22, белый) Приборная панель - кузов Коробка разъемов внизу левой передней стойки
C205 (контакт 23, белый) Приборная панель - кузов Коробка разъемов внизу левой передней стойки
C216 (контакт 20, белый) Двигатель - приборная панель Возле коробки разъемов внизу правой передней стойки

б. УСЛОВНОЕ ОБОЗНАЧЕНИЕ & И НАХОЖДЕНИЕ НОМЕРА КОНТАКТА

L7B1P305.png
Показать иллюстрациюПеревод текста в иллюстрациях


в. РАСПОЛОЖЕНИЕ РАЗЪЁМОВ И СОЕДИНЕНИЙ МАССЫ

L7B12104.png
Показать иллюстрациюПеревод текста в иллюстрациях


L7B12102.png
Показать иллюстрациюПеревод текста в иллюстрациях


L7B12103.png
Показать иллюстрациюПеревод текста в иллюстрациях


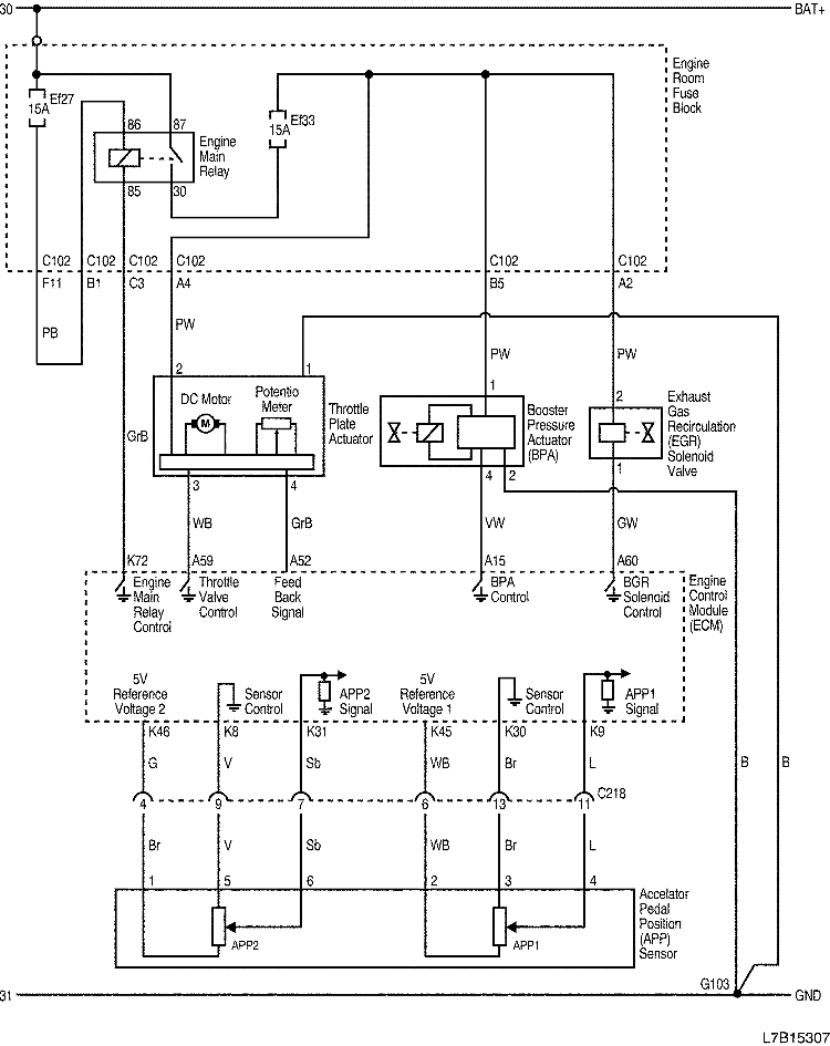
4) ЦЕПИ ПРИВОДА ДРОССЕЛЬНОЙ ЗАСЛОНКИ, BPA, РЕЦИРКУЛЯЦИИ ВЫХЛОПНЫХ ГАЗОВ И ДАТЧИКА APP

L7B15307.png
Показать иллюстрациюПеревод текста в иллюстрациях


а. ИНФОРМАЦИЯ О РАЗЪЁМЕ

№ РАЗЪЁМА
(№ И ЦВЕТ КОНТАКТА)
СОЕДИНИТЕЛЬНЫЙ ЖГУТ ПРОВОДОВПОЛОЖЕНИЕ РАЗЪЁМА
С102 (контакт 68, серый) Двигатель - блок предохранителей в моторном отсеке Блок предохранителей в моторном отсеке
C218 (контакт 15, белый) Двигатель - кузов Коробка разъемов внизу правой передней стойки
G103 Двигатель Между блоком предохранителей в моторном отсеке и аккумуляторной батареей

б. УСЛОВНОЕ ОБОЗНАЧЕНИЕ & И НАХОЖДЕНИЕ НОМЕРА КОНТАКТА

L7B1P306.png
Показать иллюстрациюПеревод текста в иллюстрациях


в. РАСПОЛОЖЕНИЕ РАЗЪЁМОВ И СОЕДИНЕНИЙ МАССЫ

L7B12104.png
Показать иллюстрациюПеревод текста в иллюстрациях


L7B12102.png
Показать иллюстрациюПеревод текста в иллюстрациях


L7B12009.png
Показать иллюстрациюПеревод текста в иллюстрациях


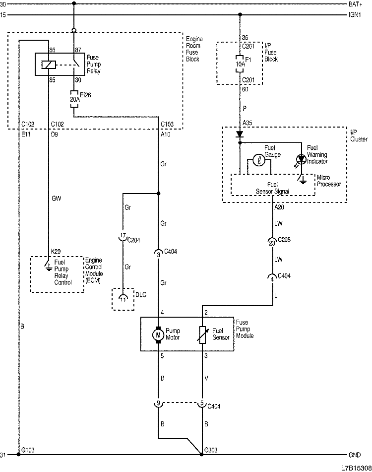
5) ЦЕПЬ ТОПЛИВНОГО НАСОСА

L7B15308.png
Показать иллюстрациюПеревод текста в иллюстрациях


а. ИНФОРМАЦИЯ О РАЗЪЁМЕ

№ РАЗЪЁМА
(№ И ЦВЕТ КОНТАКТА)
СОЕДИНИТЕЛЬНЫЙ ЖГУТ ПРОВОДОВПОЛОЖЕНИЕ РАЗЪЁМА
С102 (контакт 68, серый) Двигатель - блок предохранителей в моторном отсеке Блок предохранителей в моторном отсеке
С103 (контакт 68, белый) Кузов - блок предохранителей в моторном отсеке Блок предохранителей в моторном отсеке
С201 (контакт 76, черный) Приборная панель - блок предохранителей на приборной панели БЛОК ПРЕДОХРАНИТЕЛЕЙ НА ПРИБОРНОЙ ПАНЕЛИ
C205 (контакт 23, белый) Приборная панель - кузов Коробка разъемов внизу левой передней стойки
C404 (контакт 12, белый) Кузов - топливный насос Под серединой задней поперечины
G103 Двигатель Между блоком предохранителей в моторном отсеке и аккумуляторной батареей
G303 Кузов Возле задней полки левой задней стойки

б. УСЛОВНОЕ ОБОЗНАЧЕНИЕ & И НАХОЖДЕНИЕ НОМЕРА КОНТАКТА

L7B1P307.png
Показать иллюстрациюПеревод текста в иллюстрациях


в. РАСПОЛОЖЕНИЕ РАЗЪЁМОВ И СОЕДИНЕНИЙ МАССЫ

L7B12104.png
Показать иллюстрациюПеревод текста в иллюстрациях


L7B12016.png
Показать иллюстрациюПеревод текста в иллюстрациях


6) ЦЕПЬ ФОРСУНОК И ТОПЛИВОПРОВОДОВ

L7B15309.png
Показать иллюстрациюПеревод текста в иллюстрациях


а. ИНФОРМАЦИЯ О РАЗЪЁМЕ

№ РАЗЪЁМА
(№ И ЦВЕТ КОНТАКТА)
СОЕДИНИТЕЛЬНЫЙ ЖГУТ ПРОВОДОВПОЛОЖЕНИЕ РАЗЪЁМА
С102 (контакт 68, серый) Двигатель - блок предохранителей в моторном отсеке Блок предохранителей в моторном отсеке
С103 (контакт 68, белый) Кузов - блок предохранителей в моторном отсеке Блок предохранителей в моторном отсеке
C106 (контакт 12, черный) Двигатель - впуск Спереди внизу головки цилиндров
С201 (контакт 76, черный) Приборная панель - блок предохранителей на приборной панели БЛОК ПРЕДОХРАНИТЕЛЕЙ НА ПРИБОРНОЙ ПАНЕЛИ
C204 (контакт 22, белый) Приборная панель - кузов Коробка разъемов внизу левой передней стойки
G104 Двигатель Передняя и центральная часть блока цилиндров двигателя

б. УСЛОВНОЕ ОБОЗНАЧЕНИЕ & И НАХОЖДЕНИЕ НОМЕРА КОНТАКТА

L7B1P308.png
Показать иллюстрациюПеревод текста в иллюстрациях


в. РАСПОЛОЖЕНИЕ РАЗЪЁМОВ И СОЕДИНЕНИЙ МАССЫ

L7B12104.png
Показать иллюстрациюПеревод текста в иллюстрациях


L7B12102.png
Показать иллюстрациюПеревод текста в иллюстрациях


L7B12103.png
Показать иллюстрациюПеревод текста в иллюстрациях


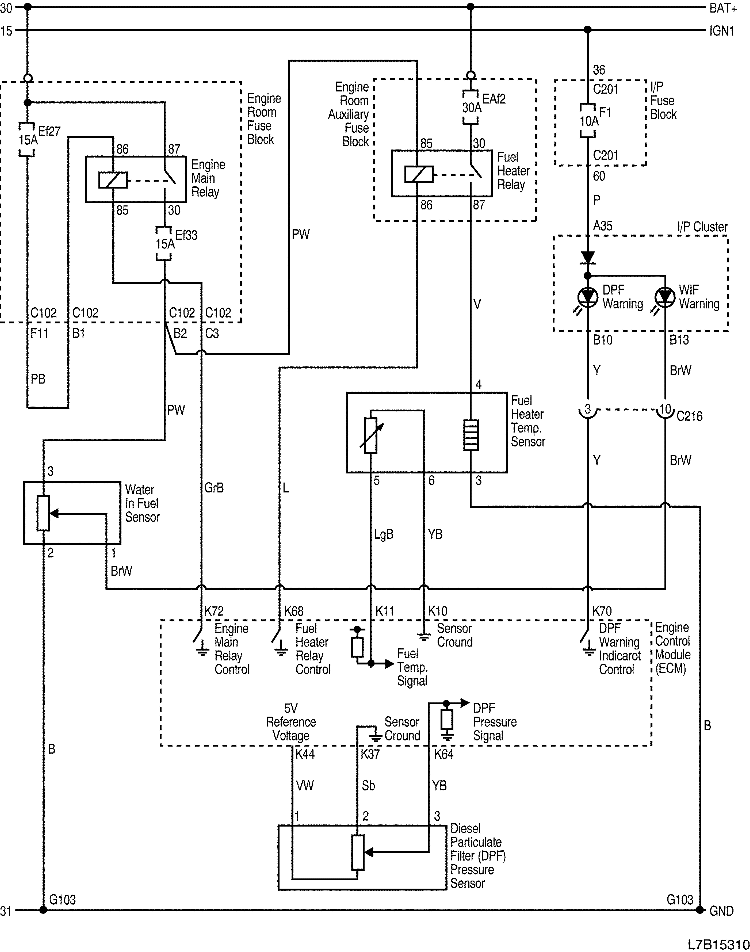
7) ДАТЧИК WIF, ДАТЧИК ДАВЛЕНИЯ DPF И ДАТЧИК НАГРЕВАТЕЛЯ ТОПЛИВА/ТЕМПЕРАТУРЫ

L7B15310.png
Показать иллюстрациюПеревод текста в иллюстрациях


а. ИНФОРМАЦИЯ О РАЗЪЁМЕ

№ РАЗЪЁМА
(№ И ЦВЕТ КОНТАКТА)
СОЕДИНИТЕЛЬНЫЙ ЖГУТ ПРОВОДОВПОЛОЖЕНИЕ РАЗЪЁМА
С102 (контакт 68, серый) Двигатель - блок предохранителей в моторном отсеке Блок предохранителей в моторном отсеке
C216 (контакт 20, белый) Двигатель - приборная панель Возле коробки разъемов внизу правой передней стойки

б. УСЛОВНОЕ ОБОЗНАЧЕНИЕ & И НАХОЖДЕНИЕ НОМЕРА КОНТАКТА

L7B1P309.png
Показать иллюстрациюПеревод текста в иллюстрациях


в. РАСПОЛОЖЕНИЕ РАЗЪЁМОВ И СОЕДИНЕНИЙ МАССЫ

L7B12104.png
Показать иллюстрациюПеревод текста в иллюстрациях


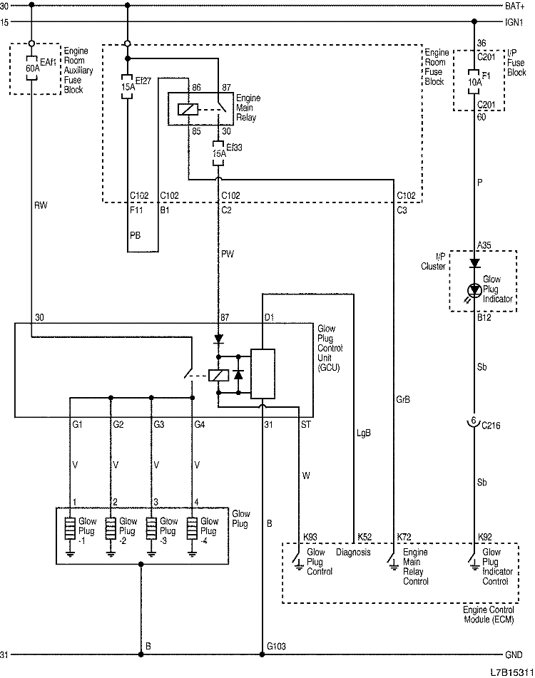
8) ЦЕПЬ УПРАВЛЕНИЯ СВЕЧАМИ ПРЕДПУСКОВОГО ПОДОГРЕВА

L7B15311.png
Показать иллюстрациюПеревод текста в иллюстрациях


а. ИНФОРМАЦИЯ О РАЗЪЁМЕ

№ РАЗЪЁМА
(№ И ЦВЕТ КОНТАКТА)
СОЕДИНИТЕЛЬНЫЙ ЖГУТ ПРОВОДОВПОЛОЖЕНИЕ РАЗЪЁМА
С102 (контакт 68, серый) Двигатель - блок предохранителей в моторном отсеке Блок предохранителей в моторном отсеке
C216 (контакт 20, белый) Двигатель - приборная панель Возле коробки разъемов внизу правой передней стойки
G103 Двигатель Между блоком предохранителей в моторном отсеке и аккумуляторной батареей

б. УСЛОВНОЕ ОБОЗНАЧЕНИЕ & И НАХОЖДЕНИЕ НОМЕРА КОНТАКТА

L7B1P310.png
Показать иллюстрациюПеревод текста в иллюстрациях


в. РАСПОЛОЖЕНИЕ РАЗЪЁМОВ И СОЕДИНЕНИЙ МАССЫ

L7B12104.png
Показать иллюстрациюПеревод текста в иллюстрациях


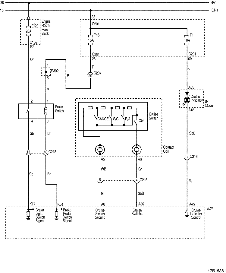
9) ЦЕПЬ СИСТЕМЫ ПОДДЕРЖАНИЯ СКОРОСТИ

L7B15351.png
Показать иллюстрациюПеревод текста в иллюстрациях


а. ИНФОРМАЦИЯ О РАЗЪЁМЕ

№ РАЗЪЁМА
(№ И ЦВЕТ КОНТАКТА)
СОЕДИНИТЕЛЬНЫЙ ЖГУТ ПРОВОДОВПОЛОЖЕНИЕ РАЗЪЁМА
С103 (контакт 68, белый) Кузов - блок предохранителей в моторном отсеке Блок предохранителей в моторном отсеке
С201 (контакт 76, черный) Приборная панель - блок предохранителей на приборной панели БЛОК ПРЕДОХРАНИТЕЛЕЙ НА ПРИБОРНОЙ ПАНЕЛИ
C204 (контакт 22, белый) Приборная панель - кузов Коробка разъемов внизу левой передней стойки

б. УСЛОВНОЕ ОБОЗНАЧЕНИЕ & И НАХОЖДЕНИЕ НОМЕРА КОНТАКТА

L7B1P323.png
Показать иллюстрациюПеревод текста в иллюстрациях


в. РАСПОЛОЖЕНИЕ РАЗЪЁМОВ И СОЕДИНЕНИЙ МАССЫ

L7B12104.png
Показать иллюстрациюПеревод текста в иллюстрациях


L7B12002.png
Показать иллюстрациюПеревод текста в иллюстрациях


г. КОНТАКТНАЯ КОЛОДКА

S301

L7B1S102.png
Показать иллюстрациюПеревод текста в иллюстрациях


S302

L7B1S103.png
Показать иллюстрациюПеревод текста в иллюстрациях


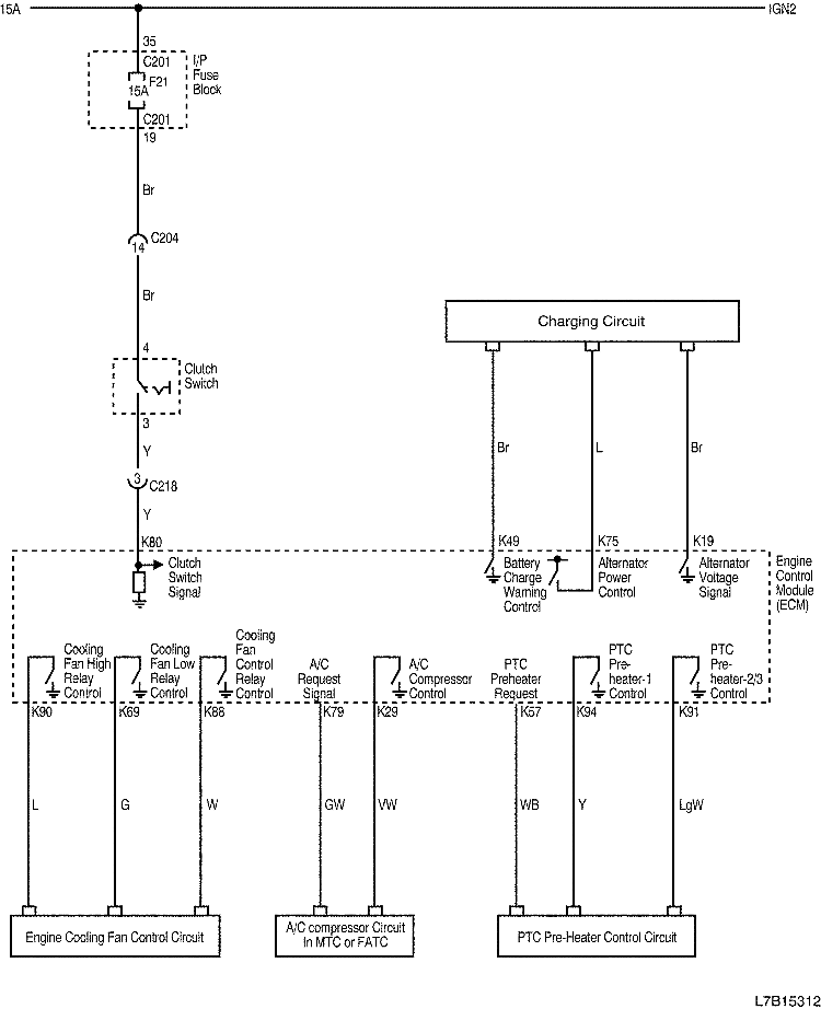
10) ВЫКЛЮЧАТЕЛЬ ПОЛОЖЕНИЯ ПЕДАЛИ СЦЕПЛЕНИЯ, ПОДСИСТЕМА КОНТРОЛЯ И УПРАВЛЕНИЯ

L7B15312.png
Показать иллюстрациюПеревод текста в иллюстрациях


а. ИНФОРМАЦИЯ О РАЗЪЁМЕ

№ РАЗЪЁМА
(№ И ЦВЕТ КОНТАКТА)
СОЕДИНИТЕЛЬНЫЙ ЖГУТ ПРОВОДОВПОЛОЖЕНИЕ РАЗЪЁМА
С201 (контакт 76, черный) Приборная панель - блок предохранителей на приборной панели БЛОК ПРЕДОХРАНИТЕЛЕЙ НА ПРИБОРНОЙ ПАНЕЛИ
C204 (контакт 22, белый) Приборная панель - кузов Коробка разъемов внизу левой передней стойки
C218 (контакт 15, белый) Двигатель - кузов Коробка разъемов внизу правой передней стойки

б. УСЛОВНОЕ ОБОЗНАЧЕНИЕ & И НАХОЖДЕНИЕ НОМЕРА КОНТАКТА

L7B1P311.png
Показать иллюстрациюПеревод текста в иллюстрациях


в. РАСПОЛОЖЕНИЕ РАЗЪЁМОВ И СОЕДИНЕНИЙ МАССЫ

L7B12104.png
Показать иллюстрациюПеревод текста в иллюстрациях


L7B12016.png
Показать иллюстрациюПеревод текста в иллюстрациях


На предыдущую страницуНа следующую страницу


Главная страница сайта