Электрическая схема 2007 9. СИСТЕМА РУЛЕВОГО УПРАВЛЕНИЯК началу документа
Epica
На предыдущую страницуНа следующую страницу
Главная страница GMDEЗагрузить нединамическое оглавлениеЗагрузить динамическое оглавлениеПомощь



9. СИСТЕМА РУЛЕВОГО УПРАВЛЕНИЯ

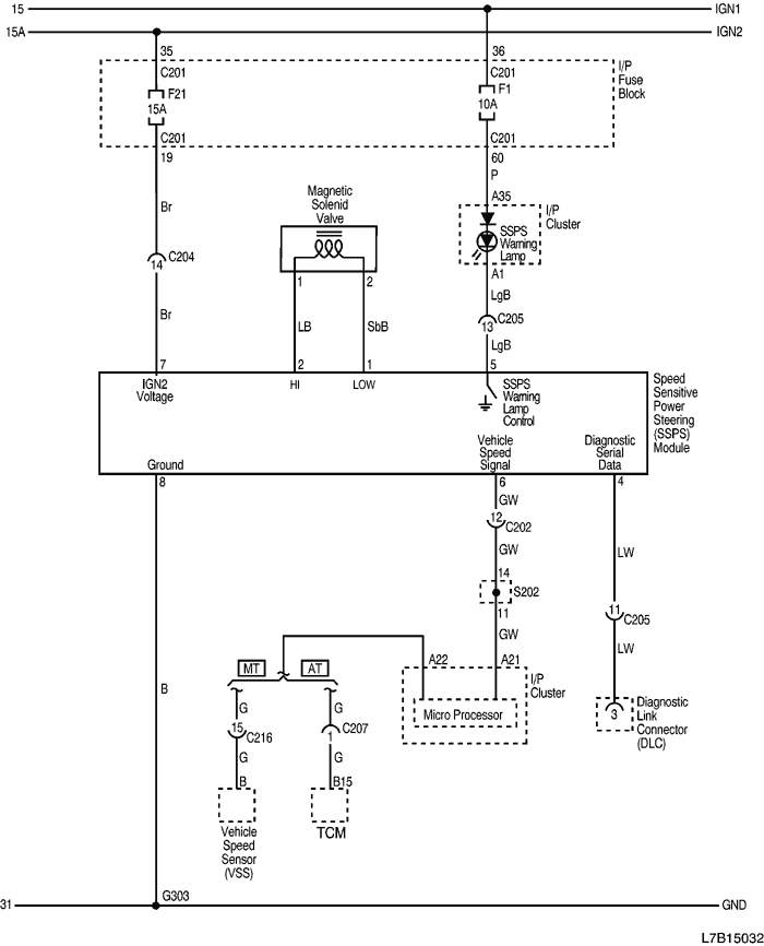
1) ЦЕПЬ ЗАВИСИМОГО ОТ СКОРОСТИ РУЛЕВОГО УПРАВЛЕНИЯ С ГИДРОУСИЛИТЕЛЕМ (SSPS)

L7B15032.png
Показать иллюстрациюПеревод текста в иллюстрациях


а. ИНФОРМАЦИЯ О РАЗЪЁМЕ

№ РАЗЪЁМА
(№ И ЦВЕТ КОНТАКТА)
СОЕДИНИТЕЛЬНЫЙ ЖГУТ ПРОВОДОВПОЛОЖЕНИЕ РАЗЪЁМА
С201 (контакт 76, черный) Приборная панель - блок предохранителей на приборной панели БЛОК ПРЕДОХРАНИТЕЛЕЙ НА ПРИБОРНОЙ ПАНЕЛИ
С202 (контакт 23, белый) Приборная панель - кузов Коробка разъемов внизу левой передней стойки
C204 (контакт 22, белый) Приборная панель - кузов Коробка разъемов внизу левой передней стойки
C205 (контакт 23, белый) Приборная панель - кузов Коробка разъемов внизу левой передней стойки
С207 (контакт 22, белый) Приборная панель - контроллер КПП За коленным буфером водителя
C216 (контакт 20, белый) Двигатель - приборная панель Возле коробки разъемов внизу правой передней стойки
G303 Кузов Возле задней полки левой задней стойки

б. УСЛОВНОЕ ОБОЗНАЧЕНИЕ & И НАХОЖДЕНИЕ НОМЕРА КОНТАКТА

L7B1P032.png
Показать иллюстрациюПеревод текста в иллюстрациях


в. РАСПОЛОЖЕНИЕ РАЗЪЁМОВ И СОЕДИНЕНИЙ МАССЫ

L7B12009.png
Показать иллюстрациюПеревод текста в иллюстрациях


г. КОНТАКТНАЯ КОЛОДКА

S202

L7B1S002.png
Показать иллюстрациюПеревод текста в иллюстрациях


На предыдущую страницуНа следующую страницу


Главная страница сайта