Электрическая схема 2007 Epica 3. ENGINE CONTROL MODULE (ECM, ECC16C39) К началу документа
Epica
На предыдущую страницу На следующую страницу
Главная страница GMDE Загрузить нединамическое оглавление Загрузить динамическое оглавление Помощь



3. ENGINE CONTROL MODULE (ECM, ECC16C39)

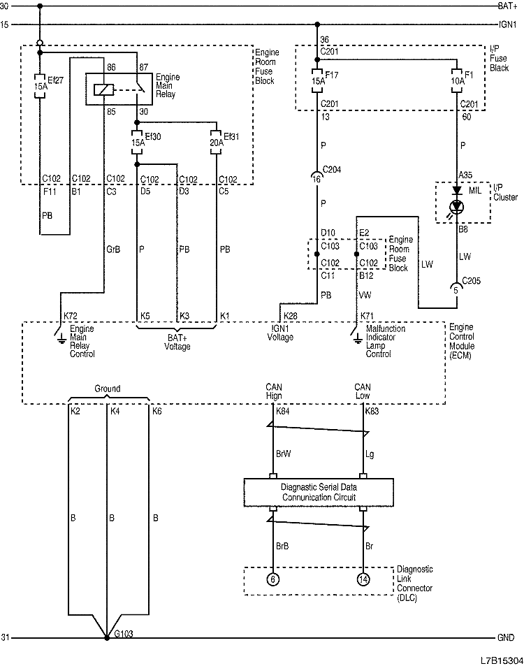
1) POWER, GROUND, MALFUNCTION INDICATOR LAMP, DIAGNOSTIC CIRCUIT

L7B15304.png
Показать иллюстрациюПеревод текста в иллюстрациях


а. ИНФОРМАЦИЯ О РАЗЪЁМЕ

№ РАЗЪЁМА
(№ И ЦВЕТ КОНТАКТА)
СОЕДИНИТЕЛЬНЫЙ ЖГУТ ПРОВОДОВ ПОЛОЖЕНИЕ РАЗЪЁМА
C102 (68 Pin, Gray) Engine - Engine room fuse block Engine room fuse block
C103 (68 Pin, White) Body - Engine room fuse block Engine room fuse block
C201 (76 Pin, Black) IP - I/P fuse block I/P fuse block
C204 (22 Pin, White) IP - Body Connector box at the bottom of left A pillar
C205 (23 Pin, White) IP - Body Connector box at the bottom of left A pillar
G103 Engine Between engine room fuse block and battery

б. УСЛОВНОЕ ОБОЗНАЧЕНИЕ & И НАХОЖДЕНИЕ НОМЕРА КОНТАКТА

L7B1P303.png
Показать иллюстрациюПеревод текста в иллюстрациях


в. РАСПОЛОЖЕНИЕ РАЗЪЁМОВ И СОЕДИНЕНИЙ МАССЫ

L7B12104.png
Показать иллюстрациюПеревод текста в иллюстрациях


L7B12002.png
Показать иллюстрациюПеревод текста в иллюстрациях


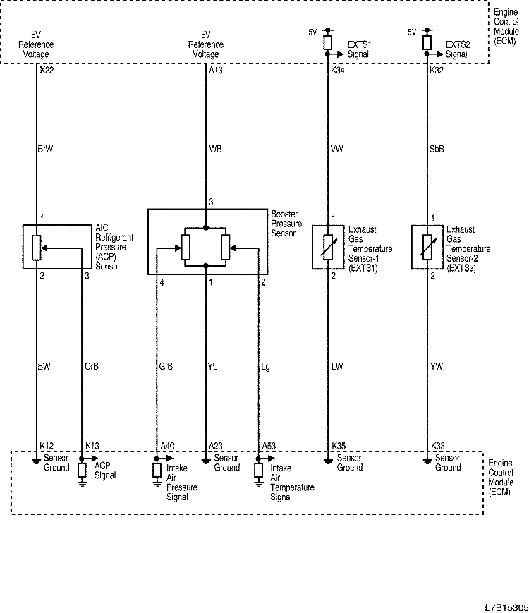
2) ENGINE SENSOR (ACP, BOOSTER PRESSURE, EXTS1, EXTS2) CIRCUIT

L7B15305.png
Показать иллюстрациюПеревод текста в иллюстрациях


б. УСЛОВНОЕ ОБОЗНАЧЕНИЕ & И НАХОЖДЕНИЕ НОМЕРА КОНТАКТА

L7B1P304.png
Показать иллюстрациюПеревод текста в иллюстрациях


в. РАСПОЛОЖЕНИЕ РАЗЪЁМОВ И СОЕДИНЕНИЙ МАССЫ

L7B12104.png
Показать иллюстрациюПеревод текста в иллюстрациях


L7B12102.png
Показать иллюстрациюПеревод текста в иллюстрациях


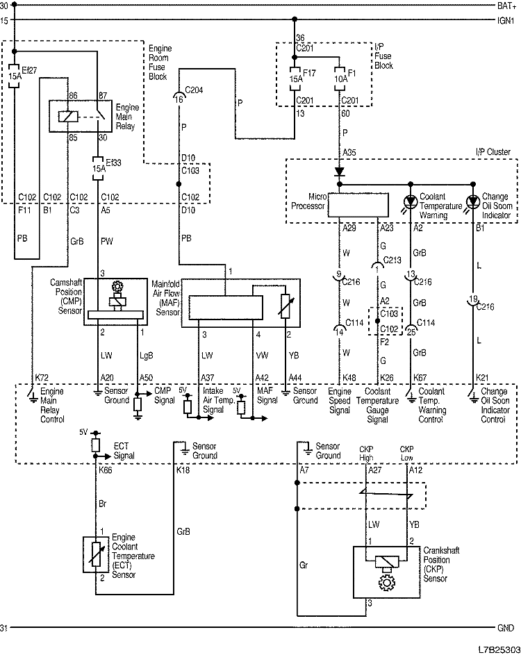
3) ENGINE SENSORS (CMP, MAF, ECT, CKP) CIRCUIT

L7B25303.png
Показать иллюстрациюПеревод текста в иллюстрациях


а. ИНФОРМАЦИЯ О РАЗЪЁМЕ

№ РАЗЪЁМА
(№ И ЦВЕТ КОНТАКТА)
СОЕДИНИТЕЛЬНЫЙ ЖГУТ ПРОВОДОВ ПОЛОЖЕНИЕ РАЗЪЁМА
C102 (68 Pin, Gray) Engine - Engine room fuse block Engine room fuse block
C114 (36 Pin, Black) Engine Extension - Engine Behind engine room fuse block
C201 (76 Pin, Black) IP - I/P fuse block I/P fuse block
C204 (22 Pin, White) IP - Body Connector box at the bottom of left A pillar
C213 (23 Pin, White) IP - Body Connector box at the bottom of left A pillarr
C216 (20 Pin, White) Engine - IP Near the Connector box at the bottom of right A pillar

б. УСЛОВНОЕ ОБОЗНАЧЕНИЕ & И НАХОЖДЕНИЕ НОМЕРА КОНТАКТА

L7B1P305.png
Показать иллюстрациюПеревод текста в иллюстрациях


в. РАСПОЛОЖЕНИЕ РАЗЪЁМОВ И СОЕДИНЕНИЙ МАССЫ

L7B12104.png
Показать иллюстрациюПеревод текста в иллюстрациях


L7B12102.png
Показать иллюстрациюПеревод текста в иллюстрациях


L7B12103.png
Показать иллюстрациюПеревод текста в иллюстрациях


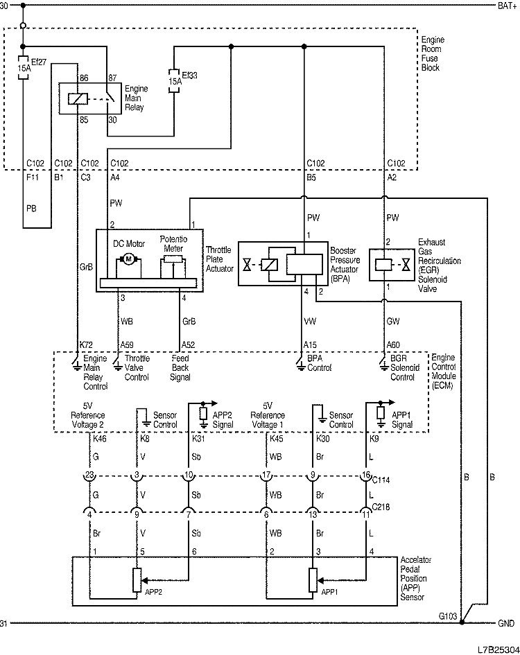
4) THROTTLE PLATE ACTUATOR, BPA, EGR AND APP SENSOR CIRCUIR

L7B25304.png
Показать иллюстрациюПеревод текста в иллюстрациях


а. ИНФОРМАЦИЯ О РАЗЪЁМЕ

№ РАЗЪЁМА
(№ И ЦВЕТ КОНТАКТА)
СОЕДИНИТЕЛЬНЫЙ ЖГУТ ПРОВОДОВ ПОЛОЖЕНИЕ РАЗЪЁМА
C102 (68 Pin, Gray) Engine - Engine room fuse block Engine room fuse block
C114 (36 Pin, Black) Engine Extension - Engine Behind engine room fuse block
C218 (15 Pin, White) Engine - Body Connector box at the bottom of right A pillarr
G103 Engine Between engine room fuse block and battery

б. УСЛОВНОЕ ОБОЗНАЧЕНИЕ & И НАХОЖДЕНИЕ НОМЕРА КОНТАКТА

L7B1P306.png
Показать иллюстрациюПеревод текста в иллюстрациях


в. РАСПОЛОЖЕНИЕ РАЗЪЁМОВ И СОЕДИНЕНИЙ МАССЫ

L7B12104.png
Показать иллюстрациюПеревод текста в иллюстрациях


L7B12102.png
Показать иллюстрациюПеревод текста в иллюстрациях


L7B12009.png
Показать иллюстрациюПеревод текста в иллюстрациях


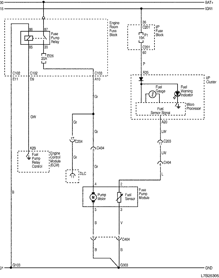
5) FUEL PUMP CIRCUIT

L7B25305.png
Показать иллюстрациюПеревод текста в иллюстрациях


а. ИНФОРМАЦИЯ О РАЗЪЁМЕ

№ РАЗЪЁМА
(№ И ЦВЕТ КОНТАКТА)
СОЕДИНИТЕЛЬНЫЙ ЖГУТ ПРОВОДОВ ПОЛОЖЕНИЕ РАЗЪЁМА
C102 (68 Pin, Gray) Engine - Engine room fuse block Engine room fuse block
C103 (68 Pin, White) Body - Engine room fuse block Engine room fuse block
C201 (76 Pin, Black) IP - I/P fuse block I/P fuse block
C203 (16 Pin, Yellow) IP - Body Connector box at the bottom of left A pillar
C404 (12 Pin, White) Body - Fuel Pump Under the center of rear crossmember
G103 Engine Between engine room fuse block and battery
G303 Body Near back shelf of left C pillar

б. УСЛОВНОЕ ОБОЗНАЧЕНИЕ & И НАХОЖДЕНИЕ НОМЕРА КОНТАКТА

L7B1P307.png
Показать иллюстрациюПеревод текста в иллюстрациях


в. РАСПОЛОЖЕНИЕ РАЗЪЁМОВ И СОЕДИНЕНИЙ МАССЫ

L7B12104.png
Показать иллюстрациюПеревод текста в иллюстрациях


L7B12016.png
Показать иллюстрациюПеревод текста в иллюстрациях


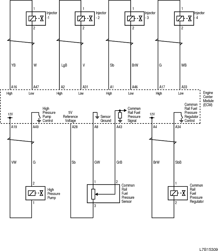
6) INJECTOR AND FUEL LINE CIRCUIT

L7B15309.png
Показать иллюстрациюПеревод текста в иллюстрациях


а. ИНФОРМАЦИЯ О РАЗЪЁМЕ

№ РАЗЪЁМА
(№ И ЦВЕТ КОНТАКТА)
СОЕДИНИТЕЛЬНЫЙ ЖГУТ ПРОВОДОВ ПОЛОЖЕНИЕ РАЗЪЁМА
C102 (68 Pin, Gray) Engine - Engine room fuse block Engine room fuse block
C103 (68 Pin, White) Body - Engine room fuse block Engine room fuse block
C106 (12 Pin, Black) Engine - Intake At the front bottom of cylinder head
C201 (76 Pin, Black) IP - I/P fuse block I/P fuse block
C204 (22 Pin, White) IP - Body Connector box at the bottom of left A pillar
G104 Engine Front and center of engine cyliner block

б. УСЛОВНОЕ ОБОЗНАЧЕНИЕ & И НАХОЖДЕНИЕ НОМЕРА КОНТАКТА

L7B1P308.png
Показать иллюстрациюПеревод текста в иллюстрациях


в. РАСПОЛОЖЕНИЕ РАЗЪЁМОВ И СОЕДИНЕНИЙ МАССЫ

L7B12104.png
Показать иллюстрациюПеревод текста в иллюстрациях


L7B12102.png
Показать иллюстрациюПеревод текста в иллюстрациях


L7B12103.png
Показать иллюстрациюПеревод текста в иллюстрациях


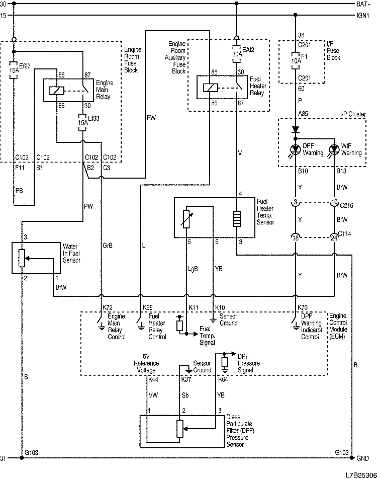
7) WIF SENSOR, DPF PRESSURE SENSOR AND FUEL HEATER/TEMPERATURE SENSOR

L7B25306.png
Показать иллюстрациюПеревод текста в иллюстрациях


а. ИНФОРМАЦИЯ О РАЗЪЁМЕ

№ РАЗЪЁМА
(№ И ЦВЕТ КОНТАКТА)
СОЕДИНИТЕЛЬНЫЙ ЖГУТ ПРОВОДОВ ПОЛОЖЕНИЕ РАЗЪЁМА
C102 (68 Pin, Gray) Engine - Engine room fuse block Engine room fuse block
C114 (36 Pin, Black) Engine Extension - Engine Behind engine room fuse block
C216 (20 Pin, White) Engine - IP Near the Connector box at the bottom of right A pillar

б. УСЛОВНОЕ ОБОЗНАЧЕНИЕ & И НАХОЖДЕНИЕ НОМЕРА КОНТАКТА

L7B1P309.png
Показать иллюстрациюПеревод текста в иллюстрациях


в. РАСПОЛОЖЕНИЕ РАЗЪЁМОВ И СОЕДИНЕНИЙ МАССЫ

L7B12104.png
Показать иллюстрациюПеревод текста в иллюстрациях


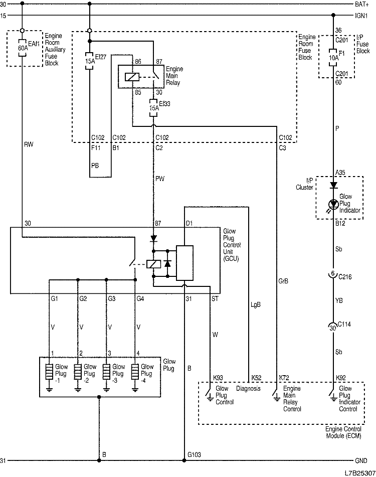
8) GLOW PLUG CONTROL CIRCUIT

L7B25307.png
Показать иллюстрациюПеревод текста в иллюстрациях


а. ИНФОРМАЦИЯ О РАЗЪЁМЕ

№ РАЗЪЁМА
(№ И ЦВЕТ КОНТАКТА)
СОЕДИНИТЕЛЬНЫЙ ЖГУТ ПРОВОДОВ ПОЛОЖЕНИЕ РАЗЪЁМА
C102 (68 Pin, Gray) Engine - Engine room fuse block Engine room fuse block
C114 (36 Pin, Black) Engine Extension - Engine Behind engine room fuse block
C216 (20 Pin, White) Engine - IP Near the Connector box at the bottom of right A pillar
G103 Engine Between engine room fuse block and battery

б. УСЛОВНОЕ ОБОЗНАЧЕНИЕ & И НАХОЖДЕНИЕ НОМЕРА КОНТАКТА

L7B1P310.png
Показать иллюстрациюПеревод текста в иллюстрациях


в. РАСПОЛОЖЕНИЕ РАЗЪЁМОВ И СОЕДИНЕНИЙ МАССЫ

L7B12104.png
Показать иллюстрациюПеревод текста в иллюстрациях


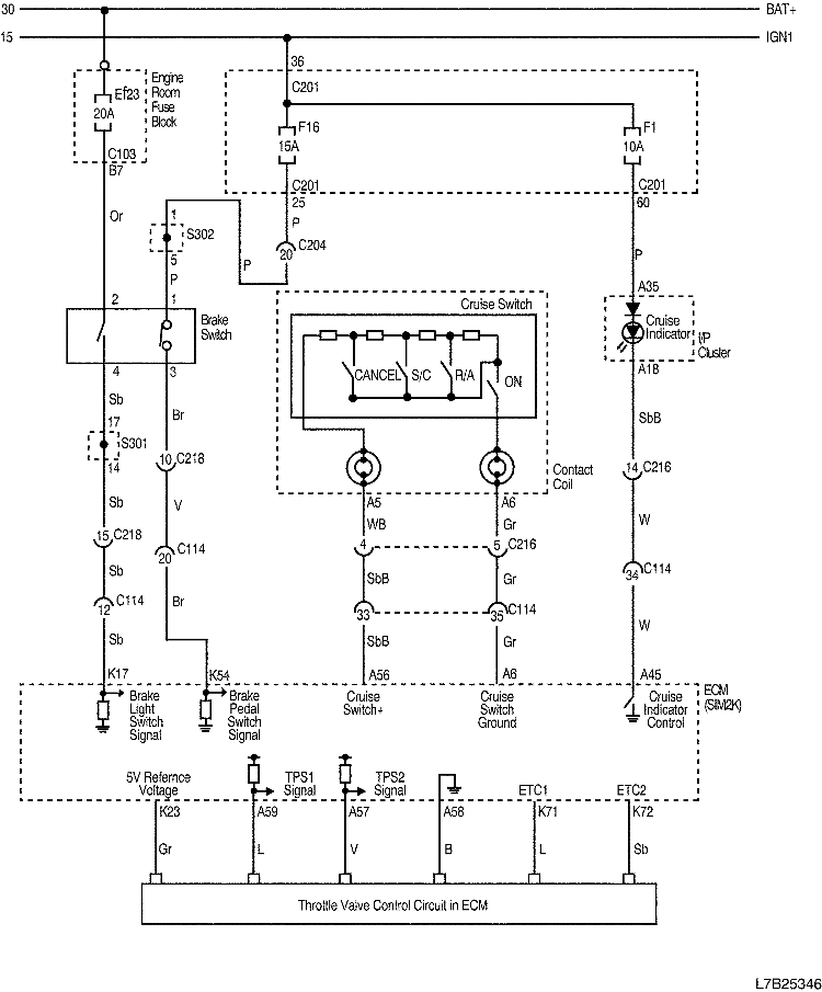
9) CRUISE CONTROL CIRCUIT

L7B25346.png
Показать иллюстрациюПеревод текста в иллюстрациях


а. ИНФОРМАЦИЯ О РАЗЪЁМЕ

№ РАЗЪЁМА
(№ И ЦВЕТ КОНТАКТА)
СОЕДИНИТЕЛЬНЫЙ ЖГУТ ПРОВОДОВ ПОЛОЖЕНИЕ РАЗЪЁМА
C103 (68 Pin, White) Body - Engine room fuse block Engine room fuse block
C114 (36 Pin, Black) Engine Extension - Engine Behind engine room fuse block
C201 (76 Pin, Black) IP - I/P fuse block I/P fuse block
C204 (22 Pin, White) IP - Body Connector box at the bottom of left A pillar

б. УСЛОВНОЕ ОБОЗНАЧЕНИЕ & И НАХОЖДЕНИЕ НОМЕРА КОНТАКТА

L7B1P323.png
Показать иллюстрациюПеревод текста в иллюстрациях


в. РАСПОЛОЖЕНИЕ РАЗЪЁМОВ И СОЕДИНЕНИЙ МАССЫ

L7B12104.png
Показать иллюстрациюПеревод текста в иллюстрациях


L7B12002.png
Показать иллюстрациюПеревод текста в иллюстрациях


г. КОНТАКТНАЯ КОЛОДКА

S301

L7B2S102.png
Показать иллюстрациюПеревод текста в иллюстрациях


S302

L7B1S103.png
Показать иллюстрациюПеревод текста в иллюстрациях


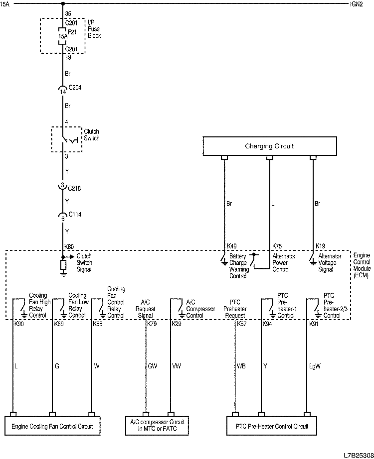
10) CLUTCH SWITCH, MONITORED AND CONTROLLED SUBSYSTEM

L7B25308.png
Показать иллюстрациюПеревод текста в иллюстрациях


а. ИНФОРМАЦИЯ О РАЗЪЁМЕ

№ РАЗЪЁМА
(№ И ЦВЕТ КОНТАКТА)
СОЕДИНИТЕЛЬНЫЙ ЖГУТ ПРОВОДОВ ПОЛОЖЕНИЕ РАЗЪЁМА
C114 (36 Pin, Black) Engine Extension - Engine Behind engine room fuse block
C201 (76 Pin, Black) IP - I/P fuse block I/P fuse block
C204 (22 Pin, White) IP - Body Connector box at the bottom of left A pillar
C218 (15 Pin, White) Engine - Body Connector box at the bottom of right A pillarr

б. УСЛОВНОЕ ОБОЗНАЧЕНИЕ & И НАХОЖДЕНИЕ НОМЕРА КОНТАКТА

L7B1P311.png
Показать иллюстрациюПеревод текста в иллюстрациях


в. РАСПОЛОЖЕНИЕ РАЗЪЁМОВ И СОЕДИНЕНИЙ МАССЫ

L7B12104.png
Показать иллюстрациюПеревод текста в иллюстрациях


L7B12016.png
Показать иллюстрациюПеревод текста в иллюстрациях


На предыдущую страницу На следующую страницу


Главная страница сайта