Руководство по техническому обслуживанию2007 Epica ПОДВЕСКА (ЗАДНЯЯ ПОДВЕСКА)К началу документа
Epica
На предыдущую страницуНа следующую страницу
Главная страница GMDEЗагрузить нединамическое оглавлениеЗагрузить динамическое оглавлениеПомощь

РАЗДЕЛ 2D

ПОДВЕСКА (ЗАДНЯЯ ПОДВЕСКА)

G132D01A
Показать иллюстрациюПеревод текста в иллюстрациях


ЗАДНЯЯ ПОДВЕСКА - ЗАДНИЙ МОСТ (231)

ОПИСАНИЕ ОПЕРАЦИИ
КОД ОПЕРАЦИИ
МОДЕЛЬ
S1
S2
N
L1
L2
1
. СТАБИЛИЗАТОР, ЗАДНИЙ - ЗАМЕНА
2310100
0.4
0.4
0.4
2
. ДЕМПФЕР, СТАБИЛИЗАТОР - ЗАМЕНА
2310300
0.3
0.3
0.3
3
. ПОДШИПНИК И ЗАДНЕЕ КОЛЕСО - ЗАМЕНА
.
.
.
.
.
.
Правая
2310500
0.7
0.7
Левая
2310600
0.7
0.7
Оба
2310700
1,2
1,2
4
. МОСТ В СБОРЕ, ЗАДНИЙ - БАЛАНСИРОВКА
2310900
5
. ВТУЛКА, ЗАДНИЙ МОСТ - ЗАМЕНА
.
.
.
.
.
.
Правая
2311100
1,4
1,4
Левая
2311200
1,4
1,4
Оба
2311300
1.5
1.5
6
. ШПИНДЕЛЬ, ПОДШИПНИК КОЛЕСА - ЗАМЕНА
.
.
.
.
.
.
Правая
2311500
0.6
0.6
Левая
2311600
0.6
0.6
Оба
2311700
1.1
1.1
7
. КОЛПАК, СТУПИЦА - ЗАМЕНА
.
.
.
.
.
.
Правая
2312100
0.2
0.2
Левая
2312200
0.2
0.2
Оба
2312300
0.3
0.3
8
. ТЯГА, ПЕРЕДНЯЯ ПАРАЛЛЕЛЬНАЯ - ЗАМЕНА
.
.
.
.
.
.
. ВКЛ.: РЕГУЛИРОВКА УГЛОВ УСТАНОВКИ ЗАДНИХ КОЛЕС
.
.
.
.
.
.
Правая
2312500
1,2
1,2
1,2
Левая
2312600
1,2
1,2
1,2
Оба
2312700
1,4
1,4
1,4
9
. ВТУЛКА, ТЯГА ПОДВЕСКИ - ЗАМЕНА
.
.
.
.
.
.
Правая
2313100
Левая
2313200
Оба
2313300

G132D01A
Показать иллюстрациюПеревод текста в иллюстрациях


ЗАДНЯЯ ПОДВЕСКА - ЗАДНИЙ МОСТ (231)

ОПИСАНИЕ ОПЕРАЦИИ
КОД ОПЕРАЦИИ
МОДЕЛЬ
S1
S2
N
L1
L2
10
. ТЯГА, ЗАДНЯЯ ПАРАЛЛЕЛЬНАЯ - ЗАМЕНА
.
.
.
.
.
.
Правая
2313400
0.4
0.4
0.4
Левая
2313500
0.4
0.4
0.4
Оба
2313600
0.6
0.6
0.6
11
. ВТУЛКА, ТЯГА РЕГУЛИРОВКИ СХОЖДЕНИЯ - ЗАМЕНА
.
.
.
.
.
.
Правая
2313700
Левая
2313800
Оба
2313900
12
. ТЯГА, ЗАДНИЙ СТАБИЛИЗАТОР - ЗАМЕНА
.
.
.
.
.
.
Правая
2314100
0.3
0.3
0.3
Левая
2314200
0.3
0.3
0.3
Оба
2314300
0.4
0.4
0.4
13
. КУЛАК, ЗАДНИЙ (БАРАБАННЫЙ) - ЗАМЕНА
.
.
.
.
.
.
Правый (без АБС)
2314400
1.3
Левый (без АБС)
2314500
1.3
Оба (без АБС)
2314600
2.0
Правый (АБС)
2314700
1.1
Левый (АБС)
2314800
1.1
Оба (АБС)
2314900
1.7
. КУЛАК, ЗАДНИЙ (ДИСКОВЫЙ) - ЗАМЕНА
.
.
.
.
.
.
Правая
2315100
0.8
0.8
0.8
Левая
2315200
0.8
0.8
0.8
Оба
2315300
1,4
1,4
1,4
14
. РЫЧАГ, ЗАДНИЙ ПРОДОЛЬНЫЙ - ЗАМЕНА
.
.
.
.
.
.
Правая
2315400
0.3
0.3
0.3
Левая
2315500
0.3
0.3
0.3
Оба
2315600
0.4
0.5
0.5
15
. КРОНШТЕЙН, ПРОДОЛЬНЫЙ РЫЧАГ - ЗАМЕНА
.
.
.
.
.
.
Правая
2315700
Левая
2315800
Оба
2315900

G132D01A
Показать иллюстрациюПеревод текста в иллюстрациях


ЗАДНЯЯ ПОДВЕСКА - ЗАДНИЙ МОСТ (231)

ОПИСАНИЕ ОПЕРАЦИИ
КОД ОПЕРАЦИИ
МОДЕЛЬ
S1
S2
N
L1
L2
16
. ПОПЕРЕЧИНА, ЗАДНЯЯ ПОДВЕСКА - ЗАМЕНА
2316100
1.7
1.7
2.8
2.8
2.8
. ВКЛ.: РЕГУЛИРОВКА УГЛОВ УСТАНОВКИ ЗАДНИХ КОЛЕС
.
.
.
.
.
.
17
. РЫЧАГ, ВЕРХНИЙ - ЗАМЕНА
.
.
.
.
.
.
Правая
2318100
0.4
0.4
Левая
2318200
0.4
0.4
Оба
2318300
0.6
0.6
18
. ПОДШИПНИК И СТУПИЦА В СБОРЕ, ЗАДНЕЕ КОЛЕСО - ЗАМЕНА
.
.
.
.
.
.
Правая
2318400
0.5
0.5
0.5
Левая
2318500
0.5
0.5
0.5
Оба
2318600
0,9
0,9
0,9

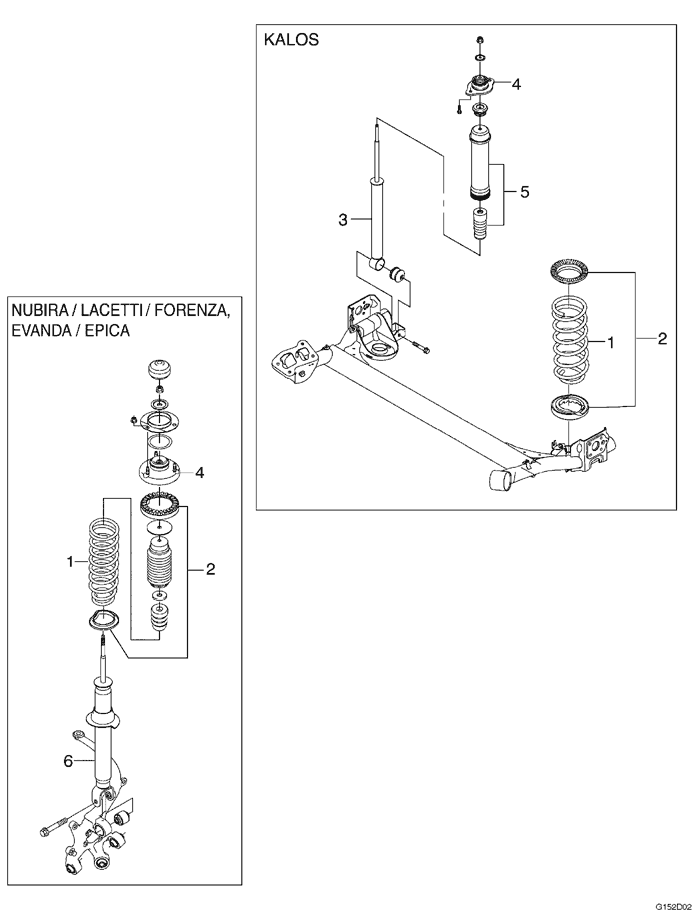
G152D02
Показать иллюстрациюПеревод текста в иллюстрациях


ЗАДНЯЯ ПОДВЕСКА - АМОРТИЗАТОР ЗАДНЕЙ ПОДВЕСКИ (232)

ОПИСАНИЕ ОПЕРАЦИИ
КОД ОПЕРАЦИИ
МОДЕЛЬ
S1
S2
N
L1
L2
1
. ПРУЖИНА, ЗАДНЯЯ ВИТАЯ - ЗАМЕНА
.
.
.
.
.
.
Правая
2320100
0.7
0.7
1.0
1.0
1.0
Левая
2320300
0.7
0.7
1.0
1.0
1.0
Оба
2320400
0.8
0.8
1.6
1.6
1.6
2
. ГНЕЗДО И/ИЛИ ИЗОЛЯТОР, ЗАДНЯЯ ПРУЖИНА (ВЕРХ/НИЗ) - ЗАМЕНА
.
.
.
.
.
.
Правая
2320700
0.7
0.7
1.0
1.0
1.0
Левая
2320800
0.7
0.7
1.0
1.0
1.0
Оба
2320900
0.8
0.8
1.6
1.6
1.6
3
. АМОРТИЗАТОР, ЗАДНИЙ - ЗАМЕНА
.
.
.
.
.
.
Правая
2321100
0.6
0.6
Левая
2321200
0.6
0.6
Оба
2321300
0.8
0.8
4
. КРЕПЛЕНИЕ СТОЙКИ ПОДВЕСКИ, ЗАДНЕЙ - ЗАМЕНА
.
.
.
.
.
.
Правая
2321700
0.7
0.7
0,9
0,9
0,9
Левая
2321800
0.7
0.7
0,9
0,9
0,9
Оба
2321900
1,2
1,2
1,4
1,4
1,4
5
. ПЫЛЬНИК И/ИЛИ ПОЛЫЙ ДЕМПФЕР - ЗАМЕНА
.
.
.
.
.
.
Правая
2322400
0.7
0.7
1.0
1.0
1.0
Левая
2322500
0.7
0.7
1.0
1.0
1.0
Оба
2322600
1,2
1,2
1.6
1.6
1.6
6
. ДЕМПФЕР, АМОРТИЗАЦИОННАЯ СТОЙКА - ЗАМЕНА
.
.
.
.
.
.
Правая
2322700
1.0
1.0
1.0
Левая
2322800
1.0
1.0
1.0
Оба
2322900
1.6
1.6
1.6


На предыдущую страницуНа следующую страницу
Главная страница сайта