Руководство по техническому обслуживанию2007 Epica МЕХАНИЧЕСКАЯ ЧАСТЬ 6-ЦИЛИНДРОВОГО ДВИГАТЕЛЯ С ДВУМЯ РАСПРЕДВАЛАМИ ВЕРХНЕГО РАСПОЛОЖЕНИЯ (DOHC)К началу документа
Epica
На предыдущую страницуНа следующую страницу
Главная страница GMDEЗагрузить нединамическое оглавлениеЗагрузить динамическое оглавлениеПомощь

РАЗДЕЛ 1C

МЕХАНИЧЕСКАЯ ЧАСТЬ 6-ЦИЛИНДРОВОГО ДВИГАТЕЛЯ С ДВУМЯ РАСПРЕДВАЛАМИ ВЕРХНЕГО РАСПОЛОЖЕНИЯ (DOHC)

Внимание! Отключите отрицательный кабель батаре перед снятием или установкой любых электрических узлов или при возможном контакте инструментов или оборудования с оголенными электрическими клеммами. Отключение кабеля поможет избежать травм и механических поврежений. Зажигание должно быть заблокировано, если не указано иное.

ТЕХНИЧЕСКИЕ ХАРАКТЕРИСТИКИ

ТЕХНИЧЕСКИЕ ХАРАКТЕРИСТИКИ ДВИГАТЕЛЯ (2.0 XK)

ПРОГРАММА
Описание
Общие данные:
Тип двигателя
6 цилиндров (рядный)
Рабочий объем
1993 см³(121,62 дюйм³)
Ход цилиндра
75 х 75.2 мм (2,95 дюйма х 2,96 дюйма)
Степень сжатия
10.2 : 1
Последовательность воспламенения
1-5-3-6-2-4
Отверстие цилиндра:
Диаметр
74,994~75,010 мм (2,9525~2,9531 дюйма)
Допуск по цилиндричности (максимум)
0,007 мм (0,00028 дюйма)
Конусность цилиндра (макс.)
0,01 мм (0,0004 дюйма)
Выступ поршня
МАКС. 0,132 мм (МАКС. 0,0052 дюйма)
Припуск (мера по замену поршня перед новой расточкой)
НЕТ
Деформация поверхности блока
0,1 мм (0,003937 дюйма)
Поршень:
Диаметр
74,970~74,998 мм (2,9516~2,9527 дюйма)
Зазор к цилиндру
0,014~0,032 мм (0,00055~0,00126 дюйма)
Поршневые кольца:
Кольцо, зазор в конце, компрессия в верхнем положении
0,2~0,4 мм (0,00787~0,01575 дюйма)
Кольцо, зазор в конце, вторичная компрессия
0,2~0,4 мм (0,0787~0,01575 дюйма)
Масло
0,2~0,7 мм (0,00787~0,02756 дюйма)
Поршневой палец:
Диаметр
18,995~19,000 мм (0,74783~0,74803 дюйма)
Смещение пальца
0,8 мм (0,0315 дюйма) В сторону нажима
Зазор: В поршне
0,009~0,019 мм (0,00035~0,00075 дюйма)
Зазор: В шатуне
Посадка с натягом в шатуне (-0,010~-0,025 мм)
Длина
55,7~56,0 мм (2,193~2,205 дюйма)
Распределительный вал:
Высота подъема клапана - Впуск
9,8 мм (0,3858 дюйма)
Высота подъема клапана - Выпуск
9 мм (0,35 дюйма)
Зазор между головкой распределительного вала и шейкой подшипника
0,03~0,071 мм (0,00118~0,00280 дюйма)
Наружный диаметр шейки подшипника
24,95~24,97 мм (0,98228~0,98307 дюйма)
Коленчатый вал:
Коренная шейка: Диаметр (все)
57,980~58,000 мм (2,2827~2,2835 дюйма)
Коренная шейка - радиальное биение (опора вала на подшипники №1 и №7, измерение на шейке №4)
0,06 мм (0,00236 дюйма)
Зазор коренного подшипника (все)
0,019~0,049 мм (0,00075~0,000193 дюйма)
Осевой люфт
0,055~0,265 мм (0,002~0,010 дюйма)
Ремонтный размер
НЕТ
Шейка шатуна:
Диаметр (все)
47,2~47,212 мм (1,8583~1,8587 дюйма)
Допуск по цилиндричности (максимум)
0,008 мм (0,00031 дюйма)
Люфт подшипника штока.
0,080~0,260 мм (0,00315~0,01024 in.)
Зазор подшипника штока
0,031~0,065 мм (0,00122~0,00256 дюйма)
Головка цилиндров:
Высота направляющей клапана
11,7~12,0 мм (0,46063~0,47244 дюйма)
Общая высота
128,2~128,4 мм (5,04724~5,05512 дюйма)
Минимальная общая высота после обработки
128.2 мм (5.0472 дюйма)
Клапанная система:
Компенсаторы зазора в клапанах
гидравлические
Биение седла (максимум, все)
0,05 мм (0,00197 дюйма)
Биение фаски (максимум, все)
0,03 мм (0.00118 in.)
Диаметр штока клапана на впуске
5,465~5,479 мм (0.21516~0.21571 дюйма)
Диаметр штока клапана на выпуске
5,465~5,470 мм (0,21480~0,21535 дюйма)
Диаметр клапана (впуск)
29,3~29,5 мм (1,15354~1,16142 дюйма)
Диаметр клапана (выпуск)
24,9~25,1 мм (0,98032~0,98819 дюйма)
Ширина седла клапана на впуске
1,0~1,4 мм (0,03937~0,05512 дюйма)
Ширина седла клапана на выпуске
1,4~1,8 мм (0,05512~0,07087 дюйма)
Угол фаски клапана
90°25´~90°55´
Угол седла клапана
89,5°~90°
Внутренний диаметр направляющей клапана
5,5~5,512 мм (0,21654~0,21701 дюйма)
Масляный насос:
Наружная шестерня к кузову
0,1~0,19 мм (0,00394~0,00748 дюйма)
Наружная шестерня к серповидной детали
0,02~0,07 мм (0,00079~0,00276 дюйма)
Внутренняя шестерня к серповидной детали
0,02~0,07 мм (0,00079~0,00276 дюйма)
Концевой зазор (зазор по головкам зубьев)
0,02~0,16 мм (0,00079~0,00630 дюйма)
Уплотнители и клеи:
Болты масляного поддона (масляный поддон x основание)
Loctite® 5900
Заглушка канала для смазки
Loctite® 242
Крышки и заглушки охладительной рубашки (охладительные заглушки)
Сухой замок уплотнения в пробке

Технические характеристики двигателя (2.5 XK)

ПРОГРАММА
Описание
Общие данные:
Тип двигателя
6 цилиндров (рядный)
Рабочий объем
2,492 см³(152 дюйм³)
Ход цилиндра
77 х 89,2 мм (3,03 дюйма х 3,51 дюйма)
Степень сжатия
9.8:1
Последовательность воспламенения
1-5-3-6-2-4
Отверстие цилиндра:
Диаметр
76,994~77,006 мм (3,0313~3,0317 дюйма)
Допуск по цилиндричности (максимум)
0,007 мм (0,00028 дюйма)
Конусность цилиндра (макс.)
0,01 мм (0,0004 дюйма)
Выступ поршня
МАКС. 0,132 мм (МАКС. 0,0052 дюйма)
Припуск (мера по замену поршня перед новой расточкой)
НЕТ
Деформация поверхности блока
0,1 мм (0,003937 дюйма)
Поршень:
Диаметр
76,973~77,015 мм (3,0304~3,0320 дюйма)
Зазор к цилиндру
-0.015~0.027 мм (-0.00059~0.00106 дюйма)
Поршневые кольца:
Кольцо, зазор в конце, компрессия в верхнем положении
0,2~0,35 мм (0,00787~0,01378 дюйма)
Кольцо, зазор в конце, вторичная компрессия
0,35~0,5 мм (0,01378~0,01969 дюйма)
Масло
0,2~0,7 мм (0,00787~0,02756 дюйма)
Поршневой палец:
Диаметр
18,995~19,000 мм (0,74783~0,74803 дюйма)
Смещение пальца
0,6 мм (0,02362 дюйма)
Зазор: В поршне
0,009~0,019 мм (0,00035~0,00075 дюйма)
Зазор: В шатуне
Посадка с натягом в шатуне (-0,010~-0,025 мм)
Длина
55,7~56,0 мм (2,193~2,205 дюйма)
Распределительный вал:
Впускной подъем
10 мм (0,39 дюйма)
Выпускной подъем
9 мм (0,35 дюйма)
Зазор между головкой распределительного вала и шейкой подшипника
0,03~0,071 мм (0,00118~0,00280 дюйма)
Наружный диаметр шейки подшипника
24,95~24,97 мм (0,98228~0,98307 дюйма)
Коленчатый вал:
Коренная шейка: Диаметр (все)
57,980~58,000 мм (2,2827~2,2835 дюйма)
Коренная шейка - радиальное биение (опора вала на подшипники №1 и №7, измерение на шейке №4)
0,06 мм (0,00236 дюйма)
Зазор коренного подшипника (все)
0,019~0,049 мм (0,00075~0,000193 дюйма)
Осевой люфт
0,055~0,265 мм (0,002~0,010 дюйма)
Ремонтный размер
НЕТ
Шейка шатуна:
Диаметр (все)
47,2~47,212 мм (1,8583~1,8587 дюйма)
Допуск по цилиндричности (максимум)
0,008 мм (0,00031 дюйма)
Люфт подшипника штока.
0,080~0,260 мм (0,00315~0,01024 in.)
Зазор подшипника штока
0,031~0,065 мм (0,00122~0,00256 дюйма)
Головка цилиндров:
Высота направляющей клапана
11,7~12,0 мм (0,46063~0,47244 дюйма)
Общая высота
128,2~128,4 мм (5,04724~5,05512 дюйма)
Минимальная общая высота после обработки
128,2 мм (5,0472 дюйма)
Клапанная система:
Компенсаторы зазора в клапанах
гидравлические
Биение седла (максимум, все)
0,05 мм (0,00197 дюйма)
Биение фаски (максимум, все)
0,03 мм (0.00118 in.)
Диаметр штока клапана (впуск)
5,465~5,479 мм (0.21516~0.21571 дюйма)
Диаметр штока клапана (выпуск)
5,465~5,470 мм (0,21480~0,21535 дюйма)
Диаметр клапана на выпуске
30,1~30,3 мм (1,18504~1,19291 дюйма)
Диаметр клапана на выпуске
25,7~25,9 мм (1,01181~1,01969 дюйма)
Ширина седла клапана на впуске
1,0~1,4 мм (0,03937~0,05512 дюйма)
Ширина седла клапана на выпуске
1,4~1,8 мм (0,05512~0,07087 дюйма)
Угол фаски клапана
90°~90°40´
Угол седла клапана
89,5°~90°
Внутренний диаметр направляющей клапана
5,5~5,512 мм (0,21654~0,21701 дюйма)
Масляный насос:
Наружная шестерня к кузову
0,1~0,19 мм (0,00394~0,00748 дюйма)
Наружная шестерня к серповидной детали
0,02~0,07 мм (0,00079~0,00276 дюйма)
Внутренняя шестерня к серповидной детали
0,02~0,07 мм (0,00079~0,00276 дюйма)
Концевой зазор (зазор по головкам зубьев)
0,02~0,16 мм (0,00079~0,00630 дюйма)
Уплотнители и клеи:
Болты масляного поддона (масляный поддон x основание)
Loctite® 5900
Заглушка канала для смазки
Loctite® 242
Крышки и заглушки охладительной рубашки (охладительные заглушки)
Сухой замок уплотнения в пробке

Моменты затяжки резьбовых соединений

ПРОГРАММА
Н•м
lb-ft
lb-in
Крепежный винт/гайка впускного коллектора
10~14
-
89~124
Винт декоративной крышки двигателя
8~12
-
71~106
Болт переднего опорного кронштейна
15~25
11~18
-
Болт заднего опорного кронштейна (со стороны впуска)
8~12
-
71~106
Болт заднего опорного кронштейна (со стороны выпуска)
18~25
13~18
-
Болты крышки головки цилиндров
12~14
-
106~124
Винт корпуса воздушного фильтра
8~12
-
71~106
Винт крепления адаптера масляного фильтра
20~26
15~19
-
Соединительная деталь
17~23
13~17
-
Масляный фильтр
12~16
9~12
-
Гайка крепления звездочки масляного насоса
18~22
13~16
-
Винт масляного насоса
18~22
13~16
-
Винт крепления маслооткачивающей трубы к масляному насосу
8~12
-
71~106
Винт кронштейна маслооткачивающей трубы
8~12
-
71~106
Винт крышки звездочки масляного насоса
5~7
-
44~62
Стопорный винт масляного поддона
8~12
-
71~106
Винт крепления фланца масляного поддона к коробке передач с главной передачей в сборе
27~35
20~26
-
Пробка сливного отверстия масляного поддона
30~40
22~30
-
Гайка крепления кронштейна подвески двигателя к гидравлической подвеске
55~70
41~52
-
Гайка кронштейна подвески двигателя
42~60
31~44
-
Винт кронштейна подвески двигателя
42~60
31~44
-
Винт крепления рамы подвески КПП с главной передачей в сборе к продольному элементу
55~75
41~55
-
Винт крепления рамы подвески КПП с главной передачей в сборе к кронштейну подвески КПП с главной передачей в сборе
55~75
41~55
-
Гайка крепления рамы подвески КПП с главной передачей в сборе к кронштейну подвески КПП с главной передачей в сборе
55~75
41~55
-
Стяжной болт рамы подвески КПП с главной передачей в сборе
100~120
74~89
-
Стопорная гайка выпускного коллектора
27~30
20~22
-
Винт теплоизоляционного щитка выпускного коллектора
18~22
13~16
-
Винт крепления блока цилиндров двигателя к коробке передач с главной передачей в сборе
60~85
44~63
-
Болт центрального элемента передней подвески
80~100
59~74
-
Винт гидротрансформатора коробки передач с главной передачей в сборе
40~50
30~37
-
Винт крепления переднего кронштейна подвески двигателя к втулке амортизатора
70~90
52~66
-
Винт крепления нижней крышки двигателя
17~27
13~20
-
Винт неподвижной направляющей цепи распределительного механизма
18~22
13~16
-
Винт рычага цепи распределительного механизма
18~22
13~16
-
Винт механизма натяжения цепи распределительного механизма
18~22
13~16
-
Винт верхней направляющей цепи
9~11
-
80~97
Винт крышки цепи распределительного механизма
6~10
-
53~89
Винт крышки цепи распределительного механизма (центральный)
18~22
13~16
-
Механизм автоматического натяжения приводного ремня
20~30
15~22
-
Винт шкива водяного насоса
8~12
-
71~106
Винт опоры кронштейна подвески двигателя
25~31
18~23
-
Винт шкива коленчатого вала
500~600
369~443
-
Винт гибкой пластины
70~80
52~59
-
Винт головки цилиндров
20, 25+70°
+70°
15,18+70°
+70°
-
Винт верхнего кронштейна подушки
35~55
26~41
-
Винт крепления выпуска охлаждающей жидкости
8~12
-
71~106
Винт крепления адаптера рециркуляции отработавших газов
18~22
13~16
-
Крепежный винт насоса рулевого управления с гидроусилителем
20~30
15~22
-
Винт опорного кронштейна впускного коллектора
20~30
15~22
-
Внутренний винт опорной плиты
33+135°
24+135°
-
Наружный винт опорной плиты
20~26
15~19
-
Винт рычага цепи масляного насоса
6~10
-
53~89
Винт кронштейна масляного щупа двигателя
18~22
13~16
-
Винт масляного щупа двигателя
8~10
-
71~89
Внутренний винт дефлектора опорной плиты
7~9
-
62~80
Винт нижнего кронштейна подушки
35~45
26~33
-
Винт крепления холостого шкива
35~55
26~41
-
Винт кронштейна верхней подушки к нижней подушке
30~40
22~30
-
Винт/гайка крепления компрессора
20~30
15~22
-
Втулка оси коромысел
35~45
26~33
-
Винт головки распределительного вала
10~14
-
89~124
Винт кулачка звездочки
18~22
13~16
-
Болт крышки шатуна
20+45°+90°
15+45°+90°
-
Болт кронштейна втулки переднего амортизатора
55~75
26~55
-
Винт заднего кронштейна подвески КПП с главной передачей в сборе
55~75
26~55
-
Винт ведомого колеса
7~11
-
62~97
Винт адаптера нагревателя
18~22
13~16
-
Винт заземления блока цилиндров двигателя
15~25
11~18
-
Винт клапана PCV
8~12
-
71~106
Свечи зажигания
20~30
15~22
-
Винт кронштейна жгута проводки
8~12
-
71~106
Датчик температуры впускного воздуха (IAT)
20~30
15~22
-
Винт датчика абсолютного давления в коллекторе (MAP)
6~10
-
53~89
Датчик температуры охлаждающей жидкости (ECTS)
15~20
11~15
-
Датчик положения распределительного вала (CMP)
10~14
-
89~124
Датчик кислорода (O2S)
34~44
25~32
-
Винт датчика положения коленчатого вала (CKP)
5~8
-
44~71
Датчик детонации
18~20
13~15
-
Винт корпуса дроссельной заслонки
8~18
6~13
-
Винт катушки зажигания
6~8
-
53~71
Винт рециркуляции отработавших газов (EGR)
20~30
15~22
-
Винт водяного насоса
20~26
15~19
-
Винт корпуса термостата
8~12
-
71~106
Винт вентилятора системы охлаждения в сборе
3,5~4,5
-
31~40
Винт кронштейна радиатора
8~10
-
71~89
Винт резервуара охлаждающей жидкости
3,5~4,5
-
31~40
Гайка приемной трубы глушителя
32~48
24~35
-
Винты нижнего кронштейна приемной трубы глушителя
32~48
24~35
-
Гайка крепления впускной трубы глушителя к переднему глушителю
25~35
18~26
-
Гайка крепления переднего глушителя к заднему глушителю
32~48
24~35
-
Гайка теплового экрана каталитического нейтрализатора
2~3
-
18~27
Гайка теплового экрана переднего глушителя
2~3
-
18~27
Гайка теплового экрана заднего глушителя
2~3
-
18~27
Верхний болт генератора
30~40
22~30
-
Нижний болт генератора
30~45
22~33
-
Винт крепления стартера к блоку цилиндров двигателя
40~50
30~37
-
Винт крепления стартера к коробке передач с главной передачей в сборе
45~55
33~41
-
Гайка зажима аккумуляторной батареи
4
-
35
Гайки крепления экрана топливного бака
2~3
-
18~27
Винты крепления трубки адсорбера системы улавливания паров бензина
7~12
-
62~106

СПЕЦИАЛЬНЫЕ ИНСТРУМЕНТЫ

Таблица специальных инструментов


F202C301
Показать иллюстрациюПеревод текста в иллюстрациях


DW110-030
Стенд для капремонта двигателя

F202C312
Показать иллюстрациюПеревод текста в иллюстрациях


DW110-060
Подвесная опора узла двигателя

F202C302
Показать иллюстрациюПеревод текста в иллюстрациях


DW110-130-01
Держатель шкива коленчатого вала

F202C303
Показать иллюстрациюПеревод текста в иллюстрациях


DW110-130-02
Приспособление для установки/снятия шкива коленчатого вала

F202C304
Показать иллюстрациюПеревод текста в иллюстрациях


DW110-140
Установочный направляющий штифт крышки цепи распределительного механизма

F202C305
Показать иллюстрациюПеревод текста в иллюстрациях


DW110-150
Крепление звездочки распределительного вала

F202C306
Показать иллюстрациюПеревод текста в иллюстрациях


DW110-160
Приспособление для установки/снятия оси коромысел

F202C307
Показать иллюстрациюПеревод текста в иллюстрациях


DW110-170-01
Приспособление для установки поршневых колец (XK 2.0)

F202C308
Показать иллюстрациюПеревод текста в иллюстрациях


DW110-170-02
Приспособление для установки поршневых колец (XK 2.5)

F202C309
Показать иллюстрациюПеревод текста в иллюстрациях


DW110-180-01
Приспособление для монтажа переднего сальника коленчатого вала

F202C310
Показать иллюстрациюПеревод текста в иллюстрациях


DW110-180-02
Приспособление для монтажа заднего сальника коленчатого вала

F202C311
Показать иллюстрациюПеревод текста в иллюстрациях


DW110-190
Приспособление для регулировки коленвала

G102B101
Показать иллюстрациюПеревод текста в иллюстрациях


DW010-010
Стенд для силового агрегата

F202C313
Показать иллюстрациюПеревод текста в иллюстрациях


09916-14510
Приспособление для сжатия пружин клапанов
09916-48210
Переходник для сжатия пружин клапанов

РАСПОЛОЖЕНИЕ КОМПОНЕНТОВ

Верхняя часть


L7B52C03
Показать иллюстрациюПеревод текста в иллюстрациях


  1. Гаситель пульсаций топлива
  2. Шланг топливной рампы
  3. Шланг топливной рампы
  4. топливная рампа
  5. топливная рампа
  6. Топливная форсунка
  7. Топливная форсунка
  8. Кольцевое уплотнение
  9. Кольцевое уплотнение
  10. Скоба топливной форсунки
  11. Скоба топливной форсунки
  12. Клапан PCV
  13. Клапан PCV
  14. Вакуумный шланг PCV
  15. Вакуумный шланг PCV
  16. Привод VIS
  17. Привод VIS
  18. Клапан VIS
  19. Клапан VIS
  20. Датчик МАР
  21. Датчик МАР
  22. Уплотнитель корпуса дроссельной заслонки
  23. Уплотнитель корпуса дроссельной заслонки
  24. Датчик IAT
  25. Датчик IAT
  26. Впускной коллектор
  27. Впускной коллектор
  28. Вакуумный резервуар VIS
  29. Вакуумный резервуар VIS
  30. Винт декоративной крышки двигателя
  31. Винт декоративной крышки двигателя
  32. Соленоид VIS
  33. Соленоид VIS
  34. Клапан рециркуляции выхлопных газов
  35. Клапан рециркуляции выхлопных газов
  36. Впускная труба узла рециркуляции отработавших газов
  37. Впускная труба узла рециркуляции отработавших газов
  38. Переходник узла рециркуляции отработавших газов
  39. Переходник узла рециркуляции отработавших газов
  40. Выпускная труба узла рециркуляции отработавших газов
  41. Выпускная труба узла рециркуляции отработавших газов
  42. Верхний тепловой экран
  43. Верхний тепловой экран
  44. Выпускной коллектор (1-3)
  45. Выпускной коллектор (1-3)
  46. Выпускной коллектор (4-6)
  47. Выпускной коллектор (4-6)
  48. Нижний тепловой экран
  49. Нижний тепловой экран
  50. Задний опорный кронштейн
  51. Задний опорный кронштейн
  52. Винт
  53. Винт
  54. Прокладка выпуска охлаждающей жидкости
  55. Прокладка выпуска охлаждающей жидкости
  56. Выпуск охлаждающей жидкости
  57. Выпуск охлаждающей жидкости
  58. Жгут проводки
  59. Жгут проводки
  60. Пружинодержатель клапана
  61. Пружинодержатель клапана
  62. Клин клапана
  63. Клин клапана
  64. Пружина клапана
  65. Пружина клапана
  66. Уплотнитель штока клапана
  67. Уплотнитель штока клапана
  68. Кольцо седла клапана
  69. Кольцо седла клапана
  70. Впускной клапан
  71. Впускной клапан
  72. Выпускной клапан
  73. Выпускной клапан
  74. Направляющая клапана
  75. Направляющая клапана
  76. Прокладка головки цилиндров
  77. Прокладка головки цилиндров
  78. Опора кронштейна подвески двигателя
  79. Опора кронштейна подвески двигателя
  80. Передний опорный кронштейн
  81. Передний опорный кронштейн
  82. Звездочка кулачкового вала впускных клапанов
  83. Звездочка кулачкового вала впускных клапанов
  84. Звездочка кулачкового вала выпускных клапанов
  85. Звездочка кулачкового вала выпускных клапанов
  86. Заглушка
  87. Заглушка
  88. Ось переднего коромысла
  89. Ось переднего коромысла
  90. Головка цилиндров
  91. Головка цилиндров
  92. Коромысло
  93. Коромысло
  94. Верхняя направляющая цепи
  95. Верхняя направляющая цепи
  96. Датчик положения распределительного вала (СМР)
  97. Датчик положения распределительного вала (СМР)
  98. Втулка оси коромысел
  99. Втулка оси коромысел
  100. Ось заднего коромысла
  101. Ось заднего коромысла
  102. Пружина
  103. Пружина
  104. Впускной распределительный вал
  105. Впускной распределительный вал
  106. Выпускной распределительный вал
  107. Выпускной распределительный вал
  108. Головка распределительного вала
  109. Головка распределительного вала
  110. Прокладка крышки головки цилиндров
  111. Прокладка крышки головки цилиндров
  112. Кронштейн впускного коллектора
  113. Кронштейн впускного коллектора
  114. Подающая и возвратная трубка нагревателя
  115. Подающая и возвратная трубка нагревателя
  116. Опорный кронштейн впускного коллектора
  117. Опорный кронштейн впускного коллектора
  118. Крышка маслоналивной горловины
  119. Крышка маслоналивной горловины
  120. Свечи зажигания
  121. Свечи зажигания
  122. Катушка зажигания
  123. Катушка зажигания
  124. Крышка головки цилиндров
  125. Крышка головки цилиндров
  126. Уплотнение впускного отверстия
  127. Уплотнение впускного отверстия
  128. Уплотнение узла рециркуляции отработавших газов
  129. Уплотнение узла рециркуляции отработавших газов

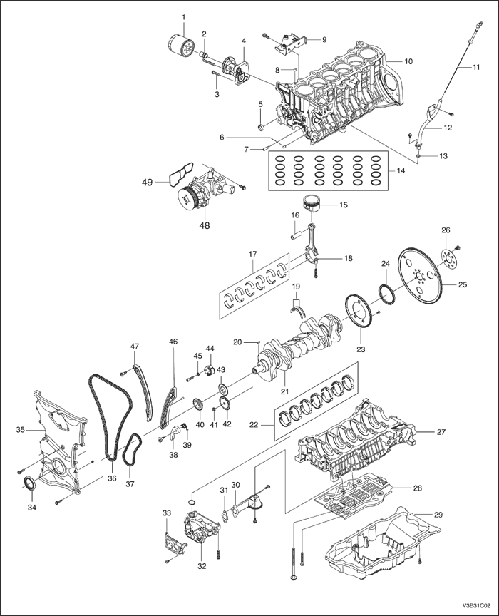
Нижняя часть


V3B31C02
Показать иллюстрациюПеревод текста в иллюстрациях


  1. Масляный фильтр
  2. Соединительная деталь
  3. Винт
  4. Адаптер масляного фильтра
  5. Заглушка канала для смазки
  6. Установочное кольцо
  7. Масляное сопло
  8. Установочный штифт
  9. Верхний кронштейн выхлопа
  10. Блок цилиндров
  11. Масляный щуп двигателя
  12. Трубка масляного щупа двигателя
  13. Кольцевое уплотнение
  14. Поршневое кольцо
  15. Поршень
  16. Поршневой палец
  17. Шатунный подшипник
  18. Шатун
  19. Упорный подшипник
  20. Сегментная шпонка
  21. Коленчатый вал
  22. Коренной подшипник
  23. Ведомое колесо
  24. Задний сальник
  25. Гибкая пластина
  26. Диск усиления гибкой пластины
  27. Опорная плита
  28. Дефлектор опорной плиты
  29. Масляный поддон
  30. Маслооткачивающая труба
  31. Прокладка
  32. Масляный насос
  33. Крышка звездочки масляного насоса
  34. Передний сальник
  35. Крышка цепи распределительного механизма
  36. Цепь распределительного механизма
  37. Цепь масляного насоса
  38. Рычаг цепи масляного насоса
  39. Пружина рычага цепи масляного насоса
  40. Звездочка коленчатого вала
  41. Гайка
  42. Звездочка масляного насоса
  43. Звездочка масляного насоса коленчатого вала
  44. Механизм натяжения цепи распределительного механизма
  45. Пружинная шайба
  46. Неподвижная направляющая цепи
  47. Рычаг цепи распределительного механизма
  48. Насос охлаждающей жидкости; Водяной насос
  49. Прокладка водяного насоса

СИСТЕМА ВПУСКА ВОЗДУХА


L7B52C74
Показать иллюстрациюПеревод текста в иллюстрациях


  1. Впускной коллектор
  2. Корпус дроссельной заслонки в сборе (ETC)
  3. Шланг сапуна
  4. Зажим
  5. Горловина вспомогательного резонатора
  6. Соединение шланга воздушного фильтра
  7. Диффузор воздушного фильтра
  8. Уплотнение воздушного фильтра
  9. Верхний корпус воздушного фильтра
  10. Винт
  11. Фильтрующий элемент воздушного фильтра
  12. Зажим корпуса воздушного фильтра
  13. Нижний корпус воздушного фильтра
  14. Уплотнение резонатора
  15. Шейка резонатора
  16. Кронштейн
  17. Резонатор
  18. Впускной шланг воздушного фильтра
  19. Погружная труба воздушного фильтра

Система подвески двигателя


L7B52C76
Показать иллюстрациюПеревод текста в иллюстрациях


  1. Опорный кронштейн подвески двигателя
  2. Винт
  3. Гидравлическая подвеска
  4. Гайка
  5. Гайка
  6. Кронштейн подвески двигателя
  7. Задний кронштейн подвески КПП с главной передачей в сборе
  8. Кронштейн втулки заднего амортизатора
  9. Передний элемент подвески
  10. Опора подвески КПП с главной передачей в сборе
  11. Кронштейн подвески КПП с главной передачей в сборе
  12. Защита двигателя
  13. Передний кронштейн подвески двигателя
  14. Кронштейн втулки переднего амортизатора


На предыдущую страницуНа следующую страницу
Главная страница сайта