Руководство по техническому обслуживанию2007 Epica ЭЛЕКТРООБОРУДОВАНИЕ ДВИГАТЕЛЯ - 2.0 ДИЗЕЛЬК началу документа
Epica
На предыдущую страницуНа следующую страницу
Главная страница GMDEЗагрузить нединамическое оглавлениеЗагрузить динамическое оглавлениеПомощь

РАЗДЕЛ 1E2

ЭЛЕКТРООБОРУДОВАНИЕ ДВИГАТЕЛЯ - 2.0 ДИЗЕЛЬ

ТЕХНИЧЕСКИЕ ХАРАКТЕРИСТИКИ

Технические характеристики стартера

ПРОГРАММА
Агрегат
Описание
Тип
-
PG260NS
Производительность (мощность)
кВт
1,55 кВт
Испытание без нагрузки при напряжении 12 вольт
A
95 макс.
Частота вращения ведущей шестерни
об/мин
2550 об/мин минимум (при 12 В)

Технические характеристики генератора

ПРОГРАММА
Агрегат
Описание
Длина контакта щетки
мм
11,0 мм
Тип
-
AD237
Производительность (емкость)
кВт
125A
Длина контакта щетки
мм
21,8

Технические характеристики аккумуляторной батареи

ПРОГРАММА
Агрегат
Описание
Тип
-
Необслуживаемая
Производительность (емкость)
В-Ач
12 В - 90 Ач
холодный пуск
CCA
610CCA
Минимальное напряжение:
.
.
9.6
9.5
9.4
9.3
9.1
8.9
8.7
8.5
V
V
V
V
V
V
V
V
70°F (21°C) и выше
60°F (15,6°С)
50°F (10°С)
40°F (4,4°С)
30°F (-1,1°С)
20°F (-6,7°С)
10°F (-12,2°С)
0°F (-17,8°С)

Моменты затяжки резьбовых соединений

ПРОГРАММА
Н•м
lb-ft
lb-in
Стопорная гайка контакта аккумуляторной батареи с "массой".
10
-
88,5
Стопорная гайка прижимной планки аккумуляторной батареи
4
-
35
Гайка вывода аккумуляторной батареи
4,5
-
40
Болты полки аккумуляторной батареи
20
15
-
Стопорная гайка жгута проводов генератора B+
25
18,4
-
Болт генератора
30
22,1
-
Стопорный болт блока предохранителей свечей накаливания
10
-
88,5
Гайка для подключения провода аккумулятора к электромагнитному реле стартера
15
11,1
-
Винт крепления стартера к блоку цилиндров
45
33,2
-
Гайка привода и подшипника генератора
81
60
-
Стяжной болт генератора
10
-
89
Гайка разъема катушки возбуждения стартера
8
-
71
Винт соленоида стартера в сборе
8
-
71
Стяжной болт стартера
6
-
53

ПРИНЦИПИАЛЬНЫЕ И МОНТАЖНЫЕ СХЕМЫ

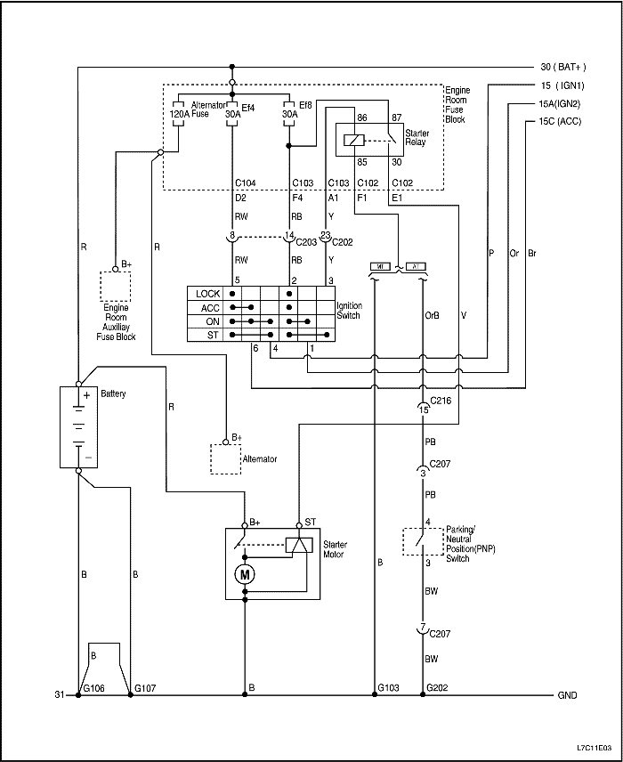
СИСТЕМА ПУСКА ДВИГАТЕЛЯ


L7C11E03
Показать иллюстрациюПеревод текста в иллюстрациях


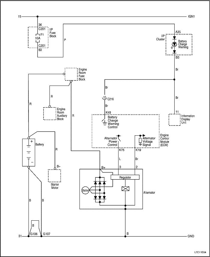
Система зарядки


L7C11E04
Показать иллюстрациюПеревод текста в иллюстрациях


ДИАГНОСТИКА

Электрооборудование

СОСТОЯНИЕ
Вероятная причина
Устранение
Коленчатый вал не проворачивается
Низкое напряжение аккумулятора.
Зарядка аккумулятора или его замена.
Не закреплен, заржавел или поврежден провод аккумулятора.
Произвести ремонт или заменить провод аккумулятора.
Неисправен стартер или обрыв в цепи стартера.
Произвести ремонт или заменить стартер/цепь стартера.
Неисправен переключатель зажигания или перегорел предохранитель EF5 или F12.
Заменить переключатель зажигания или предохранитель Ef5 или Ef6.
Замыкание на массу.
Устранить замыкание на массу.
Коленвал проворачивается, но слишком медленно.
Низкое напряжение аккумулятора.
Зарядка аккумулятора или его замена.
Аккумулятор
Отсоединение, коррозия или повреждение проводов аккумулятора.
Произвести ремонт или заменить провод аккумулятора.
Неисправен стартер.
Произвести ремонт или заменить стартер.
Не останавливается стартер.
Неисправен стартер.
Произвести ремонт или заменить стартер.
Неисправен переключатель зажигания.
Замените выключатель зажигания.
Стартер работает, но коленвал не проворачивается.
Поломка шестерни сцепления или неисправен стартер.
Произвести замену стартера.
Поломка зубчатого венца маховика.
Замените маховик.
Обрыв в подключенной цепи.
Устранить обрыв в цепи.
Перегрузка аккумулятора.
Неисправен регулятор катушки зажигания.
Заменить регулятор катушки зажигания.
Разрядка аккумулятора
Ослаб приводной ремень генератора.
Отрегулировать натяжение ремня или заменить его.
Обрыв или замыкание в цепи.
Устранить обрыв или замыкание в цепи.
Неисправен регулятор катушки зажигания.
Заменить регулятор катушки зажигания.
Разряжен аккумулятор.
Заменить аккумулятор.
Обрыв в цепи заземления.
Устранить обрыв в цепи заземления.
Не работает индикатор зарядки при включении зажигания (двигатель не работает).
Неисправен регулятор катушки зажигания.
Заменить регулятор катушки зажигания.
Перегорела лампа индикатора зарядки или предохранитель F13.
Произвести ремонт или заменить лампу/предохранитель F13 индикатора зарядки.
Неисправен переключатель зажигания.
Замените выключатель зажигания.
Обрыв или замыкание в цепи заземления генератора.
Устранить неисправность в цепи.
После запуска двигателя лампа индикатора зарядки не гаснет.
Неисправен регулятор катушки зажигания.
Заменить регулятор катушки зажигания.
Заржавел или поврежден провод аккумулятора.
Произвести ремонт или заменить провод аккумулятора.
Ослаб приводной ремень генератора.
Отрегулировать натяжение ремня или заменить его.
Неисправность в жгуте проводов.
Отремонтировать жгут проводки.

Проверка аккумуляторной батареи под нагрузкой

  1. Проверьте аккумуляторную батарею на видимые повреждения, такие как сломанный корпус или крышка, которые могут вызвать потерю электролита. Если имеются видимые повреждения, замените аккумуляторную батарею.

Внимание! Не заряжайте аккумуляторную батарею, если ареометр прозрачный или светло-желтый. Вместо этого замените аккумуляторную батарею. Если аккумулятор горячий на ощупь и через вентиляционное отверстие выходит газ или кислота, прервать зарядку или уменьшить ток зарядки во избежание травм.

  1. Проверьте ареометр. Если видна зеленая точка, перейдите к процедуре проверки с нагрузкой. Если индикатор темный, но зеленого цвета не видно, зарядите батарею. Для зарядки снятой аккумуляторной батареи следуйте пункту "Зарядка полностью разряженной аккумуляторной батареи" в этом разделе.
  2. Присоедините вольтметр и устройство проверки аккумуляторной батареи под нагрузкой к клеммам батареи.
  3. Подайте ток 300 А на 15 секунд, чтобы снять напряжение на поверхности аккумуляторной батареи.
  4. Уберите нагрузку.
  5. Подождите 15 секунд и подайте нагрузку в 270 А.

Важно: Температуру аккумуляторной батареи оценить на ощупь с учетом температуры окружающей среды за предшествующие несколько часов.

  1. Если напряжение не падает ниже заданного минимума, батарея в норме и может быть установлена на место. Если напряжение ниже заданного минимума, замените аккумуляторную батарею. Следуйте пункту "Технические характеристики аккумуляторной батареи" в этом разделе.

Проверка выходной мощности генератора

  1. Выполнить проверку системы генератора. См. "Проверка системы генератора" в данном разделе.
  2. Заменить генератор, если результаты его проверки отрицательные. См. "Генератор" в разделе "Обслуживание автомобиля". Если он прошел проверку, выполните проверку выходной мощности на автомобиле следующим образом.

Важно: Необходимо всегда проверяйть выходную мощность генератора, прежде чем предположить поломку генератора от замыкания на массу клеммы "L".

  1. Присоединить цифровой мультиметр (а), амперметр (b) и столбиковый угольный переменный резистор к аккумулятору (d) и генератору (е) автомобиля.

K5B52E03
Показать иллюстрациюПеревод текста в иллюстрациях


Важно: Убедитесь, что аккумуляторная батарея полностью заряжена и углеродистый пленочный резистор отключен.

  1. При выключенном выключателе зажигания проверьте и запишите напряжение аккумуляторной батареи.
  2. Снимите разъем жгута проводов с генератора.
  3. Перевести выключатель зажигания в положение ON, когда двигатель не работает. Используйте цифровой мультиметр для проверки напряжения на клемме "L" разъема кабельного жгута.
  4. Показания должны быть примерно равны заданному напряжению 12 В аккумуляторной батареи. Если напряжение слишком мало, проверьте цепь клеммы "L" на замыкание на корпус и обрыв цепи, которые могут вызвать падение напряжения. Исправьте обрывы провода, подключения клемм и т.д., если необходимо. Следуйте пункту "Система зарядки" в этом разделе.
  5. Присоедините разъем жгута проводов генератора.
  6. Запустите двигатель на среднем холостом ходу и измерьте напряжение между клеммами аккумуляторной батареи. Показания должны быть больше, чем записанные в операции 4, но меньше 15 В. Если показания выше 15 В или меньше прежде зафиксированных, заменить генератор. См. "Генератор" в разделе "Обслуживание автомобиля".
  7. Запустить двигатель на среднем холостом ходу и измерить выходной ток генератора.
  8. Включите углеродистый пленочный резистор и отрегулируйте его, чтобы получить максимальный ток при напряжении аккумуляторной батареи выше 13 В.
  9. Если показание находится в пределах 15 А номинального значения генератора, то генератор в порядке. В противном случае заменить генератор. См. "Генератор" в разделе "Обслуживание автомобиля".
  10. При работе генератора с максимальной выходной мощностью измерить напряжение между корпусом генератора и отрицательным выводом аккумулятора. Падение напряжения должно составлять 0,5 В или меньше. Если падение напряжение больше 0,5 В, проверить соединение между корпусом генератора и отрицательным проводом аккумуляторной батареи.
  11. Проверьте, почистите, затяните и перепроверьте все соединения на массу.

Проверка системы генератора

При нормальной работе индикаторная лампа генератора горит, если переключатель зажигания находится во включенном положении, и гаснет при запуске двигателя. Если лампа работает не нормально или аккумуляторная батарея перезаряжена или разряжена, используйте следующую процедуру для диагностики системы зарядки. Необходимо помнить, что разряженная аккумуляторная батарея бывает следствием не выключенных на ночь приборов, неисправных выключателей ламп, крышки багажника или вещевого ящика.
Проведите проверку генератора следующим образом:
  1. Осмотреть ремень и провода.
  2. При включенном положении переключателя зажигания и остановленном двигателе индикаторная лампа зарядки должна гореть. Если это не так, отсоединить жгут проводов от генератора и заземлить клемму "L" через 5-амперную перемычку с предохранителем.
  3. При включенном зажигании и двигателе, работающем на средних оборотах, контрольная лампа зарядки не должна гореть. Если это не так, отсоедините жгут проводов от генератора.

Важно: Необходимо всегда проверяйть выходную мощность генератора, прежде чем предположить поломку генератора от замыкания на массу клеммы "L". См. "Генератор" в разделе "Ремонт агрегата".

Шум стартера

Запустите двигатель. При нарушении работы стартера откорректировать ее можно следующим образом. Прежде чем выполнить нижеприведенные операции, необходимо убедиться в том, что аккумулятор полностью заряжен, провода чисты, плотно прилегают, а заземляющие контакты чисты, прилегают плотно и находятся в правильном положении.
ШагОперацияЗначенияДаНет
1
Запустить двигатель, прислушиваясь к оборотам стартера.
Прослушивается ли шум, похожий на сирену, при увеличении числа оборотов двигателя в момент включения стартера, после запуска двигателя, но при удержании стартера во включенном положении?
-
Перейти к операции 4
Перейти к операции 2
2
Прослушивается ли "гул", "грохот" или в тяжелых случаях "стучание", когда стартер после запуска двигателя останавливается?
-
Перейти к операции 5
Перейти к операции 3
3

Важно: Причиной этого часто является безостановочная работа ведущей шестерни стартера или ослабление работы соленоида.

При проворачивании коленчатого вала двигателя прослушивается пронзительный вой в момент, когда проворачивание прекращается и двигатель начинает работать нормально?
-
Перейти к операции 6
Перейти к операции 5
4
Проверить диск маховика на наличие следующего:
  • Обломанный зуб шестерни
  • Отсутствует зуб шестерни
  • Сточенный зуб
Маховик погнут или его зубья повреждены?
-
Перейти к операции 7
Перейти к операции 8
5
Снять стартер. Следуйте пункту "Стартер" в этом разделе.
Проверить втулки стартера и шестерню сцепления.
У шестерни сцепления расщеплены или раздроблены зубья или изношены втулки?
-
Перейти к операции 8
Перейти к операции 7
6
Удаляйте стартер от маховика, добавляя между стартером и блоком цилиндров двигателя по одной шайбе за один раз.
Биение маховика может приводить к прерывистости такого шума.
Ремонт завершен?
-
Перейти к операции 9
-
7
Замените маховик.
Замена произведена?
-
Перейти к операции 9
-
8
Произвести замену стартера. Следуйте пункту "Стартер" в этом разделе.
Замена произведена?
-
Перейти к операции 9
-
9
Включить систему для проверки результатов ремонта.
Неисправность устранена?
-
Система в норме
Перейти к операции 1


На предыдущую страницуНа следующую страницу
Главная страница сайта