Руководство по техническому обслуживанию2007 Epica АВТОМАТИЧЕСКАЯ КОРОБКА ПЕРЕДАЧ С ГЛАВНОЙ ПЕРЕДАЧЕЙ В СБОРЕ AISIN 55-51LEК началу документа
Epica
На предыдущую страницуНа следующую страницу
Главная страница GMDEЗагрузить нединамическое оглавлениеЗагрузить динамическое оглавлениеПомощь

РАЗДЕЛ 5A

АВТОМАТИЧЕСКАЯ КОРОБКА ПЕРЕДАЧ С ГЛАВНОЙ ПЕРЕДАЧЕЙ В СБОРЕ AISIN 55-51LE

Внимание! Необходимо отсоединять отрицательный провод аккумулятора перед снятием или установкой любого электрического устройства, а также в тех случаях, когда возможно соприкосновение инструмента или оборудования с открытыми электрическими контактами. Отсоединение этого провода поможет избежать несчастного случая, а также повреждения автомобиля. Необходимо также, чтобы зажигание находилось в положении LOCK, если не будет требоваться иное.

ТЕХНИЧЕСКИЕ ХАРАКТЕРИСТИКИ

Общие технические характеристики

.
Определение
2.0L DOHC
2.5L DOHC
2.0S ДИЗЕЛЬ
Тип рабочей жидкости КПП
ESSO JWS 3309 US ATF
ESSO JWS 3309 US ATF
ESSO JWS 3309 US ATF
Объем жидкости для коробки передач
7,14± 0,15 л (7,54 ± 0,15 кварты)
7,14± 0,15 л (7,54 ± 0,15 кварты)
6,94± 0,15 л (7,33 ± 0,15 кварты)

Передаточное число коробки передач с главной передачей в сборе

Передача
Передаточное число
2.0L DOHC
2.5L DOHC
2.0S ДИЗЕЛЬ
Первая
4.575
Вторая
2.979
Третья
1.947
Четвертая
1.318
Пятая
1.000
Задняя
5.024
Главная передача
2.700
2.400
2.700

Объем жидкости

.
Объем
2.0L DOHC
2.5L DOHC
2.0S ДИЗЕЛЬ
жидкость коробки передач с главной передачей в сборе
7,14± 0,15 л (7,54 ± 0,15 кварты)
7,14± 0,15 л (7,54 ± 0,15 кварты)
6,94± 0,15 л (7,33 ± 0,15 кварты)

Примечание: Объем жидкости может изменяться согласно некоторым условиям, поэтому следует обязательно проверять уровень жидкости с помощью масляного щупа.

Давление в линиях гидропривода

Диапазон
Холостой ход
Двигатель заглушен
В диапазоне "D"
0,33-0,39 МПа (47,86-56,56 фунтов на кв. дюйм)
1,28-1,40 МПа (185,65-203,05 фунтов на кв. дюйм)
В диапазоне "R"
0,50-0,62 МПа (72,52-89,92 фунтов на кв. дюйм)
1,71-1,99 МПа (248,01-288,63 фунтов на кв. дюйм)

обороты при переключении

МОДЕЛЬ
Переключение 1-2: миль/ч (км/ч)
Переключение 2-3: миль/ч (км/ч)
Переключение 3-4: миль/ч (км/ч)
Переключение 4-5: миль/ч (км/ч)
10 % TP
25 % TP
50 % TP
10 % TP
25 % TP
50 % TP
10 % TP
25 % TP
50 % TP
10 % TP
25 % TP
50 % TP
55-51LE: 2.0 XK
8 (13)
10 (16)
17 (27)
16 (25)
19 (30)
28 (45)
27 (43)
30 (49)
47 (75)
42 (68)
42 (68)
65 (105)
55-51LE: 2.5 XK
9 (15)
12 (19)
19 (30)
17 (28)
22 (35)
33 (53)
27 (44)
31 (50)
48 (78)
42 (68)
42 (68)
73 (118)
55-51LE: 2.0S Дизель
10 (16)
10 (16)
14 (22)
19 (30)
19 (30)
27 (43)
32 (52)
32 (52)
42 (67)
52 (83)
52 (83)
61 (98)
МОДЕЛЬ
5-4: миль/ч (км/ч)
4-3: миль/ч (км/ч)
3-2: миль/ч (км/ч)
2-1: миль/ч (км/ч)
4-я передача Мин. применение TCC: миль/ч (км/ч)
5-я передача Мин. применение TCC: миль/ч (км/ч)
10 % TP
25 % TP
50 % TP
10 % TP
25 % TP
50 % TP
10 % TP
25 % TP
50 % TP
10 % TP
25 % TP
50 % TP
.
.
55-51LE: 2.0 XK
31 (50)
33 (53)
55 (88)
22 (35)
22 (36)
32 (52)
12 (20)
12 (20)
17 (28)
6 (10)
6 (10)
7 (12)
34 (55)
42 (68)
55-51LE: 2.5 XK
31 (50)
35 (57)
58 (94)
22 (35)
22 (36)
33 (53)
14 (22)
14 (23)
20 (32)
7 (11)
7 (11)
8 (13)
34 (55)
42 (68)
55-51LE: 2.0S Дизель
40 (64)
40 (64)
48 (77)
25 (40)
25 (40)
30 (48)
12 (20)
12 (20)
14 (23)
5 (8)
5 (8)
5 (8)
45 (73)
58 (94)

Моменты затяжки резьбовых соединений

Диапазон
Н•м
Фунт-фут
Фунт-дюйм
Сливная пробка
40
30
-
Крепежные болты рычага переключения передач в сборе
8
-
71
Болты крепления рукоятки управления переключением
2
-
18
Гайка переключателя диапазонов АКПП
7
-
62
Болты переключателя диапазонов коробки передач
25
18
-
Гайка рычага переключателя диапазонов АКПП
16
12
-
Болт крепления датчика скорости первичного вала
6
-
53
Болт крепления датчика скорости вторичного вала
6
-
53
Гайки крепления контроллера КПП
15
11
-
Болт крепления трубопровода масляного радиатора в сборе
10
-
89
Болт патрубка выпускной трубы
33
24
-
Болт крепления скобы выпускной трубы
9
-
80
Болт патрубка впускной трубы
33
24
-
Три болта крепления левого кронштейна подвески коробки передач с главной передачей в сборе
40
30
-
Болт и гайка крепления рамы левого кронштейна подвески коробки передач с главной передачей в сборе
65
48
-
Правые нижние болты крепления двигателя к коробке передач с главной передачей в сборе
73
54
-
Левые нижние болты крепления двигателя к коробке передач с главной передачей в сборе
73
54
-
Болты крепления фланца масляного поддона к коробке передач с главной передачей в сборе (двигатель XK6)
31
23
-
Болты крепления фланца масляного поддона к коробке передач с главной передачей в сборе (дизель 2.0S)
50
37
-
Болт кронштейна задней подвески коробки передач с главной передачей в сборе (двигатель XK6)
65
48
-
Болт кронштейна задней подвески коробки передач с главной передачей в сборе (дизель 2.0S)
90
66
-
Болты крепления маховика к гидротрансформатору
45
33
-
Верхние болты крепления коробки передач к двигателю
73
54
-
Болты крепления кронштейна втулки переднего демпфера
65
48
-
Болт крепления зажима трубки подвода масла
6
-
53
Болт крепления заднего картера
30
22
-
Анкерный болт тормоза понижающей передачи (B4)
167
123
-
Болт крепления картера коробки передач с главной передачей в сборе
30
22
-
Болт крепления торсионной пружины № 2
10
-
89
Болт крепления пружины блокировки (16,7 мм)
10
-
89
Болт крепления пружины блокировки (14 мм)
6
-
53
Болт крепления зажима трубки подвода к тормозу понижающей передачи (B4)
6
-
53
Болт крепления фиксирующей пластины масляного бачка (корпус коробки передач с главной передачей в сборе)
6
-
53
Болт пластины картера КПП
6
-
53
Болт крепления масляного фильтра
6
-
53
Болт крепления фиксирующей пластины масляного бачка (картер коробки передач с главной передачей в сборе)
6
-
53
Болт крепления зажима трубки подвода смазки к дифференциальной передаче
6
-
53
Болт крепления масляного насоса в сборе
25
18
-
Болт крепления блока клапана в сборе
10
-
89
Болт крепления крышки со стороны всасывания
10
-
89
Болт датчика температуры трансмиссионного масла
10
-
89
Болты крепления задней крышки картера КПП
13
10
-
Болт крепления датчика уровня масла
10
-
89
Болт крепления крышки масляного насоса (14 мм)
12
-
106
Болт крепления крышки масляного насоса (17 мм)
7
-
62
Болт крепления аккумулятора муфты переднего хода (C1)
10
-
89
Болт крепления муфты понижающей передачи
7
-
62
Болт крепления электромагнитного клапана
7
-
62

СПЕЦИАЛЬНЫЕ ИНСТРУМЕНТЫ

Таблица специальных инструментов


J21867
Показать иллюстрациюПеревод текста в иллюстрациях


J–21867
Манометр

J218675
Показать иллюстрациюПеревод текста в иллюстрациях


J-21867-50
Адаптер давления в линиях гидропривода

DT47599
Показать иллюстрациюПеревод текста в иллюстрациях


DT-47599
Ключ для анкерных болтов

DT47687
Показать иллюстрациюПеревод текста в иллюстрациях


DT-47687
Преобразователь вращательного момента

J8092
Показать иллюстрациюПеревод текста в иллюстрациях


J-8092
Направляющая ручка

J23327
Показать иллюстрациюПеревод текста в иллюстрациях


J-23327
Съемник пружины муфты

J28585
Показать иллюстрациюПеревод текста в иллюстрациях


J-28585
Съемник стопорного кольца

J35582
Показать иллюстрациюПеревод текста в иллюстрациях


J-35582
Приспособление для установки уплотнения масляного насоса

J23456
Показать иллюстрациюПеревод текста в иллюстрациях


J-23456
Съемник пакета муфты и усилителя

J25024A
Показать иллюстрациюПеревод текста в иллюстрациях


J–25024–A
Съемник пружины муфты / усилительного поршня

J41236
Показать иллюстрациюПеревод текста в иллюстрациях


J-41236
Съемник пружины инерционной муфты

J41239
Показать иллюстрациюПеревод текста в иллюстрациях


J-41239-1
Приспособление для установки уплотнения трубопровода радиатора

J44809
Показать иллюстрациюПеревод текста в иллюстрациях


J-44809
Приспособление для установки уплотнения вторичного вала

J45000
Показать иллюстрациюПеревод текста в иллюстрациях


J-45000
Съемник уплотнений

J45053
Показать иллюстрациюПеревод текста в иллюстрациях


J-45053
Пресс для универсальных зажимов

J45124
Показать иллюстрациюПеревод текста в иллюстрациях


J-45124
Демонтажный мост

J45160
Показать иллюстрациюПеревод текста в иллюстрациях


J-45160
Съемник обоймы подшипника дифференциала

J45161
Показать иллюстрациюПеревод текста в иллюстрациях


J-45161
Съемник для замены подшипников вала ручного переключения передач

J45164
Показать иллюстрациюПеревод текста в иллюстрациях


J-45164
Мост съемника пружины

J45184
Показать иллюстрациюПеревод текста в иллюстрациях


J-45184
Приспособление для установки обоймы подшипника дифференциала

J45186
Показать иллюстрациюПеревод текста в иллюстрациях


J-45186
Съемник пружин муфт переднего хода и прямой передачи

J45187
Показать иллюстрациюПеревод текста в иллюстрациях


J-45187
Приспособление для установки сальника вторичного вала дифференциала

J45201
Показать иллюстрациюПеревод текста в иллюстрациях


J-45201
Съемник уплотнений трубопровода радиатора

J45404
Показать иллюстрациюПеревод текста в иллюстрациях


J-45404
Приспособление для юстировки коробки передач с указателем

ПРИНЦИПИАЛЬНЫЕ СХЕМЫ

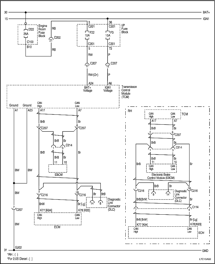
Контроллер КПП (1 из 4)


L7C15A02
Показать иллюстрациюПеревод текста в иллюстрациях


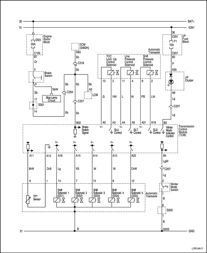
Контроллер КПП (2 из 4)


L7B15A17
Показать иллюстрациюПеревод текста в иллюстрациях


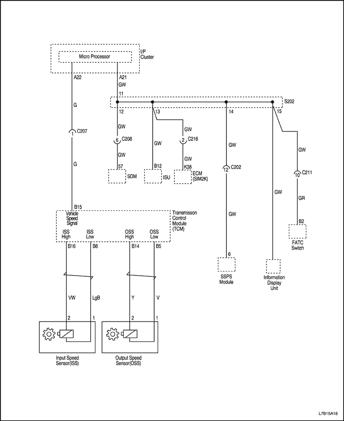
Контроллер КПП (3 из 4)


L7B15A18
Показать иллюстрациюПеревод текста в иллюстрациях


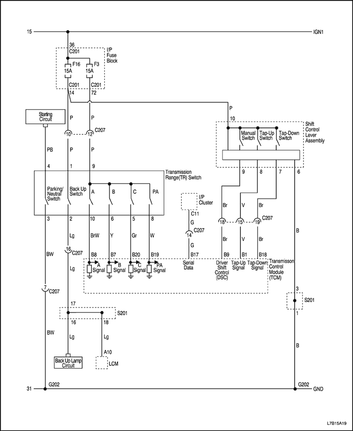
Контроллер КПП (4 из 4)


L7B15A19
Показать иллюстрациюПеревод текста в иллюстрациях




На предыдущую страницуНа следующую страницу
Главная страница сайта