Руководство по техническому обслуживанию2007 Epica ДИАГНОСТИКА КОДОВ НЕИСПРАВНОСТЕЙК началу документа
Epica
На предыдущую страницуНа следующую страницу
Главная страница GMDEЗагрузить нединамическое оглавлениеЗагрузить динамическое оглавлениеПомощь

ДИАГНОСТИКА КОДОВ НЕИСПРАВНОСТЕЙ

Таблица диагностических кодов

Диагностический код неисправности
ОПИСАНИЕ
ТИП
Сигнализатор неисправностей горит
Лампа зимнего режима мигает
P0562
Низкое напряжение бортовой сети
A
Да
Нет
P0563
Высокое напряжение бортовой сети
A
Да
Нет
P0601
ПЗУ контроллера КПП
A
Да
Нет
P0603
Сброс долговременной памяти контроллера КПП
A
Да
Нет
P0604
ОЗУ контроллера КПП
A
Да
Нет
P0705
Цепь переключателя диапазонов коробки передач
A
Да
Нет
P0711
Рабочие характеристики цепи датчика температуры рабочей жидкости КПП
A
Да
Нет
P0712
Низкое напряжение цепи датчика температуры рабочей жидкости КПП
A
Да
Нет
P0713
Высокое напряжение цепи датчика температуры рабочей жидкости КПП
A
Да
Нет
P0717
Низкое напряжение цепи датчика скорости первичного вала
A
Да
Нет
P0722
Низкое напряжение цепи датчика скорости вторичного вала
A
Да
Нет
P0731
Неправильное передаточное число 1-й передачи
A
Да
Нет
P0732
Неправильное передаточное число 2-й передачи
A
Да
Нет
P0733
Неправильное передаточное число 3-й передачи
A
Да
Нет
P0734
Неправильное передаточное число 4-й передачи
A
Да
Нет
P0735
Неправильное передаточное число 5-й передачи
A
Да
Нет
P0736
Неправильное передаточное число задней передачи
A
Да
Нет
P0762
Рабочие характеристики или блокировка во включенном состоянии электромагнитного клапана переключения передач SS3
A
Да
Нет
P0826
Отказ переключателя режима повышения/понижения передачи
C1
Нет
Да
P0962
Низкое напряжение цепи управления электромагнитным клапаном регулировки давления в линиях гидропривода
A
Да
Нет
P0963
Высокое напряжение цепи управления электромагнитным клапаном регулировки давления в линиях гидропривода
A
Да
Нет
P0970
Низкое напряжение цепи управления электромагнитным клапаном регулировки давления переключения передач
A
Да
Нет
P0971
Высокое напряжение цепи управления электромагнитным клапаном регулировки давления переключения передач
A
Да
Нет
P0973
Низкое напряжение цепи управления электромагнитным клапаном переключения передач SS1
A
Да
Нет
P0974
Высокое напряжение цепи управления электромагнитным клапаном переключения передач SS1
A
Да
Нет
P0976
Низкое напряжение цепи управления электромагнитным клапаном переключения передач SS2
A
Да
Нет
P0977
Высокое напряжение цепи управления электромагнитным клапаном переключения передач SS2
A
Да
Нет
P0979
Низкое напряжение цепи управления электромагнитным клапаном переключения передач SS3
A
Да
Нет
P0980
Высокое напряжение цепи управления электромагнитным клапаном переключения передач SS3
A
Да
Нет
P0982
Низкое напряжение цепи управления электромагнитным клапаном переключения передач SS4
A
Да
Нет
P0983
Высокое напряжение цепи управления электромагнитным клапаном переключения передач SS4
A
Да
Нет
P0985
Низкое напряжение цепи управления электромагнитным клапаном переключения передач SS5
A
Да
Нет
P0986
Высокое напряжение цепи управления электромагнитным клапаном переключения передач SS5
A
Да
Нет
P1715
Неправильное передаточное число 1-й передачи (Клапан переключения SS5: ВЫКЛ, электромагнитный клапан-регулятор давления блокировки муфты гидротрансформатора (SLU): ВЫКЛ)
A
Да
Нет
P1719
Обнаружено неправильное переключение
A
Да
Нет
P2757
Блокировка в выключенном состоянии электромагнитного клапана-регулятора давления блокировки муфты гидротрансформатора
A
Да
Нет
P2758
Электромагнитный клапан-регулятор давления (PC) блокировки муфты гидротрансформатора (TCC), заедание во включенном состоянии
A
Да
Нет
P2763
Высокое напряжение цепи управления электромагнитным клапаном-регулятором давления блокировки муфты гидротрансформатора
A
Да
Нет
P2764
Низкое напряжение цепи управления электромагнитным клапаном-регулятором давления блокировки муфты гидротрансформатора
A
Да
Нет
U0001
Переполнение счетчика отключений шины CAN
A
Да
Нет
U0100
Нарушение связи с ECM
A
Да
Нет
U0401
Прием неправильных данных из ECM
C1
Нет
Да
* Описание типов

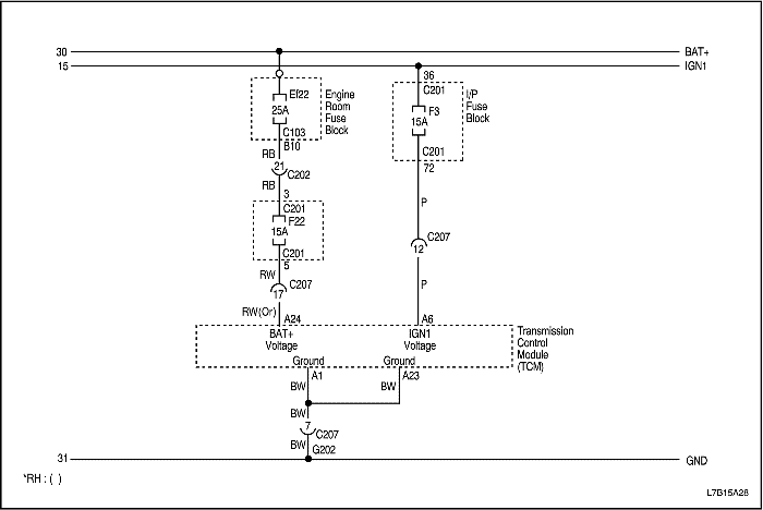
L7B15A28
Показать иллюстрациюПеревод текста в иллюстрациях


Код P0562

Низкое напряжение бортовой сети

Условия действия DTC

Условия занесения кода неисправности

Действия при занесении кода неисправности

Когда включен аварийный режим, имеют место следующие условия:

Условия очистки кода неисправности/выключения индикатора неисправности

Причина неисправности

DTC P0562 - Низкое напряжение бортовой сети

ШагОперацияЗначенияДаНет
1
  1. Выключить зажигание.
  2. Подключить диагностический прибор.
  3. Включить зажигание при выключенном двигателе.
  4. Довести обороты двигателя до 400 об/мин или выше.
  5. Записать, затем стереть коды неисправности.
  6. В диагностическом приборе выбрать напряжение бортовой сети.
  7. Проехать на автомобиле и проверить по диагностическому прибору следующее:
Напряжение находится в указанном диапазоне?
9 - 16 В
Перейти к Шагу 4
Перейти к Шагу 2
2
  1. Отсоединить провод аккумуляторной батареи.
  2. Измерить напряжение аккумулятора.
Напряжение находится в указанном диапазоне?
9 - 16 В
Перейти к Шагу 4
Перейти к Шагу 3
3
  1. Заменить аккумулятор.
Замена завершена?
-
Система исправна
-
4
  1. Включить фары.
  2. Включить кондиционер.
  3. Довести обороты двигателя до 400 об/мин или выше.
  4. Проверить напряжение в бортовой сети с помощью диагностического прибора.
Напряжение находится в указанном диапазоне?
9 - 16 В
Перейти к Шагу 6
Перейти к Шагу 5
5
  1. Повернуть ключ зажигания в положение "LOCK" (блокировка).
  2. При необходимости устранить неисправность цепи генератора.
Действие завершено?
-
Система исправна
-
6
Проверить предохранители EF27, F3 на разрыв цепи.
Неисправность обнаружена?
-
Перейти к Шагу 7
Перейти к Шагу 8
7
Проверить предохранители EF27, F3 на замыкание.
При необходимости заменить предохранители.
Замена завершена?
-
Система исправна
-
8
  1. Включить зажигание.
  2. Измерить напряжение на EF27, F3.
Напряжение находится в указанном диапазоне?
9 - 16 В
Перейти к Шагу 10
Перейти к Шагу 9
9
Устранить разрыв в цепи питания, защищенной предохранителем.
Действие завершено?
-
Система исправна
-
10
  1. Повернуть ключ зажигания в положение "LOCK" (блокировка).
  2. Отсоединить электрический разъем контроллера КПП.
  3. Измерить сопротивление между предохранителем EF27 и контактом A24 разъема контроллера КПП.
Измеренное сопротивление находится в указанном диапазоне?
0Ом
Перейти к Шагу 12
Перейти к Шагу 11
11
Устранить замыкание на землю или разрыв цепи (между EF27и контактом A24).
Ремонт закончен?
-
Система исправна
-
12
  1. Отключить разъем C102 и разъем контроллера КПП.
  2. Включить зажигание.
  3. Измерить напряжение на контакте A24.
Напряжение находится в указанном диапазоне?
9 - 16 В
Перейти к Шагу 13
Перейти к Шагу 14
13
Устранить замыкание на напряжение бортсети в цепи между EF27 и контактом A24 разъема контроллера КПП.
Ремонт закончен?
-
Система исправна
-
14
  1. Повернуть ключ зажигания в положение "LOCK" (блокировка).
  2. Разъединить разъем C201.
  3. Измерить сопротивление между предохранителем F3 и контактом A6 разъема контроллера КПП.
Измеренное сопротивление находится в указанном диапазоне?
0Ом
Перейти к Шагу 17
Перейти к Шагу 15
15
Устранить замыкание на землю или разрыв цепи (между F3 и контактом A6).
Ремонт закончен?
-
Система исправна
-
16
  1. Включить зажигание.
  2. Измерить напряжение на контакте A6.
Напряжение находится в указанном диапазоне?
9 - 16 В
Перейти к Шагу 17
Перейти к Шагу 18
17
Устранить замыкание на напряжение бортсети в цепи между F3 и контактом A6.
Ремонт закончен?
-
Система исправна
-
18
  1. Проверить надежность соединения жгута КПП с электрическим разъемом КПП.
  2. Убедиться в отсутствии деформации или повреждения контактов.
  3. Убедиться в отсутствии слабого натяжения контактов.
Неисправность обнаружена?
-
Проверить выполнение ремонта и перейти к Шагу 20
-
19
Заменить контроллер КПП.
Замена завершена?
-
Перейти к Шагу 20
-
20
  1. После окончания ремонта выбрать команду "clear info" ("очистить данные") на диагностическом приборе и провести дорожное испытание автомобиля.
  2. Просмотреть информацию о кодах ("DTC info").
Последнее испытание прошло неудачно или отображается текущий код?
-
Начать диагностику заново
Проверить исправность после ремонта. Ремонт закончен

L7B15A28
Показать иллюстрациюПеревод текста в иллюстрациях


Код P0563

Высокое напряжение бортовой сети

Условия действия DTC

Условия занесения кода неисправности

Действия при занесении кода неисправности

Когда включен аварийный режим, имеют место следующие условия:

Условия очистки кода неисправности/выключения индикатора неисправности

Причина неисправности

DTC P0563 - Высокое напряжение бортовой сети

ШагОперацияЗначенияДаНет
1
  1. Выключить зажигание.
  2. Подключить диагностический прибор.
  3. Включить зажигание при выключенном двигателе.
  4. Довести обороты двигателя до 400 об/мин или выше.
  5. Записать, затем стереть коды неисправности.
  6. В диагностическом приборе выбрать напряжение бортовой сети.
  7. Проехать на автомобиле и проверить по диагностическому прибору следующее:
Напряжение находится в указанном диапазоне?
9 - 16 В
Перейти к Шагу 4
Перейти к Шагу 2
2
  1. Отсоединить провод аккумуляторной батареи.
  2. Измерить напряжение аккумулятора.
Напряжение находится в указанном диапазоне?
9 - 16 В
Перейти к Шагу 4
Перейти к Шагу 3
3
  1. Заменить аккумулятор.
Замена завершена?
-
Система исправна
-
4
  1. Включить фары.
  2. Включить кондиционер.
  3. Довести обороты двигателя до 400 об/мин или выше.
  4. Проверить напряжение в бортовой сети с помощью диагностического прибора.
Напряжение находится в указанном диапазоне?
9 - 16 В
Перейти к Шагу 6
Перейти к Шагу 5
5
  1. Повернуть ключ зажигания в положение "LOCK" (блокировка).
  2. При необходимости устранить неисправность цепи генератора.
Действие завершено?
-
Система исправна
-
6
Проверить предохранители EF27, F3 на разрыв цепи.
Неисправность обнаружена?
-
Перейти к Шагу 7
Перейти к Шагу 8
7
Проверить предохранители EF27, F3 на замыкание.
При необходимости заменить предохранители.
Замена завершена?
-
Система исправна
-
8
  1. Включить зажигание.
  2. Измерить напряжение на EF27, F3.
Напряжение находится в указанном диапазоне?
9 - 16 В
Перейти к Шагу 10
Перейти к Шагу 9
9
Устранить разрыв в цепи питания, защищенной предохранителем.
Действие завершено?
-
Система исправна
-
10
  1. Повернуть ключ зажигания в положение "LOCK" (блокировка).
  2. Отсоединить электрический разъем контроллера КПП.
  3. Измерить сопротивление между предохранителем EF27 и контактом A24 разъема контроллера КПП.
Измеренное сопротивление находится в указанном диапазоне?
0Ом
Перейти к Шагу 12
Перейти к Шагу 11
11
Устранить замыкание на землю или разрыв цепи (между EF27и контактом A24).
Ремонт закончен?
-
Система исправна
-
12
  1. Отключить разъем C102 и разъем контроллера КПП.
  2. Включить зажигание.
  3. Измерить напряжение на контакте A24.
Напряжение находится в указанном диапазоне?
9 - 16 В
Перейти к Шагу 13
Перейти к Шагу 14
13
Устранить замыкание на напряжение бортсети в цепи между EF27 и контактом A24 разъема контроллера КПП.
Ремонт закончен?
-
Система исправна
-
14
  1. Повернуть ключ зажигания в положение "LOCK" (блокировка).
  2. Разъединить разъем C201.
  3. Измерить сопротивление между предохранителем F3 и контактом A6 разъема контроллера КПП.
Измеренное сопротивление находится в указанном диапазоне?
0Ом
Перейти к Шагу 17
Перейти к Шагу 15
15
Устранить замыкание на землю или разрыв цепи (между F3 и контактом A6).
Ремонт закончен?
-
Система исправна
-
16
  1. Включить зажигание.
  2. Измерить напряжение на контакте A6.
Напряжение находится в указанном диапазоне?
9 - 16 В
Перейти к Шагу 17
Перейти к Шагу 18
17
Устранить замыкание на напряжение бортсети в цепи между F3 и контактом A6.
Ремонт закончен?
-
Система исправна
-
18
  1. Проверить надежность соединения жгута КПП с электрическим разъемом КПП.
  2. Убедиться в отсутствии деформации или повреждения контактов.
  3. Убедиться в отсутствии слабого натяжения контактов.
Неисправность обнаружена?
-
Проверить выполнение ремонта и перейти к Шагу 20
-
19
Заменить контроллер КПП.
Замена завершена?
-
Перейти к Шагу 20
-
20
  1. После окончания ремонта выбрать команду "clear info" ("очистить данные") на диагностическом приборе и провести дорожное испытание автомобиля.
  2. Просмотреть информацию о кодах ("DTC info").
Последнее испытание прошло неудачно или отображается текущий код?
-
Начать диагностику заново
Проверить исправность после ремонта. Ремонт закончен

Код P0601

ПЗУ контроллера КПП

Условия действия DTC

Условия занесения кода неисправности

Действия при занесении кода неисправности

Когда включен аварийный режим, имеют место следующие условия:

Условия очистки кода неисправности/выключения индикатора неисправности

Причина неисправности

Код P0601 - ПЗУ контроллера КПП

ШагОперацияЗначенияДаНет
1
  1. Выключить зажигание.
  2. Подключить диагностический прибор.
  3. Двигатель остановлен. Перевести замок зажигания в положение ON.
  4. В меню "Diagnostic Trouble Codes Information" ("Информация о кодах") диагностического прибора выбрать команду "Store Freeze Frame/Failure Records" ("Стоп-кадр/Записи о неисправности").
  5. Сохранить данные стоп-кадра/записи о неисправности.
  6. В меню "Diagnostic Trouble Codes Information" ("Информация о кодах") выбрать команду "Clear DTC Information" ("Очистить информацию о кодах").
  7. Очистить информацию о кодах.
  8. Выполнить один драйв-цикл.
Сигнализатор неисправности горит?
-
Перейти к Шагу 2
Проверить жгут и разъем контроллера КПП на наличие признаков непостоянной неисправности. Провести необходимый ремонт.
2
  1. В меню "Diagnostic Trouble Codes Information" ("Информация о кодах") выбрать команду "Request DTC by Status" ("Запрос кодов по состоянию").
  2. Выполнить запрос кодов по состоянию.
Отображается ли код P0601?
-
Заменить контроллер КПП
Проверить жгут и разъем контроллера КПП на наличие признаков непостоянной неисправности. Провести необходимый ремонт.

Код P0603

Сброс долговременной памяти контроллера КПП

Условия действия DTC

Условия занесения кода неисправности

Действия при занесении кода неисправности

Условия очистки кода неисправности/выключения индикатора неисправности

Причина неисправности

Код P0603 - Сброс долговременной памяти контроллера КПП

ШагОперацияЗначенияДаНет
1
  1. Выключить зажигание.
  2. Подключить диагностический прибор.
  3. Двигатель остановлен. Перевести замок зажигания в положение ON.
  4. В меню "Diagnostic Trouble Codes Information" ("Информация о кодах") диагностического прибора выбрать команду "Store Freeze Frame/Failure Records" ("Стоп-кадр/Записи о неисправности").
  5. Сохранить данные стоп-кадра/записи о неисправности.
  6. В меню "Diagnostic Trouble Codes Information" ("Информация о кодах") выбрать команду "Clear DTC Information" ("Очистить информацию о кодах").
  7. Очистить информацию о кодах.
  8. Выполнить один драйв-цикл.
Сигнализатор неисправности горит?
-
Перейти к Шагу 2
Проверить жгут и разъем контроллера КПП на наличие признаков непостоянной неисправности. Провести необходимый ремонт.
2
  1. В меню "Diagnostic Trouble Codes Information" ("Информация о кодах") выбрать команду "Request DTC by Status" ("Запрос кодов по состоянию").
  2. Выполнить запрос кодов по состоянию.
Отображается ли код P0603?
-
Заменить контроллер КПП
Проверить жгут и разъем контроллера КПП на наличие признаков непостоянной неисправности. Провести необходимый ремонт.

Код P0604

ОЗУ контроллера КПП

Условия действия DTC

Условия занесения кода неисправности

Действия при занесении кода неисправности

Условия очистки кода неисправности/выключения индикатора неисправности

Причина неисправности

Код P0604 - ОЗУ контроллера КПП

ШагОперацияЗначенияДаНет
1
  1. Выключить зажигание.
  2. Подключить диагностический прибор.
  3. Двигатель остановлен. Перевести замок зажигания в положение ON.
  4. В меню "Diagnostic Trouble Codes Information" ("Информация о кодах") диагностического прибора выбрать команду "Store Freeze Frame/Failure Records" ("Стоп-кадр/Записи о неисправности").
  5. Сохранить данные стоп-кадра/записи о неисправности.
  6. В меню "Diagnostic Trouble Codes Information" ("Информация о кодах") выбрать команду "Clear DTC Information" ("Очистить информацию о кодах").
  7. Очистить информацию о кодах.
  8. Выполнить один драйв-цикл.
Сигнализатор неисправности горит?
-
Перейти к Шагу 2
Проверить жгут и разъем контроллера КПП на наличие признаков непостоянной неисправности. Провести необходимый ремонт.
2
  1. В меню "Diagnostic Trouble Codes Information" ("Информация о кодах") выбрать команду "Request DTC by Status" ("Запрос кодов по состоянию").
  2. Выполнить запрос кодов по состоянию.
Отображается ли код P0604?
-
Заменить контроллер КПП
Проверить жгут и разъем контроллера КПП на наличие признаков непостоянной неисправности. Провести необходимый ремонт.

L7B15A25
Показать иллюстрациюПеревод текста в иллюстрациях


Код P0705

Цепь переключателя диапазонов коробки передач

Условия действия DTC

Условия занесения кода неисправности

Логика переключателя диапазонов коробки передач (Тип режима повышения и понижения).
Положение
A
B
C
PA
P
ВЫСОКОЕ
НИЗКОЕ
НИЗКОЕ
ВЫСОКОЕ
R
ВЫСОКОЕ
ВЫСОКОЕ
НИЗКОЕ
НИЗКОЕ
N
НИЗКОЕ
ВЫСОКОЕ
НИЗКОЕ
ВЫСОКОЕ
D
НИЗКОЕ
ВЫСОКОЕ
ВЫСОКОЕ
НИЗКОЕ
Логика переключателя диапазонов АКПП (Тип прямой).
Положение
A
B
C
PA
P
ВЫСОКОЕ
НИЗКОЕ
НИЗКОЕ
ВЫСОКОЕ
R
ВЫСОКОЕ
ВЫСОКОЕ
НИЗКОЕ
НИЗКОЕ
N
НИЗКОЕ
ВЫСОКОЕ
НИЗКОЕ
ВЫСОКОЕ
D
НИЗКОЕ
ВЫСОКОЕ
ВЫСОКОЕ
НИЗКОЕ
4
ВЫСОКОЕ
ВЫСОКОЕ
ВЫСОКОЕ
ВЫСОКОЕ
2
ВЫСОКОЕ
НИЗКОЕ
ВЫСОКОЕ
НИЗКОЕ
* ВЫСОКОЕ: напряжение зажигания, НИЗКОЕ: напряжение 0

Действия при занесении кода неисправности

Когда включен аварийный режим, имеют место следующие условия:

Условия очистки кода неисправности/выключения индикатора неисправности

Причина неисправности

DTC P0705 - Цепь переключателя диапазонов коробки передач

ШагОперацияЗначенияДаНет
1
  1. Выключить зажигание.
  2. Подключить диагностический прибор.
  3. Двигатель остановлен. Перевести замок зажигания в положение ON.
  4. В меню "Diagnostic Trouble Codes Information" ("Информация о кодах") диагностического прибора выбрать команду "Store Freeze Frame/Failure Records" ("Стоп-кадр/Записи о неисправности").
  5. Сохранить данные стоп-кадра/записи о неисправности.
  6. В меню "Diagnostic Trouble Codes Information" ("Информация о кодах") выбрать команду "Clear DTC Information" ("Очистить информацию о кодах").
  7. Очистить информацию о кодах.
  8. Выполнить один драйв-цикл.
Сигнализатор неисправности горит?
-
Перейти к Шагу 2
Устранить непостоянный контакт в электрическом разъеме (см. "Проверка жгутов и электрических разъемов" в этом разделе)
2
  1. В меню "Diagnostic Trouble Codes Information" ("Информация о кодах") выбрать команду "Request DTC by Status" ("Запрос кодов по состоянию").
  2. Выполнить запрос кодов по состоянию.
Отображается ли код P0705?
-
Перейти к Шагу 3
Устранить непостоянный контакт в электрическом разъеме (см. "Проверка жгутов и электрических разъемов" в этом разделе)
3
  1. Выключить зажигание.
  2. Проверить на разрыв цепь между жгутом автомобиля и датчиком диапазонов АКПП.
  3. Отсоединить разъем контроллера КПП (X-1) жгута автомобиля и проверить цепи между контактами на разрыв, как показано на схеме. См. "Проверка состояния агрегата" в этом разделе.
Неисправность отсутствует?
-
Перейти к Шагу 4
Перейти к Шагу 5
4
  1. Проверить наличие неисправности между колодкой жгута автомобиля и контроллером КПП.
  2. Проверить колодки разъема. См. "Проверка жгутов и электрических разъемов" в этом разделе.
  3. Проверить надежность соединения колодок разъема (C-1).
Соединение исправно?
-
Перейти к Шагу 6
Устранить неисправность колодок жгута.
5
  1. Проверить наличие неисправности между жгутом автомобиля и датчиком диапазонов АКПП.
  2. Разъединить разъем контроллера КПП (X-2) и проверить цепи между контактами на разрыв. См. "Проверка жгутов и электрических разъемов" в этом разделе.
Датчик диапазонов АКПП исправен?
-
Перейти к Шагу 7
Заменить датчик диапазонов АКПП.
6
  1. Заменить основной контроллер КПП.
  2. После устранения кодов провести испытание с воспроизведением условий возникновения неисправности.
Отображается ли код неисправности?
-
Устранить непостоянный контакт в электрическом разъеме (см. "Проверка жгутов и электрических разъемов" в этом разделе)
Заменить контроллер КПП.
7
  1. Проверить наличие неисправности жгута автомобиля.
  2. Проверить жгут на наличие разрывов или замыканий. Проверить соединение между разъемами (C-2). См. "Проверка жгутов и электрических разъемов" в этом разделе.
Все исправно?
-
Устранить непостоянный контакт в электрическом разъеме (см. "Проверка жгутов и электрических разъемов" в этом разделе)
Заменить жгут или отрегулировать разъемы.

L7B15A29
Показать иллюстрациюПеревод текста в иллюстрациях


Диагностический код неисправности (DTC) P0711

Рабочие характеристики цепи датчика температуры рабочей жидкости КПП

Условия действия DTC

Условия занесения кода неисправности

Действия при занесении кода неисправности

Условия очистки кода неисправности/выключения индикатора неисправности

Причина неисправности

Код P0711 - Рабочие характеристики цепи датчика температуры рабочей жидкости КПП

ШагОперацияЗначенияДаНет
1
  1. Выключить зажигание.
  2. Подключить диагностический прибор.
  3. Двигатель остановлен. Перевести замок зажигания в положение ON.
  4. В меню "Diagnostic Trouble Codes Information" ("Информация о кодах") диагностического прибора выбрать команду "Store Freeze Frame/Failure Records" ("Стоп-кадр/Записи о неисправности").
  5. Сохранить данные стоп-кадра/записи о неисправности.
  6. В меню "Diagnostic Trouble Codes Information" ("Информация о кодах") выбрать команду "Clear DTC Information" ("Очистить информацию о кодах").
  7. Очистить информацию о кодах.
  8. Выполнить один драйв-цикл.
Сигнализатор неисправности горит?
-
Перейти к Шагу 2
Устранить непостоянный контакт в электрическом разъеме (см. "Проверка жгутов и электрических разъемов" в этом разделе)
2
  1. В меню "Diagnostic Trouble Codes Information" ("Информация о кодах") выбрать команду "Request DTC by Status" ("Запрос кодов по состоянию").
  2. Выполнить запрос кодов по состоянию.
Отображается ли код P0711?
-
Перейти к Шагу 3
Устранить непостоянный контакт в электрическом разъеме (см. "Проверка жгутов и электрических разъемов" в этом разделе)
3
  1. Выключить зажигание.
  2. Проверить сопротивление между жгутом автомобиля и датчиком температуры рабочей жидкости КПП. См. "Проверка состояния агрегата" в этом разделе.
  3. Разъединить разъем контроллера КПП (X-1) и проверить сопротивление между контактами A11 и A12.
Результат измерения находится в указанном диапазоне?
10°С (50°Ф): 5,80-7,09 кОм
110°С (230°Ф): 0,231-0,263 кОм
Перейти к Шагу 4
Перейти к Шагу 5
4
  1. Проверить наличие неисправности между колодкой жгута автомобиля и контроллером КПП.
  2. Проверить колодки разъема. См. "Проверка жгутов и электрических разъемов" в этом разделе.
  3. Проверить надежность соединения колодок разъема (C-1).
Соединение исправно?
-
Перейти к Шагу 6
Устранить неисправность колодок жгута.
5
  1. Проверить наличие неисправности между жгутом автомобиля и датчиком температуры рабочей жидкости КПП.
  2. Отсоединить разъем провода КПП (X-3) и проверить сопротивление между контактами 1 и 8 разъема датчика температуры рабочей жидкости КПП.
Результат измерения находится в указанном диапазоне?
10°С (50°Ф): 5,80-7,09 кОм
110°С (230°Ф): 0,231-0,263 кОм
Перейти к Шагу 7
Перейти к Шагу 8
6
  1. Заменить основной контроллер КПП.
  2. После устранения кодов провести испытание с воспроизведением условий возникновения неисправности.
Отображается ли код неисправности?
-
Устранить непостоянный контакт в электрическом разъеме (см. "Проверка жгутов и электрических разъемов" в этом разделе)
Заменить контроллер КПП.
7
  1. Проверить наличие неисправности жгута автомобиля или разъемов.
  2. Проверить жгуты проводов автомобиля на наличие разрывов и замыканий или обрывов. Проверить надежность соединения между разъемами (C-3). См. "Проверка жгутов и разъемов" в этом разделе.
Все исправно?
-
Устранить непостоянный контакт в электрическом разъеме (см. "Проверка жгутов и электрических разъемов" в этом разделе)
Заменить жгут или отрегулировать разъемы.
8
  1. Проверить наличие неисправности жгута КПП или разъемов датчика температуры рабочей жидкости КПП.
  2. Проверить исправность датчика температуры рабочей жидкости КПП. См. "Проверка состояния агрегата" в этом разделе.
Неисправность обнаружена?
-
Заменить датчик температуры рабочей жидкости КПП
Перейти к Шагу 9
9
  1. Проверить наличие неисправности жгута КПП.
  2. Проверить провод КПП на наличие разрывов и замыканий или обрывов. Проверить соединение между разъемами (C-5). См. "Проверка жгутов и разъемов" в этом разделе.
Все исправно?
-
Устранить непостоянный контакт в электрическом разъеме (см. "Проверка жгутов и электрических разъемов" в этом разделе)
Заменить провод КПП или отрегулировать разъемы.

L7B15A29
Показать иллюстрациюПеревод текста в иллюстрациях


Код P0712

Низкое напряжение цепи датчика температуры рабочей жидкости КПП

Условия действия DTC

Условия занесения кода неисправности

Действия при занесении кода неисправности

Условия очистки кода неисправности/выключения индикатора неисправности

Причина неисправности

Код P0712 - Низкое напряжение цепи датчика температуры рабочей жидкости КПП

ШагОперацияЗначенияДаНет
1
  1. Выключить зажигание.
  2. Подключить диагностический прибор.
  3. Двигатель остановлен. Перевести замок зажигания в положение ON.
  4. В меню "Diagnostic Trouble Codes Information" ("Информация о кодах") диагностического прибора выбрать команду "Store Freeze Frame/Failure Records" ("Стоп-кадр/Записи о неисправности").
  5. Сохранить данные стоп-кадра/записи о неисправности.
  6. В меню "Diagnostic Trouble Codes Information" ("Информация о кодах") выбрать команду "Clear DTC Information" ("Очистить информацию о кодах").
  7. Очистить информацию о кодах.
  8. Выполнить один драйв-цикл.
Сигнализатор неисправности горит?
-
Перейти к Шагу 2
Устранить непостоянный контакт в электрическом разъеме (см. "Проверка жгутов и электрических разъемов" в этом разделе)
2
  1. В меню "Diagnostic Trouble Codes Information" ("Информация о кодах") выбрать команду "Request DTC by Status" ("Запрос кодов по состоянию").
  2. Выполнить запрос кодов по состоянию.
Отображается ли код P0712?
-
Перейти к Шагу 3
Устранить непостоянный контакт в электрическом разъеме (см. "Проверка жгутов и электрических разъемов" в этом разделе)
3
  1. Выключить зажигание.
  2. Проверить сопротивление между жгутом автомобиля и датчиком температуры рабочей жидкости КПП. См. "Проверка состояния агрегата" в этом разделе.
  3. Разъединить разъем контроллера КПП (X-1) и проверить сопротивление между контактами A11 и A12.
Результат измерения находится в указанном диапазоне?
10°С (50°Ф): 5,80-7,09 кОм
110°С (230°Ф): 0,231-0,263 кОм
Перейти к Шагу 4
Перейти к Шагу 5
4
  1. Проверить наличие неисправности между колодкой жгута автомобиля и контроллером КПП.
  2. Проверить колодки разъема. См. "Проверка жгутов и электрических разъемов" в этом разделе.
  3. Проверить надежность соединения колодок разъема (C-1).
Соединение исправно?
-
Перейти к Шагу 6
Устранить неисправность колодок жгута.
5
  1. Проверить наличие неисправности между жгутом автомобиля и датчиком температуры рабочей жидкости КПП.
  2. Отсоединить разъем провода КПП (X-3) и проверить сопротивление между контактами 1 и 8 разъема датчика температуры рабочей жидкости КПП.
Результат измерения находится в указанном диапазоне?
10°С (50°Ф): 5,80-7,09 кОм
110°С (230°Ф): 0,231-0,263 кОм
Перейти к Шагу 7
Перейти к Шагу 8
6
  1. Заменить основной контроллер КПП.
  2. После устранения кодов провести испытание с воспроизведением условий возникновения неисправности.
Отображается ли код неисправности?
-
Устранить непостоянный контакт в электрическом разъеме (см. "Проверка жгутов и электрических разъемов" в этом разделе)
Заменить контроллер КПП.
7
  1. Проверить наличие неисправности жгута автомобиля или разъемов.
  2. Проверить жгуты проводов автомобиля на наличие разрывов и замыканий или обрывов. Проверить надежность соединения между разъемами (C-3). См. "Проверка жгутов и разъемов" в этом разделе.
Все исправно?
-
Устранить непостоянный контакт в электрическом разъеме (см. "Проверка жгутов и электрических разъемов" в этом разделе)
Заменить жгут или отрегулировать разъемы.
8
  1. Проверить наличие неисправности жгута КПП или разъемов датчика температуры рабочей жидкости КПП.
  2. Проверить исправность датчика температуры рабочей жидкости КПП. См. "Проверка состояния агрегата" в этом разделе.
Неисправность обнаружена?
-
Заменить датчик температуры рабочей жидкости КПП
Перейти к Шагу 9
9
  1. Проверить наличие неисправности жгута КПП.
  2. Проверить провод КПП на наличие разрывов и замыканий или обрывов. Проверить соединение между разъемами (C-5). См. "Проверка жгутов и разъемов" в этом разделе.
Все исправно?
-
Устранить непостоянный контакт в электрическом разъеме (см. "Проверка жгутов и электрических разъемов" в этом разделе)
Заменить провод КПП или отрегулировать разъемы.

L7B15A29
Показать иллюстрациюПеревод текста в иллюстрациях


Код P0713

Высокое напряжение цепи датчика температуры рабочей жидкости КПП

Условия действия DTC

Условия занесения кода неисправности

Действия при занесении кода неисправности

Условия очистки кода неисправности/выключения индикатора неисправности

Причина неисправности

Код P0713 - Высокое напряжение цепи датчика температуры рабочей жидкости КПП

ШагОперацияЗначенияДаНет
1
  1. Выключить зажигание.
  2. Подключить диагностический прибор.
  3. Двигатель остановлен. Перевести замок зажигания в положение ON.
  4. В меню "Diagnostic Trouble Codes Information" ("Информация о кодах") диагностического прибора выбрать команду "Store Freeze Frame/Failure Records" ("Стоп-кадр/Записи о неисправности").
  5. Сохранить данные стоп-кадра/записи о неисправности.
  6. В меню "Diagnostic Trouble Codes Information" ("Информация о кодах") выбрать команду "Clear DTC Information" ("Очистить информацию о кодах").
  7. Очистить информацию о кодах.
  8. Выполнить один драйв-цикл.
Сигнализатор неисправности горит?
-
Перейти к Шагу 2
Устранить непостоянный контакт в электрическом разъеме (см. "Проверка жгутов и электрических разъемов" в этом разделе)
2
  1. В меню "Diagnostic Trouble Codes Information" ("Информация о кодах") выбрать команду "Request DTC by Status" ("Запрос кодов по состоянию").
  2. Выполнить запрос кодов по состоянию.
Отображается ли код P0713?
-
Перейти к Шагу 3
Устранить непостоянный контакт в электрическом разъеме (см. "Проверка жгутов и электрических разъемов" в этом разделе)
3
  1. Выключить зажигание.
  2. Проверить сопротивление между жгутом автомобиля и датчиком температуры рабочей жидкости КПП. См. "Проверка состояния агрегата" в этом разделе.
  3. Разъединить разъем контроллера КПП (X-1) и проверить сопротивление между контактами A11 и A12.
Результат измерения находится в указанном диапазоне?
10°С (50°Ф): 5,80-7,09 кОм
110°С (230°Ф): 0,231-0,263 кОм
Перейти к Шагу 4
Перейти к Шагу 5
4
  1. Проверить наличие неисправности между колодкой жгута автомобиля и контроллером КПП.
  2. Проверить колодки разъема. См. "Проверка жгутов и электрических разъемов" в этом разделе.
  3. Проверить надежность соединения колодок разъема (C-1).
Соединение исправно?
-
Перейти к Шагу 6
Устранить неисправность колодок жгута.
5
  1. Проверить наличие неисправности между жгутом автомобиля и датчиком температуры рабочей жидкости КПП.
  2. Отсоединить разъем провода КПП (X-3) и проверить сопротивление между контактами 1 и 8 разъема датчика температуры рабочей жидкости КПП.
Результат измерения находится в указанном диапазоне?
10°С (50°Ф): 5,80-7,09 кОм
110°С (230°Ф): 0,231-0,263 кОм
Перейти к Шагу 7
Перейти к Шагу 8
6
  1. Заменить основной контроллер КПП.
  2. После устранения кодов провести испытание с воспроизведением условий возникновения неисправности.
Отображается ли код неисправности?
-
Устранить непостоянный контакт в электрическом разъеме (см. "Проверка жгутов и электрических разъемов" в этом разделе)
Заменить контроллер КПП.
7
  1. Проверить наличие неисправности жгута автомобиля или разъемов.
  2. Проверить жгуты проводов автомобиля на наличие разрывов и замыканий или обрывов. Проверить надежность соединения между разъемами (C-3). См. "Проверка жгутов и разъемов" в этом разделе.
Все исправно?
-
Устранить непостоянный контакт в электрическом разъеме (см. "Проверка жгутов и электрических разъемов" в этом разделе)
Заменить жгут или отрегулировать разъемы.
8
  1. Проверить наличие неисправности жгута КПП или разъемов датчика температуры рабочей жидкости КПП.
  2. Проверить исправность датчика температуры рабочей жидкости КПП. См. "Проверка состояния агрегата" в этом разделе.
Неисправность обнаружена?
-
Заменить датчик температуры рабочей жидкости КПП
Перейти к Шагу 9
9
  1. Проверить наличие неисправности жгута КПП.
  2. Проверить провод КПП на наличие разрывов и замыканий или обрывов. Проверить соединение между разъемами (C-5). См. "Проверка жгутов и разъемов" в этом разделе.
Все исправно?
-
Устранить непостоянный контакт в электрическом разъеме (см. "Проверка жгутов и электрических разъемов" в этом разделе)
Заменить провод КПП или отрегулировать разъемы.

L7B15A22
Показать иллюстрациюПеревод текста в иллюстрациях


Код P0717

Низкое напряжение цепи датчика скорости первичного вала

Условия действия DTC

Случай неисправности 1
Случай неисправности 2

Условия занесения кода неисправности

Случай неисправности 1
Случай неисправности 2

Действия при занесении кода неисправности

Когда включен аварийный режим, имеют место следующие условия:

Условия очистки кода неисправности/выключения индикатора неисправности

Причина неисправности

Код P0717 - Низкое напряжение цепи датчика скорости первичного вала

ШагОперацияЗначенияДаНет
1
  1. Выключить зажигание.
  2. Подключить диагностический прибор.
  3. Двигатель остановлен. Перевести замок зажигания в положение ON.
  4. В меню "Diagnostic Trouble Codes Information" ("Информация о кодах") диагностического прибора выбрать команду "Store Freeze Frame/Failure Records" ("Стоп-кадр/Записи о неисправности").
  5. Сохранить данные стоп-кадра/записи о неисправности.
  6. В меню "Diagnostic Trouble Codes Information" ("Информация о кодах") выбрать команду "Clear DTC Information" ("Очистить информацию о кодах").
  7. Очистить информацию о кодах.
  8. Выполнить один драйв-цикл.
Сигнализатор неисправности горит?
-
Перейти к Шагу 2
Устранить непостоянный контакт в электрическом разъеме (см. "Проверка жгутов и электрических разъемов" в этом разделе)
2
  1. В меню "Diagnostic Trouble Codes Information" ("Информация о кодах") выбрать команду "Request DTC by Status" ("Запрос кодов по состоянию").
  2. Выполнить запрос кодов по состоянию.
Отображается ли код P0717?
-
Перейти к Шагу 3
Устранить непостоянный контакт в электрическом разъеме (см. "Проверка жгутов и электрических разъемов" в этом разделе)
3
  1. Проверить исправность жгута автомобиля.
  2. Отсоединить разъем (X-1,C-4) жгута автомобиля и проверить цепи на разрыв.
Неисправность отсутствует?
-
Перейти к Шагу 4
Перейти к Шагу 5
4
  1. Проверить наличие неисправности датчика скорости первичного вала и контроллера КПП.
  2. Проверить исправность датчика скорости первичного вала. См. "Проверка состояния агрегата" в этом разделе.
Результат измерения находится в указанном диапазоне?
При высоком сигнале: 12,0-16,0 мА
При низком сигнале: 4,0-8,0 мА
Перейти к Шагу 6
Заменить датчик скорости первичного вала КПП.
5
  1. Проверить наличие неисправности жгута автомобиля.
  2. Проверить исправность жгута автомобиля и разъема.
  3. Проверить надежность соединения разъема (C-1, C-4).
  4. Проверить жгут проводов на обрыв цепи.
Неисправность отсутствует?
-
Проверить наличие непостоянного контакта в электрическом разъеме (см. "Проверка жгутов и электрических разъемов" в этом разделе).
Заменить жгут или отрегулировать разъемы.
6
  1. Заменить основной контроллер КПП.
  2. После устранения кодов провести испытание с воспроизведением условий возникновения неисправности.
Отображается ли код неисправности?
-
Устранить непостоянный контакт в электрическом разъеме (см. "Проверка жгутов и электрических разъемов" в этом разделе)
Заменить контроллер КПП.

L7B15A22
Показать иллюстрациюПеревод текста в иллюстрациях


Код P0722

Низкое напряжение цепи датчика скорости вторичного вала

Условия действия DTC

Случай неисправности 1
Случай неисправности 2

Условия занесения кода неисправности

Случай неисправности 1
Случай неисправности 2

Действия при занесении кода неисправности

Когда включен аварийный режим, имеют место следующие условия:

Условия очистки кода неисправности/выключения индикатора неисправности

Причина неисправности

Код P0722 - Низкое напряжение цепи датчика скорости вторичного вала

ШагОперацияЗначенияДаНет
1
  1. Выключить зажигание.
  2. Подключить диагностический прибор.
  3. Двигатель остановлен. Перевести замок зажигания в положение ON.
  4. В меню "Diagnostic Trouble Codes Information" ("Информация о кодах") диагностического прибора выбрать команду "Store Freeze Frame/Failure Records" ("Стоп-кадр/Записи о неисправности").
  5. Сохранить данные стоп-кадра/записи о неисправности.
  6. В меню "Diagnostic Trouble Codes Information" ("Информация о кодах") выбрать команду "Clear DTC Information" ("Очистить информацию о кодах").
  7. Очистить информацию о кодах.
  8. Выполнить один драйв-цикл.
Сигнализатор неисправности горит?
-
Перейти к Шагу 2
Устранить непостоянный контакт в электрическом разъеме (см. "Проверка жгутов и электрических разъемов" в этом разделе)
2
  1. В меню "Diagnostic Trouble Codes Information" ("Информация о кодах") выбрать команду "Request DTC by Status" ("Запрос кодов по состоянию").
  2. Выполнить запрос кодов по состоянию.
Отображается ли код P0722?
-
Перейти к Шагу 3
Устранить непостоянный контакт в электрическом разъеме (см. "Проверка жгутов и электрических разъемов" в этом разделе)
3
  1. Проверить исправность жгута автомобиля.
  2. Отсоединить разъем (X-1,C-4) жгута автомобиля и проверить цепи на разрыв.
Неисправность отсутствует?
-
Перейти к Шагу 4
Перейти к Шагу 5
4
  1. Проверить наличие неисправности датчик скорости вторичного вала и контроллера КПП.
  2. Проверить исправность датчика скорости вторичного вала. См. "Проверка состояния агрегата" в этом разделе.
Результат измерения находится в указанном диапазоне?
При высоком сигнале: 12,0-16,0 мА
При низком сигнале: 4,0-8,0 мА
Перейти к Шагу 6
Заменить датчик скорости вторичного вала КПП.
5
  1. Проверить наличие неисправности жгута автомобиля.
  2. Проверить исправность жгута автомобиля и разъема.
  3. Проверить надежность соединения разъема (C-1, C-4).
  4. Проверить жгут проводов на обрыв цепи.
Неисправность отсутствует?
-
Проверить наличие непостоянного контакта в электрическом разъеме (см. "Проверка жгутов и электрических разъемов" в этом разделе).
Заменить жгут или отрегулировать разъемы.
6
  1. Заменить основной контроллер КПП.
  2. После устранения кодов провести испытание с воспроизведением условий возникновения неисправности.
Отображается ли код неисправности?
-
Устранить непостоянный контакт в электрическом разъеме (см. "Проверка жгутов и электрических разъемов" в этом разделе)
Заменить контроллер КПП.


На предыдущую страницуНа следующую страницу
Главная страница сайта