Руководство по техническому обслуживанию2007 Epica ПЯТИСТУПЕНЧАТАЯ МЕХАНИЧЕСКАЯ КОРОБКА ПЕРЕДАЧ С ГЛАВНОЙ ПЕРЕДАЧЕЙ В СБОРЕ (D33)К началу документа
Epica
На предыдущую страницуНа следующую страницу
Главная страница GMDEЗагрузить нединамическое оглавлениеЗагрузить динамическое оглавлениеПомощь

РАЗДЕЛ 5B

ПЯТИСТУПЕНЧАТАЯ МЕХАНИЧЕСКАЯ КОРОБКА ПЕРЕДАЧ С ГЛАВНОЙ ПЕРЕДАЧЕЙ В СБОРЕ (D33)

Внимание! Необходимо отсоединять отрицательный провод аккумулятора перед снятием или установкой любого электрического устройства, а также в тех случаях, когда возможно соприкосновение инструмента или оборудования с открытыми электрическими контактами. Отсоединение этого провода поможет избежать несчастного случая, а также повреждения автомобиля. Необходимо также, чтобы зажигание находилось в положении LOCK, если не будет требоваться иное.

ТЕХНИЧЕСКИЕ ХАРАКТЕРИСТИКИ

Моменты затяжки резьбовых соединений

Диапазон
Н•м
Фунт-фут
Фунт-дюйм
Резьбовой штифт
6~9
-
53~80
Фиксирующая заглушка первичного вала
120~130
89~96
-
Фиксирующая заглушка вторичного вала
120~130
89~96
-
Болты крепления задней крышки картера коробки передач с главной передачей в сборе
20~25
15~18
-
Болт ведомой шестерни привода спидометра
3~5
-
27~44
Выключатель света заднего хода
20
15
-
Болты крепления переключения передач
20~25
15~18
-
Болт направляющей переключения передач
20~25
15~18
-
Болты крепления картера сцепления к картеру коробки передач с главной передачей в сборе
20~25
15~18
-
Болты крепления картера коробки передач с главной передачей в сборе к картеру сцепления
20~25
15~18
-
Фиксирующая заглушка промежуточного вала
90~100
66~74
-
Болты крепления концентрического цилиндра выключения сцепления
8~12
-
71~106
Болт крепления трубки концентрического цилиндра выключения сцепления
16
12
-
Болты крепления кронштейна троса управления переключением
15~20
11~15
-
Пробка отверстия для проверки уровня жидкости
6 Н•м + 45°~180°
-
53 фунт-дюйма + 45°~180°
Сливная пробка для жидкости
6 Н•м + 45°~180°
-
53 фунт-дюйма + 45°~180°
Болт крепления картера рычага переключения передач
8
-
71
Верхние болты крепления коробки передач к двигателю
75
55
-
Болты крепления подвески втулки переднего демпфера
65
48
-
Болты крепления заднего кронштейна коробки передач
90
66
-
Болты крепления фланца масляного поддона к коробке передач с главной передачей в сборе
50
37
-
Правый нижний болт крепления двигателя к коробке передач с главной передачей в сборе
75
55
-
Левые нижние болты крепления двигателя к коробке передач с главной передачей в сборе
75
55
-
Болты верхнего кронштейна подвески КПП
40
30
-

СПЕЦИАЛЬНЫЕ ИНСТРУМЕНТЫ

Таблица специальных инструментов


L7B53BC6
Показать иллюстрациюПеревод текста в иллюстрациях


DT-48179
Универсальная направляющая ручка

L7B53BC7
Показать иллюстрациюПеревод текста в иллюстрациях


DT-48225
Оправка для первичного вала

C7A15B42
Показать иллюстрациюПеревод текста в иллюстрациях


DT-48226
Съемник/приспособление для установки шарикового подшипника картера коробки передач с главной передачей в сборе

L7B53BD2
Показать иллюстрациюПеревод текста в иллюстрациях


DT-48182
Съемник/приспособление для установки игольчатого подшипника

L7B53BD7
Показать иллюстрациюПеревод текста в иллюстрациях


DT-48183
Демонтажный мост

L7B53BD8
Показать иллюстрациюПеревод текста в иллюстрациях


DT-48189
Съемник обоймы подшипника дифференциала

L7B53BD5
Показать иллюстрациюПеревод текста в иллюстрациях


DT-48227
Съемник/приспособление для установки роликового подшипника

L7B53BD6
Показать иллюстрациюПеревод текста в иллюстрациях


DT-48228
Съемник/приспособление для установки шарикового подшипника картера сцепления

L7B53BC9
Показать иллюстрациюПеревод текста в иллюстрациях


DT-48229
Съемник промежуточного вала

L7B53BD3
Показать иллюстрациюПеревод текста в иллюстрациях


DT-48230
Приспособление для установки обоймы подшипника дифференциала и сальника полуоси привода

L7B53BC8
Показать иллюстрациюПеревод текста в иллюстрациях


DT-48231
Толкатель/съемник первичного и вторичного вала

L7B53BE3
Показать иллюстрациюПеревод текста в иллюстрациях


DT-48236
Приспособление для установки синхронизатора 3-й/4-й передачи первичного вала

L7B53BD1
Показать иллюстрациюПеревод текста в иллюстрациях


DT-48232
Защитное устройство корпуса синхронизатора первичного вала

L7B53BD9
Показать иллюстрациюПеревод текста в иллюстрациях


DT-48233
Переходник для прижима промежуточного вала

L7B53BE1
Показать иллюстрациюПеревод текста в иллюстрациях


DT-48234
Переходник для прижима первичного/вторичного вала

L7B53BE2
Показать иллюстрациюПеревод текста в иллюстрациях


DT-48235
Приспособление для установки синхронизатора 1-й/2-й передачи промежуточного вала

L7B53BE8
Показать иллюстрациюПеревод текста в иллюстрациях


DT-48200
Крепеж картера коробки передач с главной передачей в сборе

L7B53BE9
Показать иллюстрациюПеревод текста в иллюстрациях


DT-48241
Пластина обоймы подшипника картера коробки передач с главной передачей в сборе

L7B53BE4
Показать иллюстрациюПеревод текста в иллюстрациях


DT-48237
Приспособление для установки шестерни 3-й/4-й передачи вторичного вала

L7B53BE5
Показать иллюстрациюПеревод текста в иллюстрациях


DT-48238
Приспособление для установки шестерни 5-й передачи первичного вала

L7B53BE6
Показать иллюстрациюПеревод текста в иллюстрациях


DT-48239
Приспособление для установки кольца подшипника 5-й передачи вторичного вала

L7B53BE7
Показать иллюстрациюПеревод текста в иллюстрациях


DT-48240
Приспособление для установки синхронизатора 5-й передачи/заднего хода вторичного вала

L7B53BF1
Показать иллюстрациюПеревод текста в иллюстрациях


DT-48242
Пластина обоймы подшипника картера сцепления

DW110060
Показать иллюстрациюПеревод текста в иллюстрациях


DW110-060
Кронштейн для подвески двигателя

ДИАГНОСТИКА

Локализация шума

Перед попыткой ремонта муфты сцепления или коробки передач с главной передачей в сборе выяснить причину любых шумов.
Признаки неисправности сцепления или механической КПП:
При возникновении любого из указанных выше признаков необходимо провести тщательный анализ неисправности. Перед разборкой сцепления или КПП необходимо провести следующие проверки.

Определение шума в движении

Многие шумы, которые, на первый взгляд, исходят от КПП, в действительности имеют другие источники, такие как:
Эти шумы могут различаться в зависимости от:

Шумы в КПП

КПП, так же как любое механическое устройство, не является абсолютно тихой и при нормальной работе издает определенный шум.
Для выявления подозрительных шумов КПП необходимо:
  1. Выбрать ровный участок дороги, чтобы снизить шум от шин и вибраций кузова.
  2. Проехать некоторое расстояние, достаточное для того, чтобы разогреть масло.
  3. Отметить скорость и передачу, на которой возник шум.
  4. Проверить наличие шумов на остановленном автомобиле с работающим двигателем.
  5. Определить в каких режимах движения возникает шум:

Шум подшипников

Шум боковых подшипников дифференциала

Шумы, исходящие от боковых подшипников дифференциала и от подшипников ступицы колеса, весьма похожи. Так как боковые подшипники собраны с преднатягом, исходящий от них шум не должен значительно снижаться, если КПП и дифференциал будут работать на вывешенном автомобиле (колеса не касаются дороги).

Шум подшипников ступицы колеса

Подшипник ступицы колеса производит специфичный скрежещущий шум, который слышен и при движении автомобиля накатом, когда выбрана нейтральная передача. Так как подшипник ступицы колеса собран без преднатяга, исходящий от него шум должен снижаться, если автомобиль вывесить (колеса не касаются дороги).

Прочие шумы

Образование вмятин на поверхностях качения подшипников (бринеллирование)

Бринеллированный подшипник является источником стука, возникающего один раз за два оборота колеса, что объясняется разницей скорости колеса и элементов подшипника. Во время движения автомобиля стук подшипника воспринимается как низкочастотный шум.
Стук подшипника возникает вследствие образования вмятин в беговой дорожке подшипника от шариков под действием чрезмерной нагрузки. Бринеллирование подшипника может возникнуть и в том случае, если при запрессовке одного кольца давление одновременно оказывается и на второе кольцо подшипника.
Вибрации в области места установки подшипника могут быть ошибочно приняты за стук подшипника. Признаком бринеллирования является наличие вмятин на поверхностях качения подшипника.

Стирание подшипников

Истирание подшипников может происходить в результате попадания в них абразивных частиц, например, окалины, песка или наждака с маслом. В результате поверхности качения истираются. Истирание подшипников, которые при этом работают без ударов и не имеют трещин или коррозионных язвин, являются следствием загрязнения масла.

Блокировка

Попадание крупных частиц инородного материала между шариками и кольцом подшипника часто приводит к блокировке подшипника и проворачиванию одного из колец, в результате чего возникает шум. Превышение усилия преднатяга конического роликового подшипника также может привести к блокировке подшипника.

точечная коррозия

Образование раковин на поверхностях качения является следствием обычного износа и попадания инородных частиц.

Выкрашивание

Данный дефект подшипника характеризуется отслоением материала или появлением раковин на поверхности шариков или колец в результате перегрузки или неправильной сборки, следствием которых может быть неправильная регулировка, перекос или повышенное трение в подшипнике.
После выполнения перечисленных проверок следует перейти к подразделу "Диагностические карты" в этом разделе.

Диагностика признаков неисправностей

Жалоба/состояние
Возможная причина
Способ устранения
Стук на низких скоростях
  • Износ соединения ведущего моста.
  • Проверить соединение ведущего моста и при необходимости заменить.
  • Износ внутреннего диаметра полуосевой шестерни или сателлита.
  • Проверить картер дифференциала и при необходимости заменить.
Повышенный шум при поворотах
  • Износ шестерен дифференциала.
  • Проверить шестерни дифференциала и при необходимости заменить.
Глухой звук удара при ускорении или замедлении
  • Ослабло крепление подвески двигателя.
  • Проверить подвески двигателя и при необходимости затянуть.
  • Износ внутреннего соединения ведущего моста.
  • Проверить внутреннее соединение ведущего моста и при необходимости заменить.
  • Износ вала-шестерни дифференциала.
  • Проверить вал-шестерню дифференциала и при необходимости заменить.
  • Износ расточки ступицы полуосевой шестерни.
  • Проверить расточку ступицы полуосевой шестерни и при необходимости заменить.
Щелчки при поворотах
  • Износ внешнего шарнира равных угловых скоростей ведущего моста.
  • Проверить шарнир равных угловых скоростей и при необходимости заменить.
Повышенный шум на нейтральной передаче с работающим двигателем
  • Износ подшипника шестерни первичного вала.
  • Проверить подшипник и при необходимости заменить.
  • Износ подшипника ведомой шестерни.
  • Проверить подшипник и при необходимости заменить.
  • Износ обойм подшипника
  • Проверить обойму подшипника и при необходимости заменить.
Повышенный шум только на первой передаче
  • Износ, сколы или задиры на шестернях с постоянным зацеплением 1-й передачи.
  • Проверить шестерни и при необходимости заменить.
  • Износ, сколы или задиры на синхронизаторе 1-й/2-й передачи.
  • Проверить синхронизатор и при необходимости заменить.
Повышенный шум только на второй передаче
  • Износ, сколы или задиры на шестернях с постоянным зацеплением 2-й передачи.
  • Проверить шестерни и при необходимости заменить.
  • Износ, сколы или задиры на синхронизаторе 1-й/2-й передачи.
  • Проверить синхронизатор и при необходимости заменить.
Повышенный шум только на третьей передаче
  • Износ, сколы или задиры на шестернях с постоянным зацеплением 3-й передачи.
  • Проверить шестерни и при необходимости заменить.
  • Износ, сколы или задиры на синхронизаторе 3-й/4-й передачи.
  • Проверить синхронизатор и при необходимости заменить.
Повышенный шум только на четвертой передаче
  • Износ, сколы или задиры на шестернях с постоянным зацеплением 4-й передачи
  • Проверить шестерни и при необходимости заменить.
  • Износ, сколы или задиры на синхронизаторе 3-й/4-й передачи.
  • Проверить синхронизатор и при необходимости заменить.
  • Износ, сколы или задиры на шестерне вторичного вала.
  • Проверить шестерню и при необходимости заменить.
Повышенный шум только на пятой передаче
  • Износ, сколы или задиры на шестернях с постоянным зацеплением 5-й передачи
  • Проверить шестерни и при необходимости заменить.
  • Износ, сколы или задиры на синхронизаторе 5-й передачи/заднего хода.
  • Проверить синхронизатор и при необходимости заменить.
  • Износ, сколы или задиры на шестерне вторичного вала.
  • Проверить шестерню и при необходимости заменить.
Повышенный шум только на заднем ходу
  • Износ, сколы или задиры на шестернях с постоянным зацеплением заднего хода.
  • Проверить шестерню и при необходимости заменить.
  • Износ или повреждение шестерни вторичного вала.
  • Проверить шестерню и при необходимости заменить.
  • Износ или повреждение шестерни первичного вала.
  • Проверить шестерню и при необходимости заменить.
Повышенный шум на всех передачах
  • Низкий уровень жидкости.
  • Долить жидкость до соответствующего уровня.
  • Износ или повреждение подшипников ступицы колес.
  • Проверить подшипник ступицы колеса и при необходимости заменить.
  • Износ, сколы или задиры на шестернях первичного/вторичного вала.
  • Проверить шестерню и при необходимости заменить.
  • Износ подшипника шестерни вторичного вала.
  • Проверить подшипник вторичного вала КПП и при необходимости заменить.
  • Ослабить направляющий болт штока механизма переключения передач.
  • Затянуть направляющий болт штока механизма переключения передач.
  • Износ, сколы или задиры на шестернях 1-й, 2-й, 3-й, 4-й, 5-й передачи или заднего хода.
  • Проверить компоненты и при необходимости заменить.
Пробуксовывание передачи
  • Ослабли крепления подвески коробки передач с главной передачей в сборе.
  • Затянуть или заменить подвески.
  • Перегиб или износ тросов.
  • Проверить тросы и при необходимости заменить.
  • Разрушение или ослабление крепления фиксатора подшипника шестерни первичного вала.
  • Проверить вилку переключения передач и при необходимости заменить.
  • Износ или перегиб вилки переключения передач.
  • Проверить вилку переключения передач и при необходимости заменить.
  • Грязь на картере сцепления и двигателе.
  • Очистить картер сцепления и двигатель.
  • Жесткое уплотнение рычага механизма выбора передач.
  • Проверить уплотнение и при необходимости заменить.
  • Внутренняя неисправность механизма переключения механической коробки передач с главной передачей в сборе.
  • Разобрать коробку передач с главной передачей в сборе, произвести необходимый ремонт.
Пробуксовывание передачи при ускорении
  • Отсутствует или неправильно отрегулирован упорный подшипник или упорное кольцо шестерни первой передачи.
  • Проверить подшипник и шайбу и при необходимости заменить.
  • Износ или повреждение шлицевого замка шестерни первой передачи на синхронизаторе 1-й/2-й передачи.
  • Проверить шлицевой замок и при необходимости заменить.
  • Износ или повреждение шлицевого замка шестерни второй передачи на синхронизаторе 1-й/2-й передачи.
  • Проверить шлицевой замок и при необходимости заменить.
  • Износ или повреждение шлицевого замка шестерни третьей передачи на синхронизаторе 3-й/4-й передачи.
  • Проверить шлицевой замок и при необходимости заменить.
  • Износ или повреждение шлицевого замка шестерни четвертой передачи на синхронизаторе 3-й/4-й передачи.
  • Проверить шлицевой замок и при необходимости заменить.
  • Износ или повреждение шлицевого замка шестерни пятой передачи на синхронизаторе 5-й передачи/заднего хода.
  • Проверить шлицевой замок и при необходимости заменить.
  • Износ или повреждение шлицевого замка шестерни передачи заднего хода на синхронизаторе 5-й передачи/заднего хода.
  • Проверить шлицевой замок и при необходимости заменить.
  • Износ или повреждение шлицевого замка шестерни 1-й, 2-й, 3-й, 4-й, 5-й передачи или передачи заднего хода.
  • Проверить шлицевой замок и при необходимости заменить.
  • Внутренняя неисправность механизма переключения механической коробки передач с главной передачей в сборе.
  • Разобрать коробку передач с главной передачей в сборе, произвести необходимый ремонт.
Пробуксовывание передачи при движении накатом
  • Повреждение, износ или отсутствие штоков механизма переключения передач.
  • Проверить штоки механизма переключения передач и при необходимости заменить.
  • Внутренняя неисправность механизма переключения механической коробки передач с главной передачей в сборе.
  • Разобрать коробку передач с главной передачей в сборе, произвести необходимый ремонт.
Утечка жидкости
  • Высокий уровень жидкости.
  • Слить излишнюю жидкость.
  • Повреждены уплотнения полуоси.
  • Проверить уплотнения полуоси и при необходимости заменить.
  • Крышка вентиляционного отверстия забита.
  • Прочистить или заменить крышку вентиляционного отверстия.
  • Плохое уплотнение на кожухе переключения передач.
  • Заменить герметик на кожухе переключения передач.
  • Плохое уплотнение между картером коробки передач с главной передачей в сборе и картером сцепления.
  • Заменить герметик между картером коробки передач с главной передачей в сборе и картером сцепления и затянуть.
  • Плохое уплотнение на задней крышке.
  • Заменить герметик на задней крышке и затянуть.
  • Плохое уплотнение или ослабло крепление выключателя лампы заднего хода.
  • Затянуть переключатель или при необходимости заменить герметик.
  • Плохое уплотнение или ослабло крепление датчика скорости автомобиля.
  • Затянуть датчик или при необходимости заменить герметик.

РАСПОЛОЖЕНИЕ КОМПОНЕНТОВ

Компоненты картера сцепления


L7C15B08
Показать иллюстрациюПеревод текста в иллюстрациях


  1. Картер сцепления
  2. Роликовый подшипник
  3. Наружный роликовый подшипник
  4. Болт
  5. Фиксатор вала ручного переключения
  6. Сальник полуоси привода
  7. Уплотнительное кольцо
  8. Концентрический рабочий цилиндр
  9. Болт
  10. Трубка концентрического цилиндра выключения сцепления
  11. Вкладыш
  12. Шариковый подшипник
  13. Кольцо
  14. Маслопровод
  15. Уплотняющая пробка
  16. Роликовый подшипник
  17. Кронштейн троса
  18. Шайба
  19. Болт
  20. Фиксирующая заглушка
  21. Вкладыш
  22. Ведомая шестерня спидометра
  23. Уплотнительное кольцо
  24. Болт

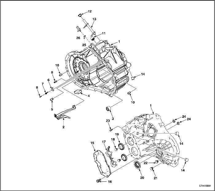
Компоненты картера коробки передач с главной передачей в сборе


C7A15B91
Показать иллюстрациюПеревод текста в иллюстрациях


  1. Картер коробки передач с главной передачей в сборе
  2. Сливной желобок
  3. Подшипник
  4. Магнит
  5. Болт
  6. Устройство блокировки от включения передачи заднего хода
  7. Пружина кручения
  8. Штифт
  9. Рулонный штифт
  10. Установочный штифт
  11. Игольчатый подшипник
  12. Вкладыш
  13. Шток механизма переключения передачи холостого хода
  14. Фиксатор вала ручного переключения
  15. Задняя крышка КПП
  16. Болт
  17. Маслопровод
  18. Фиксирующая заглушка
  19. Шариковый подшипник
  20. Сальник полуоси привода
  21. Сливная пробка для жидкости
  22. Пробка отверстия для проверки уровня жидкости
  23. Болт направляющей переключения передач
  24. Вкладыш
  25. Шайба
  26. Выключатель света заднего хода

Вал в сборе и вилка переключения передач


C7A15B92
Показать иллюстрациюПеревод текста в иллюстрациях


  1. Первичный вал в сборе
  2. Вторичный вал в сборе
  3. Промежуточный вал в сборе
  4. Вилка переключения 1-й/2-й передачи
  5. Вилка переключения 5-й передачи/заднего хода
  6. Вилка переключения 3-й/4-й передачи

Компоненты вала


C7A15B93
Показать иллюстрациюПеревод текста в иллюстрациях


  1. Подшипник скольжения
  2. Первичный вал
  3. 5-я передача
  4. Упорный подшипник
  5. Игольчатый подшипник
  6. Ведомая шестерня 3-й передачи
  7. Упорный подшипник
  8. Упорное кольцо
  9. Блокировочное кольцо шестерни 3-й передачи
  10. Синхронизатор 3-й/4-й передачи в сборе
  11. Сухарь синхронизатора
  12. Шарик
  13. Пружина
  14. Блокировочное кольцо 4-й передачи
  15. Кольцо подшипника
  16. Игольчатый подшипник
  17. Ведомая шестерня 4-й передачи
  18. Упорное кольцо
  19. Блокирующее кольцо подшипника
  20. Вторичный вал
  21. Упорное кольцо
  22. Кольцо подшипника
  23. Игольчатый подшипник
  24. Задний ход
  25. Блокировочное кольцо шестерни передачи заднего хода
  26. Синхронизатор 5-й передачи/заднего хода в сборе
  27. Сухарь синхронизатора
  28. Шарик
  29. Пружина
  30. Блокировочное кольцо 5-й передачи
  31. Кольцо подшипника
  32. Игольчатый подшипник
  33. Ведомая шестерня 5-й передачи
  34. 3-я передача
  35. 4-я передача
  36. Промежуточный вал
  37. Игольчатый подшипник
  38. Ведомая шестерня 2-й передачи
  39. Внутренний конус шестерни 2-й передачи
  40. Блокировочное кольцо шестерни 2-й передачи
  41. Внешний конус шестерни 2-й передачи
  42. Синхронизатор 1-й/2-й передачи в сборе
  43. Сухарь синхронизатора
  44. Шарик
  45. Пружина
  46. Внешний конус шестерни 1-й передачи
  47. Блокировочное кольцо шестерни 1-й передачи
  48. Внутренний конус шестерни 1-й передачи
  49. Упорное кольцо
  50. Кольцо подшипника
  51. Роликовый подшипник
  52. Ведомая шестерня 1-й передачи
  53. Роликовый подшипник
  54. Упорное кольцо

Компоненты вала переключения передач


C7A15B94
Показать иллюстрациюПеревод текста в иллюстрациях


  1. Вал переключения передач в сборе
  2. Рулонный штифт
  3. Палец рычага выбора передач
  4. Рулонный штифт
  5. Защелка рычага выбора передач
  6. Тяга переключения передач
  7. Упорное кольцо
  8. Гнездо наружной пружины
  9. Уголковый диск
  10. Нажимная пружина 1-й/2-й передачи
  11. Нажимная пружина 5-й передачи/заднего хода
  12. Гнездо внутренней пружины
  13. Упорное кольцо
  14. кожух переключения передач
  15. Рычаг механизма выбора передач
  16. Рулонный штифт
  17. Скользящая шпонка
  18. Рычаг механизма выбора передач
  19. Болт
  20. Крышка вентиляционного отверстия

Дифференциальная передача


C7A15B96
Показать иллюстрациюПеревод текста в иллюстрациях


  1. Дифференциальная передача
  2. Обойма подшипника дифференциала
  3. Регулировочная прокладка

Управление переключением передач


L7B53BG5
Показать иллюстрациюПеревод текста в иллюстрациях


  1. Картер рычага переключения передач
  2. Болт
  3. Трос управления переключением
  4. Хомут


На предыдущую страницуНа следующую страницу
Главная страница сайта