Руководство по техническому обслуживанию2007 Epica УСТРОЙСТВА ПОДАЧИ ЗВУКОВОГО СИГНАЛАК началу документа
Epica
На предыдущую страницуНа следующую страницу
Главная страница GMDEЗагрузить нединамическое оглавлениеЗагрузить динамическое оглавлениеПомощь

РАЗДЕЛ 9C

УСТРОЙСТВА ПОДАЧИ ЗВУКОВОГО СИГНАЛА

Внимание! Отсоедините провод от отрицательного вывода аккумулятора, прежде чем снимать или устанавливать какие-либо электрические устройства, а также в ситуации, когда есть возможность касания оголенных электрических контактов каким-либо инструментом или приспособлением. Отсоединение этого провода позволяет избежать травм и повреждения оборудования автомобиля. Кроме того, если не указано иное, зажигание должно находиться в положении LOCK.

ТЕХНИЧЕСКИЕ ХАРАКТЕРИСТИКИ

Моменты затяжки резьбовых соединений

ПРОГРАММА
Н•м
фунт-фут
фунт-дюйм
Болт устройства подачи звукового сигнала
20
15
-

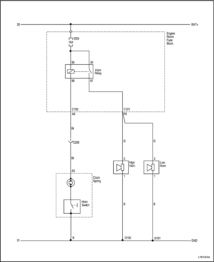
ПРИНЦИПИАЛЬНЫЕ И МОНТАЖНЫЕ СХЕМЫ

Система электропроводки звукового сигнала


L7B19C02
Показать иллюстрациюПеревод текста в иллюстрациях


ТЕХНИЧЕСКОЕ ОБСЛУЖИВАНИЕ И РЕМОНТ

ТЕХНИЧЕСКОЕ ОБСЛУЖИВАНИЕ БЕЗ ДЕМОНТАЖА С АВТОМОБИЛЯ



L7B59D58
Показать иллюстрациюПеревод текста в иллюстрациях


Двойные устройства подачи звукового сигнала

(Показано левое устройство подачи звукового сигнала, правое устройство подачи звукового сигнала такое же)

Процедура снятия

  1. Отсоедините провод от отрицательного вывода аккумуляторной батареи.
  2. Снять фару в сборе. Перейти к Раздела 9В, СИСТЕМА ОСВЕЩЕНИЯ.
  3. Отсоединить электрический разъем.
  4. Снять болт и устройство подачи звукового сигнала.


L7B59D58
Показать иллюстрациюПеревод текста в иллюстрациях


Процедура установки

    Примечание: Непосредственный контакт разнородных металлов может привести к быстрой коррозии. Во избежание преждевременной коррозии используйте надлежащий крепеж.

  1. Установить устройство подачи звукового сигнала с помощью болта.
  2. Затянуть
    Затянуть болт устройства подачи звукового сигнала с усилием 20 Н•м (15 фунт-дюйм).

  3. Подсоединить электрический разъем.
  4. Установить фару в сборе. Перейти к Раздела 9В, СИСТЕМА ОСВЕЩЕНИЯ.
  5. Присоедините провод к отрицательному выводу аккумуляторной батареи.

ОБЩЕЕ ОПИСАНИЕ И РАБОТА СИСТЕМЫ

Устройства выдачи звукового сигнала

Устройства подачи звукового сигнала расположены под капотом. Они прикреплены рядом с радиатором в передней части автомобиля. Устройства подачи звукового сигнала приводятся в действие нажатием на подушку рулевого колеса, которая соединяет с массой электрическую цепь этих устройств.


На предыдущую страницуНа следующую страницу
Главная страница сайта