Руководство по техническому обслуживанию2007 Epica АУДИОСИСТЕМЫК началу документа
Epica
На предыдущую страницуНа следующую страницу
Главная страница GMDEЗагрузить нединамическое оглавлениеЗагрузить динамическое оглавлениеПомощь

РАЗДЕЛ 9F

АУДИОСИСТЕМЫ

Внимание! Отсоедините провод от отрицательного вывода аккумулятора, прежде чем снимать или устанавливать какие-либо электрические устройства, а также в ситуации, когда есть возможность касания оголенных электрических контактов каким-либо инструментом или приспособлением. Отсоединение этого провода позволяет избежать травм и повреждения оборудования автомобиля. Кроме того, если не указано иное, зажигание должно находиться в положении LOCK.

ТЕХНИЧЕСКИЕ ХАРАКТЕРИСТИКИ

Моменты затяжки резьбовых соединений

ПРОГРАММА
Н•м
фунт-фут
фунт-дюйм
Винты пульта дистанционного управления аудиосистемой
3
-
27
Винты аудиосистемы
4
-
35
Винты дверных динамиков
2
-
18
Винты модуля оконной антенны
2
-
18

ПРИНЦИПИАЛЬНЫЕ И МОНТАЖНЫЕ СХЕМЫ

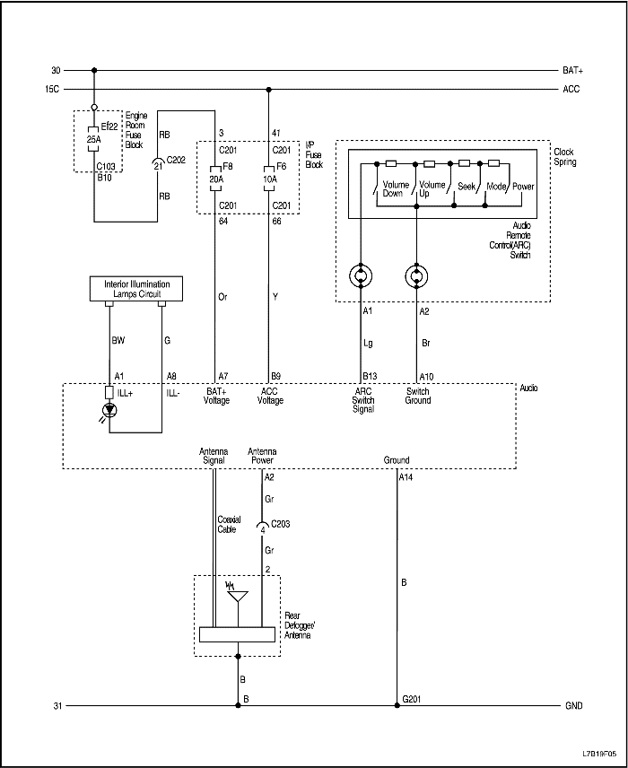
Цепь аудиосистемы


L7B19F05
Показать иллюстрациюПеревод текста в иллюстрациях


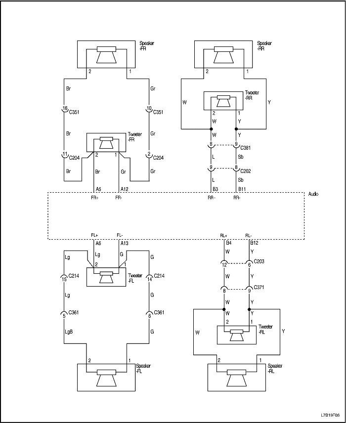
Цепь динамиков (без усилителя мощности)

Левостороннее управление


L7B19F02
Показать иллюстрациюПеревод текста в иллюстрациях


Правостороннее управление


L7B19F06
Показать иллюстрациюПеревод текста в иллюстрациях


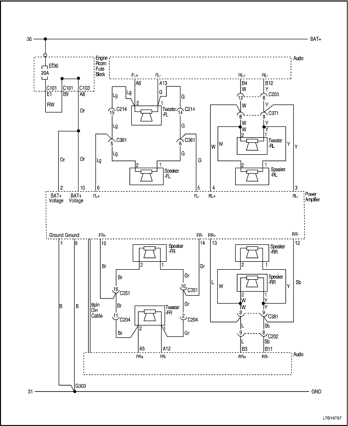
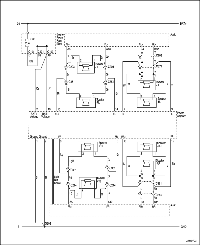
Цепь динамиков (с усилителем мощности)

Левостороннее управление


L7B19F03
Показать иллюстрациюПеревод текста в иллюстрациях


Правостороннее управление (исключая Holden)


L7B19F07
Показать иллюстрациюПеревод текста в иллюстрациях


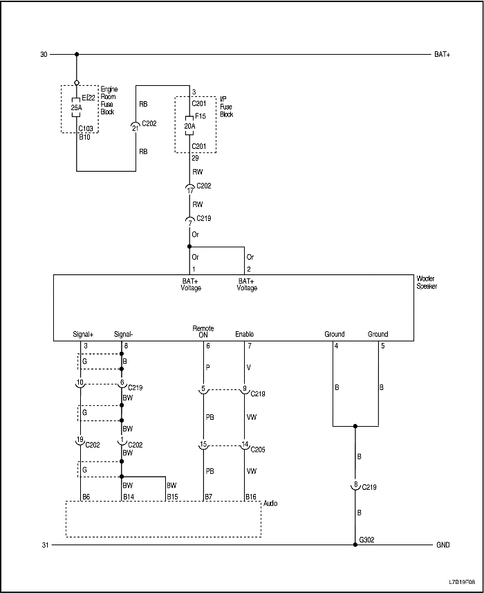
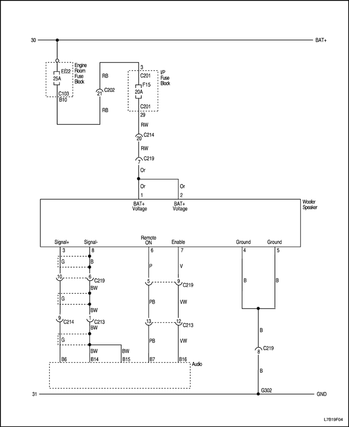
Цепь динамика сабвуфера

Левостороннее управление


L7B19F04
Показать иллюстрациюПеревод текста в иллюстрациях


Правостороннее управление (исключая Holden)


L7B19F08
Показать иллюстрациюПеревод текста в иллюстрациях


ДИАГНОСТИКА

Стереомагнитола с приемником AM/FM

Стереомагнитола с приемником AM/FM не работает

ШагОперацияЗначенияДаНет
1
Проверить предохранители EF22, F6 и F8.
Перегорели ли предохранители EF22, F6 и F8?
-
Перейдите на Шаг 2
Перейдите на Шаг 3
2
  1. Проверьте на предмет короткого замыкания и при необходимости устраните его.
  2. Заменить перегоревшие предохранители.
Ремонт закончен?
-
Система в норме
-
3
  1. С помощью вольтметра проверить подаваемое батареей напряжение на предохранителях F22 и F6.
  2. Перевести выключатель зажигания в положение ON и проверить подаваемое батареей напряжение на предохранителе F8.
Равно ли напряжение указанному значению на предохранителях EF22, F6 и F8?
11~14 В
Перейдите на Шаг 5
Перейдите на Шаг 4
4
Восстановить цепь подачи электропитания на предохранители.
Ремонт закончен?
-
Система в норме
-
5
  1. Снять магнитолу.
  2. Установите зажигание в положение ON.
  3. С помощью вольтметра проверить подаваемое батареей напряжение на выводы A7 и B9 разъема аудиосистемы.
Равно ли подаваемое батареей напряжение указанному значению на обоих выводах?
11~14 В
Перейдите на Шаг 7
Перейдите на Шаг 6
6
Устранить разрыв цепи между разъемом аудиосистемы и предохранителем.
Ремонт закончен?
-
Система в норме
-
7
С помощью омметра проверить сопротивление между массой и выводом A14 разъема аудиосистемы.
Равно ли сопротивление указанному значению?
∞ 0 Ом
Перейдите на Шаг 9
Перейдите на Шаг 8
8
Устранить разрыв цепи между разъемом аудиосистемы и массой.
Ремонт закончен?
-
Система в норме
-
9
Заменить аудиосистему.
Ремонт закончен?
-
Система в норме
-

Радиоприемник в диапазоне FM не работает, в диапазоне AM работает, магнитофон работает исправно

ШагОперацияЗначенияДаНет
1
Проверить нормальную работу аудиосистемы.
Радиоприемник в диапазоне FM не работает, а остальная система работает нормально?
-
Перейдите на Шаг 2
Система в норме
2
Заменить радиоприемник.
Ремонт закончен?
-
Система в норме
-

Радиоприемник в диапазоне AM не работает, в диапазоне FM работает, магнитофон работает исправно

ШагОперацияЗначенияДаНет
1
  1. Отсоединить антенный кабель от антенны.
  2. Подсоединить проверочную антенну к антенному кабелю.
  3. Проверить радиоприем в диапазоне AM.
Нормально ли работает радиоприемник в диапазоне AM?
-
Перейдите на Шаг 2
Перейдите на Шаг 3
2
Заменить антенну.
Ремонт закончен?
-
Система в норме
-
3
  1. Снять аудиосистему с панели приборов.
  2. Отсоединить антенный кабель от аудиосистемы.
  3. Подключить проверочную антенну к аудиосистеме.
  4. Проверить радиоприем в диапазоне AM.
Нормально ли работает радиоприемник в диапазоне AM?
-
Перейдите на Шаг 4
Перейдите на Шаг 5
4
Заменить антенный кабель между аудиосистемой и антенной.
Ремонт закончен?
-
Система в норме
-
5
Заменить аудиосистему.
Ремонт закончен?
-
Система в норме
-

Динамики

Передние динамики не работают или искажают звук, остальная аудиосистема исправна

ШагОперацияЗначенияДаНет
1
  1. Перевести выключатель зажигания в положение ON и включить радиоприемник.
  2. Обнаружить искажающие звук или неработающие передние динамики с помощью регуляторов уровня сигнала и баланса при подаче звука из всех источников (радио в диапазонах AM, FM, проигрыватель компакт-дисков).
Искажают ли звук передние динамики?
-
Перейдите на Шаг 2
Перейдите на Шаг 4
2
Проверить динамик и дверь на наличие повреждений, дребезжания и вибрации.
Вызвано ли искажение тем, что что-либо ослабло или оказалось рядом с динамиком?
-
Перейдите на Шаг 3
Перейдите на Шаг 4
3
Выполнить необходимый ремонт и закрепить компонент, вызвавший вибрацию.
Ремонт закончен?
-
Система в норме
-
4
  1. Снять передние динамики и отсоединить разъем динамиков.
  2. С помощью омметра проверить провода динамиков на короткое замыкание на массу.
Показывает ли омметр указанное значение?
-
Перейдите на Шаг 6
Перейдите на Шаг 5
5
Устранить короткое замыкание между разъемом передних динамиков и разъемом магнитолы.
Ремонт закончен?
-
Система в норме
-
6
Заменить динамик, вызывающий искажение, заведомо исправным динамиком.
Устранено ли искажение?
-
Перейдите на Шаг 7
Перейдите на Шаг 8
7
Заменить динамик.
Ремонт закончен?
-
Система в норме
-
8
Заменить аудиосистему.
Ремонт закончен?
-
Система в норме
-

Задние динамики искажают звук или не работают, остальная аудиосистема работает исправно

ШагОперацияЗначенияДаНет
1
  1. Перевести выключатель зажигания в положение ON и включить радиоприемник.
  2. Обнаружить искажающие звук или неработающие задние динамики с помощью регуляторов уровня сигнала и баланса при подаче звука из всех источников (радио в диапазонах AM, FM, проигрыватель компакт-дисков).
Искажают ли звук задние динамики?
-
Перейдите на Шаг 2
Перейдите на Шаг 4
2
Проверить динамики, заднюю полку и багажник на наличие повреждений, дребезжания и вибрации.
Вызвано ли искажение тем, что что-либо ослабло или оказалось рядом с динамиком?
-
Перейдите на Шаг 3
Перейдите на Шаг 4
3
Выполнить необходимый ремонт и закрепить компонент, вызвавший вибрацию.
Ремонт закончен?
-
Система в норме
-
4
  1. Отсоединить задние динамики.
  2. С помощью омметра проверить провода динамиков на короткое замыкание на массу.
Показывает ли омметр указанное значение?
-
Перейдите на Шаг 6
Перейдите на Шаг 5
5
Устранить короткое замыкание между разъемом задних динамиков и разъемом магнитолы.
Ремонт закончен?
-
Система в норме
-
6
Заменить динамик, вызывающий искажение, заведомо исправным динамиком.
Устранено ли искажение?
-
Перейдите на Шаг 7
Перейдите на Шаг 8
7
Заменить динамик.
Ремонт закончен?
-
Система в норме
-
8
Заменить аудиосистему.
Ремонт закончен?
-
Система в норме
-

ТЕХНИЧЕСКОЕ ОБСЛУЖИВАНИЕ И РЕМОНТ

ТЕХНИЧЕСКОЕ ОБСЛУЖИВАНИЕ БЕЗ ДЕМОНТАЖА С АВТОМОБИЛЯ



L7B59D94
Показать иллюстрациюПеревод текста в иллюстрациях


Стереомагнитола с приемником AM/FM

Процедура снятия

  1. Отсоедините провод от отрицательного вывода аккумуляторной батареи.
  2. Снять центральный молдинг. См. Раздел 9E, Приборы/система информирования водителя.
  3. Снять болты и аудиосистему.
  4. Отсоединить электрические разъемы аудиосистемы.


L7B59D94
Показать иллюстрациюПеревод текста в иллюстрациях


Процедура установки

  1. Подсоединить электрические разъемы аудиосистемы.
  2. Примечание: Непосредственный контакт разнородных металлов может привести к быстрой коррозии. Во избежание преждевременной коррозии используйте надлежащий крепеж.

  3. Установить аудиосистему с помощью болтов.
  4. Установить аудиосистему с помощью болтов.
  5. Затянуть
    Затянуть винты аудиосистемы с усилием 4 Н•м (35 фунт-дюймов).

  6. Установить центральный молдинг. См. Раздел 9E, Приборы/система информирования водителя.
  7. Установить центральный молдинг. См. Раздел 9E, Приборы/система информирования водителя.
  8. Присоедините провод к отрицательному выводу аккумуляторной батареи.
  9. Присоедините провод к отрицательному выводу аккумуляторной батареи.


L7B59D91
Показать иллюстрациюПеревод текста в иллюстрациях


Пульт дистанционного управления аудиосистемой

(показан левый привод, правый привод аналогичен)

Процедура снятия

  1. Отсоедините провод от отрицательного вывода аккумуляторной батареи.
  2. Снять винты и пульт дистанционного управления аудиосистемой.
  3. Отсоединить электрические разъемы.


L7B59D91
Показать иллюстрациюПеревод текста в иллюстрациях


Процедура установки

  1. Подсоединить электрические разъемы.
  2. Примечание: Непосредственный контакт разнородных металлов может привести к быстрой коррозии. Во избежание преждевременной коррозии используйте надлежащий крепеж.

  3. Установить пульт дистанционного управления аудиосистемой с помощью винтов.
  4. Затянуть
    Затянуть винты пульта дистанционного управления аудиосистемой с усилием 3 Н•м (27 фунт-дюймов).

  5. Присоедините провод к отрицательному выводу аккумуляторной батареи.


L7B59D62
Показать иллюстрациюПеревод текста в иллюстрациях


Дверные динамики

Процедура снятия

  1. Отсоедините провод от отрицательного вывода аккумуляторной батареи.
  2. Снять панель обивки двери. См. Раздел 9G, Облицовка салона.
  3. Отсоединить электрический разъем.
  4. Снять винты и дверной динамик.


L7B59D62
Показать иллюстрациюПеревод текста в иллюстрациях


Процедура установки

    Примечание: Непосредственный контакт разнородных металлов может привести к быстрой коррозии. Во избежание преждевременной коррозии используйте надлежащий крепеж.

  1. Установить дверной динамик с помощью винтов.
  2. Затянуть
    Затянуть винты дверного динамика с усилием 1,8 Н•м (16 фунт-дюймов).

  3. Подсоединить электрический разъем.
  4. Подсоединить электрический разъем.
  5. Установить панель обивки двери. См. Раздел 9G, Облицовка салона.
  6. Присоедините провод к отрицательному выводу аккумуляторной батареи.
  7. Присоедините провод к отрицательному выводу аккумуляторной батареи.


L7B59B12
Показать иллюстрациюПеревод текста в иллюстрациях


Высокочастотные динамики

Процедура снятия

  1. Отсоедините провод от отрицательного вывода аккумуляторной батареи.
  2. Снять передний высокочастотный динамик, поддев и вытащив его из панели приборов.
  3. Отсоединить электрический разъем.


  4. L7B59B19
    Показать иллюстрациюПеревод текста в иллюстрациях


    (Показан передний коврик с подогревом, задний высокочастотный динамик такой же)
  5. Снять панель обивки задней двери. См. Раздел 9G, Облицовка салона.
  6. Снять задний высокочастотный динамик, поддев и вытащив его.


L7B59B19
Показать иллюстрациюПеревод текста в иллюстрациях


Процедура установки

  1. Установить задний высокочастотный динамик в панель обивки задней двери.
  2. Установить панель обивки задней двери. См. Раздел 9G, Облицовка салона.


  3. L7B59B12
    Показать иллюстрациюПеревод текста в иллюстрациях


  4. Подсоединить электрический разъем.
  5. Установить передний высокочастотный динамик в панель приборов.
  6. Присоедините провод к отрицательному выводу аккумуляторной батареи.


L7B59D63
Показать иллюстрациюПеревод текста в иллюстрациях


Блок оконной антенны

Процедура снятия

  1. Отсоедините провод от отрицательного вывода аккумуляторной батареи.
  2. Снять панель обивки задней стойки. См. Раздел 9G, Облицовка салона.
  3. Отсоединить электрический разъем.
  4. Снять винт и модуль оконной антенны.


L7B59D63
Показать иллюстрациюПеревод текста в иллюстрациях


Процедура установки

  1. Установить модуль оконной антенны с помощью винта.
  2. Затянуть
    Затянуть винт модуля оконной антенны с усилием 2 Н•м (18 фунт-дюймов).

  3. Подсоединить электрический разъем.
  4. Установить панель обивки задней стойки. См. Раздел 9G, Облицовка салона.
  5. Присоедините провод к отрицательному выводу аккумуляторной батареи.

ОБЩЕЕ ОПИСАНИЕ И РАБОТА СИСТЕМЫ

Стереомагнитола с приемником AM/FM

Предлагаются две аудиосистемы. В стандартных и дорогих моделях предлагается радио с проигрывателем компакт-дисков или сменщиком компакт-дисков (на 6 дисков). В обеих моделях реализована система радиоданных (RDS), которая автоматически выбирает лучшую станцию из списка радиостанций, прослушиваемых в настоящий момент. В этих блоках проигрыватель компакт-дисков может воспроизводить диски CD-R, CD-R/W и CD-DA, а также можно прослушивать записи в формате MP3/WMA и CD-DA (только музыкальные). Блок автоматически переключается между разными форматами CD и форматом MP3/WMA и показывает на дисплее текущий выбор.

Система безопасности аудиосистемы

Аудиосистема обладает функцией замка безопасности. Установка функции замка безопасности оберегает от хищения блока. При регистрации функцией замка безопасности кода идентификатора, даже если блок будет похищен и установлен в другом месте, его нельзя будет использовать, если не ввести зарегистрированный код идентификатора.
Процедура заключается в следующем:
  1. Установка замка безопасности (регистрация кода идентификатора)
    1. Отключить электропитание.
    2. Нажать кнопку электропитания (1), одновременно удерживая в нажатом положении кнопку "i" (14) и крайнюю левую кнопку функций (12).
    1. Нажать кнопки функций под отображением "1 - 6" на дисплее, чтобы ввести четырехзначный код.
    2. Нажать кнопку электропитания (1).
  2. Отпирание замка безопасности.
    1. Отключить электропитание.
    2. Нажать кнопку электропитания (1), одновременно удерживая в нажатом положении кнопку (14) и крайнюю левую кнопку функций (12).
    1. Нажать кнопки функций под отображением "1 - 6" на дисплее, чтобы ввести четырехзначный код.
    2. Нажать кнопку электропитания (1).
Чтобы получить дополнительную информацию об аудиосистеме, см. руководство пользователя.

Примечание: После регистрации кода идентификатора этот код будет необходим для отпирания замка безопасности. Следует позаботиться о том, чтобы не забыть защитный код. Если для отпирания замка безопасности десять раз подряд вводится неправильный код, то дальнейшие попытки нельзя будет повторить в течение примерно одного часа.

Динамики

В аудиосистемах используются шесть или восемь динамиков: Два динамика монтируются в передних дверях, два динамика - в задних дверях, два передних высокочастотных динамика монтируются на верхней стороне панели приборов и два задних высокочастотных динамика - в задних дверях.

Обращение с компакт-дисками

Обращаться с компакт-дисками следует осторожно. Хранить диски необходимо в защитных чехлах вдали от прямых солнечных лучей, пыли и источников тепла. При загрязнении поверхности диска следует смочить чистую мягкую ткань в растворе мягкого нейтрального чистящего средства и вытереть диск начисто.


На предыдущую страницуНа следующую страницу
Главная страница сайта