Руководство по техническому обслуживанию2007 Epica БАМПЕРЫ И ОБЛИЦОВКАК началу документа
Epica
На предыдущую страницуНа следующую страницу
Главная страница GMDEЗагрузить нединамическое оглавлениеЗагрузить динамическое оглавлениеПомощь

РАЗДЕЛ 9O

БАМПЕРЫ И ОБЛИЦОВКА

Внимание! Отсоедините провод от отрицательного вывода аккумулятора, прежде чем снимать или устанавливать какие-либо электрические устройства, а также в ситуации, когда есть возможность касания оголенных электрических контактов каким-либо инструментом или приспособлением. Отсоединение этого провода позволяет избежать травм и повреждения оборудования автомобиля. Кроме того, если не указано иное, зажигание должно находиться в положении LOCK.

ТЕХНИЧЕСКИЕ ХАРАКТЕРИСТИКИ

Моменты затяжки резьбовых соединений

ПРОГРАММА
Н•м
фунт-фут
фунт-дюйм
Болты крепления крыла к облицовке.
9.5
-
84
Винты крепления крыла к облицовке.
2
-
18
Болты противоударного бруса переднего бампера
22
16
-
Гайки нижнего элемента жесткости переднего бампера
22
16
-
Винты передней панели к облицовке
2
-
18
Нижние винты облицовки.
2
-
18
Винты облицовки багажника.
2
-
18
Болт зуммера PAS
9.5
-
84
Гайки модуля PAS
9.5
-
84
Болты заднего противоударного бруса
39
29
-

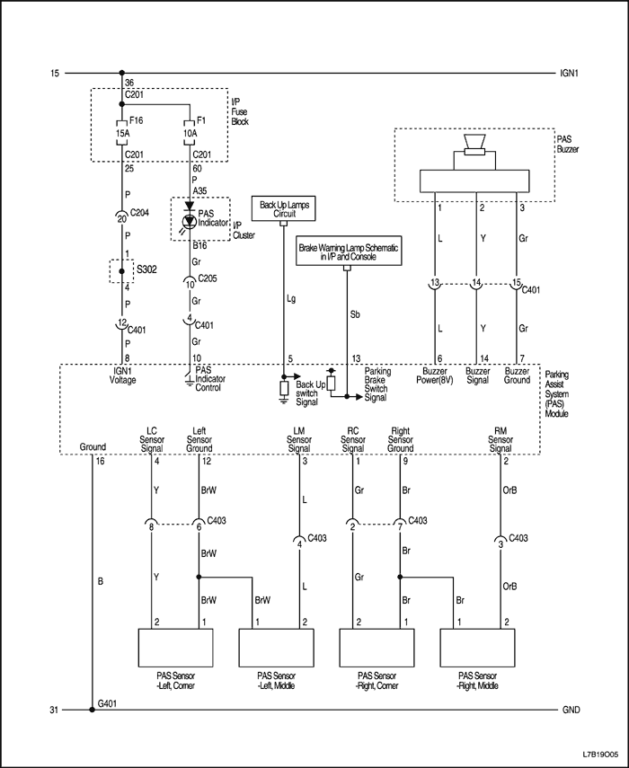
ПРИНЦИПИАЛЬНЫЕ И МОНТАЖНЫЕ СХЕМЫ

Цепь облегчения парковки


L7B19O05
Показать иллюстрациюПеревод текста в иллюстрациях


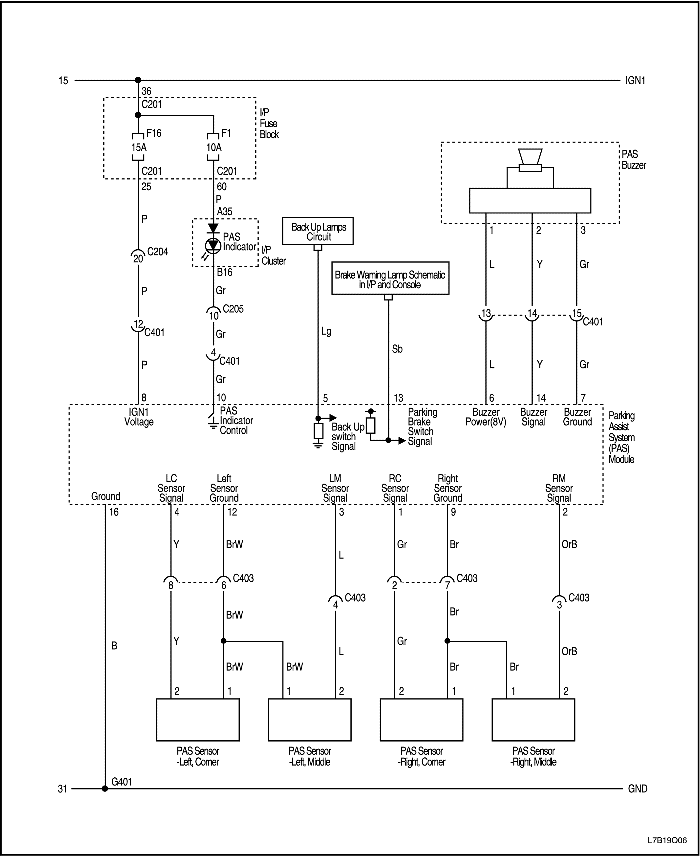
Правостороннее управление (только Holden)


L7B19O06
Показать иллюстрациюПеревод текста в иллюстрациях


ДИАГНОСТИКА

Проверка предупредительного индикатора системы облегчения парковки

ШагОперацияЗначенияДаНет
1
Проверить предохранитель F1 предупреждающего сигнала облегчения парковки в блоке предохранителей приборной панели.
Предохранитель F1 перегорел?
-
Перейдите на Шаг 2
Перейдите на Шаг 3
2
  1. Проверьте на предмет короткого замыкания и при необходимости отремонтируйте.
  2. Заменить предохранитель F1.
-
-
-
3
  1. Установите зажигание в положение ON.
  2. Проверить напряжение на предохранителе F1.
Находится ли напряжение в указанном диапазоне?
9 - 16 В
Перейдите на Шаг 5
Перейдите на Шаг 4
4
Устранить разрыв цепи электропитания для предохранителя F1.
-
-
-
5
Проверьте на предмет разрыва или короткого замыкания на массу цепи между предохранителем F1 и комбинацией приборов.
Найдена ли и устранена ли причина?
-
Система в норме
Перейдите на Шаг 6
6
  1. Отсоединить разъем контроллера системы облегчения парковки.
  2. Проверьте на предмет разрыва или короткого замыкания на массу цепи между выводом B16 комбинации приборов и выводом 10 контроллера облегчения парковки.
Найдена ли и устранена ли причина?
-
Система в норме
Перейдите на Шаг 7
7
Проверить цепь между массой и контроллером на наличие обрыва.
Найдена ли и устранена ли причина?
-
Система в норме
Перейдите на Шаг 8
8
Заменить контроллер системы облегчения парковки.
Завершена ли замена?
-
-

Проверка исправности системы облегчения парковки

Описание схемы

Система облегчения парковки информирует водителя о неисправности системы посредством предупредительного индикатора и звукового сигнала.
  1. Определение неисправности по предупредительному индикатору
  2. Когда зажигание включается в первый раз, напряжение зажигания подается с предохранителя F18 в блоке предохранителей панели приборов на входной вывод 1 для обнаружения контроллера системы облегчения парковки (PAS). В ответ контроллер PAS включает предупредительный индикатор на комбинации приборов на 4 секунды, а затем гасит его на то время, пока контроллер выполняет самоконтроль системы PAS. Если в это время контроллер обнаруживает неисправность в системе, по его команде предупредительный индикатор загорается до тех пор, пока не будет устранена неисправность.
  3. Определение неисправности по звуковому сигналу
  4. Когда включается зажигание, если рычаг переключения передач перемещается в положение "R", контроллер PAS выполняет самоконтроль и включает звуковой сигнал. Если неисправности в системе отсутствуют, контроллер выдает один единственный звуковой сигнал длительностью приблизительно 0,3 секунды.
    При обнаружении неисправности контроллер выдает 5 раз серию из 3 звуковых сигналов длительностью приблизительно 1,5 секунды.

Рекомендации по диагностике

Если предупредительный индикатор горит из-за неисправности, прежде чем выполнять проверку исправности системы облегчения парковки, следует выполнить самопроверку исправности датчика. Как выполнить самопроверку исправности датчика, см. в пункте "Самопроверка исправности датчика" в этом разделе.
ШагОперацияЗначенияДаНет
1
  1. Установите зажигание в положение ON.
  2. Наблюдать предупредительный индикатор системы облегчения парковки.
Индикатор горит в течение 4 секунд и затем гаснет?
-
Система в норме
Перейдите на Шаг 2
2
Установить рычаг переключения передач в положение "R".
Контроллер системы облегчения парковки выдает звуковой сигнал как в нормальном режиме работы (единственный сигнал 0,3 секунды, затем тишина)?
-
Перейдите на Шаг 3
3
Выполнить самопроверку исправности датчика. См. пункт "Самопроверка исправности датчика" в этом разделе.
Найдена ли и устранена ли причина?
-
Перейти на Шаг 1
Перейдите на Шаг 4
4
  1. Отсоединить разъем звукового сигнала системы облегчения парковки.
  2. Установите зажигание в положение ON.
  3. Проверить напряжение между цепью напряжения питания на разъеме проводки звукового сигнала и надежной массой.
Напряжение приблизительно соответствует указанному значению?
≈ 8 В
Перейдите на Шаг 6
Перейдите на Шаг 5
5
  1. Выключите зажигание.
  2. Отсоединить разъем контроллера системы облегчения парковки.
  3. Проверить цепь напряжения питания на разъеме проводки звукового сигнала на обрыв или замыкание на массу или на положительное напряжение аккумулятора (B+).
Найдена ли и устранена ли причина?
-
Перейдите на Шаг 13
Перейдите на Шаг 7
6
Проверить следующие цепи в разъеме проводки звукового сигнала на наличие указанных условий:
  • обрыв или замыкание на массу/B+ в сигнальной цепи
  • обрыв в цепи массы;
Найдена ли и устранена ли причина?
-
Перейдите на Шаг 13
Перейдите на Шаг 9
7
  1. Выключите зажигание.
  2. Проверить цепь напряжения зажигания на разъеме контроллера на наличие обрыва или замыкания на массу.
Найдена ли и устранена ли причина?
-
Перейдите на Шаг 13
Перейдите на Шаг 8
8
Проверить наличие обрыва в цепи массы на разъеме контроллера.
Найдена ли и устранена ли причина?
-
Перейдите на Шаг 13
Перейдите на Шаг 12
9
Проверить цепи между BCM и контроллером системы облегчения парковки на наличие обрыва или замыкания на массу.
Найдена ли и устранена ли причина?
-
Перейдите на Шаг 13
Перейдите на Шаг 10
10
Проверить цепь выключателя стояночного тормоза на наличие обрыва или замыкания на массу.
Найдена ли и устранена ли причина?
-
Перейдите на Шаг 13
Перейдите на Шаг 11
11
  1. Заменить звуковой сигнал системы облегчения парковки.
  2. Присоединить на место все части системы PAS.
  3. Установите зажигание в положение ON.
  4. Наблюдать предупредительный индикатор системы облегчения парковки.
Индикатор горит в течение 4 секунд и затем гаснет?
-
Перейдите на Шаг 13
Перейдите на Шаг 12
12
  1. Заменить контроллер системы облегчения парковки.
  2. Выполнить процедуру перепрограммирования BCM.
Завершена ли замена?
-
Перейдите на Шаг 13
-
13
Эксплуатировать систему, чтобы проверить, устранена ли неисправность.
Устранена ли причина?
-
Система в норме
Перейти на Шаг 1

Самопроверка исправности датчика

Описание схемы

Если предупредительный индикатор или звуковой сигнал свидетельствуют о неисправности, необходимо выполнить диагностику цепи датчика, прежде чем исследовать остальные цепи системы облегчения парковки. Контроллер системы облегчения парковки может выполнить проверку исправности для каждого датчика наличия препятствия сзади, используя режим самопроверки исправности датчика. Далее описывается процедура, которую необходимо выполнить, чтобы войти в режим проверки исправности датчика.
  1. Установите зажигание в положение ON.
  2. Включить/выключить выключатель стояночного тормоза не менее 3 раз, затягивая и отпуская стояночный тормоз не менее 3 раз в течение 10 секунд после включения зажигания.
  3. Контроллер перейдет в режим проверки исправности датчика.

Звуковые коды неисправности датчика

Если неисправности в схеме датчика не обнаружены, контроллер выдаст обычный звуковой сигнал (1 раз продолжительностью 0,3 секунды).
При обнаружении неисправности в схеме датчика будет выдан звуковой сигнал, форма которого зависит от вида неисправности, как описывается ниже.
Левый угловой датчик

C7A19O19
Показать иллюстрациюПеревод текста в иллюстрациях


Левый средний датчик

C7A19O20
Показать иллюстрациюПеревод текста в иллюстрациях


Правый средний датчик

C7A19O21
Показать иллюстрациюПеревод текста в иллюстрациях


Правый угловой датчик

C7A19O22
Показать иллюстрациюПеревод текста в иллюстрациях


ШагОперацияЗначенияДаНет
1
  1. Установите зажигание в положение ON.
  2. Наблюдать предупредительный индикатор системы облегчения парковки.
Индикатор горит в течение 4 секунд и затем гаснет?
-
Система в норме
Перейдите на Шаг 2
2
  1. Удалить все предметы на расстояние не менее 2 метров от заднего бампера.
  2. Включить режим проверки исправности датчиков, включив-выключив выключатель стояночного тормоза не менее 3 раз в течение 10 секунд после включения зажигания.
Выдается ли звуковой сигнал, соответствующий нормальному режиму работы (только 1 раз продолжительностью 0,3 секунды)?
-
Перейдите на Шаг 3
3
Определить, в цепи какого датчика имеется неисправность, используя описание звуковых кодов неисправности датчиков.
Определена ли цепь датчика с предполагаемой неисправностью?
-
Перейдите на Шаг 4
-
4
Проверить цепи датчиков с предполагаемой неисправностью на наличие нарушений контакта.
Найдена ли и устранена ли причина неисправности?
-
Перейдите на Шаг 11
Перейдите на Шаг 5
5
  1. Выключите зажигание.
  2. Отсоединить разъем датчика с предполагаемой неисправностью.
  3. Установите зажигание в положение ON.
  4. Проверить напряжение между сигнальной цепью и опорной цепью низкого уровня на датчике с предполагаемой неисправностью.
Напряжение приблизительно соответствует указанному значению?
≈ 8 В
Перейдите на Шаг 8
Перейдите на Шаг 6
6
  1. Выключите зажигание.
  2. Отсоединить разъем контроллера системы облегчения парковки.
  3. Проверить сигнальную цепь датчика с предполагаемой неисправностью на наличие обрыва или замыкания на массу или положительной напряжение аккумулятора (B+).
Найдена ли и устранена ли причина?
-
Перейдите на Шаг 11
Перейдите на Шаг 7
7
Проверить опорную цепь низкого уровня на датчике с предполагаемой неисправностью на наличие обрыва или замыкания на массу.
Найдена ли и устранена ли причина неисправности?
-
Перейдите на Шаг 11
Перейдите на Шаг 10
8
Проверить контроллер системы облегчения парковки на наличие нарушений контакта.
Найдена ли и устранена ли причина?
-
Перейдите на Шаг 11
Перейдите на Шаг 9
9
Заменить датчики препятствий сзади с предполагаемой неисправностью.
Выполнена ли замена?
-
Перейдите на Шаг 11
-
10
  1. Заменить контроллер системы облегчения парковки.
  2. Выполнить процедуру перепрограммирования BCM.
Завершена ли замена?
-
Перейдите на Шаг 11
-
11
Эксплуатировать систему, чтобы проверить, устранена ли неисправность.
Устранена ли причина?
-
Перейти на Шаг 1
-

ТЕХНИЧЕСКОЕ ОБСЛУЖИВАНИЕ И РЕМОНТ

ТЕХНИЧЕСКОЕ ОБСЛУЖИВАНИЕ БЕЗ ДЕМОНТАЖА С АВТОМОБИЛЯ



L7B59C01
Показать иллюстрациюПеревод текста в иллюстрациях


Облицовка переднего бампера

Процедура снятия

  1. Отсоедините провод от отрицательного вывода аккумуляторной батареи.
  2. Снять брызговики передней колесной арки. См. раздел 9R, «Передняя часть кузова».
  3. Снять фару в сборе. Перейти к Раздела 9В, СИСТЕМЫ ОСВЕЩЕНИЯ.
  4. Отсоединить электрический разъем противотуманной фары.
  5. Снять болты и винты крепления крыла к облицовке.
  6. Снять винты крепления передней панели к облицовке.
  7. Снять фиксаторы.
  8. Снять облицовку переднего бампера.


L7B59C01
Показать иллюстрациюПеревод текста в иллюстрациях


Процедура установки

  1. Установить облицовку переднего бампера.
  2. Примечание: Непосредственный контакт разнородных металлов может привести к быстрой коррозии. Во избежание преждевременной коррозии используйте надлежащий крепеж.

  3. Установить фиксаторы.
  4. Установить винты крепления передней панели к облицовке.
  5. Затянуть
    Затянуть винты крепления передней панели к облицовке с усилием 2 Н•м (18 фунт-дюймов).

  6. Установить болты и винты крепления крыла к облицовке.
  7. Затянуть

    Затянуть болты крепления крыла к облицовке с усилием 9,5 Н•м (84 фунт-дюйма).
    Затянуть винты крепления крыла к облицовке с усилием 2 Н•м (18 фунт-дюймов).
  8. Присоединить электрический разъем противотуманной фары.
  9. Установить фару в сборе. Перейти к Раздела 9В, СИСТЕМЫ ОСВЕЩЕНИЯ.
  10. Установить брызговики передней колесной арки. Перейти к Раздела 9В, СИСТЕМЫ ОСВЕЩЕНИЯ.
  11. Присоедините провод к отрицательному выводу аккумуляторной батареи.


V3B39O04
Показать иллюстрациюПеревод текста в иллюстрациях


Поглотитель энергии переднего бампера

Процедура снятия

  1. Снять облицовку переднего бампера. Перейти к "Облицовка переднего бампера" в этом разделе.
  2. Снять поглотитель энергии.


V3B39O04
Показать иллюстрациюПеревод текста в иллюстрациях


Процедура установки

  1. Установить поглотитель энергии.
  2. Установить облицовку переднего бампера. Перейти к "Облицовка переднего бампера" в этом разделе.


L7B19O01
Показать иллюстрациюПеревод текста в иллюстрациях


Противоударный брус и нижний элемент жесткости переднего бампера

Процедура снятия

  1. Снять облицовку переднего бампера. Перейти к "Облицовка переднего бампера" в этом разделе.
  2. Отсоединить электрический разъем.
  3. Снять гайки и нижний элемент жесткости переднего бампера.
  4. Снять болты и противоударный брус переднего бампера.


L7B19O01
Показать иллюстрациюПеревод текста в иллюстрациях


Процедура установки

    Примечание: Непосредственный контакт разнородных металлов может привести к быстрой коррозии. Во избежание преждевременной коррозии используйте надлежащий крепеж.

  1. Установить противоударный брус переднего бампера с помощью болтов.
  2. Затянуть
    Затянуть болты противоударного бруса переднего бампера с усилием 22 Н•м (16 фунт-футов).

  3. Установить нижний элемент жесткости переднего бампера с помощью гаек.
  4. Затянуть
    Затянуть болты нижнего элемента жесткости переднего бампера с усилием 22 Н•м (16 фунт-футов).

  5. Подсоединить электрический разъем.
  6. Установить облицовку переднего бампера. Перейти к "Облицовка переднего бампера" в этом разделе.


L7B59C03
Показать иллюстрациюПеревод текста в иллюстрациях


Облицовка заднего бампера

Процедура снятия

  1. Отсоедините провод от отрицательного вывода аккумуляторной батареи.
  2. Снять брызговик задней колесной арки.
  3. Снять нижние фиксаторы.
  4. Отсоединить электрический разъем.


  5. L7B59C04
    Показать иллюстрациюПеревод текста в иллюстрациях


  6. Снять задние комбинированные фонари. Перейти к Раздела 9В, СИСТЕМЫ ОСВЕЩЕНИЯ.
  7. Снятие задние фиксаторы.
  8. Снять облицовку заднего бампера.


L7B59C04
Показать иллюстрациюПеревод текста в иллюстрациях


Процедура установки

  1. Установить облицовку заднего бампера.
  2. Установить задние фиксаторы.
  3. Установить задние комбинированные фонари. Перейти к Раздела 9В, СИСТЕМЫ ОСВЕЩЕНИЯ.


  4. L7B59C03
    Показать иллюстрациюПеревод текста в иллюстрациях


  5. Подсоединить электрический разъем.
  6. Установить нижние фиксаторы.
  7. Установить брызговик задней колесной арки.
  8. Присоедините провод к отрицательному выводу аккумуляторной батареи.


L7B59C03
Показать иллюстрациюПеревод текста в иллюстрациях


Поглотитель энергии заднего бампера.

Процедура снятия

  1. Снять облицовку заднего бампера. Перейти к "Облицовка заднего бампера" в данном разделе.
  2. Снять поглотитель энергии.


L7B59C03
Показать иллюстрациюПеревод текста в иллюстрациях


Процедура установки

  1. Установить поглотитель энергии.
  2. Установить облицовку заднего бампера. Перейти к "Облицовка заднего бампера" в данном разделе.


L7B59C05
Показать иллюстрациюПеревод текста в иллюстрациях


Противоударный брус заднего бампера

Процедура снятия

  1. Снять облицовку заднего бампера. Перейти к "Облицовка заднего бампера" в данном разделе.
  2. Открутить болты и снять противоударный брус.


L7B59C03
Показать иллюстрациюПеревод текста в иллюстрациях


Процедура установки

    Примечание: Непосредственный контакт разнородных металлов может привести к быстрой коррозии. Во избежание преждевременной коррозии используйте надлежащий крепеж.

  1. Установить противоударный брус с помощью болтов.
  2. Затянуть
    Затянуть болты заднего противоударного бруса с усилием 39 Н•м (29 фунт-футов).

  3. Установить облицовку заднего бампера.


L7B59D81
Показать иллюстрациюПеревод текста в иллюстрациях


Контроллер системы облегчения парковки (PAS)

Процедура снятия

  1. Отсоедините провод от отрицательного вывода аккумуляторной батареи.
  2. Снять заднюю нижнюю крышку багажника. См. Раздел 9G, Облицовка салона.
  3. Снятие гайки и модуль PAS.
  4. Отсоединить электрический разъем.


L7B59D81
Показать иллюстрациюПеревод текста в иллюстрациях


Процедура установки

  1. Подсоединить электрический разъем.
  2. Примечание: Непосредственный контакт разнородных металлов может привести к быстрой коррозии. Во избежание преждевременной коррозии используйте надлежащий крепеж.

  3. Установить модуль PAS с помощью гаек.
  4. Затянуть
    Затянуть гайки модуля PAS с усилием 9,5 Н•м (84 фунт-дюйма).

  5. Установить заднюю нижнюю крышку багажника. См. Раздел 9G, Облицовка салона.
  6. Присоедините провод к отрицательному выводу аккумуляторной батареи.


L7B59D82
Показать иллюстрациюПеревод текста в иллюстрациях


Датчик PAS

Процедура снятия

  1. Отсоедините провод от отрицательного вывода аккумуляторной батареи.
  2. Отсоединить электрический разъем датчика PAS.
  3. Выкрутить и извлечь стопорную гайку и резинку датчика PAS.


  4. L7B59D83
    Показать иллюстрациюПеревод текста в иллюстрациях


  5. Снять датчик PAS.


L7B59D83
Показать иллюстрациюПеревод текста в иллюстрациях


Процедура установки

  1. Установить датчик PAS.


  2. L7B59D82
    Показать иллюстрациюПеревод текста в иллюстрациях


  3. Установить стопорную гайку и резинку датчика PAS.
  4. Присоединить электрический разъем датчика PAS.
  5. Присоедините провод к отрицательному выводу аккумуляторной батареи.


L7B59D84
Показать иллюстрациюПеревод текста в иллюстрациях


Зуммер PAS

Процедура снятия

  1. Отсоедините провод от отрицательного вывода аккумуляторной батареи.
  2. Снять панель обивки задней стойки. См. Раздел 9G, Облицовка салона.
  3. Снять подушку заднего сиденья и спинку заднего сиденья. См. Раздел 9H, Сиденья.
  4. Снять дополнительный центральный стоп-сигнал. Перейти к Раздела 9В, СИСТЕМА ОСВЕЩЕНИЯ.
  5. Снять крышку пластины порога задней торцевой двери. См. Раздел 9G, Облицовка салона.
  6. Отсоединить электрический разъем зуммера PAS.
  7. Снятие болт и зуммер PAS.


L7B59D84
Показать иллюстрациюПеревод текста в иллюстрациях


Процедура установки

    Примечание: Непосредственный контакт разнородных металлов может привести к быстрой коррозии. Во избежание преждевременной коррозии используйте надлежащий крепеж.

  1. Установить зуммер PAS с помощью болта.
  2. Затянуть
    Затянуть болт зуммер PAS с усилием 9,5 Н•м (84 фунт-дюйма).

  3. Присоединить электрический разъем зуммера PAS.
  4. Установить крышку пластины порога задней торцевой двери. См. Раздел 9G, Облицовка салона.
  5. Установить дополнительный центральный стоп-сигнал. Перейти к Раздела 9В, СИСТЕМА ОСВЕЩЕНИЯ.
  6. Установить подушку заднего сиденья и спинку заднего сиденья. См. Раздел 9H, Сиденья.
  7. Установить панель облицовки задней стойки. См. Раздел 9G, Облицовка салона.
  8. Присоедините провод к отрицательному выводу аккумуляторной батареи.

ОБЩЕЕ ОПИСАНИЕ И РАБОТА СИСТЕМЫ

Бамперы

Системы бамперов предназначены для того, чтобы выдерживать столкновения с фиксированными препятствиями на скорости 8 км/час (5 миль в час) без повреждений. После поглощения энергии столкновения бамперы возвращаются в исходное положение. В бамперах имеется внутренний пенистый поглотитель энергии и полимерная крышка облицовки.

Система облегчения парковки

Система облегчения парковки (PAS) представляет собой электронную систему, предназначенную для выдачи звукового сигнала, информирующего водителя о наличии препятствий вблизи задней части автомобиля во время маневрирования задним ходом, например, при парковке. Система PAS состоит из четырех ультразвуковых датчиков объектов в сборе, прикрепленных к облицовке заднего бампера, электронного контроллера в сборе, прикрепленного к нижней панели задка, и зуммера в сборе, прикрепленного к верхней панели задка. Для обнаружения препятствий в определенной области используется ультразвуковой локатор (сонар), измеряющий время между передачей и приемом ультразвуковых волн.
При включении заднего хода датчики излучают короткие ультразвуковые импульсы, а затем принимают эхо-сигналы, отраженные от предметов, расположенных в определенном диапазоне расстояния. В электронном контроллере данные эхо-сигналов от одного или нескольких датчиков используются для вычисления расстояния до препятствия. PAS оповещает только об объектах, обнаруженных поблизости.

Примечание: Некоторые поглощающие или отражающие звук материалы могут влиять на дальность обнаружения. В исключительных случаях, в результате этого обнаружение некоторых препятствий может быть затруднено.

Внимание! Система облегчения парковки не освобождает водителя от ответственности и обязанности быть внимательным при движении задним ходом. При вождении автомобиля необходимо постоянно соблюдать осторожность.

Функционирование системы

При включении зажигания и выборе заднего хода зуммером в течение 0,3 секунды подается тональный сигнал, сообщающий о готовности системы.
Контроллер поочередно подает напряжение на каждый датчик, который преобразует его в ультразвуковой импульс.
Если в зоне обнаружения есть препятствие, ультразвуковой импульс будет отражен (эхо) и принят тем же датчиком, или другим, смежным с ним.
Эхо-сигнал усиливается, обрабатывается и возвращается на контроллер в цифровой форме. Контроллер обрабатывает эти данные и сообщает водителю о препятствии, выдавая через зуммер прерывистый звуковой сигнал.

L7B19O02
Показать иллюстрациюПеревод текста в иллюстрациях


Четыре датчика расположены на облицовке заднего бампера в таком порядке, чтобы обеспечить некоторое перекрытие диаграмм направленности. Таким образом обеспечивается наилучшее покрытие зоны обнаружения. Максимальная дальность обнаружения составляет 150 см.
Зона обнаружения разделена на четыре области предупреждения. Как показано в следующей таблице, частота следования звуковых сигналов сокращается по мере уменьшения расстояния до препятствия.
Зона обнаружения
Левый угловой, правый угловой (см)
Левый средний, правый средний (см)
Звук включен
Звук выключен
1
20 ~ 30
20 ~ 30
Непрерывно
-
2
31 ~ 60
31 ~ 60
40 мс
280 мс
3
61 ~ 80
61 ~ 90
40 мс
480 мс
4
-
91 ~ 150
40 мс
680 мс
Сигнал готовности
-
-
0,3 сек
-
ЛУ - Левый угловой датчик
ПУ - Правый угловой датчик
ЛС - Левый средний датчик
ПС - Правый средний датчик


На предыдущую страницуНа следующую страницу
Главная страница сайта