Руководство по техническому обслуживанию2007 Epica СИСТЕМА АВТОМАТИЧЕСКОГО ПОДДЕРЖАНИЯ СКОРОСТИК началу документа
Epica
На предыдущую страницуНа следующую страницу
Главная страница GMDEЗагрузить нединамическое оглавлениеЗагрузить динамическое оглавлениеПомощь

РАЗДЕЛ 9U

СИСТЕМА АВТОМАТИЧЕСКОГО ПОДДЕРЖАНИЯ СКОРОСТИ

Внимание! Отсоедините провод от отрицательного вывода аккумулятора, прежде чем снимать или устанавливать какие-либо электрические устройства, а также в ситуации, когда есть возможность касания оголенных электрических контактов каким-либо инструментом или приспособлением. Отсоединение этого провода позволяет избежать травм и повреждения оборудования автомобиля. Кроме того, если не указано иное, зажигание должно находиться в положении LOCK.

ТЕХНИЧЕСКИЕ ХАРАКТЕРИСТИКИ

Моменты затяжки резьбовых соединений

ПРОГРАММА
Н•м
фунт-фут
фунт-дюйм
Винт выключателя устройства автоматического поддержания скорости
2.5
-
22

ПРИНЦИПИАЛЬНАЯ И МОНТАЖНАЯ СХЕМА

Система автоматического поддержания скорости

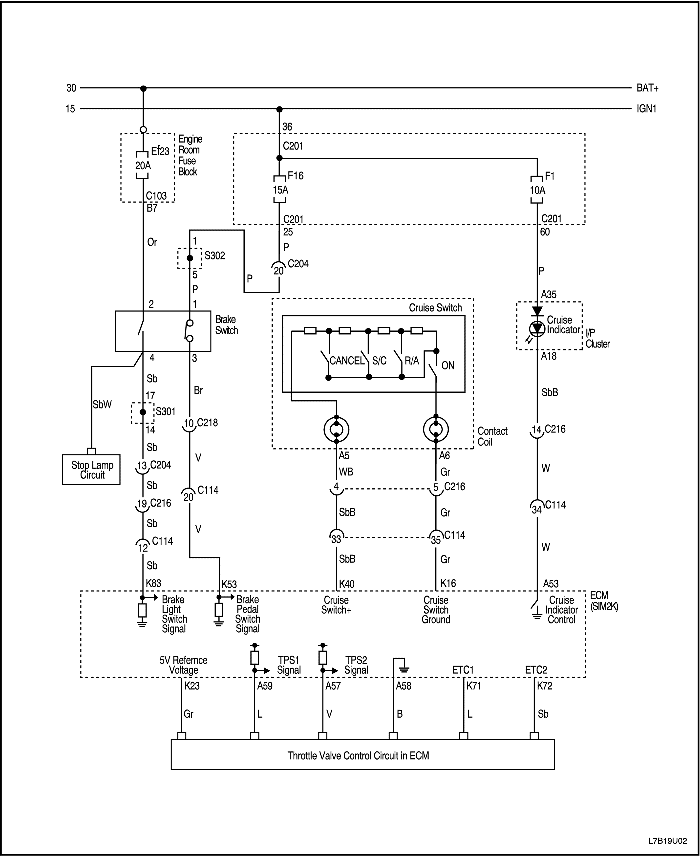
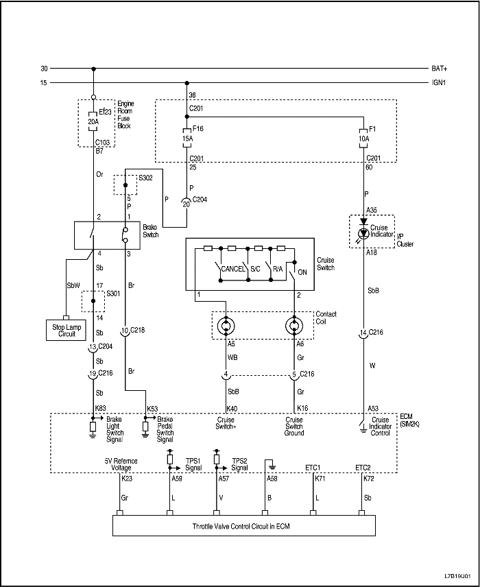
Левостороннее управление


L7B19U01
Показать иллюстрациюПеревод текста в иллюстрациях


Правостороннее управление (исключая Holden)


L7B19U02
Показать иллюстрациюПеревод текста в иллюстрациях


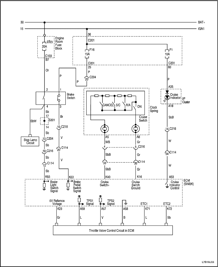
Правостороннее управление (только Holden)


L7B19U03
Показать иллюстрациюПеревод текста в иллюстрациях


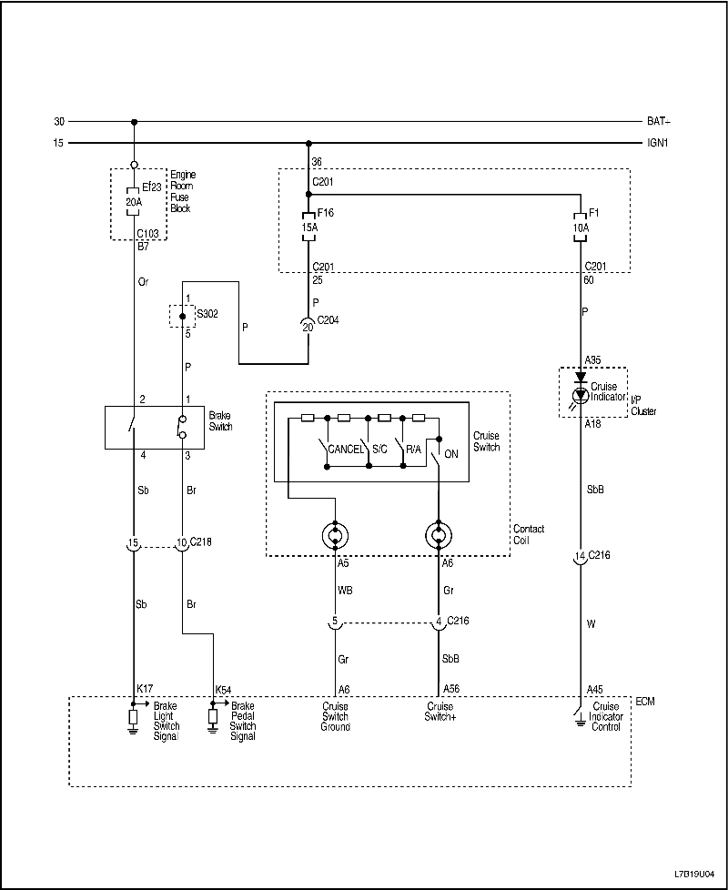
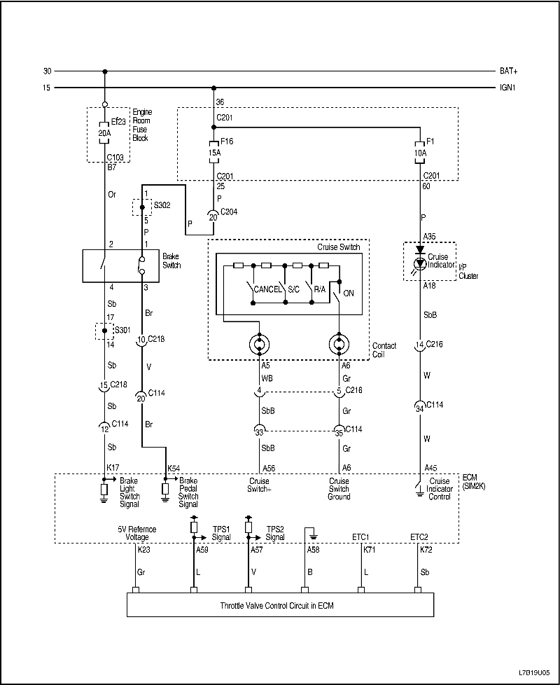
Дизель


L7B19U04
Показать иллюстрациюПеревод текста в иллюстрациях


Правостороннее управление (дизель)


L7B19U05
Показать иллюстрациюПеревод текста в иллюстрациях


ДИАГНОСТИКА

Диагностика устройства автоматического поддержания скорости

Чтобы получить информацию о кодах DTC устройства автоматического поддержания скорости, см. раздел 1F, Управление двигателем.

Устройство автоматического поддержания скорости не работает

ШагОперацияЗначенияДаНет
1
  1. Установите зажигание в положение ON.
  2. Перевести выключатель устройства автоматического поддержания скорости в выключенное положение.
  3. С помощью вольтметра проверить напряжение на выводе 5 разъема C216.
Равно ли сопротивление указанному значению?
≈ 0 Ом
Перейдите на Шаг 3
Перейдите на Шаг 2
2
Устранить короткое замыкание на напряжение между положением включения выключателя устройства автоматического поддержания скорости и выводом 5 разъема C216.
Ремонт закончен?
-
Система в норме
-
3
  1. Установите зажигание в положение ON.
  2. Перевести выключатель устройства автоматического поддержания скорости во включенное положение.
  3. С помощью вольтметра проверить напряжение на выводе 5 разъема C216.
Равно ли напряжение указанному значению?
11~14 В
Перейдите на Шаг 5
Перейдите на Шаг 4
4
Устранить короткое замыкание цепи между выключателем устройства автоматического поддержания скорости и выводом 5 разъема C216.
Ремонт закончен?
-
Система в норме
-
5
  1. Установите зажигание в положение ON.
  2. Перевести выключатель устройства автоматического поддержания скорости во включенное положение.
  3. Проверить напряжение на выводах 4 и 5 разъёма C216.
Равно ли сопротивление указанному значению?
≈ 0 Ом
-
Перейдите на Шаг 6
6
Заменить выключатель устройства автоматического поддержания скорости.
Ремонт закончен?
-
Система в норме
-

ТЕХНИЧЕСКОЕ ОБСЛУЖИВАНИЕ И РЕМОНТ

ТЕХНИЧЕСКОЕ ОБСЛУЖИВАНИЕ БЕЗ ДЕМОНТАЖА С АВТОМОБИЛЯ



L7B59D91
Показать иллюстрациюПеревод текста в иллюстрациях


Выключатель устройства автоматического поддержания скорости

(показан левый привод, правый привод аналогичен)

Процедура снятия

  1. Отсоедините провод от отрицательного вывода аккумуляторной батареи.
  2. Снять винты и выключатель устройства автоматического поддержания скорости.
  3. Отсоединить электрический разъем.


L7B59D91
Показать иллюстрациюПеревод текста в иллюстрациях


Процедура установки

  1. Подсоединить электрические разъемы.
  2. Примечание: Непосредственный контакт разнородных металлов может привести к быстрой коррозии. Во избежание преждевременной коррозии используйте надлежащий крепеж.

  3. Установить выключатель устройства автоматического поддержания скорости с помощью винтов.
  4. Затянуть
    Затянуть винты выключателя устройства автоматического поддержания скорости с усилием 3 Н•м (27 фунт-дюймов).

  5. Присоедините провод к отрицательному выводу аккумуляторной батареи.

ОБЩЕЕ ОПИСАНИЕ И РАБОТА СИСТЕМЫ

Работа системы автоматического поддержания скорости

Цель системы автоматического поддержания скорости - автоматически сохранять скорость автомобиля, установленную водителем. При включенной системе автоматического поддержания скорости скорость поддерживается или увеличивается с помощью контроллера ECM.
Если условия вождения требуют внезапного ускорения после установки автоматического поддержания скорости, то скорость может быть увеличена обычным способом путем механического нажатия акселератора. Устройство автоматического поддержания скорости выключается при включении тормозов (или сцепления, с механической коробкой передач).
Минимальная скорость для включения автоматического поддержания скорости составляет 30 км/ч (19 миль в час). Когда работает система автоматического поддержания скорости, в комбинации приборов горит контрольная лампа CRUISE.
Контроллер управления двигателем (ECM) контролирует сигнальные цепи управляющих выключателей системы поддержания скорости. Сигнальные цепи выключателя управления системой поддержания скорости используются в контроллере ECM для определения момента запоминания и поддержания скорости автомобиля. Контроллер ECM контролирует сигнальную цепь датчика скорости автомобиля, чтобы поддерживать скорость автомобиля. Контроллер ECM использует электромотор привода дроссельной заслонки (TAC) для управления скоростью автомобиля.

Выключатель устройства автоматического поддержания скорости

После перевода главного переключателя во включенное положение и обнаружения нейтрального положения выключателя приводом устройства автоматического поддержания скорости, выключателем устройства автоматического поддержания скорости можно выполнять следующие операции:

Установка

Для активизации системы автоматического поддержания скорости нужно включить систему, нажав кнопку ON/OFF (ВКЛ/ВЫКЛ) и кратковременно нажав кнопку SET/COAST (УСТАНОВИТЬ/ДВИЖЕНИЕ НАКАТОМ), когда будет достигнута минимальная скорость 30 км/ч (19 миль в час). Контроллер ECM подтвердит, что условия автоматического поддержания скорости выполнены. Контроллер ECM запомнит скорость автомобиля и включит контрольную лампу системы автоматического поддержания скорости. Нажатие педали акселератора при включенной системе автоматического поддержания скорости позволяет водителю пересилить систему автоматического поддержания скорости, чтобы ускорить автомобиль выше установленной текущей скорости автомобиля. После отпускания педали акселератора автомобиль замедлится и возобновит движение с установленной скоростью.

Движение накатом

Если автоматическое поддержание скорости отключается главным выключателем, выполнение всех функций системы автоматического поддержания скорости прекращается. Когда выключается система автоматического поддержания скорости или зажигание, значение установленной скорости, сохраненное в памяти, стирается.

Ускорение

Нажатие и удержание кнопки RESUME/ACC (ВОССТАНОВИТЬ/УСКОРИТЬ) при активизированной системе автоматического поддержания скорости позволяет увеличить скорость автомобиля по сравнению с текущей установленной скоростью. При отпускании кнопки RESUME/ACC контроллер ECM запоминает скорость автомобиля и будет поддерживать вновь установленное значение скорости. При активизированной системе автоматического поддержания скорости кратковременное нажатие кнопки RESUME/ACC позволяет увеличить скорость автомобиля с шагом 1,6 км/ч (1 миля в час) при каждом кратковременном нажатии кнопки RESUME/ACC.

Возобновление

Если включено устройство автоматического поддержания скорости, но система была выведена из рабочего состояния в результате включения тормоза или сцепления, превышения максимальной скорости, неспособности поддержать минимальную скорость, то последнюю сохраненную в памяти скорость можно возобновить путем выбора кнопки RESUME/ACC. Кратковременное нажатие кнопки RESUME/ACC после того, как система автоматического поддержания скорости была отключена нажатием педали тормоза, восстановит ранее установленное значение скорости автомобиля, запомненное в контроллере ECM.
Если автоматическое поддержание скорости отключается главным выключателем, выполнение всех функций системы автоматического поддержания скорости прекращается. Когда выключается система автоматического поддержания скорости или зажигание, значение установленной скорости, сохраненное в памяти, стирается.


На предыдущую страницуНа следующую страницу
Главная страница сайта