Электрическая схема 2006 Evanda КАК ЧИТАТЬ ЭЛЕКТРИЧЕСКУЮ СХЕМУК началу документа
Evanda
На предыдущую страницуНа следующую страницу
Главная страница GMDEЗагрузить нединамическое оглавлениеЗагрузить динамическое оглавлениеПомощь




РАЗДЕЛ 1

КАК ЧИТАТЬ ЭЛЕКТРИЧЕСКУЮ СХЕМУ



1. КАК ЧИТАТЬ ЭЛЕКТРИЧЕСКУЮ СХЕМУ

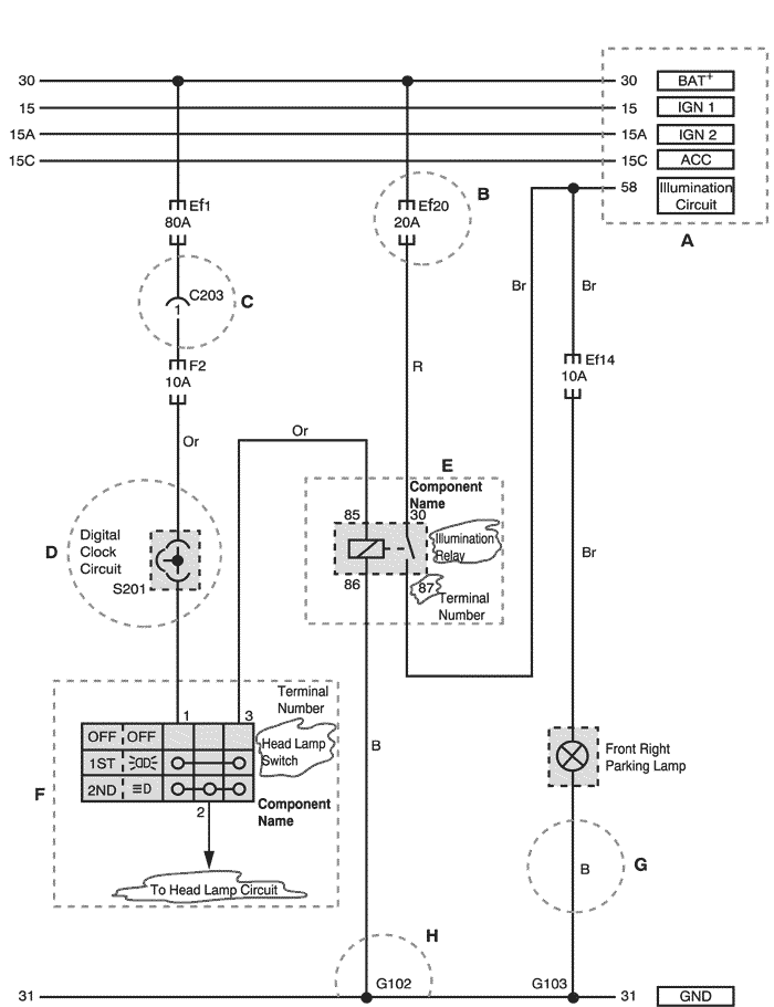
AEL4001A.png
Показать иллюстрациюПеревод текста в иллюстрациях


1) СОДЕРЖАНИЕ ЭЛЕКТРИЧЕСКОЙ СХЕМЫ (ЦЕПЬ)

ПОЗИЦИЯ
ОБЪЯСНЕНИЕ
A
Верхние горизонтальные линии : Линии электропитания Линии электропитания : 30, 15, 15А, 15С, 58
В
Ef20 или F2: номер предохранителя
  • Ef20: предохранитель №20 в блоке предохранителей в моторном отсеке
  • F2: предохранитель №2 в блоке предохранителей в салоне автомобиля
C
Разъем (С101~С902)
D
S201: контактная колодка (S101~S303)
Е
Внутренняя цепь компонента (реле)
(наименование компонента и номер контакта)
F
Внутренняя цепь компонента (переключатель)
(наименование компонента, номер контакта и цепь проводки)
G
Цвет жгута проводов
Н
Нижняя горизонтальная линия : Линия заземления



2. УСЛОВНЫЕ ОБОЗНАЧЕНИЯ ЦЕПИ

УСЛОВНОЕ
ОБОЗНАЧЕНИЕ
ЗНАЧЕНИЕ
C
Разъем
D
Диод
Ef
Предохранитель в блоке предохранителей в моторном отсеке
F
Предохранитель в блоке предохранителей в салоне автомобиля
G
Масса
S
Контактная колодка (соединительный разъем)



3. НАЗНАЧЕНИЕ ЛИНИЙ ЭЛЕКТРОПИТАНИЯ (НОМЕР)

Номер блока питания
Состояние блока питания
15
Питание от аккумуляторной батареи (В+) при замке зажигания в положении "ON" и "ST" (IGN 1)
15A
Питание от аккумуляторной батареи (В+) при замке зажигания в положении "ON" (IGN 2)
15C
Питание от аккумуляторной батареи (В+) при замке зажигания в положении "ON" и "АСС"
30
Питание от аккумуляторной батареи (В+) непосредственно, независимо от положения замка зажигания
31
Масса соединена с аккумуляторной батареей (-)
58
Питание от аккумуляторной батареи (В+) при переключателе фар в положении 1 и 2 (цепь подсветки)



4. ЦВЕТОВАЯ МАРКИРОВКА ЖГУТОВ ПРОВОДОВ

Сокращение
Цвет
Сокращение
Цвет
Br
Коричневый
Sb
Голубой
G
Зеленый
R
Красный
V
Фиолетовый
L
Синий
P
Розовый
Y
Желтый
W
Белый
Gr
Серый
Or
Оранжевый
В
Черный
Lg
Светло-зеленый
. .



5. КАК ПРОВЕРИТЬ НОМЕР КОНТАКТА РАЗЪЕМА

Номер контакта указан соответственно номеру разъема
Пример: контакт номер 4 разъема С901

AEL1001.png
Показать иллюстрациюПеревод текста в иллюстрациях


На предыдущую страницуНа следующую страницу


Главная страница сайта