Электрическая схема 2006 Evanda РАСПОЛОЖЕНИЕ РАЗЪЕМОВ И СОЕДИНЕНИЙ С МАССОЙК началу документа
Evanda
На предыдущую страницуНа следующую страницу
Главная страница GMDEЗагрузить нединамическое оглавлениеЗагрузить динамическое оглавлениеПомощь




РАЗДЕЛ 2

РАСПОЛОЖЕНИЕ РАЗЪЕМОВ И СОЕДИНЕНИЙ С МАССОЙ



1. СВЕДЕНИЯ О РАЗЪЕМАХ, СОЕДИНЕНИЯХ С МАССОЙ И КОНТАКТНЫХ КОЛОДКАХ

1) РАСПОЛОЖЕНИЕ ЖГУТОВ ПРОВОДОВ, СОЕДИНЕНИЙ С МАССОЙ И КОНТАКТНЫХ КОЛОДОК : 2.0L DOHC

V5B12001.png
Показать иллюстрациюПеревод текста в иллюстрациях


V5B12002.png
Показать иллюстрациюПеревод текста в иллюстрациях


2) РАСПОЛОЖЕНИЕ ЖГУТОВ ПРОВОДОВ, СОЕДИНЕНИЙ С МАССОЙ И КОНТАКТНЫХ КОЛОДОК : 2.5L DOHC

V5B12003.png
Показать иллюстрациюПеревод текста в иллюстрациях


3) СВЕДЕНИЯ О РАЗЪЕМАХ

Номер разъема
Номер контакта
Цвет
Соединительный жгут проводов
Положение разъема
C101
68
Серый
Блок предохранителей в моторном отсеке - передняя часть
Блок предохранителей в моторном отсеке
C102
68
Коричневый
Блок предохранителей в моторном отсеке - кузов
Блок предохранителей в моторном отсеке
C103
68
Черный
Блок предохранителей в моторном отсеке - двигатель
Блок предохранителей в моторном отсеке
C104
2
Белый
Блок предохранителей в моторном отсеке - кузов
Блок предохранителей в моторном отсеке
C105
1
Черный
Блок предохранителей в моторном отсеке - АБС
Блок предохранителей в моторном отсеке
C106
2
Белый
Блок предохранителей в моторном отсеке - кузов
Блок предохранителей в моторном отсеке
C108
6
Черный
Передняя часть - передний бампер
Под правой фарой
C108
2
Черный
Передняя часть - передний бампер
Под правой фарой
C109
38
Черный
Двигатель - контроллер ЭСУД (ITMS-6F)
Над щитком передка с правой стороны в моторном отсеке
C110
6
Черный
Кузов - подрамник кузова
Рядом с двигателем стеклоочистителей
C110
4
Черный
Кузов - подрамник кузова
Рядом с двигателем стеклоочистителей
C110
2
Черный
Кузов - подрамник кузова
Рядом с двигателем стеклоочистителей
C111
2
Черный
Кузов - подрамник кузова
Рядом с двигателем стеклоочистителей
C112
6
Черный
Кузов - подрамник кузова
Рядом с двигателем стеклоочистителей
C118
6
Черный
Двигатель - впуск
Под головкой цилиндров
C119
12
Черный
Двигатель - впуск
Под головкой цилиндров
C201
22
Белый
Блок предохранителей на приборной панели - приборная панель
БЛОК ПРЕДОХРАНИТЕЛЕЙ НА ПРИБОРНОЙ ПАНЕЛИ
C202
12
Белый
Блок предохранителей на приборной панели - приборная панель
БЛОК ПРЕДОХРАНИТЕЛЕЙ НА ПРИБОРНОЙ ПАНЕЛИ
C203
3
Серый
Блок предохранителей на приборной панели - приборная панель
БЛОК ПРЕДОХРАНИТЕЛЕЙ НА ПРИБОРНОЙ ПАНЕЛИ
C204
4
Белый
Блок предохранителей на приборной панели - приборная панель
БЛОК ПРЕДОХРАНИТЕЛЕЙ НА ПРИБОРНОЙ ПАНЕЛИ
C205
18
Белый
Блок предохранителей на приборной панели - приборная панель
БЛОК ПРЕДОХРАНИТЕЛЕЙ НА ПРИБОРНОЙ ПАНЕЛИ
C206
10
Белый
Крыша - кузов
Верхняя часть пространства для ног водителя
C207
16
Белый
Приборная панель - кузов
Нижняя часть пространства для ног водителя
C208
16
Желтый
Приборная панель - кузов
Нижняя часть пространства для ног водителя
C209
22
Белый
Приборная панель - кузов
Нижняя часть пространства для ног водителя
C210
23
Белый
Приборная панель - кузов
Нижняя часть пространства для ног водителя
C211
22
Белый
Приборная панель - контроллер КПП
Нижняя часть пространства для ног водителя
C213
8
Белый
Подушка безопасности - приборная панель
За цифровыми часами
C216
15
Белый
Приборная панель - блок переключателей
За пепельницей
C217
15
Белый
Приборная панель - автоматическое регулирование температуры
За вещевым ящиком
C218
18
Белый
Приборная панель - кузов
Нижняя часть пространства для ног пассажира
C219
16
Белый
Двигатель - приборная панель (MR-140)
Нижняя часть пространства для ног пассажира
C219
16
Белый
Контроллер ЭСУД - приборная панель (ITMS-6F), SIRIUS - D6
Нижняя часть пространства для ног пассажира
C223
10
Белый
Приборная панель - корпус замка
За рулевым колесом
C224
14
Белый
Приборная панель - счетчик пробега за одну поездку
За корпусом комбинации приборов
C225
4
Белый
Сцепление - приборная панель
Нижняя часть пространства для ног водителя
C226
18
Белый
Приборная панель - аудиосистема (с системой передачи данных по радио)
За аудиосистемой
C227
6
Белый
Крыша - кузов
Верхняя часть пространства для ног водителя
C228
4
Белый
Кузов - сиденье с электрическим приводом регулировки
Под сиденьем водителя
C351
18
Белый
Кузов - передняя дверь, левая
Под передней стойкой со стороны водителя
C352
18
Белый
Кузов - передняя дверь, левая
Под передней стойкой со стороны водителя
C361
18
Белый
Кузов - передняя дверь, правая
Под передней стойкой со стороны переднего пассажира
C362
18
Белый
Кузов - передняя дверь, правая
Под передней стойкой со стороны переднего пассажира
C371
21
Белый
Кузов - задняя дверь, левая
Под левой средней стойкой
C381
21
Белый
Кузов - задняя дверь, правая
Под правой средней стойкой
C401
8
Белый
Кузов - багажный отсек
За задним фонарем с левой стороны
C402
6
Белый
Кузов - крышка багажника
Нижняя часть задней панели с левой стороны
C901
6
Черный
Кузов - топливный насос
Под задним сиденьем

4) СВЕДЕНИЯ О СОЕДИНЕНИЯХ С МАССОЙ

Номер соединения с массой
Жгут проводов
Положение соединения с массой
G101
ПЕРЕДНЯЯ ЧАСТЬ
За левой фарой
G102
ПЕРЕДНЯЯ ЧАСТЬ
За правой фарой
G103
Двигатель
Низ генератора [2,0 л] Перед и низ блока цилиндров [2,5 л]
G104
Контроллер ЭСУД (ITMS)
Низ генератора [2,0 л]
Двигатель
Перед и низ блока цилиндров [2,5 л]
G105
АБС
Под электронным блоком управления тормозами
G106
Аккумуляторная батарея
Правая сторона стартера [2,0 л] Перед и низ блока цилиндров [2,5 л]
G107
Аккумуляторная батарея
Между блоком предохранителей в моторном отсеке и аккумуляторной батареей
G201
Приборная панель
За аудиосистемой с левой стороны
G202
Приборная панель
За прикуривателем с левой стороны
G203
КРЫША
Передняя часть блока управления люком в крыше
G204
Подушка безопасности
Передняя часть кронштейна модуля датчиков и диагностики с правой стороны
G205
FATC
За пепельницей
G301
Кузов
Под панелью пола кузова при поперечине со стороны водителя
G302
Кузов
Под панелью пола кузова при поперечине со стороны переднего пассажира
G303
Кузов
Под правой задней стойкой с левой стороны
G401
Багажный отсек
Панель с левой стороны в багажном отсеке

5) СВЕДЕНИЯ О КОНТАКТНЫХ КОЛОДКАХ

Номер контактной колодки
Цвет
Жгут проводов
Положение контактной колодки
S101
Черный
Контроллер ЭСУД (ITMS-6F)
За впускным коллектором
S201
Оранжевый
Приборная панель
За коробкой реле приборной панели
S202
Оранжевый
Приборная панель
Верхняя часть пространства для ног водителя с правой стороны
S203
Оранжевый
Приборная панель
За аудиосистемой с правой стороны
S204
Красный
Приборная панель
За прикуривателем с левой стороны
S301
Бесцветный
Кузов
За комбинацией приборов с правой стороны
S302
Бесцветный
Кузов
Верхняя часть пространства для ног водителя



2. РАСПОЛОЖЕНИЕ ЖГУТОВ ПРОВОДОВ, РАЗЪЕМОВ И СОЕДИНЕНИЯХ С МАССОЙ

1) Ж/П ПРИБОРНАЯ ПАНЕЛЬ

V3B12020.png
Показать иллюстрациюПеревод текста в иллюстрациях


2) Ж/П ПЕРЕДНЯЯ ЧАСТЬ

V3B12007.png
Показать иллюстрациюПеревод текста в иллюстрациях


3) Ж/П ПЕРЕДНИЙ БАМПЕР

V3B12001.png
Показать иллюстрациюПеревод текста в иллюстрациях


4) Ж/П ДВИГАТЕЛЬ

V3B12009.png
Показать иллюстрациюПеревод текста в иллюстрациях


V3B12008.png
Показать иллюстрациюПеревод текста в иллюстрациях


V3B32017.png
Показать иллюстрациюПеревод текста в иллюстрациях


5) Ж/П УПРАВЛЕНИЕ ДВИГАТЕЛЕМ

V3B12017.png
Показать иллюстрациюПеревод текста в иллюстрациях


V3B12018.png
Показать иллюстрациюПеревод текста в иллюстрациях


V3B12019.png
Показать иллюстрациюПеревод текста в иллюстрациях


V3B32018.png
Показать иллюстрациюПеревод текста в иллюстрациях


V3B32019.png
Показать иллюстрациюПеревод текста в иллюстрациях


6) Ж/П КОНТРОЛЛЕР КПП

V3B12010.png
Показать иллюстрациюПеревод текста в иллюстрациях


V3B12011.png
Показать иллюстрациюПеревод текста в иллюстрациях


7) Ж/П ПОДУШКА БЕЗОПАСНОСТИ

V3B12003.png
Показать иллюстрациюПеревод текста в иллюстрациях


8) Ж/П КУЗОВ

V3B12021.png
Показать иллюстрациюПеревод текста в иллюстрациях


V3B12022.png
Показать иллюстрациюПеревод текста в иллюстрациях


9) Ж/П БАГАЖНЫЙ ОТСЕК

V3B12012.png
Показать иллюстрациюПеревод текста в иллюстрациях


10) Ж/П КРЫШКА БАГАЖНИКА

V3B12004.png
Показать иллюстрациюПеревод текста в иллюстрациях


11) Ж/П ПЕРЕДНЯЯ ДВЕРЬ

V3B12014.png
Показать иллюстрациюПеревод текста в иллюстрациях


V3B12013.png
Показать иллюстрациюПеревод текста в иллюстрациях


12) Ж/П ЗАДНЯЯ ДВЕРЬ

V3B12015.png
Показать иллюстрациюПеревод текста в иллюстрациях


13) Ж/П ТОПЛИВНЫЙ НАСОС

V3B12002.png
Показать иллюстрациюПеревод текста в иллюстрациях


14) Ж/П КРЫША

V5B12004.png
Показать иллюстрациюПеревод текста в иллюстрациях


V3B12006.png
Показать иллюстрациюПеревод текста в иллюстрациях


15) Ж/П АБС

V4B12003.png
Показать иллюстрациюПеревод текста в иллюстрациях


16) КОНТАКТНАЯ КОЛОДКА

S201 (ОРАНЖЕВ.) : 2.0L DOHC

V5B1S001.png
Показать иллюстрациюПеревод текста в иллюстрациях


S201 (ОРАНЖЕВ.) : 2.5L DOHC

V6B1S001.png
Показать иллюстрациюПеревод текста в иллюстрациях


S202 (ОРАНЖЕВ.) : 2.0L DOHC

V5B1S003.png
Показать иллюстрациюПеревод текста в иллюстрациях


S202 (ОРАНЖЕВ.) : 2.5L DOHC

V6B1S002.png
Показать иллюстрациюПеревод текста в иллюстрациях


S203 (ОРАНЖЕВ.) : 2.0L DOHC

V5B1S005.png
Показать иллюстрациюПеревод текста в иллюстрациях


S203 (ОРАНЖЕВ.) : 2.5L DOHC

V6B1S003.png
Показать иллюстрациюПеревод текста в иллюстрациях


S204 (КРАСН.): 2,0 л двойной распределительный вал верхнего расположения

V5B1S007.png
Показать иллюстрациюПеревод текста в иллюстрациях


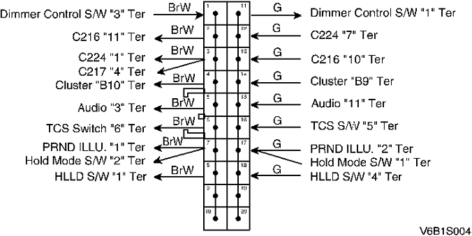
S204 (КРАСН.): 2,5 л двойной распределительный вал верхнего расположения

V6B1S004.png
Показать иллюстрациюПеревод текста в иллюстрациях


S301 (ОРАНЖЕВ.) : 2.0L DOHC

V6B1S005.png
Показать иллюстрациюПеревод текста в иллюстрациях


S301 (ОРАНЖЕВ.) : 2.5L DOHC

V6B1S006.png
Показать иллюстрациюПеревод текста в иллюстрациях


S302 (ОРАНЖЕВ.) : 2.0L DOHC И 2.5L DOHC

V5B1S011.png
Показать иллюстрациюПеревод текста в иллюстрациях


На предыдущую страницуНа следующую страницу


Главная страница сайта