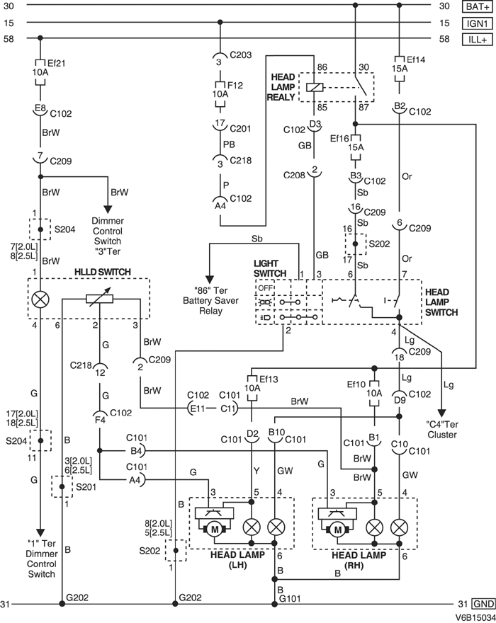
Электрическая схема 2006 Evanda 9. ЦЕПЬ ФАР, КОРРЕКТОРА ФАРК началу документа
Evanda
На предыдущую страницуНа следующую страницу
Главная страница GMDEЗагрузить нединамическое оглавлениеЗагрузить динамическое оглавлениеПомощь



9. ЦЕПЬ ФАР, КОРРЕКТОРА ФАР

V6B15034.png
Показать иллюстрациюПеревод текста в иллюстрациях


а. ИНФОРМАЦИЯ О РАЗЪЁМЕ

№ РАЗЪЁМА
(№ И ЦВЕТ КОНТАКТА)
СОЕДИНИТЕЛЬНЫЙ ЖГУТ ПРОВОДОВПОЛОЖЕНИЕ РАЗЪЁМА
С101 (контакт 68, серый) Блок предохранителей в моторном отсеке - передняя часть Блок предохранителей в моторном отсеке
C102 (контакт 68, коричневый) Блок предохранителей в моторном отсеке - кузов Блок предохранителей в моторном отсеке
С201 (контакт 22, белый) Блок предохранителей на приборной панели - приборная панель БЛОК ПРЕДОХРАНИТЕЛЕЙ НА ПРИБОРНОЙ ПАНЕЛИ
С203 (контакт 3, серый) Блок предохранителей на приборной панели - приборная панель БЛОК ПРЕДОХРАНИТЕЛЕЙ НА ПРИБОРНОЙ ПАНЕЛИ
С208 (контакт 16, желтый) Приборная панель - кузов Нижняя часть пространства для ног водителя
С209 (контакт 22, белый) Приборная панель - кузов Нижняя часть пространства для ног водителя
С218 (контакт 18, белый) Приборная панель - кузов Нижняя часть пространства для ног пассажира
S201 (оранжев.) Приборная панель За коробкой реле приборной панели
S202 (оранжев.) Приборная панель Верхняя часть пространства для ног водителя с правой стороны
S204 (красн.) Приборная панель За прикуривателем с левой стороны
G102 ПЕРЕДНЯЯ ЧАСТЬ За правой фарой
G202 Приборная панель За прикуривателем с левой стороны

б. УСЛОВНОЕ ОБОЗНАЧЕНИЕ & И НАХОЖДЕНИЕ НОМЕРА КОНТАКТА

V5B1P039.png
Показать иллюстрациюПеревод текста в иллюстрациях


г. КОНТАКТНАЯ КОЛОДКА

S201 (ОРАНЖЕВ.) : 2.0L

V5B1S001.png
Показать иллюстрациюПеревод текста в иллюстрациях


S201 (ОРАНЖЕВ.) : 2.5L

V6B1S001.png
Показать иллюстрациюПеревод текста в иллюстрациях


S202 (ОРАНЖЕВ.) : 2.0L

V5B1S003.png
Показать иллюстрациюПеревод текста в иллюстрациях


S202 (ОРАНЖЕВ.) : 2.5L

V6B1S002.png
Показать иллюстрациюПеревод текста в иллюстрациях


S204 (КРАСН.) : 2.0L

V5B1S007.png
Показать иллюстрациюПеревод текста в иллюстрациях


S204 (КРАСН.) : 2.5L

V6B1S004.png
Показать иллюстрациюПеревод текста в иллюстрациях


На предыдущую страницуНа следующую страницу


Главная страница сайта