Руководство по техническому обслуживанию2005 Evanda ОБЩЕЕ ОПИСАНИЕ И РАБОТА СИСТЕМЫК началу документа
Evanda
На предыдущую страницуНа следующую страницу
Главная страница GMDEЗагрузить нединамическое оглавлениеЗагрузить динамическое оглавлениеПомощь

ОБЩЕЕ ОПИСАНИЕ И РАБОТА СИСТЕМЫ

Автоматическая КПП ZF 4HP 16 состоит из следующих основных компонентов.

Механические компоненты

Электрические/электронные компоненты

Механические компоненты

Гидротрансформатор

Основными элементами гидротрансформатора являются насосное колесо, колесо турбины, неподвижное колесо (реактор) и рабочая жидкость, передающая крутящий момент. Насосное колесо, приводимое в движение двигателем, заставляет жидкость в гидротрансформаторе циркулировать по кругу. Встречаясь с лопастями турбины, поток жидкости изменяет свое направление. Когда затем жидкость в районе втулки попадает обратно на насосное колесо, на пути она встречает неподвижные лопасти реактора, которые отбрасывают поток на лопасти насосного колеса уже под другим углом.
Обратный поток воздействует на лопасти ротора, и реактивный момент усиливает момент турбинного колеса.
Соотношение моментов на турбинном и насосном колесе называется коэффициентом трансформации.
Чем выше разница скоростей насосного и турбинного колеса, тем больше коэффициент трансформации. При неподвижной турбине коэффициент трансформации является максимальным. При возрастании скорости турбинного колеса коэффициент трансформации уменьшается.
После того как скорость турбины достигнет порядка 85% скорости насоса, коэффициент трансформации станет равным 1, т.е. крутящий момент на турбинном колесе сравняется с крутящим моментом на насосном колесе.

V3B35AA3
Показать иллюстрациюПеревод текста в иллюстрациях


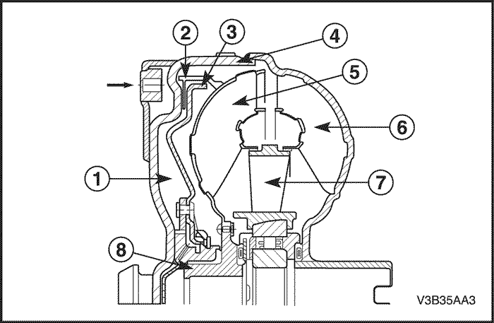
Ротор, соединенный с корпусом гидротрансформатора через муфту свободного хода, также вращается в потоке жидкости. С этого момента гидротрансформатор работает как обычная гидродинамическая муфта.

Пространство за блокировочной муфтой

  1. Фрикционная накладка
  2. Блокировочная муфта
  3. Корпус гидротрансформатора
  4. Турбинное колесо
  5. Насосное колесо
  6. Ротор
  7. Ступица турбины
  8. Ступица насосного колеса

Блокировочная муфта гидротрансформатора

Блокировочная муфта позволяет устранить проскальзывание турбины относительно насоса и, тем самым, улучшить топливную экономичность.
Ранее использовавшийся принцип управления блокировочной муфтой был изменен в коробке 4 HP 16. Включение и выключение муфты является контролируемым. Во время управляемой фазы наблюдается незначительная разница скоростей турбины и насоса. Это помогает предотвратить передачу крутильных колебаний карданного вала на первичный вал КПП. В результате достигается плавность переключения передач.
Электронный клапан регулирует давление на клапане блокировочной муфты.
При разомкнутой муфте (коэффициент трансформации > 1) давление жидкости в пространстве за блокировочной муфтой равно давлению в области турбины. Поток проходит к камере турбины через вал турбины и свободное пространство позади поршня.

V3B35AA4
Показать иллюстрациюПеревод текста в иллюстрациях


Чтобы включить блокировочную муфту, клапан в гидравлическом блоке управления изменяет направление потока. Одновременно с этим понижается давление жидкости в пространстве за муфтой. Давление жидкости передается от камеры турбины на муфту, прижимая ее к корпусу гидротрансформатора. Турбина, таким образом, блокируется за счет сцепления между муфтой и корпусом, обеспечиваемого фрикционной накладкой, в результате чего возникает жесткая механическая связь коленчатого вала двигателя с первичным валом КПП без какого-то ни было проскальзывания (либо с незначительным проскальзыванием в управляемом режиме).

V3B35AA5
Показать иллюстрациюПеревод текста в иллюстрациях


Масляный насос

Масляный насос расположен между гидротрансформатором и картером КПП и приводится в движение непосредственно гидротрансформатором. Насос засасывает жидкость через фильтр и перекачивает к главному клапану-регулятору давления гидравлической системы управления. Излишняя жидкость возвращается в насос. Масляный насос выполняет следующие функции:

V3B35AA6
Показать иллюстрациюПеревод текста в иллюстрациях


Корпус масляного насоса

  1. Диск
  2. Уплотнительное кольцо вала
  3. Вал ротора
  4. Насосное колесо
  5. Зубчатый венец насоса
  6. Штифт

Планетарный механизм

Планетарный механизм автоматической КПП ZF 4HP 16 состоит из одного солнечного колеса, четырех сателлитов, водила и эпициклического колеса.
Планетарные ряды расположены непосредственно друг за другом и имеют непосредственную связь. Другими словами, эпициклическое колесо переднего планетарного ряда жестко связано с водилом заднего, а водило переднего ряда - с эпициклическим колесом заднего.
Переключение передач осуществляется установлением кинематических связей между различными колесами планетарного механизма, для чего используются фрикционные муфты и тормозные механизмы.
На 4HP 16 поток мощности передается на планетарный механизм через водило или солнечное колесо заднего планетарного ряда, либо одновременно и через водило и через солнечное колесо, в зависимости от передачи. На главную передачу мощность всегда передается через водило переднего планетарного ряда.

V3B35AA7
Показать иллюстрациюПеревод текста в иллюстрациях


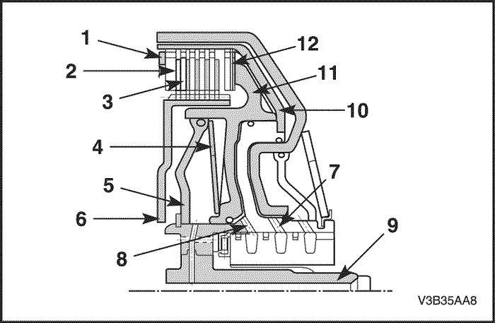
Элементы механизма переключения: многодисковые фрикционные диски и тормоза

Назначение элементов механизма переключения заключается в переключении передач под нагрузкой, т.е. без разрыва потока мощности.
Механизм переключения состоит из следующих элементов:

V3B35AA8
Показать иллюстрациюПеревод текста в иллюстрациях


  1. Упорное кольцо
  2. Стальной диск
  3. Фрикционный диск
  4. Тарельчатая пружина
  5. Щит
  6. Ведомый барабан
  7. Первичный вал
  8. Канал подачи масла на уравнитель динамического давления
  9. Канал подачи масла на фрикционную муфту
  10. Цилиндр
  11. Поршень
  12. Пружинный диск
Приведение в зацепление элементов механизма переключения осуществляется гидравлическими силами. Масло под давлением подается в цилиндр и выталкивает поршень, который сжимает фрикционные диски. Когда фрикционная муфта/тормоз включены и давление масла падает, под действием тарельчатой пружины поршень возвращается в исходное положение. Фрикционная муфта/тормоз выключаются.
В зависимости от выбранной передачи крутящий момент передается от двигателя через многодисковые фрикционные муфты B и E на планетарный механизм и через многодисковые тормоза C, D и А на картер.
Динамическое давление на фрикционных муфтах B и E одинаково, т.е. на поршень с обеих сторон воздействует одинаковое давление. Это достигается следующим образом.
Пространство между щитом и поршнем заполнено маслом без давления. С ростом оборотов двигателя возрастает и динамическое давление. При этом растет и давление в пространстве за поршнем. При этом продолжает действовать и статическое давление, которое и приводит в действие фрикционную муфту. При снятии статического давления тарельчатая пружина возвращает поршень в исходное положение.
Преимущества динамического выравнивания давления:

Парковочная блокировка

При переключении рычага выбора передач в положение P (парковка) включается механизм блокировки. Этот механизм обеспечивает механическое торможение автомобиля на стоянке.
Стопорная пластина приводится от вала переключения передач, который постоянно связан с рычагом переключения передач тросом. Собачка на шестерне механизма парковочной блокировки приварена к боковому валу КПП, что предотвращает проворачивание ведущих колес.
Ведомые колеса блокируются.

V3B35AA9
Показать иллюстрациюПеревод текста в иллюстрациях


  1. Упор
  2. Болт
  3. Пружина

Клапанный механизм

Клапанный механизм выполняет следующие функции:

V3B35AB1
Показать иллюстрациюПеревод текста в иллюстрациях


Электронные компоненты

Рычаг выбора передач/переключатель программ

Водитель может выбрать один из режимов работы КПП с помощью рычага:
P : Парковка
R : Задний ход
N : Нейтраль
D : Передние скорости

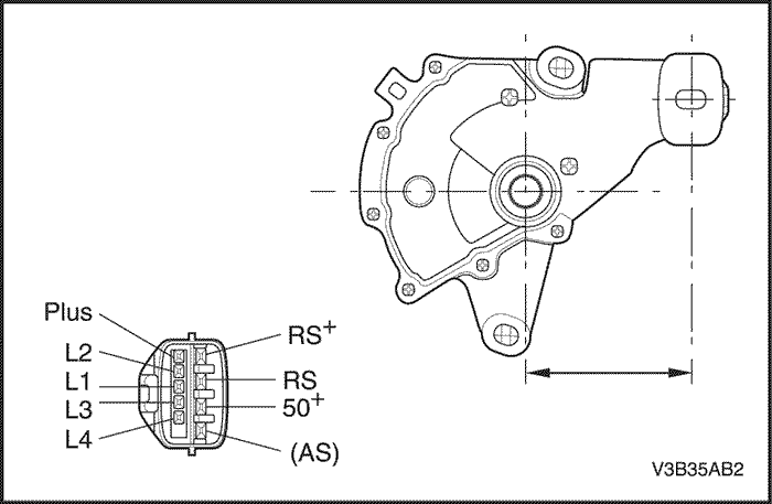
Переключатель положения парковка/нейтраль

Датчик положения рычага выбора передач расположен на валу рычага. Он сообщает контроллеру КПП, в каком положении находится рычаг: P–R–N–D–3–2–1.
Информация о положении рычага переключения передач передается на контроллер КПП в кодированной форме по четырем каналам. Использование кодированного сигнала позволяет определять наличие неисправности в цепи.
Датчик положения рычага выбора передач расположен на валу рычага, который связан с рычагом переключения передач тросом. Датчик положения рычага также управляет приводом стартера, включением огней заднего хода и контрольной лампы положения рычага выбора передач на панели приборов.

Комбинация сигналов

.
L1
L2
L3
L4
P
0
0
12
0
R
0
0
0
12
N
0
12
0
0
D
12
12
12
0
3
12
12
0
12
2
12
0
12
12
1
0
12
12
12

V3B35AB2
Показать иллюстрациюПеревод текста в иллюстрациях


Датчик скорости вторичного вала АКПП.

Датчик скорости вторичного вала АКПП магнитно-индукционного типа передает контроллеру КПП информацию, характеризующую скорость автомобиля.
Контроллер использует полученные данные для своевременного переключения передач, изменения давления в линиях гидропривода и включения/выключения блокировочной муфты.
Датчик скорости вторичного вала в корпусе монтируется у задающего диска (ротора), закрепленного на прямозубом цилиндрическом зубчатом колесе. Зазор между датчиком и зубьями задающего диска составляет 0,1~1,3 мм (0,004~0,05 дюйма). Датчик представляет собой катушку с сердечником в виде постоянного магнита.
При вращении шестерен дифференциала датчик генерирует электрический сигнал переменного тока.

V3B35AB3
Показать иллюстрациюПеревод текста в иллюстрациях


Датчик скорости первичного вала АКПП.

Датчик скорости первичного вала АКПП магнитно-индукционного типа передает информацию о скорости вращения первичного вала в контроллер КПП.
Контроллер использует полученные данные для своевременного переключения передач, изменения давления в линиях гидропривода и включения/выключения блокировочной муфты. Эти данные также используются для расчета необходимого передаточного числа и проскальзывания блокировочной муфты.
Датчик скорости первичного вала крепится на поршне В, расположенном внутри клапанного механизма.
Зазор между датчиком и поршнем B составляет 1,8 ~ 2,2 мм (0,07 ~ 0,086 дюйма).
Датчик представляет собой катушку с сердечником в виде постоянного магнита. Движение поршня B, приводимого от вала турбины, генерирует в датчике скорости первичного вала КПП сигнал переменного тока.
Чем выше скорость, тем выше частота и напряжение сигнала датчика.
Сопротивление датчика должно составлять 825~835 Ом при 20°С (68°Ф). Измерительный диапазон датчика от 1000 до 8000 Гц.

V3B35AB4
Показать иллюстрациюПеревод текста в иллюстрациях


Электромагнитный клапан переключения: клапан 1 и 2

Клапаны механизма переключения представляют собой два одинаковых электромагнитных клапана, управляющих переключением передних передач. Включение и выключение этих клапанов приводит к изменению давления в линиях гидропривода механизма переключения (фрикционных муфт и тормозов).
Клапан 1 управляет низким и высоким давлением в линиях гидропривода (клапанов фрикционных муфт), т.е. если клапан 1 включен, давление в линии будет низким (87 ~ 116 фунтов/дюйм² (6 ~ 8 бар)), если клапан 1 выключен, давление в линии будет высоким (232 ~ 261 фунтов/дюйм² (16 ~ 18 бар)).
Клапан 2 управляет давлением на клапане муфты E, или блокировочной муфты.
Контроллер КПП отслеживает состояние нескольких входных сигналов и включает или выключает электромагнитные клапаны и выбирает передачи в соответствии с режимом движения автомобиля.
Передача
Соленоид 1
Соленоид 2
Парковка, Нейтраль
Вкл.
Вкл.
Первая
вкл/выкл
Вкл.
Вторая
вкл/выкл
Выкл.
Третья
вкл/выкл
Выкл.
Четвертая
вкл/выкл
Выкл.
Задняя
вкл/выкл
Вкл.
.
Магистральное давление
Сопротивление
Клапан 1 / Клапан 2
Вкл. (низкое)
89,9~98,6 фунтов/дюйм²
(6,2~6,8 бар)
Выкл. (высокое)
  • 221,9~253,24 фунтов/дюйм²
  • (15,3~17,46 бар)
26,5 ± 0,5 Ом

V3B35AB5
Показать иллюстрациюПеревод текста в иллюстрациях


Электромагнитный клапан-регулятор давления (Клапан EDS 3, 4, 5, 6)

Клапан-регулятор давления (клапан EDS 3, 4, 5, 6) является высокоточным электронным регулятором давления, который управляет работой фрикционных муфт, тормозов и блокировочной муфтой.
Клапан понижает системное давление, которое затем подается на электромагнитные клапаны и клапаны регулировки давления. Это позволяет использовать менее мощные электромагнитные клапаны. На клапаны EDS должно подаваться постоянное давление.

V3B35AB6
Показать иллюстрациюПеревод текста в иллюстрациях


Датчик температуры рабочей жидкости

Датчик температуры рабочей жидкости является терморезистором с положительным температурным коэффициентом сопротивления (термочувствительный резистор). Он передает в контроллер КПП сведения о температуре рабочей жидкости. Датчик температуры расположен в клапанном механизме. Данные о температуре используются в качестве одного из параметров для расчета момента переключения и задержки переключения.
Внутреннее электрическое сопротивление датчика изменяется в зависимости от температуры рабочей жидкости (см. график).

V3B35AB7
Показать иллюстрациюПеревод текста в иллюстрациях


Контроллер посылает на датчик опорный сигнал 5 В и измеряет повышение напряжения в цепи. Чем выше температура жидкости, тем выше сопротивление датчика и ниже напряжение его сигнала.

V3B35AB8
Показать иллюстрациюПеревод текста в иллюстрациях


Контроллер КПП использует сигнал датчика температуры в качестве дополнительного параметра для управления давлением в линиях гидропривода, расчета моментов переключения и включения блокировочной муфты.
Когда температура рабочей жидкости достигает 140°С (284°Ф), контроллер переходит в "режим перегрева". При температуре выше указанной контроллер корректирует расчетное время переключения передач и включения блокировочной муфты для того, чтобы снизить температуру рабочей жидкости. В режиме перегрева на четвертой передаче контроллер всегда отдает команду на включение блокировочной муфты.
Контроллер также раньше осуществляет переключение передач 2-3 и 3-4, чтобы снизить температуру жидкости. В некоторых исполнениях режим перегрева не предусмотрен.
Датчик температуры рабочей жидкости
Зависимость сопротивления от температуры (ориентировочно)
°С (°Ф)
Высокое сопротивление, Ом
Низкое сопротивление, Ом
°С (°Ф)
Высокое сопротивление, Ом
Низкое сопротивление, Ом
-40 (-40)
586
556
50 (122)
1,206
1,173
-30 (-22)
641
611
60 (146)
1,295
1,256
-20 (-4)
699
670
70 (158)
1,388
1,341
-10 (14)
760
732
80 (176)
1,485
1,430
0 (32)
825
799
90 (194)
1,585
1,522
10 (50)
893
868
100 (212)
1,690
1,617
20 (68)
963
942
110 (230)
1,798
1,715
25 (77)
1,000
980
120 (248)
1,910
1,816
30 (86)
1,039
1,017
130 (266)
2,025
1,920
.
.
.
140 (284)
2,145
2,027

Электрический разъем

Электрический разъем является очень важным элементом системы. Любая неисправность электрического разъема может привести к занесению диагностического кода и снижению эффективности работы КПП.
На надежность электрического соединения могут повлиять следующие неисправности:

V3B35AB9
Показать иллюстрациюПеревод текста в иллюстрациях


Старайтесь чрезмерно не выкручивать и не покачивать колодку при расчленении разъема. Это может привести к изгибанию контактов.
ЗАПРЕЩАЕТСЯ использовать для расчленения разъема отвертку и другие инструменты.
Для сочленения разъема внешнего жгута необходимо сначала выровнять колодки по стрелкам.
Надавить на колодку вдоль оси соединения, стараясь не выкручивать и не наклонять ее.
Колодки должны защелкиваться с характерным звуком.

Контроллер КПП

Контроллер КПП является электронным устройством, который обрабатывает поступающие к нему сигналы датчиков и управляет работой КПП по специальному алгоритму. На основе данных, передаваемых датчиками, контроллер управляет различными исполнительными механизмами.

Колодка диагностики

Колодка диагностики представляет собой многоконтактный электрический разъем. Она обеспечивает доступ к памяти контроллера для проведения диагностики трансмиссии. Колодка диагностики позволяет механику использовать для диагностики различных систем и отображения кодов неисправности диагностический прибор. Колодка диагностики находится в салоне автомобиля непосредственно под рулевой колодкой.

Назначение контактов диагностического разъема (шина CAN), двигатель 2,0 л с двумя распредвалами верхнего расположения (Delphi, 32 бита)


V3B35AC1
Показать иллюстрациюПеревод текста в иллюстрациях


.
Разъем A (синий)
Разъем B (зеленый)
Разъем C (серый)
1
Соленоид 2
Заземление датчика температуры рабочей жидкости КПП
Цепь L1 рычага переключения передач
2
Не используется
Датчик скорости первичного вала (+)
Не используется
3
Электромагнитный клапан-регулятор давления (EDS 4)
Бат +
Не используется
4
Датчик температуры рабочей жидкости КПП
Датчик скорости первичного вала (-)
Датчик режима HOLD
5
Выключатель стоп-сигнала
Датчик скорости вторичного вала (-)
Не используется
6
Контрольная лампа HOLD
Цепь L3 рычага переключения передач
Питание EDS
7
Колодка диагностики
Заземление датчика скорости первичного вала КПП
Питание EDS
8
Высокий уровень сигнала CAN
Спидометр
Питание электромагнитного клапана
9
Соленоид 1
Не используется
Не используется
10
Электромагнитный клапан-регулятор давления (EDS 5)
Датчик скорости вторичного вала (+)
Не используется
11
Электромагнитный клапан-регулятор давления (EDS 3)
Цепь L4 рычага переключения передач
Не используется
12
Электромагнитный клапан-регулятор давления (EDS 6)
Заземление
Не используется
13
Не используется
Заземление
Не используется
14
Не используется
Не используется
Не используется
15
Не используется
Цепь L2 рычага переключения передач
Зажигание вкл.
16
Низкий уровень сигнала CAN
Не используется
Зажигание вкл.

Входные сигналы контроллера КПП, воздействующие на коробку передач 4HP 16

Датчик положения дроссельной заслонки (ДПДЗ)

Датчик скорости вторичного вала АКПП

Датчик скорости первичного вала АКПП

Датчик температуры охлаждающей жидкости (ДТОЖ)

Сигнал частоты вращения коленчатого вала

Выключатель стоп-сигнала

Датчик температуры рабочей жидкости



На предыдущую страницуНа следующую страницу
Главная страница сайта