Руководство по техническому обслуживанию2005 Evanda ПЯТИСТУПЕНЧАТАЯ МЕХАНИЧЕСКАЯ КОРОБКА ПЕРЕКЛЮЧЕНИЯ ПЕРЕДАЧК началу документа
Evanda
На предыдущую страницуНа следующую страницу
Главная страница GMDEЗагрузить нединамическое оглавлениеЗагрузить динамическое оглавлениеПомощь

РАЗДЕЛ 5B

ПЯТИСТУПЕНЧАТАЯ МЕХАНИЧЕСКАЯ КОРОБКА ПЕРЕКЛЮЧЕНИЯ ПЕРЕДАЧ

Внимание! Необходимо отсоединять отрицательный провод аккумулятора перед снятием или установкой любого электрического устройства, а также в тех случаях, когда возможно соприкосновение инструмента или оборудования с открытыми электрическими контактами. Отсоединение этого провода поможет избежать несчастного случая, а также повреждения автомобиля. Кроме того, если не указано иное, замок зажигания должен находиться в положении LOCK.

ТЕХНИЧЕСКИЕ ХАРАКТЕРИСТИКИ

МОМЕНТЫ ЗАТЯЖКИ РЕЗЬБОВЫХ СОЕДИНЕНИЙ

Диапазон
Н•м
Фунт-фут
Фунт-дюйм
Выключатель света заднего хода
20
15
-
Болты крепления упорной пластины
22
16
-
Болт прижимной пластины подшипника/регулировочного кольца
25
18
-
Болты фланца правого подшипника
25
18
-
Болты кронштейна цилиндра выключения сцепления
75
55
-
Болты крышки дифференциала
40
30
-
Болты вилки пятой передачи
22
16
-
Болт крепления механизма выбора пятой передачи
7
-
62
Болты крепления корпуса механизма переключения передач
8
-
71
Болты крепления крышки рычага переключения передач
22
16
-
Стопорный винт первичного вала
15
11
-
Болты и гайка переднего кронштейна подвески КПП
90
66
-
Болты (a) крепления заднего кронштейна коробки передач
90
66
-
Болты (b) крепления заднего кронштейна коробки передач
65
48
-
Гайка левого переднего кронштейна подвески КПП
155
114
-
Нижние болты (a) крепления КПП к двигателю
75
55
-
Нижние болты (b) крепления КПП к двигателю
21
15
-
Нижние болты (c) крепления КПП к двигателю
31
23
-
Болты ведомой шестерни главной передачи
70
52
-
Болт хомута штока
14
-
124
Болт ведомой шестерни привода спидометра
4
-
35
Болт крепления корпуса привода спидометра
4
-
35
Болт опорного кронштейна
7
-
62
Большие болты крышки КПП
20
15
-
Малые болты крышки КПП
15
11
-
Верхние болты крепления коробки передач к двигателю
75
55
-

СПЕЦИАЛЬНЫЕ ИНСТРУМЕНТЫ

ТАБЛИЦА СПЕЦИАЛЬНЫХ ИНСТРУМЕНТОВ


J6125B
Показать иллюстрациюПеревод текста в иллюстрациях


J-6125-B
Отбойник

J22888
Показать иллюстрациюПеревод текста в иллюстрациях


J–22888–20–A
Съемник для подшипников и
J–22888–35
упоры съемника

J22912
Показать иллюстрациюПеревод текста в иллюстрациях


J–22912–01
Универсальный съемник подшипников

J28467B
Показать иллюстрациюПеревод текста в иллюстрациях


J–28467–B
Кронштейн для подвески двигателя

KM553A
Показать иллюстрациюПеревод текста в иллюстрациях


KM–553–A
Съемник шестерни пятой передачи

J36633
Показать иллюстрациюПеревод текста в иллюстрациях


J–36633
Держатель стопорного кольца

KM1132
Показать иллюстрациюПеревод текста в иллюстрациях


KM–113–2
Основание

KM334
Показать иллюстрациюПеревод текста в иллюстрациях


KM–334
Установочная втулка

J42469
Показать иллюстрациюПеревод текста в иллюстрациях


J–42469
Съемник штока переключения

KM519
Показать иллюстрациюПеревод текста в иллюстрациях


KM–519
Приспособление для установки колец

KM520
Показать иллюстрациюПеревод текста в иллюстрациях


KM–520
Приспособление для снятия/установки

KM522
Показать иллюстрациюПеревод текста в иллюстрациях


KM–522
Приспособление для установки

KM525
Показать иллюстрациюПеревод текста в иллюстрациях


KM–525
Приспособление для установки

KM552
Показать иллюстрациюПеревод текста в иллюстрациях


KM–552
Оправка

KM554
Показать иллюстрациюПеревод текста в иллюстрациях


KM–554
Приспособление для установки

ДИАГНОСТИКА

Определение источника шума

Перед тем как приступать к ремонту сцепления, КПП или элементов их привода, необходимо выявить причины имеющихся шумов.
Признаки неисправности сцепления или механической КПП:
При возникновении любого из указанных выше признаков необходимо провести тщательный анализ неисправности. Перед разборкой сцепления или КПП необходимо провести следующие проверки.

Определение шума в движении

Многие шумы, которые, на первый взгляд, исходят от КПП, в действительности имеют другие источники, такие как:
Эти шумы могут различаться в зависимости от:

Шумы в КПП

КПП, так же как любое механическое устройство, не является абсолютно тихой и при нормальной работе издает определенный шум.
Для выявления подозрительных шумов КПП необходимо:
  1. Выбрать ровный участок дороги, чтобы снизить шум от шин и вибраций кузова.
  2. Проехать некоторое расстояние, достаточное для того, чтобы разогреть масло.
  3. Отметить скорость и передачу, на которой возник шум.
  4. Проверить наличие шумов на остановленном автомобиле с работающим двигателем.
  5. Определить в каких режимах движения возникает шум:

Шум подшипников

Шум боковых подшипников дифференциала

Шумы, исходящие от боковых подшипников дифференциала и от подшипников ступицы колеса, весьма похожи. Так как боковые подшипники собраны с преднатягом, исходящий от них шум не должен значительно снижаться, если КПП и дифференциал будут работать на вывешенном автомобиле (колеса не касаются дороги).

Шум подшипников ступицы колеса

Подшипник ступицы колеса производит специфичный скрежещущий шум, который слышен и при движении автомобиля накатом, когда выбрана нейтральная передача. Так как подшипник ступицы колеса собран без преднатяга, исходящий от него шум должен снижаться, если автомобиль вывесить (колеса не касаются дороги).

Прочие шумы

Образование вмятин на поверхностях качения подшипников (бринеллирование)

Бринеллированный подшипник является источником стука, возникающего один раз за два оборота колеса, что объясняется разницей скорости колеса и элементов подшипника. Во время движения автомобиля стук подшипника воспринимается как низкочастотный шум.
Стук подшипника возникает вследствие образования вмятин в беговой дорожке подшипника от шариков под действием чрезмерной нагрузки. Бринеллирование подшипника может возникнуть и в том случае, если при запрессовке одного кольца давление одновременно оказывается и на второе кольцо подшипника.
Вибрации в области места установки подшипника могут быть ошибочно приняты за стук подшипника. Признаком бринеллирования является наличие вмятин на поверхностях качения подшипника.

Стирание подшипников

Истирание подшипников может происходить в результате попадания в них абразивных частиц, например, окалины, песка или наждака с маслом. В результате поверхности качения истираются. Истирание подшипников, которые при этом работают без ударов и не имеют трещин или коррозионных язвин, являются следствием загрязнения масла.

Блокировка

Попадание крупных частиц инородного материала между шариками и кольцом подшипника часто приводит к блокировке подшипника и проворачиванию одного из колец, в результате чего возникает шум. Превышение усилия преднатяга конического роликового подшипника также может привести к блокировке подшипника.

точечная коррозия

Образование раковин на поверхностях качения является следствием обычного износа и попадания инородных частиц.

Выкрашивание

Данный дефект подшипника характеризуется отслоением материала или появлением раковин на поверхности шариков или колец в результате перегрузки или неправильной сборки, следствием которых может быть неправильная регулировка, перекос или повышенное трение в подшипнике.
После выполнения перечисленных проверок следует перейти к подразделу "Диагностические карты" в этом разделе.

Диагностика признаков неисправностей

Проверки
Операция
Проверить наличие стуков на низких скоростях.
  • Заменить изношенный ШРУС вала привода.
  • Заменить изношенные втулки полуосевых шестерен.
Проверить наличие шума, усиливающегося на поворотах.
  • Провести ремонт дифференциала.
Проверить наличие глухого металлического звука при наборе скорости или торможении.
  • Затянуть крепления подвески двигателя.
  • Заменить изношенные внутренние шарниры вала привода.
  • Заменить изношенную ось сателлитов дифференциала.
  • Заменить изношенные втулки полуосевых шестерен.
Проверить наличие глухого металлического шума на поворотах.
  • Заменить изношенные наружные ШРУСы.
Проверить наличие вибрации.
  • Заменить подшипники ступицы колеса.
  • Заменить деформированный вал привода колеса.
  • Заменить шины, потерявшие округлость.
  • Провести балансировку шин.
  • Заменить изношенный ШРУС.
  • Отрегулировать угол вала привода в вертикальной плоскости.
Проверить наличие шума не нейтральной передаче с работающим двигателем.
  • Заменить изношенный подшипник первичного вала.
  • Заменить изношенный подшипник выключения сцепления.
  • Заменить изношенный блок шестерен первичного вала.
  • Заменить изношенный подшипник первой передачи.
  • Заменить изношенный подшипник второй передачи.
  • Заменить изношенный подшипник третьей передачи.
  • Заменить изношенный подшипник четвертой передачи.
  • Заменить изношенный подшипник пятой передачи.
  • Заменить изношенные подшипники вторичного вала.
Проверить наличие шума на первой передаче.
  • Заменить изношенные или поврежденные зубчатые колеса постоянного зацепления первой передачи.
  • Заменить изношенный синхронизатор 1 и 2 передач.
  • Заменить изношенный подшипник первой передачи.
  • Заменить изношенные зубчатые колеса/подшипники дифференциала.
  • Заменить изношенную ведомую шестерню главной передачи.
  • Отрегулировать, отремонтировать или заменить рычаг переключения передач или тяги привода.
Проверить наличие шума на второй передаче.
  • Заменить изношенные или поврежденные зубчатые колеса постоянного зацепления второй передачи.
  • Заменить изношенный синхронизатор 1 и 2 передач.
  • Заменить изношенный подшипник второй передачи.
  • Заменить изношенные зубчатые колеса/подшипники дифференциала.
  • Заменить изношенную ведомую шестерню главной передачи.
  • Отрегулировать, отремонтировать или заменить рычаг переключения передач или тяги привода.
Проверить наличие шума на третьей передаче.
  • Заменить изношенные или поврежденные зубчатые колеса постоянного зацепления третьей передачи.
  • Заменить изношенный синхронизатор 3 и 4 передач.
  • Заменить изношенный подшипник третьей передачи.
  • Заменить изношенные зубчатые колеса/подшипники дифференциала.
  • Заменить изношенную ведомую шестерню главной передачи.
  • Отрегулировать, отремонтировать или заменить рычаг переключения передач или тяги привода.
Проверить наличие шума на четвертой передаче.
  • Заменить изношенную или поврежденную шестерню четвертой передачи или ведомую шестерню.
  • Заменить изношенный синхронизатор 3 и 4 передач.
  • Заменить изношенный подшипник четвертой передачи.
  • Заменить изношенные зубчатые колеса/подшипники дифференциала.
  • Заменить изношенную ведомую шестерню главной передачи.
  • Отрегулировать, отремонтировать или заменить рычаг переключения передач или тяги привода.
Проверить наличие шума на пятой передаче.
  • Заменить изношенную или поврежденную шестерню пятой передачи или ведомую шестерню.
  • Провести ремонт синхронизатора пятой передачи.
  • Заменить изношенный подшипник пятой передачи.
  • Заменить изношенные зубчатые колеса/подшипники дифференциала.
  • Заменить изношенную ведомую шестерню главной передачи.
  • Отрегулировать, отремонтировать или заменить рычаг переключения передач или тяги привода.
Проверить наличие шума на передаче заднего хода.
  • Заменить изношенные или поврежденные элементы: промежуточная шестерня, втулка промежуточной шестерни, ведущая или ведомая шестерни.
  • Заменить изношенный синхронизатор 1 и 2 передач.
  • Заменить изношенную ведомую шестерню.
  • Заменить изношенные зубчатые колеса/подшипники дифференциала.
  • Заменить изношенную ведомую шестерню главной передачи.
Проверить наличие шума на всех передачах.
  • Добавить масла.
  • Заменить изношенные подшипники.
  • Заменить изношенный или поврежденный первичный или вторичный вал.
Проверить наличие самопроизвольного выключения передач.
  • Отрегулировать или заменить тяги привода механизма выбора передач.
  • Отрегулировать, отремонтировать или заменить деформированные тяги привода механизма выбора передач.
  • Затянуть или заменить стопорные кольца подшипников первичного вала.
  • Отремонтировать или заменить изношенные или изогнутые вилки переключения.
Проверить наличие подтеканий в области сцепления.
  • Провести ремонт картера КПП.
  • Заменить поврежденную втулку подшипника выключения сцепления.
Проверить наличие подтеканий в центральной части КПП.
  • Провести ремонт картера КПП.
  • Провести ремонт механизма выбора передач.
  • Заменить неисправный выключатель света заднего хода.
Проверить наличие подтеканий в области дифференциала.
  • Отрегулировать или заменить фланцы подшипников.
  • Подтянуть крепление или заменить крышку дифференциала.
  • Отрегулировать или заменить сальники полуосей.
Проверить затрудненность переключения.
  • Заменить поврежденную втулку подшипника выключения сцепления.
  • Отрегулировать, отремонтировать или заменить механизм выбора передач.
  • Отрегулировать, отремонтировать или заменить механизм выключения сцепления.
  • Заменить поврежденный или изношенный синхронизатор пятой передачи.
  • Заменить поврежденный или изношенный синхронизатор первой и второй передач.
  • Заменить изношенный синхронизатор 3 и 4 передач.
  • Отрегулировать, отремонтировать или заменить рычаг переключения передач или тяги привода.
Проверить на включение резкое включение передач с ударом зубьев шестерен.
  • Заменить поврежденную втулку подшипника выключения сцепления.
  • Отрегулировать, отремонтировать или заменить механизм выключения сцепления.
  • Заменить поврежденную или изношенную группу шестерен первичного вала.
  • Заменить изношенный синхронизатор пятой передачи.
  • Заменить изношенный подшипник пятой передачи.
  • Заменить изношенный подшипник первой передачи.
  • Заменить изношенный синхронизатор 1 и 2 передач.
  • Заменить изношенный подшипник второй передачи.
  • Заменить изношенный подшипник третьей передачи.
  • Заменить изношенный синхронизатор 3 и 4 передач.
  • Заменить изношенный подшипник четвертой передачи.
  • Заменить изношенную промежуточную шестерню привода заднего хода.

РАСПОЛОЖЕНИЕ КОМПОНЕНТОВ

Шестерни и картер


V3B15B01
Показать иллюстрациюПеревод текста в иллюстрациях


  1. Картер
  2. Подшипник вторичного вала
  3. Шестерня четвертой передачи
  4. Блокирующее кольцо синхронизатора
  5. Скользящая муфта синхронизатора
  6. Штифт
  7. Вилка переключения 3-й и 4-й передач
  8. Шток вилки переключения 3-й и 4-й передач
  9. Пружина
  10. Шпонка
  11. Ступица скользящей муфты синхронизатора 3-й и 4-й передач
  12. Блокирующее кольцо синхронизатора
  13. Шестерня третьей передачи
  14. Шестерня второй передачи
  15. Блокирующее кольцо синхронизатора 1-й и 2-й передач
  16. Вилка переключения 1-й и 2-й передач
  17. Шток вилки переключения 1-й и 2-й передач
  18. Скользящая муфта синхронизатора
  19. Пружина синхронизатора
  20. Шпонка
  21. Ступица скользящей муфты синхронизатора 1-й и 2-й передач
  22. Упорное кольцо
  23. Наружное блокирующее кольцо
  24. Шестерня первой передачи
  25. Игольчатый подшипник шестерни первой передачи
  26. Пластина вторичного вала, компенсирующая износ
  27. Упорное кольцо
  28. Подшипник вторичного вала
  29. Пробка штока переключения (21,5 мм)
  30. Пружина
  31. Стопорный штифт штока переключения
  32. Упорная пластина
  33. Пробка штока переключения (50,4 мм)
  34. Болт блокировочного штока
  35. Болт
  36. Болт
  37. Опорный кронштейн
  38. Вилка включения пятой передачи
  39. Штифт
  40. Соединительный элемент механизма выбора пятой передачи
  41. Накладка
  42. Шпонка
  43. Упорное кольцо
  44. Прокладка
  45. Крышка
  46. Болт
  47. Пробка
  48. Болт
  49. Болт
  50. Ступица скользящей муфты синхронизатора
  51. Пружина
  52. Скользящая муфта синхронизатора
  53. Блокирующее кольцо синхронизатора
  54. Ведомая шестерня пятой передачи
  55. Кольцо
  56. Упорное кольцо
  57. Кольцо
  58. Ведущая шестерня пятой передачи
  59. Болт
  60. Стопорное кольцо блока шестерен
  61. Болт
  62. Подшипник первичного вала
  63. Кольцо
  64. Блок шестерен первичного вала
  65. Шарик
  66. Вал промежуточной шестерни заднего хода
  67. Промежуточная шестерня заднего хода
  68. Шайба
  69. Шток вилки включения пятой передачи
  70. Вилка включения заднего хода
  71. Первичный вал
  72. Болт
  73. Собачка пятой передачи
  74. Игольчатый подшипник шестерни пятой передачи
  75. Игольчатый подшипник шестерни первой передачи
  76. Вторичный вал
  77. Рычаг выбора пятой передачи
  78. Заглушка
  79. Прокладка
  80. Выключатель света заднего хода
  81. Подшипник первичного вала
  82. Игольчатый подшипник второй передачи
  83. Игольчатый подшипник третьей передачи
  84. Игольчатый подшипник четвертой передачи
  85. Шайба

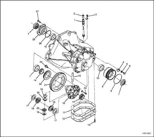
Дифференциал и картер


V3B15B02
Показать иллюстрациюПеревод текста в иллюстрациях


  1. Ведомая шестерня привода спидометра
  2. Сальник
  3. Болт
  4. Упорная пластина
  5. Шайба
  6. Болт
  7. Сальник
  8. Сальник
  9. Регулировочное кольцо подшипника
  10. Кольцо бокового подшипника
  11. Прокладка крышки картера
  12. Крышка дифференциала
  13. Болт
  14. Подшипник дифференциала
  15. Ось сателлитов
  16. Корпус дифференциала
  17. Упорное кольцо
  18. Полуосевая шестерня
  19. Шайба
  20. Сателлит
  21. Ведомая шестерня главной передачи
  22. Ведущая шестерня привода спидометра
  23. Болт
  24. Стопорный штифт оси сателлитов
  25. Фланец правого подшипника дифференциала
  26. Сальник
  27. Болт

Привод переключения передач


V3B15B03
Показать иллюстрациюПеревод текста в иллюстрациях


  1. Управление переключением передач
  2. Болт
  3. Болт
  4. Защитный кожух штока выбора передач
  5. Хомут
  6. Коромысло привода механизма переключения
  7. Поперечная тяга привода
  8. Хомут
  9. Передний кронштейн механизма выбора передач
  10. Болт
  11. Задний кронштейн механизма выбора передач
  12. Болт
  13. Хомут
  14. Штифт


На предыдущую страницуНа следующую страницу
Главная страница сайта