Руководство по техническому обслуживанию2006 Evanda РЕМНИ БЕЗОПАСНОСТИК началу документа
Evanda
На предыдущую страницуНа следующую страницу
Главная страница GMDEЗагрузить нединамическое оглавлениеЗагрузить динамическое оглавлениеПомощь

РАЗДЕЛ 8A

РЕМНИ БЕЗОПАСНОСТИ

Внимание! Отсоедините провод от отрицательного вывода аккумулятора, прежде чем снимать или устанавливать какие-либо электрические устройства, а также в ситуации, когда есть возможность касания оголенных электрических контактов каким-либо инструментом или приспособлением. Отсоединение этого провода позволяет избежать травм и повреждения оборудования автомобиля. Кроме того, если не указано иное, зажигание должно находиться в положении LOCK.

ТЕХНИЧЕСКИЕ ХАРАКТЕРИСТИКИ

Моменты затяжки резьбовых соединений

ПРОГРАММА
Н•м
фунт-фут
фунт-дюйм
Болт крепления детского сиденья
25
18
-
Болты регулятора высоты переднего ремня безопасности
23
17
-
Болт крепления ремня безопасности
38
28
-
Винты держателя механизма втягивания ремня безопасности
3
-
27
Болт механизма втягивания ремня безопасности
38
28
-

ПРИНЦИПИАЛЬНЫЕ И МОНТАЖНЫЕ СХЕМЫ

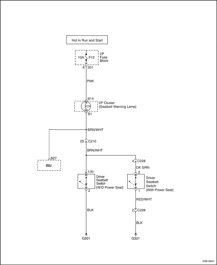
Сигнализация непристегнутого ремня безопасности водителя


V5B18A01
Показать иллюстрациюПеревод текста в иллюстрациях


ДИАГНОСТИКА

Сигнализация непристегнутого ремня безопасности водителя

Лампа сигнализации непристегнутого ремня безопасности не загорается никогда

ШагОперацияЗначенияДаНет
1
Проверьте предохранитель сигнализации ремня безопасности F12.
Предохранитель F12 перегорел?
-
Перейдите на Шаг 2
Перейдите на Шаг 3
2
  1. Проверьте на предмет короткого замыкания и при необходимости отремонтируйте.
  2. Замените предохранитель.
Ремонт закончен?
-
Система в норме
-
3
  1. Установите зажигание в положение ON.
  2. Проверьте напряжение на предохранителе F12.
Равно ли напряжение указанному значению?
11~14 В
Перейдите на Шаг 5
Перейдите на Шаг 4
4
Отремонтируйте разорванную цепь питания к предохранителю F12.
Ремонт закончен?
-
Система в норме
-
5
  1. Отсоедините разъем выключателя ремня безопасности (находится под сиденьем водителя).
  2. Соедините перемычкой контакты разъема выключателя ремня безопасности на жгуте проводов.
  3. Установите зажигание в положение ON.
Включилась ли лампа сигнализации непристегнутого ремня безопасности?
-
Перейдите на Шаг 6
Перейдите на Шаг 7
6
Замените выключатель ремня безопасности.
Ремонт закончен?
-
Система в норме
-
7
  1. Снимите приборную панель.
  2. Проверьте лампочку сигнализации непристегнутого ремня безопасности.
Лампочка исправна?
-
Перейдите на Шаг 9
Перейдите на Шаг 8
8
Замените лампочку сигнализации.
Ремонт закончен?
-
Система в норме
-
9
Отремонтируйте разорванную цепь между выводом B1 приборной панели и массой.
Ремонт закончен?
-
Система в норме
-

ТЕХНИЧЕСКОЕ ОБСЛУЖИВАНИЕ И РЕМОНТ

РАБОТЫ НА АВТОМОБИЛЕ



V3B38A02
Показать иллюстрациюПеревод текста в иллюстрациях


Передний ремень безопасности с натяжителем

Процедура снятия

  1. Снимите пластмассовую крышку, под которой находится нижнее крепление ремня безопасности к центральной стойке.
  2. Удалите болт и снимите нижнее крепление ремня безопасности к центральной стойке.


  3. V3B38A03
    Показать иллюстрациюПеревод текста в иллюстрациях


  4. Снимите нижнюю панель облицовки центральной стойки. См. Раздел 9G, Облицовка салона.
  5. Снимите пластмассовую крышку, под которой находится верхнее крепление ремня безопасности к центральной стойке.
  6. Удалите болт и снимите верхнее крепление ремня безопасности к центральной стойке.


  7. V3B38A04
    Показать иллюстрациюПеревод текста в иллюстрациях


  8. Вывинтите винты крепления держателя механизма втягивания ремня безопасности.
  9. Удалите болт и снимите механизм втягивания ремня безопасности.


V3B38A04
Показать иллюстрациюПеревод текста в иллюстрациях


Процедура установки

    Внимание! При использовании ненадлежащего винта для крепления механизма втягивания возможно неправильное функционирование натяжителя ремня безопасности в случае аварии, что может привести к травме.

    Примечание: Непосредственный контакт разнородных металлов может привести к быстрой коррозии. Во избежание преждевременной коррозии используйте надлежащий крепеж.

  1. Закрепите механизм втягивания ремня безопасности болтом.
  2. Затянуть
    Затяните болт крепления механизма втягивания ремня безопасности моментом 38 Н•м (28 lb-ft).



    V3B38A03
    Показать иллюстрациюПеревод текста в иллюстрациях


  3. Закрепите держатель механизма втягивания ремня безопасности винтом.
  4. Затянуть
    Затяните винт крепления держателя механизма втягивания ремня безопасности моментом 3 Н•м (27 lb-in)

  5. Прикрепите верхнее крепление ремня безопасности к центральной стойке болтом.
  6. Затянуть
    Затяните болт крепления ремня безопасности моментом 38 Н•м (28 lb-ft).

  7. Установите пластмассовую крышку крепления ремня безопасности.


  8. V3B38A02
    Показать иллюстрациюПеревод текста в иллюстрациях


  9. Установите нижнюю панель облицовки центральной стойки. См. Раздел 9G, Облицовка салона.
  10. Прикрепите нижнее крепление ремня безопасности к центральной стойке болтом.
  11. Затянуть
    Затяните болт крепления ремня безопасности моментом 38 Н•м (28 lb-ft).

  12. Установите пластмассовую крышку крепления ремня безопасности.


V3B38A05
Показать иллюстрациюПеревод текста в иллюстрациях


Регулятор высоты переднего ремня безопасности

Процедура снятия

  1. Снимите верхнюю панель облицовки центральной стойки. См. Раздел 9G, Облицовка салона.
  2. Удалите болты и снимите регулятор высоты ремня безопасности.


V3B38A05
Показать иллюстрациюПеревод текста в иллюстрациях


Процедура установки

    Примечание: Непосредственный контакт разнородных металлов может привести к быстрой коррозии. Во избежание преждевременной коррозии используйте надлежащий крепеж.

  1. Закрепите регулятор высоты ремня безопасности болтами.
  2. Затянуть
    Затяните болты регулятора высоты переднего ремня моментом 23 Н•м (17 lb-ft).

  3. Установите верхнюю панель облицовки центральной стойки. См. Раздел 9G, Облицовка салона.


V3B38A06
Показать иллюстрациюПеревод текста в иллюстрациях


Трехточечный ремень безопасности для заднего сиденья с механизмами втягивания с аварийной блокировкой (ELR) (слева, в центре, справа)

Процедура снятия

  1. Снимите панель задней полки. См. Раздел 9G, Облицовка салона.
  2. Удалите болты крепления механизмов втягивания заднего ремня безопасности (слева, в центре, справа) на задней панели.


  3. V3B38A07
    Показать иллюстрациюПеревод текста в иллюстрациях


  4. Снимите подушку заднего сиденья. См. Раздел 9H, СИДЕНЬЯ.


  5. V3B38A08
    Показать иллюстрациюПеревод текста в иллюстрациях


  6. Удалите болты крепления ремня безопасности к полу.
  7. Снимите ремень безопасности.


V3B38A08
Показать иллюстрациюПеревод текста в иллюстрациях


Процедура установки

    Примечание: Непосредственный контакт разнородных металлов может привести к быстрой коррозии. Во избежание преждевременной коррозии используйте надлежащий крепеж.

  1. Установите болты крепления ремня безопасности к полу.
  2. Затянуть
    Затяните болты крепления ремня безопасности к полу моментом 38 Н•м (28 lb-ft).



    V3B38A06
    Показать иллюстрациюПеревод текста в иллюстрациях


  3. Закрепите болтами механизмы втягивания заднего ремня безопасности (слева, в центре, справа) на задней панели.
  4. Затянуть
    Затяните болты крепления механизмов втягивания заднего ремня безопасности моментом 38 Н•м (28 lb-ft).



    J3B18A07
    Показать иллюстрациюПеревод текста в иллюстрациях


  5. Установите подушку заднего сиденья. См. Раздел 9H, СИДЕНЬЯ.
  6. Установите панель задней полки. См. Раздел 9G, Облицовка салона.

ОБЩЕЕ ОПИСАНИЕ И РАБОТА СИСТЕМЫ

Сигнализация непристегнутого ремня безопасности водителя

Ремень безопасности водителя имеет индикатор сигнализации непристегнутого ремня на приборной панели, который напоминает водителю о непристегнутом ремне, когда включено зажигание.

Передний ремень безопасности с натяжителем

Передний ремень безопасности в стандартной комплектации поставляется с натяжителем. Натяжитель содержит пиротехнический механизм втягивания с механическим управлением, который срабатывает при лобовом столкновении, прямом или под углом, и выбирает слабину ремня безопасности. После аварийной ситуации, вызвавшей срабатывание натяжителя переднего ремня безопасности, натяжитель необходимо заменить.

Трехточечный ремень безопасности для заднего сиденья с механизмом втягивания с аварийной блокировкой (ELR)

Трехточечные ремни безопасности с механизмом втягивания с аварийной блокировкой (ELR) поставляются в стандартной комплектации для переднего сиденья пассажира и крайних задних сидений.
Ремень безопасности ELR имеет механизм втягивания с режимом аварийной блокировки (ELR).
В обычной ситуации ремень безопасности работает в режиме ELR. Это дает пассажиру свободу движений, за исключением аварийных ситуаций.

Оперативные проверки

Внимание!
  1. Проверьте все болты и винты крепления ремней безопасности, чтобы убедиться, что они надежно завернуты.
  2. Осмотрите замок ремня безопасности. Замок должен легко застегиваться и расстегиваться.
  3. Вставив язычок в замок, резко дерните за ремень. Замок не должен рассоединиться.
  4. Полностью вытяните плечевую часть ремня и убедитесь, что на ремне нет скруток и надрывов.
  5. Отпустите плечевую часть ремня, чтобы она полностью втянулась. Ремень должен втягиваться свободно.


На предыдущую страницуНа следующую страницу
Главная страница сайта