Руководство по техническому обслуживанию2006 Evanda СИСТЕМА ЭЛЕКТРОПРОВОДКИ КУЗОВАК началу документа
Evanda
На предыдущую страницуНа следующую страницу
Главная страница GMDEЗагрузить нединамическое оглавлениеЗагрузить динамическое оглавлениеПомощь

РАЗДЕЛ 9A

СИСТЕМА ЭЛЕКТРОПРОВОДКИ КУЗОВА

Внимание! Отсоедините провод от отрицательного вывода аккумулятора, прежде чем снимать или устанавливать какие-либо электрические устройства, а также в ситуации, когда есть возможность касания оголенных электрических контактов каким-либо инструментом или приспособлением. Отсоединение этого провода позволяет избежать травм и повреждения оборудования автомобиля. Кроме того, если не указано иное, зажигание должно находиться в положении LOCK.

ПРИНЦИПИАЛЬНЫЕ И МОНТАЖНЫЕ СХЕМЫ

Обозначение цвета проводов

Цвет провода
Сокращение на схеме
Зеленый
ТЕМ ЗЕЛ
Светло-зеленый
СВ ЗЕЛ
Синий
ТЕМ СИН
Коричневый
КОР
Оранжевый
ОРЖ
Желтый
ЖЕЛ
Серый
СЕР
Небесно-голубой
ГОЛ
Красный
КРС
Черный
ЧЕР
Розовый
РОЗ
Белый
БЕЛ
Пурпурный
ПУР

Провода с маркировочными нитями

Цвет провода
Сокращение на схеме
Красный с белой нитью
КРС/БЕЛ

Схема распределения электроэнергии


V5B19A01
Показать иллюстрациюПеревод текста в иллюстрациях


2.0 л с двумя распредвалами верхнего расположения


V6B19A01
Показать иллюстрациюПеревод текста в иллюстрациях



V6B19A02
Показать иллюстрациюПеревод текста в иллюстрациях



V6B19A03
Показать иллюстрациюПеревод текста в иллюстрациях



V6B19A04
Показать иллюстрациюПеревод текста в иллюстрациях



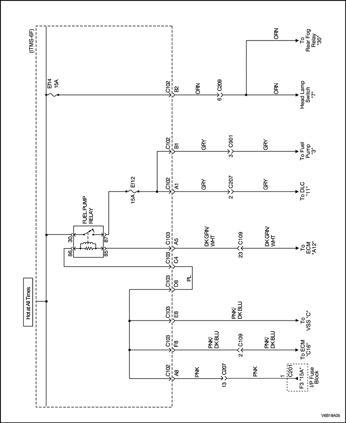
V6B19A05
Показать иллюстрациюПеревод текста в иллюстрациях



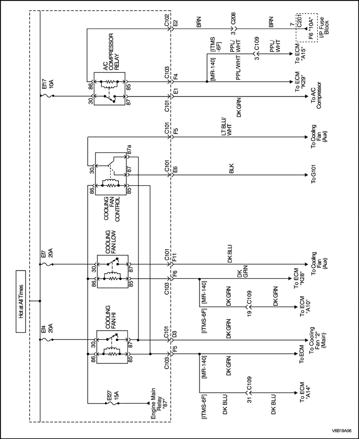
V6B19A06
Показать иллюстрациюПеревод текста в иллюстрациях



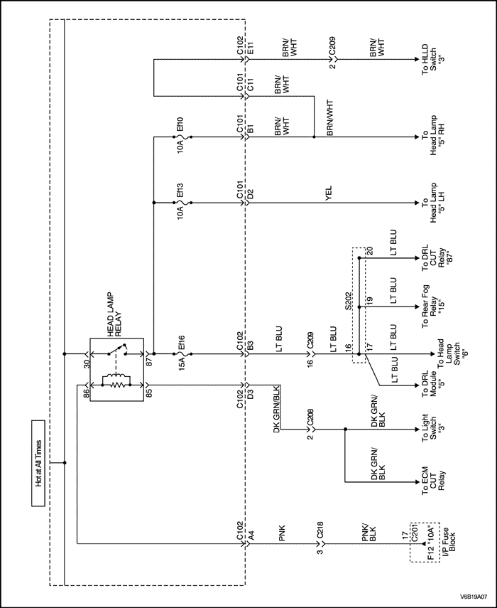
V6B19A07
Показать иллюстрациюПеревод текста в иллюстрациях



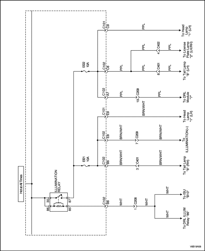
V6B19A08
Показать иллюстрациюПеревод текста в иллюстрациях



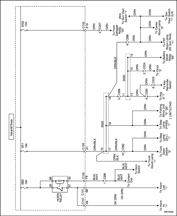
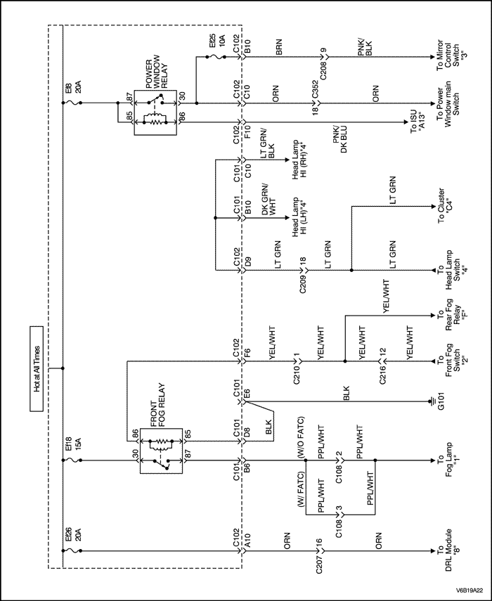
V6B19A22
Показать иллюстрациюПеревод текста в иллюстрациях



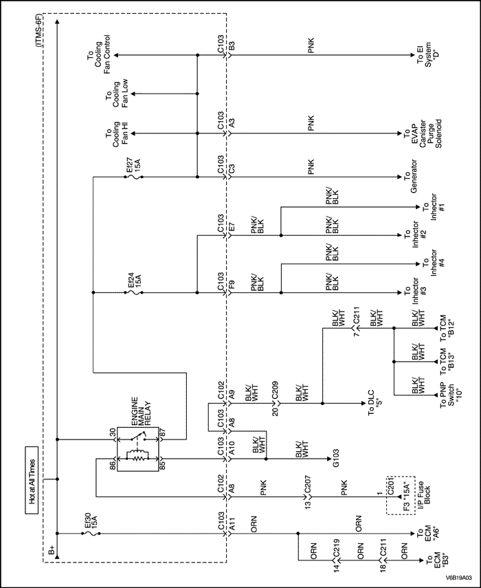
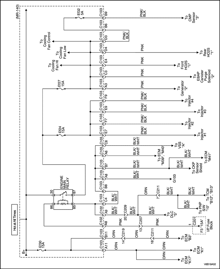
V6B19A09
Показать иллюстрациюПеревод текста в иллюстрациях


Расположение блока предохранителей (двигатель)


V6B19A21
Показать иллюстрациюПеревод текста в иллюстрациях


Расположение блока предохранителей (салон)


V5B19A13
Показать иллюстрациюПеревод текста в иллюстрациях


Таблица предохранителей (двигатель)

Предохранитель
Номинал/источник
Цепь
EF1
30A
B+
Зажигание-1 (ключ)
EF2
30A
B+
Зажигание-2 (ключ)
EF3
60A
B+
EBCM
EF4
20A
B+
Высокая интенсивность вентилятора охлаждения
EF5
60A
B+
Питающий провод батареи
EF6
30A
B+
Электродвигатель вентилятора
EF7
20A
B+
Низкая интенсивность вентилятора охлаждения
EF8
20A
B+
Электрический стеклоподъемник
EF10
10A
Свет
Правая фара (ближний свет)
EF11
15A
B+
Освещение салона
EF12
15A
IGN1
Топливный насос, DLC
EF13
10A
Свет
Левая фара (ближний свет)
EF14
15A
B+
Выключатель фар, DRL, задний противотуманный фонарь
EF15
20A
IGN1
ECM, LEGR
EF16
15A
Свет
Дальний свет фар, DRL, задний противотуманный фонарь
EF17
10A
B+
Компрессор кондиционера
EF18
15A
B+
Противотуманный фонарь
EF19
10A
B+
Тормозной выключатель
EF20
25A
B+
Блок внутренних предохранителей (F19, F21, F22)
EF21
10A
Освещение
Освещение, правый стояночный огонь
EF22
10A
Освещение
Левый стояночный огонь, освещение номерного знака
EF23
15A
B+
Устройство подачи звукового сигнала
EF24
15A
IGN1
Инжектор
EF25
10A
IGN1
Зеркало с электроприводом
EF26
20A
B+
DRL
EF27
15A
IGN1
Кислородный датчик, генератор, электромагнитный клапан продувки угольного фильтра системы выделения паров топлива
EF28
30A
B+
Сиденье с электроприводом
EF29
20A
B+
Люк в крыше
EF30
15A
B+
ECM, ТСМ
D31
-
Диод
Не используется
Ef32
5A
IGN1
Датчик CAM
Ef33
15A
B+
Передний обогрев
EF34
10A
Запасной
Не используется
EF35
15A
Запасной
Не используется
EF36
20A
Запасной
Не используется
EF37
25A
Запасной
Не используется
EF38
30A
Запасной
Не используется

Таблица предохранителей (салон)

Предохранитель
Номинал/источник
Цепь
F1
-
Запасной
Не используется
F2
-
Запасной
Не используется
F3
15A
IGN1
Главное реле двигателя, реле топливного насоса
F4
15A
IGN1
Выключатель фонаря заднего хода, выключатель PNP
F5
-
IGN2
Не используется
F6
10A
IGN2
ISU, FATC, компрессор кондиционера, реле
F7
20A
IGN2
SSPS, переключатель управления кондиционером
F8
10A
IGN1
SDM
F9
10A
IGN1
EBCM
F10
10A
IGN1
ТСМ, тормозной выключатель, выключатель PNP
F11
10A
IGN1
ISU, модуль лампы предупреждения антиблокировочной системы
F12
10A
IGN1
Комбинация, FATC, DRL
F13
20A
ACC
Прикуриватель, освещение вещевого ящика
F14
15A
ACC
Аудио
F15
10A
ACC
Часы, плафон освещения салона
F16
10A
IGN1
Стеклоомыватель
F17
25A
IGN1
Стеклоочиститель
F18
10A
Напряжение системы
Зеркало OSRV, выключатель нагревателя
F19
15A
B+
Аудио
F20
20A
ACC
Коврик с подогревом, дополнительная розетка
F21
10A
B+
Комбинация, FATC
F22
10A
B+
DLC

Электрический разъем блока предохранителей


V5B19A14
Показать иллюстрациюПеревод текста в иллюстрациях


Прокладка жгута задней проводки


V3B19A15
Показать иллюстрациюПеревод текста в иллюстрациях


Прокладка жгута передней проводки


V3B19A16
Показать иллюстрациюПеревод текста в иллюстрациях


Прокладка жгута напольной проводки


V3B19A17
Показать иллюстрациюПеревод текста в иллюстрациях


Прокладка жгута комбинации приборов


V3B19A18
Показать иллюстрациюПеревод текста в иллюстрациях


Прокладка жгута проводов двери


V3B19A19
Показать иллюстрациюПеревод текста в иллюстрациях




На предыдущую страницуНа следующую страницу
Главная страница сайта