Руководство по техническому обслуживанию2006 Evanda СИСТЕМЫ ОСВЕЩЕНИЯК началу документа
Evanda
На предыдущую страницуНа следующую страницу
Главная страница GMDEЗагрузить нединамическое оглавлениеЗагрузить динамическое оглавлениеПомощь

РАЗДЕЛ 9B

СИСТЕМЫ ОСВЕЩЕНИЯ

Внимание! Отсоедините провод от отрицательного вывода аккумулятора, прежде чем снимать или устанавливать какие-либо электрические устройства, а также в ситуации, когда есть возможность касания оголенных электрических контактов каким-либо инструментом или приспособлением. Отсоединение этого провода позволяет избежать травм и повреждения оборудования автомобиля. Кроме того, если не указано иное, зажигание должно находиться в положении LOCK.

ТЕХНИЧЕСКИЕ ХАРАКТЕРИСТИКИ

Перечень используемых ламп

Лампа
Мощность в ваттах
Подсветка пепельницы
1,2 Вт
Фонарь заднего хода
21W
Дополнительный центральный стоп-сигнал
27W
Освещение подножки передней двери
5W
Передняя противотуманная фара
55W
Освещение вещевого ящика
5W
Фара (дальний свет/ближний свет)
55 Вт/55 Вт
Освещение замочной скважины переключателя зажигания
5W
Освещение салона при открытии двери
10W
Освещение номерного знака
5W
Фонарь освещения багажника
5W
Плафон индивидуального освещения
8 Вт
Стояночные огни и передние указатели поворота
Двойные 28/8W
Задние указатели поворота
21W
Боковой указатель поворота
5W
Задние габаритные огни/стоп-сигнал
Двойные 21/5W
Освещение косметического зеркала
5W

Моменты затяжки резьбовых соединений

ПРОГРАММА
Н•м
фунт-фут
фунт-дюйм
Винты кожуха пепельницы
2.5
-
22
Винты модуля предупредительного света фар
4
-
35
Гайки противотуманного фонаря в сборе
3
-
27
Винты панели обивки передней двери
3.5
-
31
Болты фары в сборе
7.5
-
66
Винты освещения замочной скважины переключателя зажигания
2.5
-
22
Винт корпуса освещения салона при открытии двери
2
-
18
Винты лампы освещения номерного знака в сборе
4
-
35
Гайки заднего комбинированного фонаря в сборе
3
-
27
Винты отделки рулевой колонки
2.5
-
22

ПРИНЦИПИАЛЬНЫЕ И МОНТАЖНЫЕ СХЕМЫ

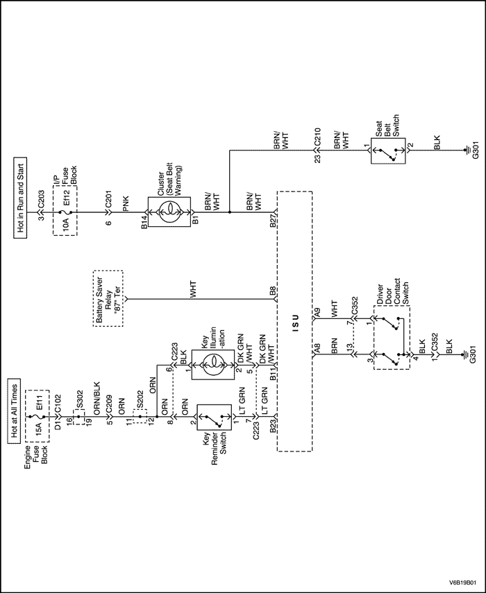
Цепь звукового сигнала напоминания о включенном освещении


V6B19B01
Показать иллюстрациюПеревод текста в иллюстрациях


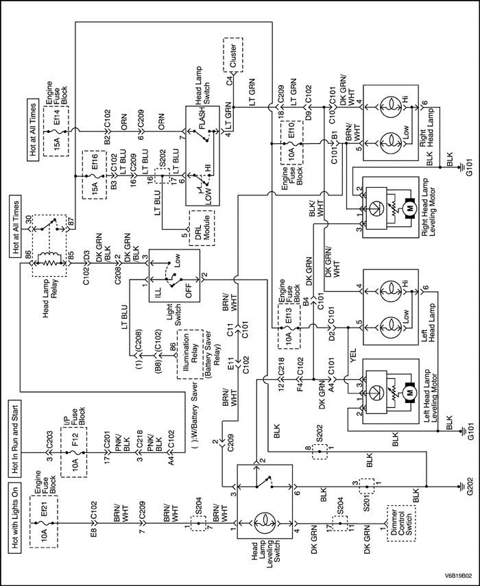
Цепь фар и регулирования положения фар


V6B19B02
Показать иллюстрациюПеревод текста в иллюстрациях


Цепь предупредительного света фар


V6B19B03
Показать иллюстрациюПеревод текста в иллюстрациях


Цепь задних противотуманных фонарей


V6B19B04
Показать иллюстрациюПеревод текста в иллюстрациях


Цепь задних габаритных огней и освещения номерного знака


V6B19B05
Показать иллюстрациюПеревод текста в иллюстрациях


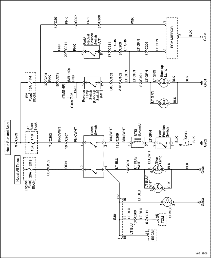
Цепь стоп-сигнала и фонарей заднего хода


V6B19B06
Показать иллюстрациюПеревод текста в иллюстрациях


Цепь ламп указателей поворота и аварийной сигнализации


V6B19B07
Показать иллюстрациюПеревод текста в иллюстрациях


Цепь освещения салона при открытии двери и фонаря освещения багажника


V6B19B08
Показать иллюстрациюПеревод текста в иллюстрациях


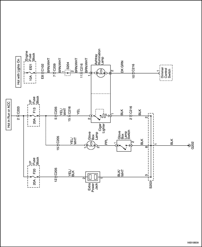
Цепь освещения вещевого ящика, подсветки пепельницы и прикуривателя


V6B19B09
Показать иллюстрациюПеревод текста в иллюстрациях


Цепь системы сбережения заряда батареи


V6B19B10
Показать иллюстрациюПеревод текста в иллюстрациях


ДИАГНОСТИКА

Звуковой сигнал напоминания о включенном освещении

Рекомендации по диагностике

Предохранитель EF20 контролирует освещение комбинации приборов и задние габаритные огни, стояночные огни и боковые габаритные фонари с правой стороны. Он также обеспечивает вход в модуль звуковой сигнализации для напоминания об освещении.

Описание проверки

Указанный ниже номер относится к шагу 3 в диагностической таблице.
  1. Модуль звуковой сигнализации находится под панелью приборов с левой стороны.

Звуковой сигнал напоминания о включенных фарах не работает

ШагОперацияЗначенияДаНет
1
  1. Включить стояночные огни и задние габаритные огни.
  2. Удостовериться в том, что стояночные и задние габаритные огни с правой стороны автомобиля работают.
Работают ли стояночные и задние габаритные огни с правой стороны автомобиля?
-
Перейдите на Шаг 3
Перейдите на Шаг 2
2
Отремонтировать стояночные и задние габаритные огни перед выполнением действий, перечисленных в этой диагностической таблице.
Заработал ли звуковой сигнал напоминания о включенных фарах в ISU после ремонта стояночных огней и задних габаритных огней?
-
Система в норме
Перейдите на Шаг 3
3
  1. Отсоединить электрический разъем ISU.
  2. Включить фары.
  3. Проверить напряжение на выводе 27 ISU.
Равно ли напряжение указанному значению?
11~14 В
Перейдите на Шаг 7
Перейдите на Шаг 4
4
  1. Снять переключатель регулирования освещения с панели приборов для испытания, но электрический разъем не отсоединять.
  2. Включить фары.
  3. Проверить напряжение на выводе 3 трехштырькового разъема переключателя регулирования освещения.
Равно ли напряжение указанному значению?
11~14 В
Перейдите на Шаг 5
Перейдите на Шаг 6
5
Устранить разрыв цепи между выводом 3 разъема переключателя регулирования освещения и выводом B27 разъема ISU.
Ремонт закончен?
-
Система в норме
-
6
Устранить разрыв цепи между предохранителем EF21 и переключателем регулирования освещения.
Ремонт закончен?
-
Система в норме
-
7
С помощью омметра проверить отсутствие обрывов цепи между массой и выводом 27 разъема ISU.
Показывает ли омметр указанное значение?
~0Ом
Перейдите на Шаг 9
Перейдите на Шаг 8
8
Устранить разрыв цепи между выводом B27 разъема ISU и массой.
Ремонт закончен?
-
Система в норме
-
9
  1. Открыть дверь водителя.
  2. Подключить омметр между массой и выводом B3 разъема ISU.
Показывает ли омметр указанное значение?
~0Ом
Перейдите на Шаг 11
Перейдите на Шаг 10
10
Устранить разрыв цепи между выводом B3 разъема ISU и массой. (Переключатель открытия двери должен быть закрыт, когда дверь открыта.)
Ремонт закончен?
-
Система в норме
-
11
Заменить ISU.
Ремонт закончен?
-
Система в норме
-

Фары

Фары ближнего света не работают, фары дальнего света исправны

ШагОперацияЗначенияДаНет
1
Проверить предохранитель Ef13 (левая фара) и Ef10 (правая фара).
Перегорел ли предохранитель Ef13 или Ef10?
-
Перейдите на Шаг 2
Перейдите на Шаг 3
2
  1. Проверьте на предмет короткого замыкания и при необходимости устраните его.
  2. Замените предохранитель.
Ремонт закончен?
-
Система в норме
-
3
Проверить напряжение на предохранителях Ef13 и Ef10.
Соответствует ли фактическое напряжение на предохранителях Ef13 и Ef10 указанному значению?
11~14 В
Перейдите на Шаг 4
Перейдите на Шаг 9
4
  1. Отсоединить разъемы обеих фар.
  2. Включить фары.
  3. Выбрать ближний свет.
Соответствует ли напряжение на выводе 5 разъема каждой фары указанному значению?
11~14 В
Перейдите на Шаг 6
Перейдите на Шаг 5
5
Устранить разрыв цепи между предохранителем EF13 или EF10 и фарами ближнего света.
Ремонт закончен?
-
Система в норме
-
6
  1. Отсоединить разъемы фар.
  2. Подключить омметр между массой и выводом 6 разъема любой из фар.
Соответствует ли сопротивление указанному значению?
0 Ом
Перейдите на Шаг 8
Перейдите на Шаг 7
7
Восстановить цепь массы.
Ремонт закончен?
-
Система в норме
-
8
Заменить неисправные фары.
Ремонт закончен?
-
Система в норме
-
9
Проверить напряжение между предохранителями EF13 и EF10 и реле основных фар.
Соответствует ли фактическое напряжение на предохранителях EF13 и EF10 указанному значению?
11~14 В
Система в норме
Перейдите на Шаг 10
10
Устранить разрыв цепи между предохранителями EF13 и EF10 и реле основных фар.
Ремонт закончен?
-
Система в норме
-

Фары дальнего света не работают, фары ближнего света исправны

ШагОперацияЗначенияДаНет
1
  1. Включить фары дальнего света.
  2. Проверить напряжение на выводе 6 выключателя фар при включенном дальнем свете.
Соответствует ли фактическое напряжение на выводе 6 выключателя фар указанному значению?
11~14 В
Перейдите на Шаг 3
Перейдите на Шаг 2
2
Устранить разрыв цепи между предохранителем EF16 и выключателем фар.
Ремонт закончен?
-
Система в норме
-
3
  1. Проверить наличие короткого замыкания. При необходимости отремонтировать.
  2. Замените предохранитель.
Ремонт закончен?
-
Система в норме
-
4
  1. Отсоединить выключатель фар.
  2. Перевести выключатель в положение дальнего света.
  3. С помощью омметра проверить отсутствие обрывов цепи выключателя фар между выводами 6 и 4.
Показывает ли омметр указанное значение?
0 Ом
Перейдите на Шаг 6
Перейдите на Шаг 5
5
Заменить выключатель фар.
Ремонт закончен?
-
Система в норме
-
6
  1. Отсоединить разъемы фар дальнего света.
  2. Включить фары дальнего света.
  3. С помощью вольтметра проверить напряжение на выводе 4 разъемов фар.
Показывает ли вольтметр указанное значение?
11~14 В
Перейдите на Шаг 8
Перейдите на Шаг 7
7
Устранить разрыв цепи между блоком предохранителей и фарами дальнего света.
Ремонт закончен?
-
Система в норме
-
8
С помощью омметра проверить отсутствие обрывов цепи между выводом 6 разъемов фар и массой.
Показывает ли омметр указанное значение?
≈ 0 Ом
Перейдите на Шаг 10
Перейдите на Шаг 9
9
Устранить разрыв цепи массы.
Ремонт закончен?
-
Система в норме
-
10
Заменить неисправные фары дальнего света.
Ремонт закончен?
-
Система в норме
-

Фары дальнего и ближнего света не работают ни на левой, ни на правой стороне

Рекомендации по диагностике: Если имеются еще некоторые другие системы, которые не работают при зажигании в положении ON, такие как стеклоподъемники, сиденья с электрическим приводом регулировки, люк в крыше и передние указатели поворота, то проверить массу G101.
ШагОперацияЗначенияДаНет
1
Проверить предохранители F12, Ef16, Ef14, Ef10 и Ef13.
Перегорели ли какие-либо предохранители?
-
Перейдите на Шаг 2
Перейдите на Шаг 3
2
  1. Проверьте на предмет короткого замыкания и при необходимости устраните его.
  2. Заменить перегоревший предохранитель.
Ремонт закончен?
-
Система в норме
-
3
С помощью вольтметра проверить напряжение на EF12.
Показывает ли вольтметр указанное значение?
11~14 В
Перейдите на Шаг 5
Перейдите на Шаг 4
4
Устранить разрыв цепи подачи электропитания на предохранитель Ef12.
Ремонт закончен?
-
Система в норме
-
5
Включить фары.
Работают ли стояночные огни, задние габаритные огни и лампы освещения номерного знака?
-
Перейдите на Шаг 6
Перейдите на Шаг 8
6
Временно задействовать реле освещения вместо реле фары.
Работают ли фары с замененным реле?
-
Перейдите на Шаг 7
Перейдите на Шаг 8
7
  1. Установить реле освещения обратно в исходное положение.
  2. Заменить реле основных фар.
Ремонт закончен?
-
Система в норме
-
8
  1. Отсоединить разъемы фар и с помощью омметра проверить отсутствие обрывов цепи между выводами 1 и 6 и массой. Повторить эту процедуру с другой стороны.
  2. Подсоединить разъемы фар.
Показывает ли омметр указанное значение между каждым выводом и массой?
~0Ом
Перейдите на Шаг 10
Перейдите на Шаг 9
9
Устранить разрыв цепи между фарами и массой.
Ремонт закончен?
-
Система в норме
-
10
  1. Отсоединить разъем переключателя света.
  2. Включить фары.
  3. С помощью вольтметра проверить напряжение на выводе 3 разъема переключателя света (со стороны жгута проводов).
Равно ли напряжение указанному значению?
11~14 В
Перейдите на Шаг 12
Перейдите на Шаг 11
11
Устранить разрыв цепи между реле света и переключателем света.
Ремонт закончен?
-
Система в норме
-
12
С помощью омметра проверить отсутствие обрывов цепи между выводом 2 разъема переключателя света (со стороны жгута проводов) и массой.
Показывает ли омметр указанное значение?
~0Ом
Перейдите на Шаг 14
Перейдите на Шаг 13
13
Устранить разрыв цепи между разъемом переключателя света и массой.
Ремонт закончен?
-
Система в норме
-
14
Заменить выключатель освещения.
Ремонт закончен?
-
Система в норме
-

Предупредительный свет фар

Рекомендации по диагностике

Система предупредительного света фар (DRL) не будет работать при задействованном стояночном тормозе. Эта система рассчитана на работу только при включенном двигателе и отпущенном стояночном тормозе. Если цепь стояночного тормоза замкнута на массу или выключатель остается замкнутым при запущенном двигателе, система DRL работать не будет.

Предупредительный свет фар не включается

ШагОперацияЗначенияДаНет
1
Включить фары.
Работают ли фары, стояночные огни, задние габаритные огни и лампы приборов?
-
Перейдите на Шаг 3
Перейдите на Шаг 2
2
Отремонтировать систему обычных фар перед выполнением действий, перечисленных в этой диагностической таблице.
Заработала ли система DRL после ремонта фар, наружных огней и систем ламп приборов?
-
Система в норме
Перейдите на Шаг 3
3
Проверить предохранители Ef26 и Ef21.
Перегорел ли предохранитель EF26 или EF21?
-
Перейдите на Шаг 4
Перейдите на Шаг 5
4
  1. Проверьте на предмет короткого замыкания и при необходимости отремонтируйте.
  2. Заменить любой перегоревший предохранитель.
Ремонт закончен?
-
Система в норме
-
5
  1. Установите зажигание в положение ON.
  2. Проверить напряжение на предохранителях EF26 и EF21.
Соответствует ли напряжение указанному значению?
11~14 В
Перейдите на Шаг 7
Перейдите на Шаг 6
6
Восстановить цепь электропитания для предохранителя EF26 и/или EF21.
Ремонт закончен?
-
Система в норме
-
7
  1. Отсоединить электрический разъем от модуля DRL.
  2. Установите зажигание в положение ON.
  3. Проверить напряжение на выводе 2 модуля DRL.
Равно ли напряжение указанному значению?
11~14 В
Перейдите на Шаг 9
Перейдите на Шаг 8
8
Устранить разрыв цепи между предохранителем EF21 и выводом 2 разъема модуля DRL.
Ремонт закончен?
-
Система в норме
-
9
При отсоединенном от модуля DRL электрическом разъеме проверить напряжение на выводе 8 модуля DRL.
Равно ли напряжение указанному значению?
11~14 В
Перейдите на Шаг 11
Перейдите на Шаг 10
10
Устранить разрыв цепи между предохранителем EF26 и выводом 8 разъема модуля DRL.
Ремонт закончен?
-
Система в норме
-
11
При отсоединенном модуле DRL с помощью омметра проверить сопротивление между массой и выводом E разъема модуля DRL.
Равно ли сопротивление указанному значению?
~0Ом
Перейдите на Шаг 13
Перейдите на Шаг 12
12
Устранить разрыв цепи между массой и выводом 4 разъема модуля DRL.
Ремонт закончен?
-
Система в норме
-
13
  1. Отпустить стояночный тормоз.
  2. Поверните ключ зажигания в положение ON.
  3. Заметить состояние индикаторной лампы стояночного тормоза.
Светится ли индикаторная лампа стояночного тормоза?
-
Перейдите на Шаг 14
Перейдите на Шаг 17
14
Отсоединить электрический разъем выключателя рычага стояночного тормоза.
Светится ли по-прежнему индикаторная лампа стояночного тормоза?
-
Перейдите на Шаг 15
Перейдите на Шаг 16
15
Устранить короткое замыкание провода на массу в цепи стояночного тормоза.
Ремонт закончен?
-
Система в норме
-
16
Заменить выключатель рычага стояночного тормоза.
Ремонт закончен?
-
Система в норме
-
17
Заменить модуль DRL.
Ремонт закончен?
-
Система в норме
-

Регулирование положения фар

Описание проверки

Указанные ниже цифры обозначают шаг(и) в диагностической таблице.
  1. Выключатель регулирования положения фар можно снять для испытания, если, осторожно потянув, высвободить крышку панели приборов со стороны водителя из ее фиксаторов. Забравшись за открепленную панель обивки, можно надавить на фиксирующие выступы регулирования положения фар и выключателя регулирования освещения, чтобы освободить выключатель из панели приборов.

Регулирование положения фар не работает

ШагОперацияЗначенияДаНет
1
Проверить фары дальнего и ближнего света.
Работают ли фары дальнего и ближнего света?
-
Перейдите на Шаг 3
Перейдите на Шаг 2
2
Отремонтировать фары дальнего и ближнего света перед выполнением действий, перечисленных в этой диагностической таблице.
Заработала ли система регулировки положения после ремонта фар?
-
Система в норме
Перейдите на Шаг 3
3
  1. Отсоединить разъем неработающего электродвигателя регулирования положения фар.
  2. Включить фары ближнего света.
  3. Проверить напряжение на ЖЕЛ проводе разъема электродвигателя регулирования положения левой фары (или КОР/БЕЛ проводе разъема электродвигателя регулирования положения правой фары).
Показывает ли вольтметр указанное значение?
11~14 В
Перейдите на Шаг 5
Перейдите на Шаг 4
4
Устранить разрыв цепи между фарой ближнего света и электродвигателем регулирования положения фар.
Ремонт закончен?
-
Система в норме
-
5
С помощью омметра проверить отсутствие обрывов цепи между ЧЕР проводом разъема электродвигателя регулирования положения фар и массой.
Показывает ли омметр указанное значение?
~0Ом
Перейдите на Шаг 7
Перейдите на Шаг 6
6
Устранить разрыв цепи между разъемом электродвигателя регулирования положения фар и массой.
Ремонт закончен?
-
Система в норме
-
7
  1. Включить фары ближнего света.
  2. Проверить напряжение на разъеме электродвигателя регулирования положения фар, когда установка регулирования положения на выключателе регулирования положения изменяется с "0" на "3".
Плавно ли изменяется напряжение, и соответствует ли указанным значениям?
От 11 - 14 В в положении "0", до 4,5 В в положении "3"
Перейдите на Шаг 8
Перейдите на Шаг 9
8
Заменить электродвигатель регулирования положения фар.
Ремонт закончен?
-
Система в норме
-
9
  1. Снять выключатель регулирования положения фар для испытания, но электрический разъем не отсоединять.
  2. Включить фары ближнего света.
  3. Проверить напряжение на КОР проводе выключателя регулирования положения фар.
Равно ли напряжение указанному значению?
11~14 В
Перейдите на Шаг 13
Перейдите на Шаг 10
10
  1. Снять выключатель фар для испытания, но электрические разъемы не отсоединять.
  2. Включить фары ближнего света.
  3. Проверить напряжение на КОР проводе семиштырькового разъема выключателя фар и указателей поворота.
Соответствует ли напряжение указанному значению?
11~14 В
Перейдите на Шаг 12
Перейдите на Шаг 11
11
Заменить выключатель фар.
Ремонт закончен?
-
Система в норме
-
12
Устранить разрыв цепи в КОР проводе между выключателем фар и выключателем регулирования положения фар.
Ремонт закончен?
-
Система в норме
-
13
  1. Включить фары ближнего света.
  2. При снятом для проверки переключателе регулирования положения фар и подсоединенном электрическом разъеме проверить напряжение на ТЕМ ЗЕЛ проводе на переключателе регулирования положения фар при шкале выключателя, установленной на «0».
При снятом для проверки переключателе регулирования положения фар и подсоединенном электрическом разъеме проверить напряжение на ТЕМ ЗЕЛ проводе на переключателе регулирования положения фар при шкале выключателя, установленной на «0».
11~14 В
Перейдите на Шаг 15
Перейдите на Шаг 14
14
Заменить переключатель регулирования положения фар.
Ремонт закончен?
-
Система в норме
-
15
  1. Включить фары ближнего света.
  2. При снятом для испытания выключателе регулирования положения фар и соединенном электрическом разъеме, проверить напряжение на ТЕМ ЗЕЛ проводе выключателя регулирования положения фар, когда выключатель переводится на "3."
Соответствует ли перепад напряжения указанному значению?
4,5 В
Перейдите на Шаг 16
Перейдите на Шаг 14
16
Устранить обрыв ТЕМ ЗЕЛ провода между переключателем регулирования положения фар и электродвигателями регулирования положения фар.
Ремонт закончен?
-
Система в норме
-

Противотуманные фары

Передние противотуманные фары не работают

ШагОперацияЗначенияДаНет
1
Снять реле противотуманных фар и временно заменить его на заведомо исправное, например, на реле основных фар или реле осветительных фар.
Работают ли противотуманные фары с замененным реле?
-
Перейдите на Шаг 6
Перейдите на Шаг 7
2
  1. Установить заменявшее реле на место.
  2. Заменить неработающее реле противотуманных фар.
Ремонт закончен?
-
Система в норме
-
3
  1. Вернуть заменявшее реле на место, но не устанавливать обратно реле противотуманных фар.
  2. С помощью вольтметра или контрольной лампы проверить вывод 30 гнезда реле противотуманных фар.
Соответствует ли подаваемое батареей напряжение на гнезде реле противотуманных фар указанному значению?
11~14 В
Перейдите на Шаг 9
Перейдите на Шаг 8
4
Устранить разрыв цепи между батареей (+) и реле противотуманных фар.
Ремонт закончен?
-
Система в норме
-
5
На гнезде реле противотуманных фар с помощью омметра или контрольной лампы проверить, соединен ли с массой разъем для вывода 86 реле.
Соответствует ли сопротивление указанному значению?
0 Ом
Перейдите на Шаг 11
Перейдите на Шаг 10
6
Восстановить цепь массы для реле противотуманных фар.
Ремонт закончен?
-
Система в норме
-
7
При установленном реле противотуманных фар и выключателе во включенном положении, проверить напряжение на разъеме противотуманных фар.
Соответствует ли подаваемое батареей напряжение на разъеме противотуманных фар указанному значению?
11~14 В
Перейдите на Шаг 13
Перейдите на Шаг 12
8
Устранить разрыв цепи между выводом 87 реле противотуманных фар и противотуманными фарами.
Ремонт закончен?
-
Система в норме
-
9
С помощью омметра или контрольной лампы проверить массу на разъеме противотуманных фар со стороны массы.
Соответствует ли сопротивление указанному значению?
0 Ом
Перейдите на Шаг 15
Перейдите на Шаг 14
10
Восстановить цепь массы противотуманных фар.
Ремонт закончен?
-
Система в норме
-
11
Заменить неисправные лампы противотуманных фар.
Ремонт закончен?
-
Система в норме
-

Задние противотуманные фонари не работают

Рекомендации по диагностике

Задние противотуманные фонари работают только при включенных фарах или передних противотуманных фарах.
Индикатор задних противотуманных фонарей в комбинации приборов может сократить процесс диагностики. Если индикатор в комбинации приборов загорается, но задние противотуманные фонари не загораются, то проблема заключается либо в обрыве цепи между реле задних противотуманных фонарей и фонарями, неисправными фонарями, либо в плохом заземлении задних противотуманных фонарей.

Описание проверки

Указанные ниже цифры обозначают шаг(и) в диагностической таблице.
  1. Передние противотуманные фары работают только при включенных стояночных огнях или общих фарах.
  2. Реле задних противотуманных фонарей располагается в зоне реле под панелью приборов.
  3. Питание на выключатель задних противотуманных фонарей подается через диод, который имеет отвод на жгут проводов кузова рядом с блоком предохранителей панели приборов. Если необходимо испытать электропитание диода, снять предохранительную панель со стороны водителя.
ШагОперацияЗначенияДаНет
1
Проверить фары и передние противотуманные фары.
Работают ли фары и передние противотуманные фары?
-
Перейдите на Шаг 3
Перейдите на Шаг 2
2
Отремонтировать фары или передние противотуманные фары перед выполнением действий, перечисленных в этой диагностической таблице.
Заработали ли задние противотуманные фонари после ремонта фар или передних противотуманных фар?
-
Система в норме
Перейдите на Шаг 3
3
  1. Снять лампы задних противотуманных фонарей.
  2. Включить фары.
  3. Перевести выключатель задних противотуманных фонарей во включенное положение.
  4. Проверить напряжение на КРС проводе к лампам задних противотуманных фонарей.
Равно ли напряжение указанному значению?
11~14 В
Перейдите на Шаг 4
Перейдите на Шаг 7
4
При снятых лампах задних противотуманных фонарей с помощью омметра проверить отсутствие обрывов цепи между ЧЕР проводом задних противотуманных фонарей и массой.
Показывает ли омметр указанное значение?
≈ 0 Ом
Перейдите на Шаг 6
Перейдите на Шаг 5
5
Отремонтировать неисправный ЧЕР провод между задними противотуманными фонарями и массой.
Ремонт закончен?
-
Система в норме
-
6
Заменить неисправные лампы противотуманных фар.
Ремонт закончен?
-
Система в норме
-
7
Проверить предохранители Ef14.
Перегорел ли один из этих предохранителей?
-
Перейдите на Шаг 8
Перейдите на Шаг 9
8
  1. Проверьте на предмет короткого замыкания и при необходимости отремонтируйте.
  2. Замените предохранитель.
Ремонт закончен?
-
Система в норме
-
9
Проверить напряжение на EF14.
Равно ли напряжение указанному значению?
11~14 В
Перейдите на Шаг 11
Перейдите на Шаг 10
10
Восстановить цепь подачи электропитания на предохранители.
Ремонт закончен?
-
Система в норме
-
11
  1. Снять реле задних противотуманных фонарей.
  2. С помощью вольтметра проверить вывод 30 гнезда реле.
Равно ли напряжение указанному значению?
11~14 В
Перейдите на Шаг 12
Перейдите на Шаг 7
12
Устранить разрыв цепи между предохранителем EF14 и выводом 30 реле задних противотуманных фар.
Ремонт закончен?
-
Система в норме
-
13
  1. При отсоединенном реле задних противотуманных фар включить фары.
  2. Проверить вывод 15 гнезда реле задних противотуманных фар.
Равно ли напряжение указанному значению?
11~14 В
Перейдите на Шаг 23
Перейдите на Шаг 14
14
  1. Снять выключатель задних противотуманных фонарей для испытания, но электрический разъем не отсоединять.
  2. Включить фары.
  3. Проверить напряжение на КОР/БЕЛ проводе выключателя задних противотуманных фонарей.
Равно ли напряжение указанному значению?
11~14 В
Перейдите на Шаг 15
Перейти на Шаг 18
15
  1. При снятом для испытания выключателе задних противотуманных фонарей включить фары.
  2. Перевести выключатель задних противотуманных фонарей во включенное положение.
  3. Проверить напряжение на ЖЕЛ проводе выключателя задних противотуманных фонарей.
Равно ли напряжение указанному значению?
11~14 В
Перейдите на Шаг 16
Перейдите на Шаг 17
16
Устранить разрыв цепи между выключателем задних противотуманных фонарей и выводом E реле задних противотуманных фар.
Ремонт закончен?
-
Система в норме
-
17
Заменить выключатель задних противотуманных фонарей.
Ремонт закончен?
-
Система в норме
-
18
  1. Включить фары.
  2. Проверить напряжение на ГОЛ проводе предохранителя EF16.
Равно ли напряжение указанному значению?
11~14 В
Перейти на Шаг 20
Перейти на Шаг 19
19
Устранить разрыв цепи между предохранителем EF16 и реле основных фар.
Ремонт закончен?
-
Система в норме
-
20
Проверить предохранитель Ef16.
Перегорел ли EF16?
-
Перейдите на Шаг 21
Перейдите на Шаг 22
21
  1. Проверьте на предмет короткого замыкания и при необходимости отремонтируйте.
  2. Замените предохранитель.
Ремонт закончен?
-
Система в норме
-
22
  1. Включить фары.
  2. Проверить напряжение на ГОЛ проводе предохранителя EF16.
Равно ли напряжение указанному значению?
11~14 В
Перейдите на Шаг 21
Перейдите на Шаг 22
23
Устранить разрыв цепи между предохранителем EF16 и выключателем задних противотуманных фонарей.
Ремонт закончен?
-
Система в норме
-
24
  1. Вместо реле задних противотуманных фар временно установить заведомо исправное реле.
  2. Включить фары.
  3. Перевести выключатель задних противотуманных фонарей во включенное положение.
Работают ли задние противотуманные фонари с замененным реле?
-
Перейдите на Шаг 24
Перейдите на Шаг 25
25
  1. Установить заменявшее реле на место.
  2. Заменить реле задних противотуманных фар.
Ремонт закончен?
-
Система в норме
-
26
Подсоединить проволочную перемычку между выводом 30 и выводом 87 гнезда реле задних противотуманных фар.
Загораются ли задние противотуманные фонари?
-
Перейдите на Шаг 26
Перейдите на Шаг 27

Задние габаритные огни/стоп-сигналы/указатели поворота/фонари заднего хода

Задние габаритные огни и/или боковые фонари указателей поворота не работают

Примечание: Во время проверки патрона лампы вольтметром или контрольной лампой не прикасаться к боковой части патрона (массе) при проверке положительного контакта внизу патрона. Если на патроне лампы присутствует и напряжение, и масса, одновременное прикосновение тестером к обеим приведет к перегоранию предохранителя.

ШагОперацияЗначенияДаНет
1
Проверить фары.
Работают ли фары?
-
Перейдите на Шаг 3
Перейдите на Шаг 2
2
Отремонтировать фары.
По-прежнему ли не работают задние комбинированные фонари?
-
Перейдите на Шаг 3
Система в норме
3
  1. Включить задние габаритные огни и боковые фонари указателей поворота.
  2. С помощью вольтметра проверить напряжение на положительном выводе патрона лампы.
Соответствует ли напряжение на патроне лампы указанному значению?
11~14 В
Перейдите на Шаг 4
Перейдите на Шаг 7
4
Подключить омметр между массой и отрицательным выводом патрона лампы.
Равно ли сопротивление указанному значению?
0 Ом
Перейдите на Шаг 6
Перейдите на Шаг 5
5
Восстановить цепь массы для ламп.
Ремонт закончен?
-
Система в норме
-
6
Заменить неисправные лампы.
Ремонт закончен?
-
Система в норме
-
7
Проверить предохранители EF20 и EF21.
Перегорел ли один из этих предохранителей?
-
Перейдите на Шаг 8
Перейдите на Шаг 9
8
  1. Проверьте на предмет короткого замыкания и при необходимости устраните его.
  2. Замените предохранитель.
Ремонт закончен?
-
Система в норме
-
9
  1. Включить фары.
  2. Проверить напряжение на выводе C8 разъема ISU для заднего габаритного огня и бокового габаритного фонаря с левой стороны и на выводе C4 разъема ISU для заднего габаритного огня и бокового габаритного фонаря с правой стороны.
Соответствует ли напряжение на разъеме указанному значению?
11~14 В
Перейдите на Шаг 23
Перейдите на Шаг 10
10
  1. Проверить ISU.
  2. Заменить ISU.
Ремонт закончен?
-
Система в норме
-
11
Устранить разрыв цепи между предохранителями EF20 и EF21и задними габаритными огнями и/или боковыми фонарями указателями поворота.
Ремонт закончен?
-
Система в норме
-

Стоп-сигналы не работают

Примечание: Во время проверки патрона лампы вольтметром или контрольной лампой не прикасаться к боковой части патрона (массе) при проверке положительного контакта внизу патрона. Если на патроне лампы присутствует и напряжение, и масса, одновременное прикосновение тестером к обеим приведет к перегоранию предохранителя.

ШагОперацияЗначенияДаНет
1
Проверить предохранитель Ef19.
Перегорел ли предохранитель Ef19?
-
Перейдите на Шаг 2
Перейдите на Шаг 3
2
  1. Проверьте на предмет короткого замыкания и при необходимости устраните его.
  2. Замените предохранитель.
Ремонт закончен?
-
Система в норме
-
3
  1. Нажать педаль тормоза вниз.
  2. Проверить положительные выводы патронов ламп с помощью контрольной лампы.
Светится ли контрольная лампа?
-
Перейдите на Шаг 4
Перейдите на Шаг 6
4
Подключить омметр между массой и выводом массы стоп-сигнала.
Равно ли сопротивление указанному значению?
0 Ом
Перейдите на Шаг 6
Перейдите на Шаг 5
5
Восстановить цепь массы.
Ремонт закончен?
-
Система в норме
-
6
  1. Отсоединить разъем электропроводки от выключателя стоп-сигнала.
  2. Нажать педаль тормоза вниз.
  3. С помощью омметра проверить отсутствие обрывов цепи между выводами 3 и 4.
Равно ли сопротивление указанному значению?
0 Ом
Перейдите на Шаг 8
Перейдите на Шаг 7
7
Заменить выключатель стоп-сигнала.
Ремонт закончен?
-
Система в норме
-
8
  1. Отсоединить электрический разъем выключателя стоп-сигнала.
  2. Проверить напряжение на выводе 3.
Показывает ли вольтметр указанное значение?
11~14 В
Перейдите на Шаг 10
Перейдите на Шаг 9
9
Устранить разрыв цепи между предохранителем EF19 и выключателем стоп-сигнала.
Ремонт закончен?
-
Система в норме
-
10
Устранить разрыв цепи между выключателем стоп-сигнала и стоп-сигналами.
Ремонт закончен?
-
Система в норме
-

Фонари заднего хода не работают

ШагОперацияЗначенияДаНет
1
Проверьте предохранитель F4.
Перегорел ли предохранитель F4?
-
Перейдите на Шаг 2
Перейдите на Шаг 3
2
  1. Проверьте на предмет короткого замыкания и при необходимости устраните его.
  2. Заменить предохранитель F4.
Ремонт закончен?
-
Система в норме
-
3
С помощью вольтметра подтвердить наличие подаваемого батареей напряжения на предохранителе F4.
Показывает ли вольтметр указанное значение?
11~14 В
Перейдите на Шаг 5
Перейдите на Шаг 4
4
Устранить разрыв цепи подачи электропитания на предохранитель F4.
Ремонт закончен?
-
Система в норме
-
5
  1. Снять и осмотреть лампы фонарей заднего хода.
  2. Испытать лампы, подсоединив их к аккумуляторной батарее автомобиля с помощью проволочных перемычек.
Исправны ли лампы?
-
Перейдите на Шаг 6
Перейдите на Шаг 7
6
Заменить неисправные лампы.
Ремонт закончен?
-
Система в норме
-
7
  1. После испытания установить фонари заднего хода на место.
  2. Установите зажигание в положение ON.
  3. Отсоединить разъём выключателя заднего хода.
  4. Проверить напряжение на выводе 1 выключателя заднего хода (или на выводе 7 выключателя положения "Стоянка/Нейтраль", если на автомобиле автоматическая коробка передач).
Показывает ли вольтметр указанное значение?
11~14 В
Перейдите на Шаг 9
Перейдите на Шаг 8
8
Устранить разрыв цепи между предохранителем F4 и выключателем заднего хода.
Ремонт закончен?
-
Система в норме
-
9
  1. Установите зажигание в положение ON.
  2. Задействовать стояночный тормоз.
  3. Заблокировать колеса во избежание движения автомобиля.
  4. Установить коробку передач в режим заднего хода (REVERSE).
  5. С помощью вольтметра проверить напряжение на выводе 2 выключателя заднего хода (или на выводе 8 выключателя положения "Стоянка/Нейтраль", если на автомобиле автоматическая коробка передач).
Показывает ли вольтметр указанное значение?
11~14 В
Перейдите на Шаг 11
Перейдите на Шаг 10
10
Заменить выключатель заднего хода.
Ремонт закончен?
-
Система в норме
-
11
  1. Снять один из фонарей заднего хода.
  2. Установите зажигание в положение ON.
  3. Задействовать стояночный тормоз.
  4. Заблокировать колеса во избежание движения автомобиля.
  5. Установить коробку передач в режим заднего хода (REVERSE).
  6. С помощью вольтметра проверить напряжение на положительном выводе гнезда фонаря заднего хода.
Соответствует ли напряжение на гнезде лампы указанному значению?
11~14 В
Перейдите на Шаг 12
Перейдите на Шаг 13
12
Восстановить цепь массы для фонарей заднего хода.
Ремонт закончен?
-
Система в норме
-
13
Устранить разрыв цепи между фонарями заднего хода и выключателем заднего хода.
Ремонт закончен?
-
Система в норме
-

Указатели поворота и аварийная сигнализация не работают

Примечание: Во время проверки патрона лампы вольтметром или контрольной лампой не прикасаться к боковой части патрона (массе) при проверке положительного контакта внизу патрона. Если на патроне лампы присутствует и напряжение, и масса, одновременное прикосновение тестером к обеим приведет к перегоранию предохранителя.

ШагОперацияЗначенияДаНет
1
Проверить предохранители Ef20 и Ef21.
Перегорел ли какой-либо предохранитель?
-
Перейдите на Шаг 2
Перейдите на Шаг 3
2
Проверьте на предмет короткого замыкания и при необходимости устраните его. Замените предохранитель.
Ремонт закончен?
-
Система в норме
-
3
  1. Установите зажигание в положение ON.
  2. Проверить напряжение на предохранителях Ef20 и Ef21.
Соответствует ли подаваемое батареей напряжение на этих предохранителях указанному значению?
11~14 В
Перейдите на Шаг 4
Перейдите на Шаг 7
4
  1. Перевести выключатель аварийной сигнализации во включенное положение.
  2. Извлечь все неработающие лампы из патронов.
  3. Проверить положительный вывод патронов всех ламп с помощью вольтметра.
Соответствует ли подаваемое батареей пульсирующее напряжение на положительном выводе патрона аварийной лампы указателя поворота указанному значению?
-
Перейдите на Шаг 5
Перейдите на Шаг 9
5
С помощью омметра проверить цепь массы на патроне каждой лампы.
Равно ли сопротивление указанному значению?
0 Ом
Перейдите на Шаг 6
Перейдите на Шаг 8
6
Заменить неисправные лампы указателей поворота/аварийной сигнализации.
Ремонт закончен?
-
Система в норме
-
7
Восстановить цепь подачи электропитания на предохранители.
Ремонт закончен?
-
Система в норме
-
8
Устранить разрыв цепи массы.
Ремонт закончен?
-
Система в норме
-
9
  1. Включить выключатель аварийной сигнализации.
  2. Проверить ISU.
Ремонт закончен?
-
Система в норме
-
10
  1. Отсоединить разъем выключателя аварийной сигнализации.
  2. Проверить напряжение на выводе 8.
  3. Установите зажигание в положение ON.
  4. Проверить напряжение на выводе 8.
Соответствует ли подаваемое батареей напряжение на обоих выводах указанному значению?
11~14 В
Перейдите на Шаг 11
Перейдите на Шаг 13
11
  1. Снять выключатель аварийной сигнализации.
  2. Перевести выключатель аварийной сигнализации в выключенное положение.
  3. Проверить отсутствие обрывов цепи между выводами 7 и 8.
  4. Перевести выключатель аварийной сигнализации во включенное положение.
  5. Проверить отсутствие обрывов цепи между выводами 7 и 8.
Было ли в результате проверки в обоих случаях получено указанное значение?
0 Ом
Система в норме
Перейдите на Шаг 12
12
Заменить неисправный выключатель аварийной сигнализации.
Ремонт закончен?
-
Система в норме
-
13
Устранить разрыв цепи между выключателем аварийной сигнализации и предохранителями EF20 и EF21.
Ремонт закончен?
-
Система в норме
-

Освещение салона при открытии двери и фонарь освещения багажника

Освещение салона при открытии двери не работает

Внимание! Необходимо постоянно следить за наличием электрической нагрузки, такой как лампа освещения, в любой цепи между выводами батареи. Нельзя замыкать накоротко выводы батареи проволочной перемычкой, или в результате возникнет опасное искрение.

Описание проверки

Указанный ниже номер относится к шагу 1 в диагностической таблице.
  1. Проверка лампы. Прикрепить один конец проволочной перемычки к отрицательному выводу батареи. Прикрепить другой конец проволочной перемычки к концу лампы. Взять свободный конец лампы без прикрепленной перемычки и прикоснуться им к положительному выводу батареи.
ШагОперацияЗначенияДаНет
1
  1. Снять лампу освещения салона при открытии двери и осмотреть ее нить.
  2. Если нить не оборвана, проверить лампу с помощью аккумуляторной батареи автомобиля и проволочной перемычки.
Прошла ли лампа визуальную и физическую проверку?
-
Перейдите на Шаг 3
Перейдите на Шаг 2
2
Заменить лампу.
Ремонт закончен?
-
Система в норме
-
3
  1. Установить лампу освещения салона при открытии двери на место.
  2. Проверить предохранитель EF11.
Перегорел ли также и предохранитель F11?
-
Перейдите на Шаг 4
Перейдите на Шаг 5
4
  1. Проверьте на предмет короткого замыкания и при необходимости устраните его.
  2. Замените предохранитель.
Ремонт закончен?
-
Система в норме
-
5
  1. Отсоединить электрический разъем лампы освещения салона при открытии двери.
  2. Проверить напряжение на выводе 3 разъема.
Соответствует ли напряжение на выводе 3 разъема указанному значению?
11~14 В
Перейдите на Шаг 6
Перейдите на Шаг 7
6
Устранить разрыв цепи между предохранителем Ef11 и выводом 3 лампы освещения салона при открытии двери.
Ремонт закончен?
-
Система в норме
-
7
С помощью омметра проверить сопротивление между разъемом 1 освещения салона при открытии двери и массой со стороны жгута проводов.
Равно ли сопротивление указанному значению?
0 Ом
Перейдите на Шаг 8
Перейдите на Шаг 9
8
Заменить выключатель освещения салона при открытии двери в сборе.
Ремонт закончен?
-
Система в норме
-
9
Восстановить цепь массы для лампы освещения салона при открытии двери.
Ремонт закончен?
-
Система в норме
-

Фонарь освещения багажника не работает

Внимание! Необходимо постоянно следить за наличием электрической нагрузки, такой как лампа освещения, в любой цепи между выводами батареи. Нельзя замыкать накоротко выводы батареи проволочной перемычкой, или в результате возникнет опасное искрение.

Указанный ниже номер относится к шагу 1 в диагностической таблице.
  1. Проверка лампы. Прикрепить один конец проволочной перемычки к отрицательному выводу батареи. Прикрепить другой конец проволочной перемычки к концу лампы. Взять свободный конец лампы без прикрепленной перемычки и прикоснуться им к положительному выводу батареи.
  2. Проверка лампы. Прикрепить один конец проволочной перемычки к отрицательному выводу батареи. Прикрепить другой конец проволочной перемычки к концу лампы. Взять свободный конец лампы без прикрепленной перемычки и прикоснуться им к положительному выводу батареи.
ШагОперацияЗначенияДаНет
1
  1. Снять лампу фонаря освещения багажника и осмотреть нить.
  2. Если нить не оборвана, проверить лампу с помощью аккумуляторной батареи автомобиля и проволочной перемычки.
Прошла ли лампа визуальную и физическую проверку?
-
Перейдите на Шаг 3
Перейдите на Шаг 2
2
Заменить лампу.
Ремонт закончен?
-
Система в норме
-
3
  1. Установить фонарь освещения багажника на место.
  2. Проверить предохранитель Ef11.
Перегорел ли предохранитель EF11?
-
Перейдите на Шаг 4
Перейдите на Шаг 5
4
  1. Проверьте на предмет короткого замыкания и при необходимости устраните его.
  2. Замените предохранитель.
Ремонт закончен?
-
Система в норме
-
5
Проверить напряжение на предохранителе Ef11.
Соответствует ли напряжение на предохранителе EF11 указанному значению?
11~14 В
Перейдите на Шаг 7
Перейдите на Шаг 6
6
Устранить разрыв цепи между аккумуляторной батареей и предохранителем EF11.
Ремонт закончен?
-
Система в норме
-
7
  1. Отсоединить электрический разъем фонаря освещения багажника.
  2. Проверить напряжение на ОРЖ проводе.
Соответствует ли напряжение на ОРЖ проводе указанному значению?
11~14 В
Перейдите на Шаг 8
Перейдите на Шаг 9
8
Устранить разрыв цепи между предохранителем Ef11 и фонарем освещения багажника.
Ремонт закончен?
-
Система в норме
-
9
  1. Подсоединить фонарь освещения багажника обратно.
  2. Снять выключатель фонаря освещения багажника.
  3. С помощью вольтметра или контрольной лампы проверить вывод 2 провода цепи выключателя фонаря освещения багажника.
Соответствует ли напряжение на выключателе фонаря освещения багажника указанному значению?
11~14 В
Перейдите на Шаг 11
Перейдите на Шаг 10
10
Устранить разрыв цепи между фонарем освещения багажника и выключателем фонаря освещения багажника.
Ремонт закончен?
-
Система в норме
-
11
С помощью омметра проверить сопротивление между массой и выключателем фонаря освещения багажника.
Равно ли сопротивление указанному значению?
0 Ом
Перейдите на Шаг 12
Перейдите на Шаг 13
12
Заменить выключатель фонаря освещения багажника.
Ремонт закончен?
-
Система в норме
-
13
Восстановить цепь массы для выключателя фонаря освещения багажника.
Ремонт закончен?
-
Система в норме
-

Подсветка ключа зажигания не работает

Рекомендации по диагностике

В автомобиле, оснащенном люком в крыше, освещение салона при открытии двери располагается рядом с зеркалом заднего вида и одновременно служит плафоном индивидуального освещения. В автомобиле, не оснащенном люком в крыше, освещение салона при открытии двери располагается в крыше в центре салона. Рядом с зеркалом заднего вида находятся отдельные плафоны индивидуального освещения.
В освещении салона при открытии двери имеется таймер, который подает массу на подсветку ключа всего несколько секунд после открывания и закрывания двери.

Описание проверки

Указанный ниже номер относится к шагу 5 в диагностической таблице.
  1. Сопротивление лампы подсветки ключа и присоединенного жгута проводов составляет примерно 14,1 Ом.
ШагОперацияЗначенияДаНет
1
  1. Установить выключатель на освещении при открытии двери так, чтобы оно включалось при открывании двери.
  2. Проверить работу освещения при открытии двери.
Работает ли освещение при открытии двери?
-
Перейдите на Шаг 3
Перейдите на Шаг 2
2
Отремонтировать систему освещения салона при открытии двери.
Работает ли подсветка ключа?
-
Система в норме
Перейдите на Шаг 3
3
  1. Снять нижнюю обшивку рулевой колонки, чтобы получить доступ к разъемам переключателя зажигания.
  2. Отсоединить разъем подсветки ключа.
  3. Проверить напряжение на выводе 1 разъема подсветки ключа.
Равно ли напряжение указанному значению?
11~14 В
Перейдите на Шаг 5
Перейдите на Шаг 4
4
Устранить разрыв цепи между предохранителем EF11 и разъемом подсветки ключа зажигания.
Ремонт закончен?
-
Система в норме
-
5
  1. Снять подсветку ключа и присоединенные провода и разъем.
  2. С помощью аккумуляторной батареи и проволочных перемычек напрямую запитать лампу подсветки через присоединенные провода и разъем.
Включается ли подсветка ключа, когда она напрямую подсоединяется к питанию и массе аккумуляторной батареи?
-
Перейдите на Шаг 9
Перейдите на Шаг 6
6
Проверить лампу подсветки ключа.
Исправна ли лампа?
-
Перейдите на Шаг 7
Перейдите на Шаг 8
7
Заменить лампу подсветки ключа.
Ремонт закончен?
-
Система в норме
-
8
Заменить патрон лампы и присоединенные провода и разъем.
Ремонт закончен?
-
Система в норме
-
9
  1. Снять освещение при открытии двери.
  2. Отсоединить электрический разъем освещения при открытии двери.
  3. Подключить омметр между выводом 2 разъема подсветки ключа и выводом B11 разъема ISU.
Показывает ли омметр указанное значение?
~0Ом
Перейдите на Шаг 11
Перейдите на Шаг 10
10
Устранить разрыв цепи между разъемом подсветки ключа и разъемом ISU.
Ремонт закончен?
-
Система в норме
-
11
Заменить освещение при открытии двери.
Ремонт закончен?
-
Система в норме
-

Освещение косметического зеркала не работает

Рекомендации по диагностике

Если освещение косметического зеркала работает с одной стороны зеркала, а с другой не работает, проверить лампу освещения. Если освещение косметического зеркала работает с одной стороны автомобиля, а с другой не работает, следует начать выполнение действий в диагностической таблице с шага 3.

Описание проверки

Указанные ниже цифры обозначают шаги в диагностической таблице.
  1. В автомобиле, оснащенном люком в крыше, освещение салона при открытии двери располагается рядом с зеркалом заднего вида. Оно также служит плафоном индивидуального освещения. В автомобиле, не оснащенном люком в крыше, освещение салона при открытии двери располагается в крыше в центре салона. Рядом с зеркалом заднего вида находятся отдельные плафоны индивидуального освещения. Освещение косметического зеркала имеет такой же предохранитель и массу, что и освещение при открытии двери.
  2. Сопротивление освещения косметического зеркала составляет 4,2 Ом.
  3. Сопротивление освещения косметического зеркала составляет 4,2 Ом.
ШагОперацияЗначенияДаНет
1
Проверить работу освещения при открытии двери.
Работает ли освещение при открытии двери?
-
Перейдите на Шаг 3
Перейдите на Шаг 2
2
Отремонтировать систему освещения салона при открытии двери перед выполнением действий, перечисленных в этой диагностической таблице.
Заработала ли подсветки ключа после ремонта системы освещения при открытии двери?
-
Система в норме
Перейдите на Шаг 3
3
  1. Снять солнцезащитный козырек.
  2. Проверить напряжение на выводе 1 разъема жгута проводов косметического зеркала.
Показывает ли вольтметр указанное значение?
11~14 В
Перейдите на Шаг 5
Перейдите на Шаг 4
4
Устранить разрыв цепи между предохранителем EF11 и выводом 1 разъема косметического зеркала.
Ремонт закончен?
-
Система в норме
-
5
Подключить омметр между массой и выводом 2 разъема косметического зеркала.
Показывает ли омметр указанное значение?
~0Ом
Перейдите на Шаг 7
Перейдите на Шаг 6
6
Устранить разрыв цепи между выводом 2 разъема косметического зеркала и массой.
Ремонт закончен?
-
Система в норме
-
7
Проверить лампы освещения.
Исправны ли лампы освещения?
-
Перейдите на Шаг 9
Перейдите на Шаг 8
8
Заменить неисправные лампы освещения.
Ремонт закончен?
-
Система в норме
-
9
Заменить солнцезащитный козырек.
Ремонт закончен?
-
Система в норме
-

Освещение подножки двери

Освещение подножки двери не работает

Внимание! Необходимо постоянно следить за наличием электрической нагрузки, такой как лампа освещения, в любой цепи между выводами батареи. Нельзя замыкать накоротко выводы батареи проволочной перемычкой, или в результате возникнет опасное искрение.

Описание проверки

Указанный ниже номер относится к шагу 1 в диагностической таблице.
  1. Проверка лампы. Прикрепить один конец проволочной перемычки к отрицательному выводу батареи. Прикрепить другой конец проволочной перемычки к концу лампы. Взять свободный конец лампы без прикрепленной перемычки и прикоснуться им к положительному выводу батареи.
ШагОперацияЗначенияДаНет
1
  1. Снять лампу освещения подножки двери и осмотреть нить.
  2. Если нить не оборвана, проверить лампу с помощью аккумуляторной батареи автомобиля и проволочной перемычки.
Прошла ли лампа визуальную и физическую проверку?
-
Перейдите на Шаг 3
Перейдите на Шаг 2
2
Заменить лампу.
Ремонт закончен?
-
Система в норме
-
3
  1. Установите лампу освещения подножки двери на место.
  2. Проверить предохранитель Ef11.
Перегорел ли предохранитель EF11?
-
Перейдите на Шаг 4
Перейдите на Шаг 5
4
  1. Проверьте на предмет короткого замыкания и при необходимости устраните его.
  2. Замените предохранитель.
Ремонт закончен?
-
Система в норме
-
5
Проверить напряжение на предохранителе Ef11.
Соответствует ли напряжение на предохранителе EF11 указанному значению?
11~14 В
Перейдите на Шаг 7
Перейдите на Шаг 6
6
Устранить разрыв цепи между аккумуляторной батареей и предохранителем EF11.
Ремонт закончен?
-
Система в норме
-
7
  1. Отсоединить электрический разъем освещения подножки двери.
  2. Проверить напряжение на выводе 12 разъема C352 и выводе 13 разъема C361.
Соответствует ли напряжение указанному значению?
11~14 В
Перейдите на Шаг 8
Перейдите на Шаг 9
8
Устранить разрыв цепи между предохранителем EF11 и освещением подножки двери.
Ремонт закончен?
-
Система в норме
-
9
  1. Присоединить освещение подножки двери.
  2. Снять выключатель передней двери.
  3. С помощью вольтметра или контрольной лампы проверить вывод 4 провода цепи выключателя передней двери.
Соответствует ли напряжение на выключателе передней двери указанному значению?
11~14 В
Перейдите на Шаг 11
Перейдите на Шаг 10
10
Устранить разрыв цепи между освещением подножки двери и выключателем передней двери.
Ремонт закончен?
-
Система в норме
-
11
С помощью омметра проверить сопротивление между массой и проводом цепи разъема выключателя передней двери со стороны жгута проводов.
Равно ли сопротивление указанному значению?
0 Ом
Перейдите на Шаг 12
Перейдите на Шаг 13
12
Заменить выключатель передней двери.
Ремонт закончен?
-
Система в норме
-
13
Восстановить цепь массы для выключателя передней двери.
Ремонт закончен?
-
Система в норме
-

Освещение вещевого ящика

Освещение вещевого ящика не работает

Внимание! Необходимо постоянно следить за наличием электрической нагрузки, такой как лампа освещения, в любой цепи между выводами батареи. Нельзя замыкать накоротко выводы батареи проволочной перемычкой, или в результате возникнет опасное искрение.

Описание проверки

Указанный ниже номер относится к шагу 1 в диагностической таблице.
  1. Проверка лампы. Прикрепить один конец проволочной перемычки к отрицательному выводу батареи. Прикрепить другой конец проволочной перемычки к концу лампы. Взять свободный конец лампы без прикрепленной перемычки и прикоснуться им к положительному выводу батареи.
ШагОперацияЗначенияДаНет
1
  1. Снять лампу освещения вещевого ящика и осмотреть нить.
  2. Если нить не оборвана, проверить лампу с помощью аккумуляторной батареи автомобиля и проволочной перемычки.
Прошла ли лампа визуальную и физическую проверку?
-
Перейдите на Шаг 3
Перейдите на Шаг 2
2
Заменить лампу.
Ремонт закончен?
-
Система в норме
-
3
  1. Установить лампу освещения вещевого ящика на место.
  2. Проверить предохранитель F13.
Перегорел ли предохранитель F13?
-
Перейдите на Шаг 4
Перейдите на Шаг 5
4
  1. Проверьте на предмет короткого замыкания и при необходимости устраните его.
  2. Замените предохранитель.
Ремонт закончен?
-
Система в норме
-
5
Проверить напряжение на предохранителе F13.
Соответствует ли напряжение на предохранителе F13 указанному значению?
11~14 В
Перейдите на Шаг 7
Перейдите на Шаг 6
6
Устранить разрыв цепи между аккумуляторной батареей и предохранителем F8.
Ремонт закончен?
-
Система в норме
-
7
  1. Отсоединить электрический разъем освещения вещевого ящика.
  2. Проверить напряжение на выводе 1 освещения вещевого ящика.
Соответствует ли напряжение на выводе 1 освещения вещевого ящика указанному значению?
11~14 В
Перейдите на Шаг 8
Перейдите на Шаг 9
8
Устранить разрыв цепи между предохранителем F13 и освещением вещевого ящика.
Ремонт закончен?
-
Система в норме
-
9
  1. Подсоединить освещение вещевого ящика.
  2. Снять выключатель освещения вещевого ящика.
  3. С помощью вольтметра или контрольной лампы проверить вывод 1 выключателя освещения вещевого ящика на выключателе вещевого ящика.
Соответствует ли напряжение на выводе 1 выключателя освещения вещевого ящика указанному значению?
11~14 В
Перейдите на Шаг 11
Перейдите на Шаг 10
10
Устранить разрыв цепи между освещением вещевого ящика и выключателем освещения вещевого ящика.
Ремонт закончен?
-
Система в норме
-
11
С помощью омметра проверить сопротивление между массой и выводом 2 разъема выключателя освещения вещевого ящика со стороны жгута проводов.
Равно ли сопротивление указанному значению?
0 Ом
Перейдите на Шаг 12
Перейдите на Шаг 13
12
Заменить выключатель освещения вещевого ящика.
Ремонт закончен?
-
Система в норме
-
13
Восстановить цепь массы для выключателя освещения вещевого ящика.
Ремонт закончен?
-
Система в норме
-

Подсветка пепельницы

Примечание: Во время проверки патрона лампы вольтметром или контрольной лампой не допускать одновременного прикосновения щупом к положительному и отрицательному контакту, иначе перегорит предохранитель.

ШагОперацияЗначенияДаНет
1
Проверить предохранитель EF21.
Перегорел ли также и предохранитель EF21?
-
Перейдите на Шаг 2
Перейдите на Шаг 3
2
  1. Проверьте на предмет короткого замыкания на EF21 и при необходимости отремонтируйте.
  2. Замените предохранитель.
Ремонт закончен?
-
Система в норме
-
3
  1. Перевести выключатель освещения во включенное положение.
  2. Извлечь подсветку пепельницы из гнезда.
  3. С помощью вольтметра проверить подаваемое батареей напряжение на гнездо подсветки пепельницы.
Соответствует ли подаваемое батареей напряжение указанному значению?
-
Перейдите на Шаг 5
Перейдите на Шаг 4
4
Устранить разрыв цепи между гнездом подсветки пепельницы и предохранителем EF21.
Ремонт закончен?
-
Система в норме
-
5
  1. Перевести выключатель освещения во включенное положение.
  2. С помощью омметра проверить цепь массы к патрону лампы.
Соответствует ли сопротивление указанному значению?
~0Ом
Перейдите на Шаг 7
Перейдите на Шаг 6
6
Устранить разрыв цепи массы между гнездом подсветки пепельницы и массой.
Ремонт закончен?
-
Система в норме
-
7
Заменить подсветку пепельницы.
Ремонт закончен?
-
Система в норме
-

Прикуриватель

Прикуриватель не работает

ШагОперацияЗначенияДаНет
1
Проверить предохранитель F13.
Перегорел ли предохранитель?
-
Перейдите на Шаг 2
Перейдите на Шаг 3
2
  1. Проверьте на предмет короткого замыкания и при необходимости устраните его.
  2. Замените предохранитель.
Ремонт закончен?
-
Система в норме
-
3
  1. Перевести ключ зажигания в положение ACC.
  2. С помощью вольтметра проверить напряжение на предохранителе F13.
Соответствует ли подаваемое батареей напряжение на предохранителе F13 указанному значению?
11~14 В
Перейдите на Шаг 5
Перейдите на Шаг 4
4
Устранить разрыв цепи подачи электропитания на предохранитель F13.
Ремонт закончен?
-
Система в норме
-
5
  1. Снять электрический разъем с обратной стороны прикуривателя.
  2. Перевести ключ зажигания в положение ACC.
  3. С помощью вольтметра проверить напряжение на выводе 2 прикуривателя.
Соответствует ли подаваемое батареей напряжение на выводе 2 прикуривателя указанному значению?
11~14 В
Перейдите на Шаг 7
Перейдите на Шаг 6
6
Устранить разрыв цепи между предохранителем F13 и прикуривателем.
Ремонт закончен?
-
Система в норме
-
7
Поместив ключ зажигания в положение ACC, с помощью омметра проверить отсутствие обрывов цепи между выводом 1 разъема прикуривателя и массой.
Соответствует ли подаваемое батареей напряжение указанному значению?
11~14 В
Перейдите на Шаг 9
Перейдите на Шаг 8
8
Устранить разрыв цепи массы.
Ремонт закончен?
-
Система в норме
-
9
Заменить прикуриватель.
Ремонт закончен?
-
Система в норме
-


На предыдущую страницуНа следующую страницу
Главная страница сайта