Руководство по техническому обслуживанию2006 Evanda АУДИОСИСТЕМЫК началу документа
Evanda
На предыдущую страницуНа следующую страницу
Главная страница GMDEЗагрузить нединамическое оглавлениеЗагрузить динамическое оглавлениеПомощь

РАЗДЕЛ 9F

АУДИОСИСТЕМЫ

Внимание! Отсоедините провод от отрицательного вывода аккумулятора, прежде чем снимать или устанавливать какие-либо электрические устройства, а также в ситуации, когда есть возможность касания оголенных электрических контактов каким-либо инструментом или приспособлением. Отсоединение этого провода позволяет избежать травм и повреждения оборудования автомобиля. Кроме того, если не указано иное, зажигание должно находиться в положении LOCK.

ТЕХНИЧЕСКИЕ ХАРАКТЕРИСТИКИ

Моменты затяжки резьбовых соединений

ПРОГРАММА
Н•м
фунт-фут
фунт-дюйм
Винты динамика передней двери
2
-
18
Винты задних динамиков
2
-
18
Винты оконной антенны
2
-
18

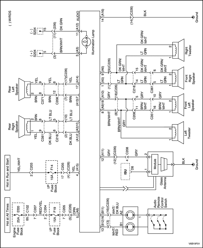
ПРИНЦИПИАЛЬНЫЕ И МОНТАЖНЫЕ СХЕМЫ

Цепь аудиосистемы


V6B19F01
Показать иллюстрациюПеревод текста в иллюстрациях


ДИАГНОСТИКА

Стереомагнитола с приемником AM/FM

Стереомагнитола с приемником AM/FM не работает

ШагОперацияЗначенияДаНет
1
Проверить предохранители EF20, F19 и F14.
Перегорели ли предохранители EF20, F19 и F14?
-
Перейдите на Шаг 2
Перейдите на Шаг 3
2
  1. Проверьте на предмет короткого замыкания и при необходимости устраните его.
  2. Заменить перегоревшие предохранители.
Ремонт закончен?
-
Система в норме
-
3
  1. С помощью вольтметра проверить подаваемое батареей напряжение на предохранителях F20 и F19.
  2. Перевести выключатель зажигания в положение ON и проверить подаваемое батареей напряжение на предохранителе F14.
Равно ли напряжение указанному значению на предохранителях EF20, F19 и F14?
11~14 В
Перейдите на Шаг 5
Перейдите на Шаг 4
4
Восстановить цепь подачи электропитания на предохранители.
Ремонт закончен?
-
Система в норме
-
5
  1. Снять магнитолу.
  2. Установите зажигание в положение ON.
  3. С помощью вольтметра проверить подаваемое батареей напряжение на выводы 4 и 5 разъема аудиосистемы.
Равно ли подаваемое батареей напряжение указанному значению на обоих выводах?
11~14 В
Перейдите на Шаг 7
Перейдите на Шаг 6
6
Устранить разрыв цепи между разъемом аудиосистемы и предохранителем.
Ремонт закончен?
-
Система в норме
-
7
С помощью омметра проверить сопротивление между массой и выводом 14 разъема аудиосистемы.
Равно ли сопротивление указанному значению?
∞ 0 Ом
Перейдите на Шаг 9
Перейдите на Шаг 8
8
Устранить разрыв цепи между разъемом аудиосистемы и массой.
Ремонт закончен?
-
Система в норме
-
9
Заменить аудиосистему.
Ремонт закончен?
-
Система в норме
-

Магнитофон не работает, приемник AM/FM исправен

ШагОперацияЗначенияДаНет
1
Проверить жалобу клиента.
Портит ли магнитофон кассеты?
-
Перейдите на Шаг 5
Перейдите на Шаг 2
2
Используя высококачественную кассету, проверить, работает ли магнитофон плохо или не работает вообще.
Работает ли магнитофон плохо?
-
Перейдите на Шаг 5
Перейдите на Шаг 3
3
Проверить магнитофон на наличие препятствий за дверцей кассеты.
Найдено ли препятствие?
-
Перейдите на Шаг 4
Перейдите на Шаг 8
4
Проверить, можно ли удалить препятствие, не прилагая большого усилия.
Удалено ли препятствие?
-
Перейдите на Шаг 5
Перейдите на Шаг 6
5
Очистить головку, тонвал и протяжный механизм магнитофона.
Правильно ли воспроизводится кассета?
-
Перейдите на Шаг 7
Перейдите на Шаг 6
6
Заменить аудиосистему.
Ремонт закончен?
-
Система в норме
-
7
Проверить нормальную работу магнитофона.
Ремонт закончен?
-
Система в норме
-
8
Сообщить владельцу о неисправной или изношенной кассете.
Ремонт закончен?
-
Система в норме
-

Радиоприемник в диапазоне FM не работает, в диапазоне AM работает, магнитофон работает исправно

ШагОперацияЗначенияДаНет
1
Проверить нормальную работу аудиосистемы.
Радиоприемник в диапазоне FM не работает, а остальная система работает нормально?
-
Перейдите на Шаг 2
Система в норме
2
Заменить радиоприемник.
Ремонт закончен?
-
Система в норме
-

Радиоприемник в диапазоне AM не работает, в диапазоне FM работает, магнитофон работает исправно

ШагОперацияЗначенияДаНет
1
  1. Отсоединить антенный кабель от антенны.
  2. Подсоединить проверочную антенну к антенному кабелю.
  3. Проверить радиоприем в диапазоне AM.
Нормально ли работает радиоприемник в диапазоне AM?
-
Перейдите на Шаг 2
Перейдите на Шаг 3
2
Заменить антенну.
Ремонт закончен?
-
Система в норме
-
3
  1. Снять аудиосистему с панели приборов.
  2. Отсоединить антенный кабель от аудиосистемы.
  3. Подключить проверочную антенну к аудиосистеме.
  4. Проверить радиоприем в диапазоне AM.
Нормально ли работает радиоприемник в диапазоне AM?
-
Перейдите на Шаг 4
Перейдите на Шаг 5
4
Заменить антенный кабель между аудиосистемой и антенной.
Ремонт закончен?
-
Система в норме
-
5
Заменить аудиосистему.
Ремонт закончен?
-
Система в норме
-

Динамики

Передние динамики не работают или искажают звук, остальная аудиосистема исправна

ШагОперацияЗначенияДаНет
1
  1. Перевести выключатель зажигания в положение ON и включить радиоприемник.
  2. Обнаружить искажающие звук или неработающие передние динамики с помощью регуляторов уровня сигнала и баланса при подаче звука из всех источников (радио в диапазонах AM, FM, магнитофон, проигрыватель компакт-дисков).
Искажают ли звук передние динамики?
-
Перейдите на Шаг 2
Перейдите на Шаг 4
2
Проверить динамик и дверь на наличие повреждений, дребезжания и вибрации.
Вызвано ли искажение тем, что что-либо ослабло или оказалось рядом с динамиком?
-
Перейдите на Шаг 3
Перейдите на Шаг 4
3
Выполнить необходимый ремонт и закрепить компонент, вызвавший вибрацию.
Ремонт закончен?
-
Система в норме
-
4
  1. Снять передние динамики и отсоединить разъем динамиков.
  2. С помощью омметра проверить провода динамиков на короткое замыкание на массу.
Показывает ли омметр указанное значение?
-
Перейдите на Шаг 6
Перейдите на Шаг 5
5
Устранить короткое замыкание между разъемом передних динамиков и разъемом магнитолы.
Ремонт закончен?
-
Система в норме
-
6
Заменить динамик, вызывающий искажение, заведомо исправным динамиком.
Устранено ли искажение?
-
Перейдите на Шаг 7
Перейдите на Шаг 8
7
Заменить динамик.
Ремонт закончен?
-
Система в норме
-
8
Заменить аудиосистему.
Ремонт закончен?
-
Система в норме
-

Задние динамики искажают звук или не работают, остальная аудиосистема работает исправно

ШагОперацияЗначенияДаНет
1
  1. Перевести выключатель зажигания в положение ON и включить радиоприемник.
  2. Обнаружить искажающие звук или неработающие задние динамики с помощью регуляторов уровня сигнала и баланса при подаче звука из всех источников (радио в диапазонах AM, FM, магнитофон, проигрыватель компакт-дисков).
Искажают ли звук задние динамики?
-
Перейдите на Шаг 2
Перейдите на Шаг 4
2
Проверить динамики, заднюю полку и багажник на наличие повреждений, дребезжания и вибрации.
Вызвано ли искажение тем, что что-либо ослабло или оказалось рядом с динамиком?
-
Перейдите на Шаг 3
Перейдите на Шаг 4
3
Выполнить необходимый ремонт и закрепить компонент, вызвавший вибрацию.
Ремонт закончен?
-
Система в норме
-
4
  1. Отсоединить задние динамики.
  2. С помощью омметра проверить провода динамиков на короткое замыкание на массу.
Показывает ли омметр указанное значение?
-
Перейдите на Шаг 6
Перейдите на Шаг 5
5
Устранить короткое замыкание между разъемом задних динамиков и разъемом магнитолы.
Ремонт закончен?
-
Система в норме
-
6
Заменить динамик, вызывающий искажение, заведомо исправным динамиком.
Устранено ли искажение?
-
Перейдите на Шаг 7
Перейдите на Шаг 8
7
Заменить динамик.
Ремонт закончен?
-
Система в норме
-
8
Заменить аудиосистему.
Ремонт закончен?
-
Система в норме
-

ТЕХНИЧЕСКОЕ ОБСЛУЖИВАНИЕ И РЕМОНТ

РАБОТЫ НА АВТОМОБИЛЕ



V3B39F01
Показать иллюстрациюПеревод текста в иллюстрациях


Стереомагнитола с приемником AM/FM

Процедура снятия

  1. Отсоедините провод от отрицательного вывода аккумуляторной батареи.
  2. Отсоедините провод от отрицательного вывода аккумуляторной батареи.
  3. Снять винты и аудиосистему.
  4. Отсоединить электрические разъемы аудиосистемы.


V3B39F01
Показать иллюстрациюПеревод текста в иллюстрациях


Процедура установки

  1. Подсоединить электрические разъемы аудиосистемы.
  2. Примечание: Непосредственный контакт разнородных металлов может привести к быстрой коррозии. Во избежание преждевременной коррозии используйте надлежащий крепеж.

  3. Установить аудиосистему с помощью винтов.
  4. Установить аудиосистему с помощью винтов.
  5. Затянуть
    Затянуть винты аудиосистемы с усилием 4 Н•м (35 фунт-дюймов).

  6. Установить отделку аудиосистемы.
  7. Установить отделку аудиосистемы.
  8. Присоедините провод к отрицательному выводу аккумуляторной батареи.
  9. Присоедините провод к отрицательному выводу аккумуляторной батареи.


V6B19F02
Показать иллюстрациюПеревод текста в иллюстрациях


Пульт дистанционного управления аудиосистемой

Процедура снятия

  1. Снять модуль подушки безопасности водителя. См. Раздел 8B, Система дополнительных средств пассивной безопасности.
  2. Снять пульт дистанционного управления аудиосистемой.


V6B19F02
Показать иллюстрациюПеревод текста в иллюстрациях


Процедура установки

  1. Установить пульт дистанционного управления аудиосистемой.
  2. Установить пульт дистанционного управления аудиосистемой.
  3. Установить модуль подушки безопасности водителя. См. Раздел 8B, Система дополнительных средств пассивной безопасности.


V3B39F03
Показать иллюстрациюПеревод текста в иллюстрациях


Проигрыватель с автоматической сменой компакт-дисков

Процедура снятия

  1. Отсоедините провод от отрицательного вывода аккумуляторной батареи.
  2. Отсоединить электрический разъем проигрывателя с автоматической сменой компакт-дисков.
  3. Снять болты и проигрыватель с автоматической сменой компакт-дисков.


V3B39F03
Показать иллюстрациюПеревод текста в иллюстрациях


Процедура установки

  1. Установить проигрыватель с автоматической сменой компакт-дисков с помощью болтов.
  2. Подсоединить электрический разъем проигрывателя с автоматической сменой компакт-дисков.
  3. Присоедините провод к отрицательному выводу аккумуляторной батареи.


V3B39F04
Показать иллюстрациюПеревод текста в иллюстрациях


Дверные динамики

Процедура снятия

  1. Отсоедините провод от отрицательного вывода аккумуляторной батареи.
  2. Снять панель обивки двери. См. Раздел 9G, Облицовка салона.
  3. Отсоединить электрический разъем.
  4. Снять винты и дверной динамик.


V3B39F04
Показать иллюстрациюПеревод текста в иллюстрациях


Процедура установки

    Примечание: Непосредственный контакт разнородных металлов может привести к быстрой коррозии. Во избежание преждевременной коррозии используйте надлежащий крепеж.

  1. Установить дверной динамик с помощью винтов.
  2. Затянуть
    Затянуть винты дверного динамика с усилием 1,8 Н•м (16 фунт-дюймов).

  3. Подсоединить электрический разъем.
  4. Подсоединить электрический разъем.
  5. Установить панель обивки двери. См. Раздел 9G, Облицовка салона.
  6. Присоедините провод к отрицательному выводу аккумуляторной батареи.
  7. Присоедините провод к отрицательному выводу аккумуляторной батареи.


V3B39F05
Показать иллюстрациюПеревод текста в иллюстрациях


Высокочастотные динамики

Процедура снятия

  1. Отсоедините провод от отрицательного вывода аккумуляторной батареи.
  2. Снять высокочастотный динамик, приподняв высокочастотный динамик из панели приборов.
  3. Отсоединить электрический разъем.


V3B39F05
Показать иллюстрациюПеревод текста в иллюстрациях


Процедура установки

  1. Подсоединить электрический разъем.
  2. Установить высокочастотный динамик в панель приборов.
  3. Присоедините провод к отрицательному выводу аккумуляторной батареи.


V3B39F06
Показать иллюстрациюПеревод текста в иллюстрациях


Модуль оконной антенны

Процедура снятия

  1. Отсоедините провод от отрицательного вывода аккумуляторной батареи.
  2. Снять панель обивки задней стойки. См. Раздел 9G, Облицовка салона.
  3. Отсоединить электрический разъем.
  4. Снять винты и модуль оконной антенны.


V3B39F06
Показать иллюстрациюПеревод текста в иллюстрациях


Процедура установки

  1. Установить модуль оконной антенны с помощью винтов.
  2. Подсоединить электрические разъемы.
  3. Установить панель обивки задней стойки. См. Раздел 9G, Облицовка салона.
  4. Присоедините провод к отрицательному выводу аккумуляторной батареи.

ОБЩЕЕ ОПИСАНИЕ И РАБОТА СИСТЕМЫ

Стереомагнитола с приемником AM/FM

Предлагаются три аудиосистемы. Стереомагнитола на цифровых логических схемах с радиоприемником AM/FM с электронным выбросом кассеты предлагается в стандартной модели и в модели «люкс». В обеих моделях реализована система радиоданных (RDS), которая автоматически выбирает лучшую станцию из списка радиостанций, прослушиваемых в настоящий момент. Также предлагается монтируемый в багажнике проигрыватель с автоматической сменой компакт-дисков.

Система безопасности аудиосистемы

Система безопасности аудиосистемы активизируется при отсоединении цепи аудиосистемы от аккумуляторной батареи. Для восстановления работоспособности аудиосистемы необходимо ввести четырехзначный защитный код. Защитный код выбит на табличке, прикрепленной на автомобиль (обычно в вещевом ящике). Для деактивизации системы безопасности аудиосистемы необходимо выполнить перечисленные ниже действия по вводу защитного кода.
  1. После того, как система безопасности аудиосистемы будет подключена к аккумуляторной батарее, на дисплее начнет мигать надпись «CODE».
  2. Ввести соответствующий защитный цифровой код с помощью кнопок предустановки от 1 до 8.
  3. Например, если используется защитный цифровой код «1234»:
  4. а. Нажать кнопку предустановки № 1. Надпись «CODE» исчезнет и на экране появится обозначение «1 - - - ».
    б. Нажать кнопку предустановки № 2, на экране появится обозначение «12 - - ».
    в. Нажать кнопку предустановки № 3, на экране появится обозначение «123 - ».
    г. Нажать кнопку предустановки № 4, на экране появится обозначение «1234» и мигнет три раза.
  5. Аудиосистема начнет работать и включится радиоприемник.
  6. Аудиосистема начнет работать и включится радиоприемник.
Если будет введен неправильный защитный код, перед надписью «CODE» появится надпись «Err» и прозвучат несколько звуковых сигналов. В этом случае следует повторить процедуру ввода защитного кода, начиная с действия 2.

Динамики

Во всех аудиосистемах используются шесть динамиков: Два динамика крепятся в передних дверях, два динамика крепятся в пластине порога задней торцевой двери и два высокочастотных динамика крепятся на верхней стороне панели приборов.

Уход за магнитофоном и кассетами

Очищать следует две части магнитофона: головку и тонвал. Эту операцию следует производить каждые 100 часов работы магнитофона.
Для чистки головки и тонвала следует использовать ватные валики, смоченные в спирте для протирки.
Для очистки головки и тонвала также можно использовать чистящую кассету. При чистке магнитофона необходимо следовать инструкциям, прилагаемым к набору для чистки.
Не прикасаться к головке намагниченными инструментами. Намагничивание головки вызовет снижение качества воспроизведения кассет. Кассеты обслуживанию не подлежат. Ответственность за гарантию на кассеты несет производитель кассет. Кассеты следует хранить вдали от прямых солнечных лучей и источников тепла.

Обращение с компакт-дисками

Обращаться с компакт-дисками следует осторожно. Хранить диски необходимо в защитных чехлах вдали от прямых солнечных лучей, пыли и источников тепла. При загрязнении поверхности диска следует смочить чистую мягкую ткань в растворе мягкого нейтрального чистящего средства и вытереть диск начисто.


На предыдущую страницуНа следующую страницу
Главная страница сайта