Руководство по техническому обслуживанию2006 Evanda Иммобилизирующая противоугонная системаК началу документа
Evanda
На предыдущую страницуНа следующую страницу
Главная страница GMDEЗагрузить нединамическое оглавлениеЗагрузить динамическое оглавлениеПомощь

РАЗДЕЛ 9T2

Иммобилизирующая противоугонная система

Внимание! Отсоедините провод от отрицательного вывода аккумулятора, прежде чем снимать или устанавливать какие-либо электрические устройства, а также в ситуации, когда есть возможность касания оголенных электрических контактов каким-либо инструментом или приспособлением. Отсоединение этого провода позволяет избежать травм и повреждения оборудования автомобиля. Кроме того, если не указано иное, зажигание должно находиться в положении LOCK.

ТЕХНИЧЕСКИЕ ХАРАКТЕРИСТИКИ

Моменты затяжки резьбовых соединений

ПРОГРАММА
Н•м
фунт-фут
фунт-дюйм
Гайка рулевой колонки
22
16
-
Болт рулевой колонки
22
16
-

ПРИНЦИПИАЛЬНЫЕ И МОНТАЖНЫЕ СХЕМЫ

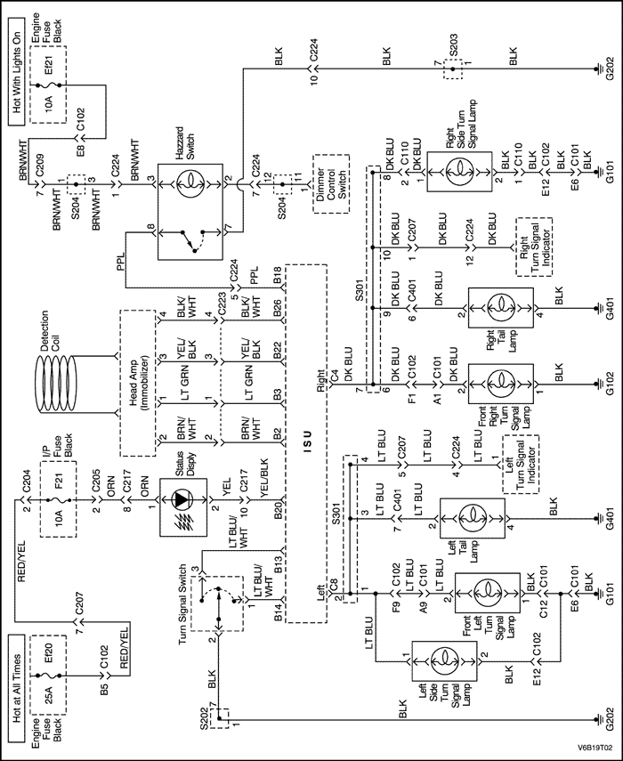
Иммобилизирующая противоугонная система


V6B19T02
Показать иллюстрациюПеревод текста в иллюстрациях


ДИАГНОСТИКА

Диагностический код неисправности (DTC) 33

Неправильное значение антенны иммобилизирующей системы

Описание схемы

Если зажигание включено, то антенна, встроенная в контроллер противоугонной системы (иммобилизатор), подключена к источнику питания. В это время контроллер электронной системы управления двигателем (ECM) высылает сигнал в блок интеллектуальной коммутации (ISU) с запросом о частотном коде. Транспондерный ключ имеет защитный код (транспондерный код), который с помощью антенны передает данные в контроллер противоугонной системы. Контроллер противоугонной системы высылает код в ISU. ISU сравнивает полученный код с записанным транспондерным кодом. Если транспондерный код распознан, то ISU блокирует сигнал скорости на входе в контроллер ECM, позволяя на передачу частотного кода в контроллер ECM. Контроллер ECM сравнивает полученный частотный код с запрограммированным частотным кодом. Если сигнал распознан и соответствует запрограммированному сигналу, то двигатель получает разрешение на включение.

Условия действия DTC

Напряжение аккумулятора автомобиля должно быть между 9.0-16.0 вольтов.

Условия установки DTC

Внутренняя неисправность в контроллере противоугонной системы.

Совершенные действия при установке DTC

Условия стирания DTC

DTC 33 - Неправильное значение антенны иммобилизирующей системы

Важно: Перед проверкой необходимо получить от владельца все ключи от автомобиля. Если необходимо заменить компонент, ключи, незапрограммированные во время процедуры программирования, не будут функционировать после завершения процедуры программирования. Перед началом программирования проверить, закрыты ли двери, капот и багажник/задний люк. Если система находится в режиме программирования, то ISU сотрет все ранее запрограммированные передатчики после получения от первого передатчика сигнала программирования. Не эксплуатировать и не программировать передатчики, если близко находятся другие автомобили, которые тоже находятся в режиме программирования системы управления замками. Это предохраняет программирование передатчиков несоответствующих автомобилей.

ШагОперацияЗначенияДаНет
1

Важно: Выполнить процедуру программирования для контроллера противоугонной системы.

Заменить контроллер противоугонной системы.
Завершена ли замена?
-
Перейдите на Шаг 3
-
2

Важно: Выполнить процедуру программирования для ISU.

Заменить ISU.
Завершена ли замена?
-
Перейдите на Шаг 3
-
3
  1. Использовать диагностический прибор для стирания кодов DTC.
  2. Эксплуатировать автомобиль в соответствии с условиями действия DTC, как это установлено во вспомогательном тексте.
Стерт ли код DTC?
-
Перейдите на Шаг 2
Система в норме

Диагностический код неисправности (DTC) 34

Отсутствие иммобилизирующей системы. Ошибка антенны/канала

Описание схемы

Если зажигание включено, то антенна, встроенная в контроллер противоугонной системы (иммобилизатор), подключена к источнику питания. В это время контроллер электронной системы управления двигателем (ECM) высылает сигнал в блок интеллектуальной коммутации (ISU) с запросом о частотном коде. Транспондерный ключ имеет защитный код (транспондерный код), который с помощью антенны передает данные в контроллер противоугонной системы. Контроллер противоугонной системы высылает код в ISU. ISU сравнивает полученный код с записанным транспондерным кодом. Если транспондерный код распознан, то ISU блокирует сигнал скорости на входе в контроллер ECM, позволяя на передачу частотного кода в контроллер ECM. Контроллер ECM сравнивает полученный частотный код с запрограммированным частотным кодом. Если сигнал распознан и соответствует запрограммированному сигналу, то двигатель получает разрешение на включение.

Условия действия DTC

Напряжение аккумулятора автомобиля должно быть между 9.0-16.0 вольтов.

Условия установки DTC

Совершенные действия при установке DTC

Условия стирания DTC

DTC 34 - Отсутствие антенны иммобилизирующей системы / ошибка канала

Важно: Перед проверкой необходимо получить от владельца все ключи от автомобиля. Если необходимо заменить компонент, ключи, незапрограммированные во время процедуры программирования, не будут функционировать после завершения процедуры программирования. Перед началом программирования проверить, закрыты ли двери, капот и багажник/задний люк. Если система находится в режиме программирования, то ISU сотрет все ранее запрограммированные передатчики после получения от первого передатчика сигнала программирования. Не эксплуатировать и не программировать передатчики, если близко находятся другие автомобили, которые тоже находятся в режиме программирования системы управления замками. Это предохраняет программирование передатчиков несоответствующих автомобилей.

ШагОперацияЗначенияДаНет
1
  1. Отсоединить ISU и контроллер противоугонной системы.
  2. Проверить сигнальную цепь 5 В (LT GRN), нет ли разрыва в контроллере противоугонной системы.
Найдена ли и устранена ли причина?
-
Перейдите на Шаг 9
Перейдите на Шаг 2
2
Проверить сигнальную цепь заземления (BLK/WHT), нет ли разрыва в контроллере противоугонной системы.
Найдена ли и устранена ли причина?
-
Перейдите на Шаг 9
Перейдите на Шаг 3
3
  1. Присоединить ISU.
  2. Включить зажигание при выключенном двигателе.
  3. Проверить сигнальную цепь коммуникации (YEL/BLK), нет ли замыкания на напряжение в контроллере противоугонной системы.
Было ли напряжение?
-
Перейдите на Шаг 4
Перейдите на Шаг 5
4
  1. Выключить зажигание.
  2. Отсоединить ISU.
  3. Включить зажигание при выключенном двигателе.
Проверить сигнальную цепь коммуникации (YEL/BLK), нет ли замыкания на напряжение в ISU.
-
Перейдите на Шаг 9
Перейдите на Шаг 8
5
Проверить качество соединения на разъеме жгутов проводов блока интеллектуальной коммутации (ISU).
Найдена ли и устранена ли причина?
-
Перейдите на Шаг 9
Перейдите на Шаг 6
6
Проверить качество соединения на разъеме жгутов проводов контроллера противоугонной системы.
Найдена ли и устранена ли причина?
-
Перейдите на Шаг 9
Перейдите на Шаг 7
7

Важно: Выполнить процедуру программирования для контроллера противоугонной системы.

Завершена ли замена?
-
Перейдите на Шаг 9
-
8

Важно: Выполнить процедуру программирования для ISU. Заменить ISU.

Завершена ли замена?
-
Перейдите на Шаг 9
-
9
  1. Использовать диагностический прибор для стирания кодов DTC. Заменить ISU.
  2. Эксплуатировать автомобиль в соответствии с условиями действия DTC, как это установлено во вспомогательном тексте.
Стерт ли код DTC?
-
Перейти на Шаг 1
Система в норме

Диагностический код неисправности (DTC) 35

Иммобилизирующая система канала. Ошибка антенны

Описание схемы

Если зажигание включено, то антенна, встроенная в контроллер противоугонной системы (иммобилизатор), подключена к источнику питания. В это время контроллер электронной системы управления двигателем (ECM) высылает сигнал в блок интеллектуальной коммутации (ISU) с запросом о частотном коде. Транспондерный ключ имеет защитный код (транспондерный код), который с помощью антенны передает данные в контроллер противоугонной системы. Контроллер противоугонной системы высылает код в ISU. ISU сравнивает полученный код с записанным транспондерным кодом. Если транспондерный код распознан, то ISU блокирует сигнал скорости на входе в контроллер ECM, позволяя на передачу частотного кода в контроллер ECM. Контроллер ECM сравнивает полученный частотный код с запрограммированным частотным кодом. Если сигнал распознан и соответствует запрограммированному сигналу, то двигатель получает разрешение на включение.

Условия действия DTC

Напряжение аккумулятора автомобиля должно быть между 9.0-16.0 вольтов.

Условия установки DTC

Совершенные действия при установке DTC

Условия стирания DTC

DTC 35 - Ошибка канала антенны иммобилизирующей системы

Важно: Перед проверкой необходимо получить от владельца все ключи от автомобиля. Если необходимо заменить компонент, ключи, незапрограммированные во время процедуры программирования, не будут функционировать после завершения процедуры программирования. Перед началом программирования проверить, закрыты ли двери, капот и багажник/задний люк. Если система находится в режиме программирования, то ISU сотрет все ранее запрограммированные передатчики после получения от первого передатчика сигнала программирования. Не эксплуатировать и не программировать передатчики, если близко находятся другие автомобили, которые тоже находятся в режиме программирования системы управления замками. Это предохраняет программирование передатчиков несоответствующих автомобилей.

ШагОперацияЗначенияДаНет
1
  1. Отсоединить контроллер противоугонной системы.
  2. Включить зажигание при выключенном двигателе.
  3. Проверить, нет ли замыкания на напряжение в контроллере противоугонной системы в следующих цепях:
  • Сигнальная цепь коммуникации (BRN/WHT)
  • Сигнальная цепь заземления (BLK/WHT)
Было ли напряжение?
-
Перейдите на Шаг 2
Перейдите на Шаг 3
2
  1. Выключить зажигание.
  2. Отсоединить ISU.
  3. Включить зажигание при выключенном двигателе.
  4. Проверить, нет ли замыкания на напряжение в контроллере противоугонной системы в следующих цепях:
  • Сигнальная цепь коммуникации (BRN/WHT)
  • Сигнальная цепь заземления (BLK/WHT)
Найдена ли и устранена ли причина?
-
Перейдите на Шаг 8
Перейдите на Шаг 7
3
Проверить, нет ли замыкания на массу в сигнальной цепи 5 В (LT GRN) в контроллере противоугонной системы.
Найдена ли и устранена ли причина?
-
Перейдите на Шаг 8
Перейдите на Шаг 4
4
Проверить качество соединения на разъеме жгутов проводов блока интеллектуальной коммутации (ISU).
Найдена ли и устранена ли причина?
-
Перейдите на Шаг 8
Перейдите на Шаг 5
5
Проверить качество соединения на разъеме жгутов проводов контроллера противоугонной системы.
Найдена ли и устранена ли причина?
-
Перейдите на Шаг 8
Перейдите на Шаг 6
6

Важно: Выполнить процедуру программирования для контроллера противоугонной системы.

Заменить контроллер противоугонной системы.
Завершена ли замена?
-
Перейдите на Шаг 8
-
7

Важно: Выполнить процедуру программирования для ISU.

Заменить ISU.
Завершена ли замена?
-
Перейдите на Шаг 8
-
8
  1. Использовать диагностический прибор для стирания кодов DTC. Заменить ISU.
  2. Эксплуатировать автомобиль в соответствии с условиями действия DTC, как это установлено во вспомогательном тексте.
Стерт ли код DTC?
-
Перейти на Шаг 1
Система в норме

Диагностический код неисправности (DTC) 36

Иммобилизирующая система Короткое замыкание антенны на B+

Описание схемы

Если зажигание включено, то антенна, встроенная в контроллер противоугонной системы (иммобилизатор), подключена к источнику питания. В это время контроллер электронной системы управления двигателем (ECM) высылает сигнал в блок интеллектуальной коммутации (ISU) с запросом о частотном коде. Транспондерный ключ имеет защитный код (транспондерный код), который с помощью антенны передает данные в контроллер противоугонной системы. Контроллер противоугонной системы высылает код в ISU. ISU сравнивает полученный код с записанным транспондерным кодом. Если транспондерный код распознан, то ISU блокирует сигнал скорости на входе в контроллер ECM, позволяя на передачу частотного кода в контроллер ECM. Контроллер ECM сравнивает полученный частотный код с запрограммированным частотным кодом. Если сигнал распознан и соответствует запрограммированному сигналу, то двигатель получает разрешение на включение.

Условия действия DTC

Напряжение аккумулятора автомобиля должно быть между 9.0-16.0 вольтов.

Условия установки DTC

Замыкание на 12 В в цепи противоугонной системы BN/WH.

Совершенные действия при установке DTC

Условия стирания DTC

DTC 36 - Короткое замыкание антенны иммобилизирующей системы на B+

Важно: Перед проверкой необходимо получить от владельца все ключи от автомобиля. Если необходимо заменить компонент, ключи, незапрограммированные во время процедуры программирования, не будут функционировать после завершения процедуры программирования. Перед началом программирования проверить, закрыты ли двери, капот и багажник/задний люк. Если система находится в режиме программирования, то ISU сотрет все ранее запрограммированные передатчики после получения от первого передатчика сигнала программирования. Не эксплуатировать и не программировать передатчики, если близко находятся другие автомобили, которые тоже находятся в режиме программирования системы управления замками. Это предохраняет программирование передатчиков несоответствующих автомобилей.

ШагОперацияЗначенияДаНет
1
  1. Отсоединить контроллер противоугонной системы.
  2. Включить зажигание при выключенном двигателе.
  3. Проверить, нет ли замыкания на 12 В в сигнальной цепи коммуникации (BRN/WHT) в контроллере противоугонной системы.
Было ли напряжение?
-
Перейдите на Шаг 4
Перейдите на Шаг 3
2
  1. Выключить зажигание.
  2. Отсоединить ISU.
  3. Включить зажигание при выключенном двигателе.
  4. Проверить, нет ли замыкания на 12 В в сигнальной цепи коммуникации (BRN/WHT) в контроллере противоугонной системы.
Найдена ли и устранена ли причина?
-
Перейдите на Шаг 4
Перейдите на Шаг 3
3

Важно: Выполнить процедуру программирования для ISU.

Заменить ISU.
Завершена ли замена?
-
Перейдите на Шаг 4
-
4
  1. Использовать диагностический прибор для стирания кодов DTC.
  2. Эксплуатировать автомобиль в соответствии с условиями действия DTC, как это установлено во вспомогательном тексте.
Стерт ли код DTC?
-
Перейти на Шаг 1
Система в норме

Диагностический код неисправности (DTC) 37

Иммобилизирующая система Короткое замыкание антенны на массу/обрыв цепи

Описание схемы

Если зажигание включено, то антенна, встроенная в контроллер противоугонной системы (иммобилизатор), подключена к источнику питания. В это время контроллер электронной системы управления двигателем (ECM) высылает сигнал в блок интеллектуальной коммутации (ISU) с запросом о частотном коде. Транспондерный ключ имеет защитный код (транспондерный код), который с помощью антенны передает данные в контроллер противоугонной системы. Контроллер противоугонной системы высылает код в ISU. ISU сравнивает полученный код с записанным транспондерным кодом. Если транспондерный код распознан, то ISU блокирует сигнал скорости на входе в контроллер ECM, позволяя на передачу частотного кода в контроллер ECM. Контроллер ECM сравнивает полученный частотный код с запрограммированным частотным кодом. Если сигнал распознан и соответствует запрограммированному сигналу, то двигатель получает разрешение на включение.

Условия действия DTC

Напряжение аккумулятора автомобиля должно быть между 9.0-16.0 вольтов.

Условия установки DTC

Совершенные действия при установке DTC

Условия стирания DTC

DTC 37 - Короткое замыкание антенны иммобилизирующей системы на массу / разрыв цепи

Важно: Перед проверкой необходимо получить от владельца все ключи от автомобиля. Если необходимо заменить компонент, ключи, незапрограммированные во время процедуры программирования, не будут функционировать после завершения процедуры программирования. Перед началом программирования проверить, закрыты ли двери, капот и багажник/задний люк. Если система находится в режиме программирования, то ISU сотрет все ранее запрограммированные передатчики после получения от первого передатчика сигнала программирования. Не эксплуатировать и не программировать передатчики, если близко находятся другие автомобили, которые тоже находятся в режиме программирования системы управления замками. Это предохраняет программирование передатчиков несоответствующих автомобилей.

ШагОперацияЗначенияДаНет
1
  1. Отсоединить контроллер противоугонной системы.
  2. Проверить, нет ли замыкания на массу в сигнальной цепи коммуникации (BRN/WHT) в контроллере противоугонной системы.
Было ли напряжение?
-
Перейдите на Шаг 2
Перейдите на Шаг 3
2
  1. Отсоединить ISU.
  2. Проверить, нет ли замыкания на массу в сигнальной цепи коммуникации (BRN/WHT) в контроллере противоугонной системы.
Найдена ли и устранена ли причина?
-
Перейдите на Шаг 6
Перейдите на Шаг 5
3
  1. Отсоединить ISU.
  2. Проверить, нет ли разрыва в обеих сигнальных цепях коммуникации (BRN/WHT и YEL/BLK) в контроллере противоугонной системы.
Найдена ли и устранена ли причина?
-
Перейдите на Шаг 6
Перейдите на Шаг 4
4
Проверить качество соединения на разъеме жгутов проводов блока интеллектуальной коммутации (ISU).
Найдена ли и устранена ли причина?
-
Перейдите на Шаг 8
Перейдите на Шаг 7
5
Проверить качество соединения на разъеме жгутов проводов контроллера противоугонной системы.
Найдена ли и устранена ли причина?
-
Перейдите на Шаг 8
Перейдите на Шаг 6
6

Важно: Выполнить процедуру программирования для контроллера противоугонной системы.

Заменить контроллер противоугонной системы.
Завершена ли замена?
-
Перейдите на Шаг 8
-
7

Важно: Выполнить процедуру программирования для ISU.

Заменить ISU.
Завершена ли замена?
-
Перейдите на Шаг 8
-
8
  1. Использовать диагностический прибор для стирания кодов DTC.
  2. Эксплуатировать автомобиль в соответствии с условиями действия DTC, как это установлено во вспомогательном тексте.
Стерт ли код DTC?
-
Перейти на Шаг 1
Система в норме

Не работает иммобилизирующая противоугонная система

ШагОперацияЗначенияДаНет
1
Проведена ли проверка иммобилизирующей противоугонной системы?
-
Перейдите на Шаг 2
-
2
Заменить модуль иммобилизатора.
Завершена ли замена?
-
Перейдите на Шаг 4
-
3
Заменить ISU.
Завершена ли замена?
-
Перейдите на Шаг 4
-
4
Эксплуатировать систему, чтобы проверить, устранена ли неисправность.
Устранена ли причина?
-
Система в норме
-

ТЕХНИЧЕСКОЕ ОБСЛУЖИВАНИЕ И РЕМОНТ

РАБОТЫ НА АВТОМОБИЛЕ

Процедура кодировки ключей.

Внимание! При заучивании транспондерного ключа, одновременно не берутся ключи.

Внимание! После включения зажигания линия К отключается максимум на 3 секунды.

Внимание! Если транспондер заучен, RKE также заучивается автоматически.

Внимание! Код доступа ключа-оригинала нельзя забывать и разглашать.

(Диагностический прибор Scan 100)

  1. Соединить диагностический прибор Scan 100 с коннектором канала передачи данных (DLC).
  2. Поставить прибор Scan 100 в положение "ON", нажав кнопку "Power", затем подождать появления экрана главного меню (MAIN MENU).
  3. В экране "Главное меню" (MAIN MENU) выбрать "Диагностика" путем нажатия #1 на клавишной панели.
  4. В экране "Год выпуска модели" (MODEL YEAR) выбрать соответствующий год для определенного автомобиля либо путем прокрутки до нужного года и нажатия "ENTER" либо путем нажатия соответствующей цифры на клавишной панели.
  5. В экране "Тип автомобиля" (VEHICLE TYPE) выбрать соответствующую модель автомобиля либо путем прокрутки до нужного года и нажатия "ENTER" либо путем нажатия соответствующей цифры на клавишной панели
  6. В экране "Меню выбора системы" (SYSTEM SELECTION MENU) выбрать "Кузов" (Body) путем нажатия #2 на клавишной панели.
  7. В экране "Меню выбора кузова" (BODY SELECTION MENU) выбрать "Кодировка" (Coding) путем нажатия #3 на клавишной панели.
  8. В экране "Система кодировки" (CODING SYSTEM) выбрать "Только кодировка" (Coding only) путем нажатия #1 на клавишной панели.
  9. В экране "Секретные коды" (SECRET NUMBER OF CODINGS) ввести четыре (4) нуля (0-0-0-0) в (4) ячейки, помеченные "1-2-3-4".
  10. В экране "Выбор системы кодировки" (CODING SYSTEM SELECT) Выбрать "Иммобилизирующая система" (IMMOBILIZER) путем нажатия #1 на клавишной панели.
  11. Примечание: Перед тем, как появится следующий экран, может возникнуть небольшая задержка и появится сообщение "Подождите" (PLEASE WAIT).

  12. В экране "Выбор функции" (FUNCTION SELECTION) выбрать "Кодировка ключа" (KEY CODING) путем нажатия #1 на клавишной панели.
  13. В экране "Кодировка ключа иммобилизирующей системы" (IMMOBILIZER KEY CODING) ввести шесть (6) цифр кода доступа в шесть (6) ячеек, помеченных "00-00-00".
  14. Продолжать программирование кодировки ключа иммобилизирующей системы по инструкциям прибора Scan 100 до тех пор, пока не будут запрограммированы все кодировки ключа иммобилизирующей системы.
  15. Примечание: В ECU иммобилизирующей системы может храниться максимум 4 кода ключа.

    Примечание: Если транспондер заучен, RKE также заучивается автоматически.

  16. Как только все транспондеры будут запрограммированы, нажать кнопку "Выход" (ESC) на клавишной панели. Дисплей подтвердит количество запрограммированных транспондеров.
  17. Поставить прибор Scan 100 в положение "OFF", нажав кнопку "Power", затем отключить его от коннектора канала передачи данных.

(TECH 2)

  1. 6-значный защитный код находится на бирке, которая поставляется вместе с ключами при доставке. Если не удается найти бирку, то дилер может получить 6-значный защитный код.
  2. Включить зажигание при выключенном двигателе.
  3. Установить диагностический прибор.
  4. Выбрать ФУНКЦИЮ ПРОГРАММИРОВАНИЯ ИММОБИЛИЗАТОРА в меню КУЗОВ.
  5. Выполняя инструкции диагностического прибора, запрограммировать все ключи.
  6. Чтобы ввести 6-значный защитный код, необходимо выполнить следующее:
  7. - Стрелка вверх, чтобы ввести цифры
    - Стрелка вниз, чтобы ввести буквы
    - Стрелки влево/вправо, чтобы перейти на следующую позицию
  8. Продолжать программирование всех ключей согласно инструкциям, появляющимся на экране.
  9. 3 раза включить и включить зажигание, как показано на диагностическом приборе.
  10. Повернуть ключ зажигания в положение LOCK.
  11. Отсоединить диагностический прибор.
  12. Проверить работу всех ключей.
  13. Если какой-либо ключ не работает правильно, выполнить эту процедуру еще раз со всеми ключами.
  14. Если с помощью того же неработающего ключа не удается завести автомобиль после повторного проведения процедуры программирования иммобилизатора, то необходимо заменить этот ключ.
  15. Если после повторного проведения процедуры программирования иммобилизатора 2 или больше ключей не функционируют, то см. Не работает иммобилизирующая противоугонная система.
  16. Если автомобиль оснащен RKE, провести процедуру синхронизации передатчика. См. Программирование передатчика дистанционного управления замками.

Замена ISU

Если блок управления ISU в первичном режиме не обнаруживает ни одного перехода зажигания во включенное положение с первичным ключом-оригиналом, то он ожидает начала заучивания ключа запроса диагностики, которое позволяет получить код доступа, соответствующий автомобилю и зарегистрированный на заводе.

Случай A

    Если первый ключ, обнаруженный при переходе зажигания во включенное положение, заблокирован и как следует запрограммирован (аутентификация путем шифрования), то ISU запоминает серийный номер этого ключа (используется как идентификатор) и подтверждает правильность этого ключа (увеличивая количество заученных ключей). Затем дополнительно еще 3 ключа могут быть заучены путем успешных переходов зажигания во включенное положение, независимо от состояния ключа (заблокированный или первичный).
    Режим заучивания заканчивается:
    - подтверждением правильности путем окончания заучивания ключа запроса диагностики. Ключи окончательно сохраняются, устанавливается флаг успешного заучивания ключей, и ISU переключается в номинальный режим работы (режим опознавания). Теперь все готово для передачи VIN-кода в блок управления EMS при следующем переходе зажигания во включенное положение.
    - стиранием путем отмены заучивания ключа запроса диагностики, или в результате истечения времени задержки или отключения электропитания. После этого ISU возвращается к предыдущей конфигурации (первичный режим).

Случай B

Если первый ключ, обнаруженный при переходе зажигания во включенное положение, заблокирован, но как следует не запрограммирован (аутентификация путем шифрования), то этот ключ отвергается, но режим заучивания продолжается.
Можно представить другой ключ (в случае ошибки ключа), или перезапустить процедуру заучивания, введя другой код доступа (в случае ошибки кода).
Режим заучивания заканчивается таким же образом, как и в предыдущем случае.

Случай C

    Если первый ключ, обнаруженный при переходе зажигания во включенное положение, первичный (не заблокирован), то необходимо учесть значение параметра CALAVCOL:
    Этот параметра позволяет одновременно заменять ISU и комплект ключей.
    - Если CALAVCOL = 1, то ISU заучивает этот ключ (путем его программирования, аутентификации и, наконец, блокирования), но из режима заучивания не выходит, дополнительные ключи не принимает и переключается в номинальный режим работы (режим опознавания). Правильность секретного ключа KTR еще не подтверждена, и его можно изменить путем запуска нового заучивания ключа запроса диагностики, введя другой код доступа (первичного ключа-оригинала).
    Этот позволяет удостовериться в том, что иммобилизирующая система как следует синхронизирована (с блоком управления EMS) путем испытания прокручивания двигателя. Правильность KTR подтверждается автоматически после 10 переходов зажигания во включенное положение или путем подтверждения с помощью запроса диагностики. Информация о состоянии подтверждения правильности KTR сохраняется, чтобы можно было противодействовать отключению электропитания. Другие ключи могут быть заучены путем выполнения процедуры назначения новых ключей.
    - Если CALAVCOL = 0, то ключ отвергается, и процедура заучивания отменяется, как только зажигание переключается в выключенное положение (возврат к предыдущей конфигурации ISU: первичный режим).
    После этого необходимо запускать процедуру снова.

Замена ключа

    Это процедура, которая используется в послепродажный период для замены ключей или для заучивания дополнительных ключей.
    Если блок управления ISU в режиме опознавания получает сигнал начала заучивания ключа запроса диагностики, который позволяет получить код доступа, соответствующий автомобилю и зарегистрированный на заводе.
    - Если ключ, обнаруженный при переходе зажигания во включенное положение, заблокирован, то ISU пытается выполнить его аутентификацию.
    Если он как следует запрограммирован (аутентификация путем шифрования), то ISU запоминает серийный номер этого ключа (используется как идентификатор) и подтверждает правильность этого ключа (увеличивая количество заученных ключей).
    Если нет, то ключ отвергается: заучивание этого ключа заканчивается неудачей.
    ISU ожидает нового перехода зажигания во включенное положение.
    - Если ключ, обнаруженный при переходе зажигания во включенное положение, первичный (не заблокирован), то ISU заучивает этот ключ (путем его программирования, аутентификации и, наконец, блокирования).
    Режим заучивания заканчивается:
    - подтверждением правильности путем окончания заучивания ключа запроса диагностики. Ключи окончательно сохраняются, и устанавливается флаг успешного заучивания ключей, и ISU переключается в номинальный режим работы (режим опознавания); Теперь все готово для передачи VIN-кода в блок управления EMS при следующем переходе зажигания во включенное положение.
    - стиранием путем отмены заучивания ключа запроса диагностики, или в результате истечения времени задержки или отключения электропитания.

Внешняя обратная связь

    В рамках данных диагностики содержится некоторая информация, которая обновляется во время заучивания ключей и позволяет оператору придерживаться процедуры и проводить диагностику в случае сбоев процедуры:
    - Транспондер ключа заблокирован.
    - Тип ключа - оригинал.
    - Тип ключа - RF (высокочастотный).
    - Состояние заучивания ISU (режим опознавания / первичный режим).
    - Количество заученных ключей.
    - Успешное заучивание первого ключа (только заводской).
    - Успешные заучивания ключей
    - Состояние каждого высокочастотного (RF) ключа (заучен / синхронизирован).


V6B19E08
Показать иллюстрациюПеревод текста в иллюстрациях


Предварительный усилитель НЧ (демодулятор иммобилизирующей системы)

Процедура снятия

  1. Отсоедините провод от отрицательного вывода аккумуляторной батареи.
  2. Снять коленный буфер. См. Раздел 9G, Облицовка салона.
  3. Снять щиток панели приборов. См. Раздел 9E, Приборы/система информирования водителя.


  4. V3B39B17
    Показать иллюстрациюПеревод текста в иллюстрациях


  5. Снять верхнюю и нижнюю крышку рулевой колонки.
  6. Снять гайки и болты, крепящие рулевую колонку.
  7. Отсоединить электрический разъем рулевой колонки.
  8. Опустить рулевую колонку.


  9. V3B39B29
    Показать иллюстрациюПеревод текста в иллюстрациях


  10. Снять винт и предварительный усилитель НЧ (демодулятор иммобилизирующей системы).


V3B39B29
Показать иллюстрациюПеревод текста в иллюстрациях


Процедура установки

  1. Установить предварительный усилитель НЧ (демодулятор иммобилизирующей системы) с помощью винта.


  2. V3B39B17
    Показать иллюстрациюПеревод текста в иллюстрациях


  3. Поднять рулевую колонку.
  4. Подсоединить электрический разъем рулевой колонки.
  5. Установить гаки и болты, крепящие рулевую колонку.
  6. Затянуть
    Затянуть гайки рулевой колонки с усилием 22 Н•м (16 фунт-футов).
    Затянуть болты рулевой колонки с усилием 22 Н•м (16 фунт-футов).

  7. Установить верхнюю и нижнюю крышку рулевой колонки.


  8. V6B19E08
    Показать иллюстрациюПеревод текста в иллюстрациях


  9. Установить щиток панели приборов. См. Раздел 9E, Приборы/система информирования водителя.
  10. Установить коленный буфер. См. Раздел 9G, Облицовка салона.
  11. Присоедините провод к отрицательному выводу аккумуляторной батареи.

ОБЩЕЕ ОПИСАНИЕ И РАБОТА СИСТЕМЫ

Иммобилизирующая система

Цель иммобилизирующей системы - обеспечить дополнительную защиту от угона автомобиля, в котором она установлена, и защитить его от несанкционированного использования. Проверка информации о пользователе осуществляется с помощью ключа зажигания со встроенным в его носик крипто-транспондером. Описываемая система представляет собой иммобилизирующую систему для механического транспортного средства с использованием транспондера в качестве основы.
Прикладную систему составляют следующие изделия:
- До 4 ключей зажигания со встроенным в носик ключа транспондером.
- Антенна (тороидальная катушка) для усиления, и чтобы сообщаться с транспондером и объединенным с ним приводом электронного модулятора/демодулятора.
- Блок управления ISU (блок интеллектуальной коммутации), который управляет работой иммобилизирующей системы.
- Блок управления ECM (модуль управления двигателем).
- Наружный дисплей состояния для отображения информации о состоянии иммобилизирующей системы.
- Канал последовательной передачи данных между ISU и блоком управления ЕСМ.
- Канал передачи данных и линия питания между блоком управления ISU и антенной, плюс стандартные компоненты, соответствующие Протоколу 2000 стандартных дескрипторов диагностики:
- Диагностический испытательный прибор.
- Канал последовательной передачи данных (линия K) между испытательным прибором и ECM (электронным блоком управления) автомобиля.
В этом документе описываются только технические условия блока управления ISU и блока управления ECM, связанные с иммобилизирующей системой.

Ключ со встроенным транспондером

Этот ключ включает в себя следующие части:
- Механическая часть (металлический ключ).
- Транспондерный компонент.
- Верхняя и нижняя оболочки.
Что касается ключа с высокочастотным дистанционным управлением (ключ FR/TR), то на таком ключе также имеется печатная плата электронного передатчика, набор кнопок и батарейка.
Используемый транспондер - это крипто-транспондер TIRIS DST.

Антенна (тороидальная катушка)

Антенна - это тороидальная катушка, позволяющая создавать электромагнитное поле, необходимое для работы транспондера.
Антенна устанавливается на замке зажигания. Она соединена с приводом антенны (электронная печатная плата, встроенная в корпус катушки).
Привод соединен с блоком управления ISU четырехполюсным разъемом.
Антенна используется для работы транспондера на основе принципа последовательной функции:
- Фаза электропитания (зарядки) транспондера, во время котjрой антенна генерирует электромагнитное поле с частотой 134,2 кГц; это поле индуцирует энергию в транспондере посредством этого резонансного контура.
- Фаза записи: предназначена для передачи команд, обращений и данных на транспондер; принцип основывается на широтно-импульсной модуляции электромагнитного поля, упомянутого ранее.
- Фаза считывания: антенна используется как приемник, который демодулирует ответный сигнал транспондера, который модулируется с помощью частотной манипуляции.

ISU (блок интеллектуальной коммутации)

Задачи

ISU это блок управления кузовным оборудованием, который выполняет некоторые функции, такие как управление исполнительными устройствами, управление доступом к автомобилю или функция сигнализации.
Функция иммобилизирующей системы делится между блоками управления ISU и ЕСМ.
У ISU следующие задачи иммобилизирующей системы:
- Обмен информацией с транспондером ключа после перехода зажигания во включенное положение (идентификация и аутентификация ключа, заучивание ключей).
- Обмен информацией с блоком управления ЕСМ после перехода зажигания во включенное положение (получение запроса ЕСМ и передача разрешающего сообщения).
- Управление дисплеем информации о состоянии иммобилизирующей системы.
- Обмен информацией с диагностическим испытательным прибором (заучивание ключей, диагностика).

Функция иммобилизирующей системы

У функции иммобилизирующей системы в блоке управления ISU есть три главных режима:
- Активный режим иммобилизирующей системы, выбирается, когда ключ зажигания в выключенном положении. В этом режиме дисплей информации о состоянии переводится в режим A или B (см. главу "Дисплей информации о состоянии"), в зависимости от состояния функции сигнализации (поставлена на сигнализацию или снята с сигнализации), (прокручивание двигателя невозможно).
- Номинальный режим, выбирается, когда ключ зажигания во включенном положении, и подтверждаются условия номинального режима. Это текущий режим использования. В этом режиме учитываются 2 состояния функции:
- Режим заучивания, выбирается, когда ключ зажигания во включенном положении и подтверждаются условия режима заучивания.

Канал последовательной передачи данных

Последовательно передаваемые данные могут передаваться между диагностическим прибором, электронным блоком управления (ЕСМ) и блоком интеллектуальной коммутации (ISU). Соединением диагностического прибора служит коннектор канала передачи данных (DLC).

Электронный блок управления (ECM)

Когда электронный блок управления (ECM) обнаруживает, что зажигание находится во включенном положении, ECM ожидает разрешающее сообщение от блока интеллектуальной коммутации. Если разрешающее сообщение не получается в пределах определенного времени, то ECM отключает двигатель. Двигатель также отключается в том случае, если код идентификации (ID), переданный блоком интеллектуальной коммутации, не совпадает с кодом, сохраненным в памяти ECM. Блокировка подвижности (иммобилизация) остается в силе до тех пор, пока не будет выключено зажигание или снято питание от аккумуляторной батареи.
Во избежание движения автомобиля ECM применяет следующую стратегию:
Последовательная передача данных происходит по одиночному проводу между блоком интеллектуальной коммутации и ECM.
Во время диагностических процедур или изменения VIN-кода в систему передачи данных добавляется диагностический прибор.
ECM с блоком интеллектуальной коммутации не может взаимно заменяться с ECM без блока управления иммобилизирующей системы.


На предыдущую страницуНа следующую страницу
Главная страница сайта