Руководство по техническому обслуживанию2006 Evanda СИСТЕМА АВТОМАТИЧЕСКОГО ПОДДЕРЖАНИЯ СКОРОСТИК началу документа
Evanda
На предыдущую страницуНа следующую страницу
Главная страница GMDEЗагрузить нединамическое оглавлениеЗагрузить динамическое оглавлениеПомощь

РАЗДЕЛ 9U

СИСТЕМА АВТОМАТИЧЕСКОГО ПОДДЕРЖАНИЯ СКОРОСТИ

Внимание! Отсоедините провод от отрицательного вывода аккумулятора, прежде чем снимать или устанавливать какие-либо электрические устройства, а также в ситуации, когда есть возможность касания оголенных электрических контактов каким-либо инструментом или приспособлением. Отсоединение этого провода позволяет избежать травм и повреждения оборудования автомобиля. Кроме того, если не указано иное, зажигание должно находиться в положении LOCK.

ТЕХНИЧЕСКИЕ ХАРАКТЕРИСТИКИ

Моменты затяжки резьбовых соединений

ПРОГРАММА
Н•м
фунт-фут
фунт-дюйм
Крепежные болты привода устройства автоматического поддержания скорости
6
-
53
Винт ручки открытия капота
2.5
-
22

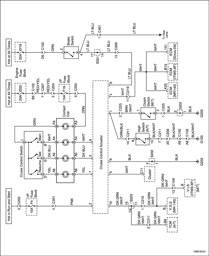
ПРИНЦИПИАЛЬНАЯ И МОНТАЖНАЯ СХЕМА

Система автоматического поддержания скорости


V6B19U01
Показать иллюстрациюПеревод текста в иллюстрациях


ДИАГНОСТИКА


V4B19U02
Показать иллюстрациюПеревод текста в иллюстрациях


Диагностика устройства автоматического поддержания скорости

Описание проверки

Указанные ниже цифры обозначают шаг(и) в диагностической таблице.
  1. Электромагнитная муфта в приводе устройства автоматического поддержания скорости соединяется с массой через лампы тормоза.

Устройство автоматического поддержания скорости не работает

ШагОперацияЗначенияДаНет
1
Визуально проверить систему автоматического поддержания скорости и подтвердить наличие следующих условий:
  • Электрический разъем правильно присоединен к приводу устройства автоматического поддержания скорости.
  • Крепление привода и кронштейна не ослаблено.
  • Трос не загнут и не перекручен.
  • Регулятор троса правильно прикреплен к кронштейну.
  • Трос и втулка правильно прикреплены к узлу акселератора.
  • Трос правильно отрегулирован.
Подтверждается ли наличие всех вышеперечисленных условий?
-
Перейдите на Шаг 3
Перейдите на Шаг 2
2
Отремонтировать компоненты системы автоматического поддержания скорости, которые были неисправными в шаге 1.
Ремонт закончен?
-
Система в норме
-
3
  1. Соединить диагностический прибор с коннектором канала передачи данных (DLC).
  2. Проверить наличие кодов неисправности диагностики управления двигателем.
Присутствуют ли диагностические коды неисправностей 720, 721 или 722 датчика скорости автомобиля (VSS)?
-
Перейдите на Шаг 5
Перейдите на Шаг 4
4
Выполнить диагностику кода неисправности VSS или кодов неисправностей автоматической коробки передач.
По-прежнему ли не работает устройство автоматического поддержания скорости после ремонта VSS?
-
Перейдите на Шаг 5
Система в норме
5
Заметить состояние ламп тормоза при включении тормозов.
Загораются ли лампы тормоза при включении тормозов, и гаснут ли при выключении тормозов?
-
Перейдите на Шаг 7
Перейдите на Шаг 6
6
Отремонтировать систему ламп тормоза.
Заработало ли устройство автоматического поддержания скорости после ремонта системы ламп тормоза?
-
Система в норме
Перейдите на Шаг 7
7
Проверить предохранители F4 и F19.
Перегорел ли один из этих предохранителей?
-
Перейдите на Шаг 8
Перейдите на Шаг 9
8
  1. Проверьте на предмет короткого замыкания и при необходимости устраните его.
  2. Заменить сгоревший(ие) предохранитель(и).
Ремонт закончен?
-
Система в норме
-
9
  1. Установите зажигание в положение ON.
  2. Проверить напряжение на предохранителях F4 и F19.
Равно ли напряжение указанному значению?
11~14 В
Перейдите на Шаг 11
Перейдите на Шаг 10
10
Восстановить цепь электропитания предохранителя (ей).
Ремонт закончен?
-
Система в норме
-
11
  1. Отсоединить электрический разъем от привода устройства автоматического поддержания скорости.
  2. Установите зажигание в положение ON.
  3. Проверить напряжение на выводе 3 разъема привода устройства автоматического поддержания скорости.
Равно ли напряжение указанному значению?
11~14 В
Перейдите на Шаг 13
Перейдите на Шаг 12
12
Устранить разрыв цепи между предохранителем F4 и выводом 3 разъема привода устройства автоматического поддержания скорости.
Ремонт закончен?
-
Система в норме
-
13
При снятом с привода устройства автоматического поддержания скорости электрическом разъеме, с помощью омметра измерить сопротивление между выводом 6 разъема привода устройства автоматического поддержания скорости и массой.
Равно ли сопротивление указанному значению?
≈ 0 Ом
Перейдите на Шаг 15
Перейдите на Шаг 14
14
Устранить разрыв цепи между массой и выводом 6 разъема привода устройства автоматического поддержания скорости.
Ремонт закончен?
-
Система в норме
-
15
При снятом с привода устройства автоматического поддержания скорости электрическом разъеме, с помощью омметра измерить сопротивление между выводом 8 разъема и выводом 4 тормозного выключателя.
Равно ли сопротивление указанному значению?
≈ 0 Ом
Перейдите на Шаг 17
Перейдите на Шаг 16
16
Устранить разрыв цепи между выводом 8 разъема привода устройства автоматического поддержания скорости и выводом 4 тормозного выключателя.
Ремонт закончен?
-
Система в норме
-
17
  1. Установите зажигание в положение ON.
  2. При снятом с привода устройства автоматического поддержания скорости электрическом разъеме, с помощью вольтметра проверить напряжение на выводе 8 разъема привода устройства автоматического поддержания скорости, когда включены тормоза.
Равно ли напряжение указанному значению?
11~14 В
Перейти на Шаг 19
Перейти на Шаг 18
18
Устранить разрыв цепи между предохранителем Ef19 и выводом 8 разъема привода устройства автоматического поддержания скорости.
Ремонт закончен?
-
Система в норме
-
19
  1. Установите зажигание в положение ON.
  2. Перевести выключатель устройства автоматического поддержания скорости в выключенное положение.
  3. При снятом с привода устройства автоматического поддержания скорости электрическом разъеме, с помощью вольтметра проверить напряжение на выводе 9 разъема.
Равно ли напряжение указанному значению?
≈ 0 Ом
Перейдите на Шаг 21
Перейти на Шаг 20
20
Устранить замыкание на напряжение между главным выключателем устройства автоматического поддержания скорости и выводом 9 разъема привода устройства автоматического поддержания скорости.
Ремонт закончен?
-
Система в норме
-
21
  1. Установите зажигание в положение ON.
  2. Перевести выключатель устройства автоматического поддержания скорости во включенное положение.
  3. При снятом с привода устройства автоматического поддержания скорости электрическом разъеме, с помощью вольтметра проверить напряжение на выводе 9 разъема.
Равно ли напряжение указанному значению?
11~14 В
Перейдите на Шаг 23
Перейдите на Шаг 22
22
Устранить разрыв цепи между предохранителем Ef20 и выводом 9 привода устройства автоматического поддержания скорости.
Ремонт закончен?
-
Система в норме
-
23
  1. Установите зажигание в положение ON.
  2. Перевести выключатель устройства автоматического поддержания скорости во включенное положение.
  3. При снятом с привода устройства автоматического поддержания скорости электрическом разъеме, проверить напряжение на выводах 7 и 2 разъема.
Равно ли напряжение указанному значению?
≈ 0 Ом
Перейдите на Шаг 26
Перейдите на Шаг 24
24
Заменить выключатель устройства автоматического поддержания скорости.
Ремонт закончен?
-
Система в норме
-
25
Устранить замыкание на напряжение между выключателем устройства автоматического поддержания скорости и разъемом привода устройства автоматического поддержания скорости.
Ремонт закончен?
-
Система в норме
-
26
  1. Установите зажигание в положение ON.
  2. Перевести выключатель устройства автоматического поддержания скорости во включенное положение.
  3. Перевести выключатель устройства автоматического поддержания скорости в положение установки SET.
  4. Удерживая выключатель в положении SET, проверить напряжение на выводе 2 разъема привода устройства автоматического поддержания скорости.
Равно ли напряжение указанному значению?
11~14 В
Перейдите на Шаг 27
Перейти на Шаг 31
27
  1. Установите зажигание в положение ON.
  2. Перевести выключатель устройства автоматического поддержания скорости во включенное положение.
  3. Перевести выключатель устройства автоматического поддержания скорости в положение возобновления RESUME.
  4. Удерживая выключатель в положении RESUME, проверить напряжение на выводе 7 разъема привода устройства автоматического поддержания скорости.
Равно ли напряжение указанному значению?
11~14 В
Перейдите на Шаг 28
Перейти на Шаг 31
28
  1. Выключите зажигание.
  2. Отсоединить VSS.
  3. С помощью омметра проверить отсутствие обрывов цепи между ТЕМ ЗЕЛ/БЕЛ проводом VSS и выводом 10 разъема привода устройства автоматического поддержания скорости.
Равна ли электропроводность указанному значению?
≈ 0 Ом
Перейти на Шаг 30
Перейдите на Шаг 29
29
Устранить разрыв цепи между VSS и выводом 10 разъема привода устройства автоматического поддержания скорости.
Ремонт закончен?
-
Система в норме
-
30
Заменить разъем привода устройства автоматического поддержания скорости.
Ремонт закончен?
-
Система в норме
-
31
Заменить выключатель устройства автоматического поддержания скорости.
Ремонт закончен?
-
Система в норме
-

ТЕХНИЧЕСКОЕ ОБСЛУЖИВАНИЕ И РЕМОНТ

РАБОТЫ НА АВТОМОБИЛЕ



V3B39G21
Показать иллюстрациюПеревод текста в иллюстрациях


Привод устройства автоматического поддержания скорости

Процедура снятия

  1. Снять накопитель монет и винты.
  2. Отделить трос привода замка капота от ручки привода замка капота.


  3. V3B39U03
    Показать иллюстрациюПеревод текста в иллюстрациях


  4. Осторожно снять нижнюю крышку панели приборов путем вытягивания ее до тех пор, пока фиксаторы не освободятся из пазов в панели приборов.
  5. Снять коленный буфер. См. Раздел 9G, Облицовка салона.
  6. Отсоединить электрический разъем от привода устройства автоматического поддержания скорости.
  7. Снять крепежные болты привода устройства автоматического поддержания скорости.


  8. V3B39U04
    Показать иллюстрациюПеревод текста в иллюстрациях


  9. Нажать отпускающую кнопку на регуляторе троса и подтолкнуть трос в направлении регулятора, пока не сожмется пружина.
  10. Примечание: Когда кнопка регулятора нажата, не следует позволять пружине регулятора растягиваться в длину более чем на 2 см (3/4 дюйма), иначе кронштейн регулятора выйдет из регулятора, и его придется вставлять обратно. Чтобы во время регулировки регулятор оставался одним целым, при нажатии кнопки регулятора следует удерживать трос.



    V3B39U05
    Показать иллюстрациюПеревод текста в иллюстрациях


  11. Отогнуть оболочку троса и вставить отвертку с плоским лезвием в один из пазов в приводе.
  12. Отогнуть оболочку троса в направлении отвертки. Должны отойти фиксаторы оболочки троса.


  13. V3B39U06
    Показать иллюстрациюПеревод текста в иллюстрациях


  14. Вытянуть направляющую втулку и трос из привода и повернуть трос на 90 градусов относительно оси направляющей втулки.


  15. V3B39U07
    Показать иллюстрациюПеревод текста в иллюстрациях


  16. Снять привод с троса.


V3B39U08
Показать иллюстрациюПеревод текста в иллюстрациях


Процедура установки

  1. Вставить шарик троса во втулку троса привода.


  2. V3B39U09
    Показать иллюстрациюПеревод текста в иллюстрациях


  3. Втолкнуть оболочку троса и втулку в привод до тех пор, пока фиксаторы не заблокируют оболочку троса на месте.
  4. Установить крепежные болты привода устройства автоматического поддержания скорости.
  5. Затянуть
    Затянуть крепежные болты привода устройства автоматического поддержания скорости с усилием 6 Н•м (53 фунт-дюйм).

  6. Нажать кнопку регулятора троса и отрегулировать трос так, чтобы ниппель шарика троса выступал на 0,5 мм (0,02 дюйма) из втулки на узле акселератора.
  7. Примечание: Когда кнопка регулятора нажата, не следует позволять пружине регулятора растягиваться в длину более чем на 2 см (3/4 дюйма), иначе кронштейн регулятора выйдет из регулятора, и его придется вставлять обратно. Чтобы во время регулировки регулятор оставался одним целым, при нажатии кнопки регулятора следует удерживать трос.



    V3B39G21
    Показать иллюстрациюПеревод текста в иллюстрациях


  8. Присоединить электрический разъем к приводу устройства автоматического поддержания скорости.
  9. Установить коленный буфер. См. Раздел 9G, Облицовка салона.
  10. Выровнять нижнюю крышку панели приборов и вдавить фиксаторы в пазы в панели приборов.
  11. Установить винт ручки открытия капота.
  12. Затянуть
    Затянуть винт ручки открытия капота с усилием 2,5 Н•м (22 фунт-дюйм).

  13. Установить накопитель монет с помощью винта.


V3B39G21
Показать иллюстрациюПеревод текста в иллюстрациях


Трос управления приводом

Процедура снятия

  1. Снять накопитель монет и винты.
  2. Отделить трос привода замка капота от ручки привода замка капота.


  3. V3B39U04
    Показать иллюстрациюПеревод текста в иллюстрациях


  4. Осторожно снять панель обивки коленного буфера путем вытягивания ее до тех пор, пока фиксаторы не освободятся из пазов в панели приборов.
  5. Снять коленный буфер. См. Раздел 9G, Облицовка салона.
  6. Нажать отпускающую кнопку на регуляторе троса и подтолкнуть трос в направлении регулятора, пока не сожмется пружина.
  7. Примечание: Когда кнопка регулятора нажата, не следует позволять пружине регулятора растягиваться в длину более чем на 2 см (3/4 дюйма), иначе кронштейн регулятора выйдет из регулятора, и его придется вставлять обратно. Чтобы во время регулировки регулятор оставался одним целым, при нажатии кнопки регулятора следует удерживать трос.



    V3B39U10
    Показать иллюстрациюПеревод текста в иллюстрациях


  8. Снять втулку троса с узла акселератора.


  9. V3B39U11
    Показать иллюстрациюПеревод текста в иллюстрациях


  10. Нажать фиксирующие выступы регулятора троса и снять регулятор с монтажного кронштейна.


  11. V3B39U05
    Показать иллюстрациюПеревод текста в иллюстрациях


  12. Отогнуть оболочку троса и вставить отвертку с плоским лезвием в один из пазов в приводе.
  13. Отогнуть оболочку троса в направлении отвертки. Должны отойти фиксаторы оболочки троса.


  14. V3B39U06
    Показать иллюстрациюПеревод текста в иллюстрациях


  15. Вытянуть направляющую втулку и трос из привода и повернуть трос на 90 градусов относительно оси направляющей втулки.


  16. V3B39U07
    Показать иллюстрациюПеревод текста в иллюстрациях


  17. Снять привод с троса.


V3B39U08
Показать иллюстрациюПеревод текста в иллюстрациях


Процедура установки

  1. Вставить шарик узла троса в паз в тяге привода и затем повернуть трос на 90 градусов.


  2. V3B39U12
    Показать иллюстрациюПеревод текста в иллюстрациях


  3. Втолкнуть направляющую втулку в тягу привода и вдавить оболочку троса в привод до тех пор, пока она не заблокируется на месте с помощью фиксаторов.
  4. Зафиксировать регулятор троса в кронштейне узла подвески педали.
  5. Нажать отпускающую кнопку троса и задвинуть трос в регулятор, пока пружина полностью не сожмется.
  6. Примечание: Когда кнопка регулятора нажата, не следует позволять пружине регулятора растягиваться в длину более чем на 2 см (3/4 дюйма), иначе кронштейн регулятора выйдет из регулятора, и его придется вставлять обратно. Чтобы во время регулировки регулятор оставался одним целым, при нажатии кнопки регулятора следует удерживать трос.



    V3B39U09
    Показать иллюстрациюПеревод текста в иллюстрациях


  7. Установить втулку троса в узел педали.
  8. Нажать отпускающую кнопку троса и отрегулировать трос так, чтобы зазор между втулкой и ниппелем шарика достигал 0,5 мм (0,2 дюйма).


  9. V3B39G21
    Показать иллюстрациюПеревод текста в иллюстрациях


  10. Установить коленный буфер. См. Раздел 9G, Облицовка салона.
  11. Выровнять нижнюю крышку панели приборов и вдавить фиксаторы в пазы в панели приборов.
  12. Установить винт ручки открытия капота.
  13. Затянуть
    Затянуть винт ручки открытия капота с усилием 2,5 Н•м (22 фунт-дюйм).

  14. Установить накопитель монет с помощью винта.


K6B39U02
Показать иллюстрациюПеревод текста в иллюстрациях


Выключатель устройства автоматического поддержания скорости

Процедура снятия

  1. Демонтировать крышку выключателя устройства автоматического поддержания скорости.
  2. Снять пульт дистанционного управления аудиосистемой. См. раздел 9F, «Аудиосистемы».
  3. Демонтировать модуль системы надувных подушек безопасности (SIR). См. Раздел 8B, Система надувных подушек безопасности (SIR).
  4. Демонтировать выключатель устройства автоматического поддержания скорости.


K6B39U03
Показать иллюстрациюПеревод текста в иллюстрациях


Процедура установки

  1. Установить выключатель устройства автоматического поддержания скорости.
  2. Установить модуль системы надувных подушек безопасности (SIR). См. Раздел 8B, Система надувных подушек безопасности (SIR).
  3. Установить пульт дистанционного управления аудиосистемой. См. раздел 9F, «Аудиосистемы».
  4. Установить крышку выключателя устройства автоматического поддержания скорости.

ОБЩЕЕ ОПИСАНИЕ И РАБОТА СИСТЕМЫ

Работа системы автоматического поддержания скорости

Цель системы автоматического поддержания скорости - автоматически сохранять скорость автомобиля, установленную водителем. Когда активизировано устройство автоматического поддержания скорости, скорость сохраняется или увеличивается при помощи управляемого электроникой троса, прикрепленного к узлу акселератора. Если автомобиль должен замедлиться для сохранения скорости, установленной водителем, то система автоматического поддержания скорости позволяет возвратной пружине дроссельной заслонки закрыть дроссельную заслонку.
Если условия вождения требуют внезапного ускорения после установки автоматического поддержания скорости, то скорость может быть увеличена обычным способом путем механического нажатия акселератора. Устройство автоматического поддержания скорости выключается при включении тормозов (или сцепления, с механической коробкой передач).
Минимальная скорость для установки автоматического поддержания скорости - 38,6 км/ч (24 мили в час). Когда работает устройство автоматического поддержания скорости, в комбинации приборов горит контрольная лампа CRUISE.
Система автоматического поддержания скорости способна контролировать внутренние неисправности программного и аппаратного обеспечения, а также внешние неисправности в разъемах и жгутах проводов. При обнаружении неисправности устройство автоматического поддержания скорости немедленно останавливается, и программная логическая схема и аппаратная логическая схема независимо оберегают устройство автоматического поддержания скорости от открытия дроссельной заслонки.
Устройство автоматического поддержания скорости функционирует в температурном диапазоне от -40°C (-40°F) до 85°C (185°F). Максимальная температура могла бы привести к тому, что регулирующие свойства находились бы вне допуска, но аварийное выключение все равно бы функционировало в условиях максимальной температуры. Если высокая температура создает помехи работе устройства автоматического поддержания скорости, то открывается электромагнитная муфта привода, и возвратная пружина дроссельной заслонки закрывает дроссельную заслонку, если не нажата педаль акселератора.

Привод устройства автоматического поддержания скорости

Привод устройства автоматического поддержания скорости это система из одного компонента. В одном корпусе электронные органы управления совмещены с механическими компонентами. Привод крепится в салоне.
Ниже перечисляются механические компоненты привода устройства автоматического поддержания скорости:
Механические детали не приспособлены к техническому обслуживанию. В случае механической неисправности привод должен заменяться целиком.
Электроника системы автоматического поддержания скорости включает в себя следующее:
Электронные детали не приспособлены к техническому обслуживанию. В случае неисправности электроники одной из систем привод должен заменяться целиком.

Выключатель устройства автоматического поддержания скорости

После перевода главного переключателя во включенное положение и обнаружения нейтрального положения выключателя рычага приводом устройства автоматического поддержания скорости, выключателем рычага устройства автоматического поддержания скорости можно выполнять следующие операции:

Установка

Если включено устройство автоматического поддержания скорости и минимальная скорость составляет 38,6 км/ч (24 мили в час), но не более 155 км/ч (96 миль в час), то целевую скорость можно установить нажатием кнопки установки SET в течение 10 - 300 миллисекунд. При выборе установки SET дольше 300 миллисекунд, устройство автоматического поддержания скорости активируется с функцией движения накатом COAST. Если водитель нажимает акселератор после установки автоматического поддержания скорости, то после отпускания акселератора сохраняется предыдущая целевая скорость. Если водитель нажимает акселератор до тех пор, пока фактическая скорость не превысит целевую скорость более чем на 35 км/ч (22 мили в час), или пока скорость автомобиля не превысит 160 км/ч (99 миль в час), то устройство автоматического поддержания скорости выключается.

Движение накатом

Если установлена целевая скорость, и движение накатом COAST выбирается в течении, по крайней мере, 300 миллисекунд, то дроссельная заслонка возвращается в положение холостого хода, а автомобиль движется накатом. Когда отпускается выключатель движения накатом COAST, текущая скорость сохраняется в качестве новой целевой скорости. Если скорость автомобиля падает ниже 32,2 км/ч (20 миль в час) при движении накатом, то устройство автоматического поддержания скорости выключается. Если выключатель отпускается между +32,2 км/ч (20 миль в час) и 38,6 км/ч (24 мили в час), то минимальной целевой скоростью будет 38,6 км/ч (24 мили в час).

Возобновление

Если включено устройство автоматического поддержания скорости, и система отключается тормозом или сцеплением, превышением максимальной скорости, невозможностью сохранить минимальную скорость или превышением целевой скорости более чем на 35 км/ч (22 мили в час), то последнюю сохраненную в памяти скорость можно сбросить, выбрав возобновление RESUME, если с момента последнего выключения прошло не более 5 секунд. Функция возобновления RESUME выбирается переключением в положение RESUME в течение от 10 до 300 миллисекунд. Если при выборе возобновления RESUME фактическая скорость ниже целевой скорости, то автомобиль ускоряется на 3,4 км/ч каждую секунду (2,1 миль в час/сек) до тех пор, пока автомобиль не будет в пределах 10 км/ч (6 миль в час) от целевой скорости, и затем ускорение снижается до достижения плавного перехода от ускорения к экономичному ходу. Если при выборе возобновления RESUME фактическая скорость выше целевой скорости, то дроссельной заслонке будет позволено вернуться в положение холостого хода, пока не будет достигнута целевая скорость. Возобновление RESUME можно отменить выбором установки SET, после чего текущая скорость сохраняется в качестве новой целевой скорости.

Ускорение

Если включено устройство автоматического поддержания скорости, и выбирается выключатель ускорения ACCEL в течение более 300 миллисекунд, то автомобиль ускоряется. Ускорение поддерживается на уровне 3,4 км/ч в секунду (2,1 мили в час/сек) пока хватает рабочих характеристик автомобиля; или же полностью открывается дроссельная заслонка. Когда выключатель отпускается, текущая скорость сохраняется и используется в качестве новой целевой скорости. Выключатель ускорения ACCEL не может использоваться для ускорения свыше 155 км/ч (96 миль в час). При достижении 155 км/ч (96 миль в час) ускорение прекращается, и в качестве новой целевой скорости устанавливается 155 км/ч.

Подъем постукиванием

Если установлено автоматическое поддержание скорости, и снова выбирается возобновление RESUME в течение более 10 миллисекунд, но не более 300 миллисекунд, то целевая скорость увеличивается на 2 км/ч (1,2 мили в час) каждый раз, когда выбирается (или постукивается) кнопка возобновления RESUME. Если водитель с помощью акселератора увеличивает скорость более чем на 8 км/ч свыше текущей целевой скорости, то сигнал подъема постукиванием интерпретируется как обычный сигнал установки SET. Устройство автоматического поддержания скорости не воспринимает подъем целевой скорости постукиванием выше 155 км/ч (96 миль в час). Если фактическая скорость упала на 16,1 км/ч (10 миль в час) ниже целевой скорости, то сигналы подъема постукиванием не воспринимаются.

Снижение постукиванием

Если установлено автоматическое поддержание скорости, и выбирается установка SET в течение от 10 до 300 миллисекунд, то целевая скорость уменьшается на 2 км/ч каждый раз, когда выбирается (или постукивается) установка SET. Сигналы снижения постукиванием не воспринимаются для целевой скорости ниже 38,6 км/ч (24 миль в час). Если скорость автомобиля увеличивается на 8 км/ч (5 миль в час) больше целевой скорости, то система автоматического поддержания скорости интерпретирует сигнал снижения постукиванием как установку SET.
Если устройство автоматического поддержания скорости выключается, то все функции автоматического поддержания скорости прекращаются, трос привода переводится в положение холостого хода, а электромагнитная муфта привода троса открывается. Муфта привода троса не открывается немедленно, а так, чтобы выполнить плавный переход в скорости автомобиля. Если устройство автоматического поддержания скорости выключается более чем на 5 секунд, то сохраненная в памяти целевая скорость стирается.


На предыдущую страницуНа следующую страницу
Главная страница сайта