Электрическая схема 2007 ЭЛЕКТРИЧЕСКАЯ СХЕМА ИСТОЧНИКОВ ЭЛЕКТРОПИТАНИЯК началу документа
Epica
На предыдущую страницуНа следующую страницу
Главная страница GMDEЗагрузить нединамическое оглавлениеЗагрузить динамическое оглавлениеПомощь




РАЗДЕЛ 3

ЭЛЕКТРИЧЕСКАЯ СХЕМА ИСТОЧНИКОВ ЭЛЕКТРОПИТАНИЯ



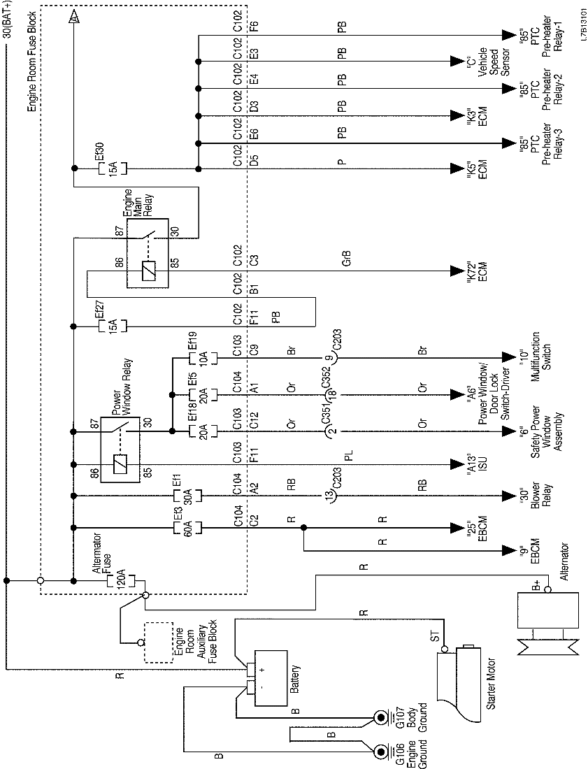
1. ЭЛЕКТРОПИТАНИЕ ДЛЯ БЛОКА ПРЕДОХРАНИТЕЛЕЙ В МОТОРНОМ ОТСЕКЕ

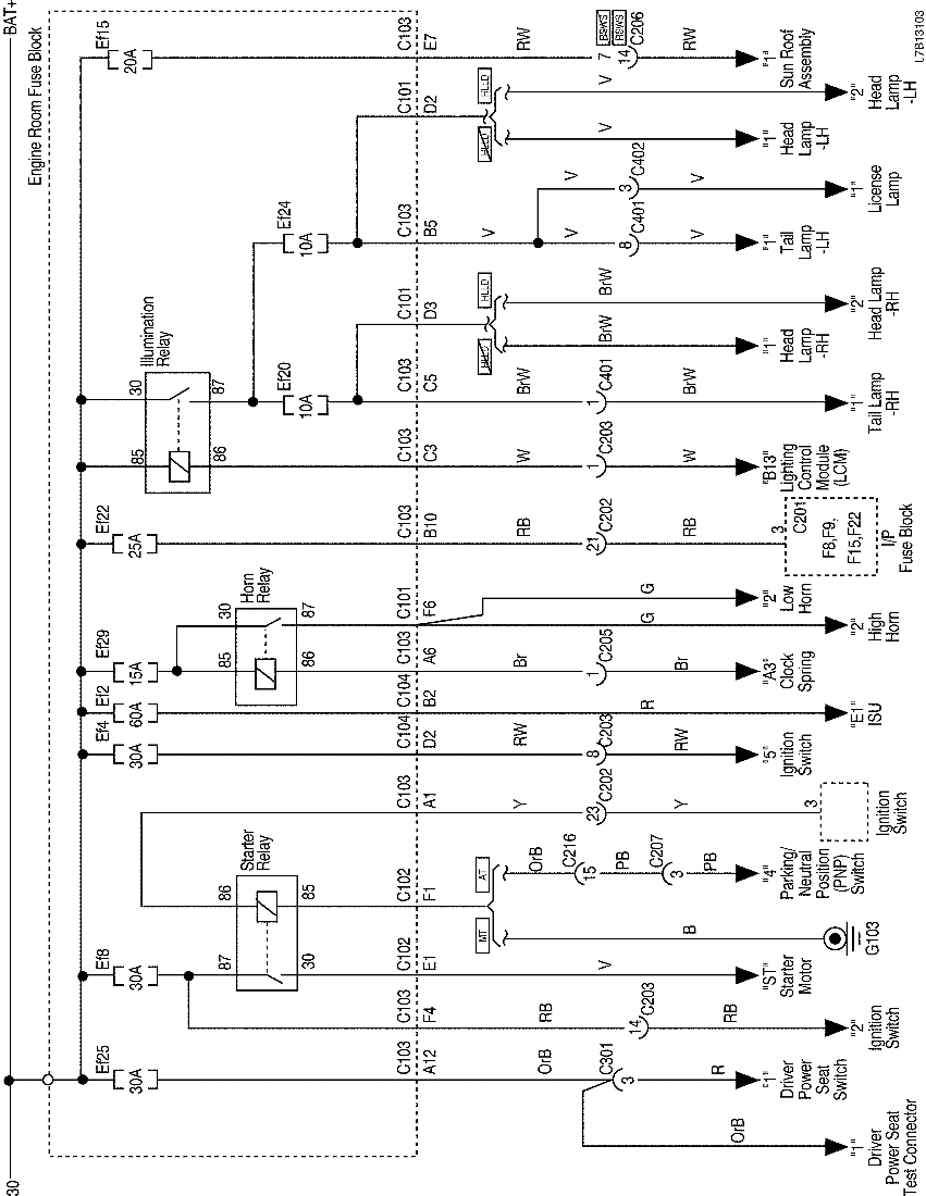
1) ЭЛЕКТРОПИТАНИЕ BAT +

L7B13101.png
Показать иллюстрациюПеревод текста в иллюстрациях


L7B13102.png
Показать иллюстрациюПеревод текста в иллюстрациях


L7B13103.png
Показать иллюстрациюПеревод текста в иллюстрациях


L7B13104.png
Показать иллюстрациюПеревод текста в иллюстрациях


L7B13105.png
Показать иллюстрациюПеревод текста в иллюстрациях


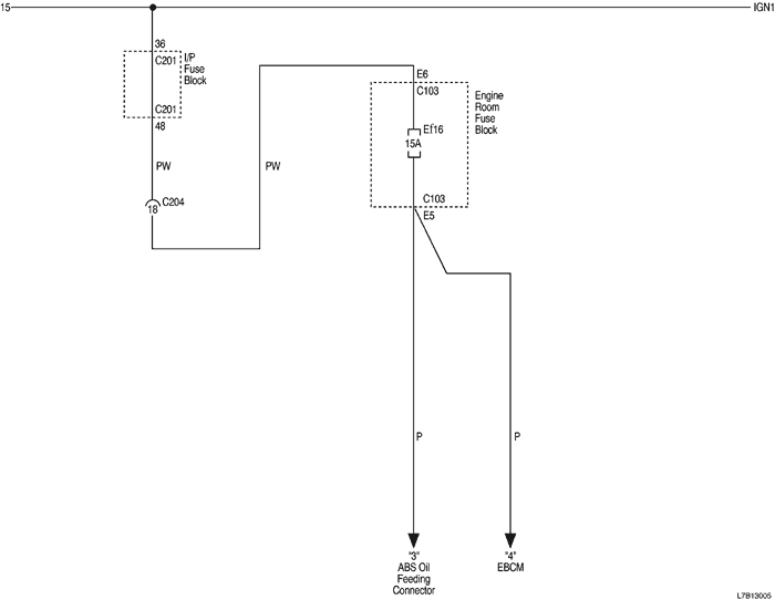
2) ЭЛЕКТРОПИТАНИЕ IGN1

L7B13005.png
Показать иллюстрациюПеревод текста в иллюстрациях




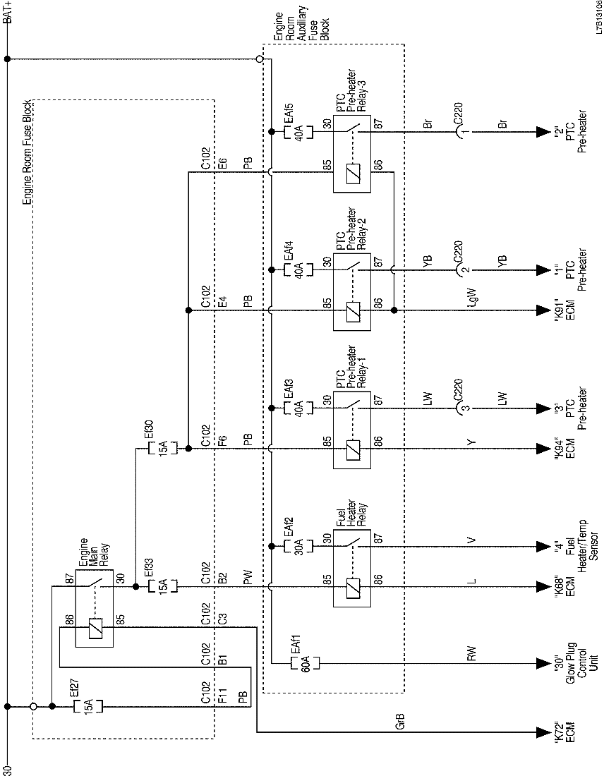
2. ЭЛЕКТРОПИТАНИЕ ДЛЯ ВСПОМОГАТЕЛЬНОГО БЛОКА ПРЕДОХРАНИТЕЛЕЙ В МОТОРНОМ ОТСЕКЕ

L7B13106.png
Показать иллюстрациюПеревод текста в иллюстрациях




3. ЭЛЕКТРОПИТАНИЕ ДЛЯ БЛОКА ПРЕДОХРАНИТЕЛЕЙ НА ПРИБОРНОЙ ПАНЕЛИ

1) ВХОД ЭЛЕКТРОПИТАНИЯ БЛОКА ПРЕДОХРАНИТЕЛЕЙ НА ПРИБОРНОЙ ПАНЕЛИ

L7B13107.png
Показать иллюстрациюПеревод текста в иллюстрациях


2) ЭЛЕКТРОПИТАНИЕ BAT+

L7B13108.png
Показать иллюстрациюПеревод текста в иллюстрациях


3) ЭЛЕКТРОПИТАНИЕ IGN1

L7B13109.png
Показать иллюстрациюПеревод текста в иллюстрациях


L9B13104A.png
Показать иллюстрациюПеревод текста в иллюстрациях


4) ЭЛЕКТРОПИТАНИЕ IGN2

L7B13110.png
Показать иллюстрациюПеревод текста в иллюстрациях


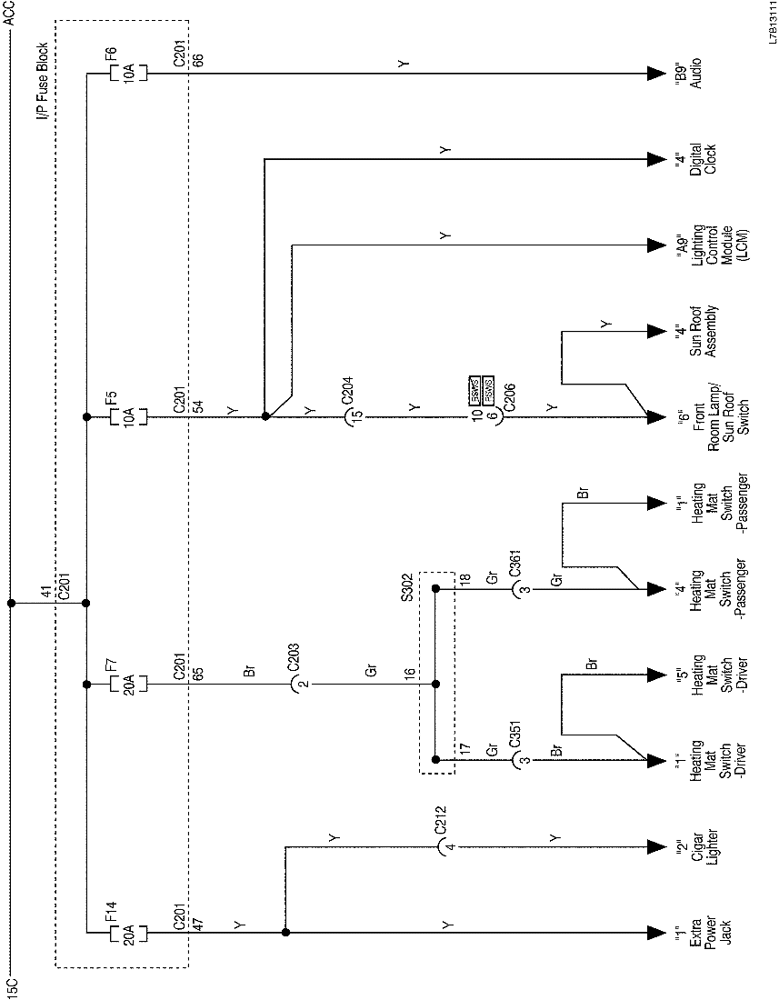
5) ЭЛЕКТРОПИТАНИЕ ACC

L7B13111.png
Показать иллюстрациюПеревод текста в иллюстрациях


6) ЭЛЕКТРОПИТАНИЕ ОБОГРЕВА СТЕКОЛ И ЗЕРКАЛ

L7B13012.png
Показать иллюстрациюПеревод текста в иллюстрациях


На предыдущую страницуНа следующую страницу


Главная страница сайта