Электрическая схема 2007 11. СИСТЕМА ЭЛЕКТРИЧЕСКИХ СТЕКЛОПОДЪЕМНИКОВК началу документа
Epica
На предыдущую страницуНа следующую страницу
Главная страница GMDEЗагрузить нединамическое оглавлениеЗагрузить динамическое оглавлениеПомощь



11. СИСТЕМА ЭЛЕКТРИЧЕСКИХ СТЕКЛОПОДЪЕМНИКОВ

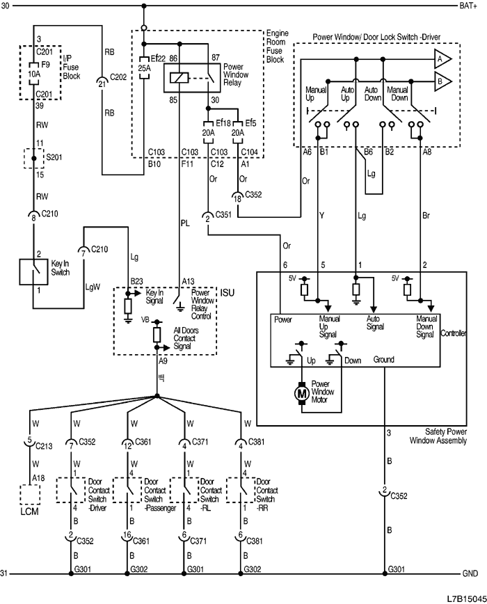
1) ЗАЩИТНАЯ ЦЕПЬ ЭЛЕКТРИЧЕСКОГО СТЕКЛОПОДЪЕМНИКА ВОДИТЕЛЯ

L7B15045.png
Показать иллюстрациюПеревод текста в иллюстрациях


а. ИНФОРМАЦИЯ О РАЗЪЁМЕ

№ РАЗЪЁМА
(№ И ЦВЕТ КОНТАКТА)
СОЕДИНИТЕЛЬНЫЙ ЖГУТ ПРОВОДОВПОЛОЖЕНИЕ РАЗЪЁМА
С103 (контакт 68, белый) Кузов - блок предохранителей в моторном отсеке Блок предохранителей в моторном отсеке
С104 (контакт 8, серый) Кузов - блок предохранителей в моторном отсеке Блок предохранителей в моторном отсеке
С201 (контакт 76, черный) Приборная панель - блок предохранителей на приборной панели БЛОК ПРЕДОХРАНИТЕЛЕЙ НА ПРИБОРНОЙ ПАНЕЛИ
С202 (контакт 23, белый) Приборная панель - кузов Коробка разъемов внизу левой передней стойки
С210 (контакт 10, белый) Приборная панель - корпус замка Возле середины рулевой колонки
C213 (контакт 23, белый) Приборная панель - кузов Коробка разъемов внизу правой передней стойки
С351 (контакт 18, серый) Кузов - дверь водителя Внизу передней стойки водителя
С352 (контакт 18, белый) Кузов - дверь водителя Внизу передней стойки водителя
С361 (контакт 18, серый) Кузов - дверь пассажира Внизу передней стойки пассажира
С371 (контакт 21, белый) Кузов - задняя левая дверь Внизу левой средней стойки
С381 (контакт 21, белый) Кузов - задняя правая дверь Внизу правой средней стойки
G301 Кузов На левой поперечине передней панели пола
G302 Кузов На правой поперечине передней панели пола

б. УСЛОВНОЕ ОБОЗНАЧЕНИЕ & И НАХОЖДЕНИЕ НОМЕРА КОНТАКТА

L7B1P045.png
Показать иллюстрациюПеревод текста в иллюстрациях


в. РАСПОЛОЖЕНИЕ РАЗЪЁМОВ И СОЕДИНЕНИЙ МАССЫ

L7B12013.png
Показать иллюстрациюПеревод текста в иллюстрациях


L7B12014.png
Показать иллюстрациюПеревод текста в иллюстрациях


L7B12015.png
Показать иллюстрациюПеревод текста в иллюстрациях


г. КОНТАКТНАЯ КОЛОДКА

S201

L7B1S101.png
Показать иллюстрациюПеревод текста в иллюстрациях


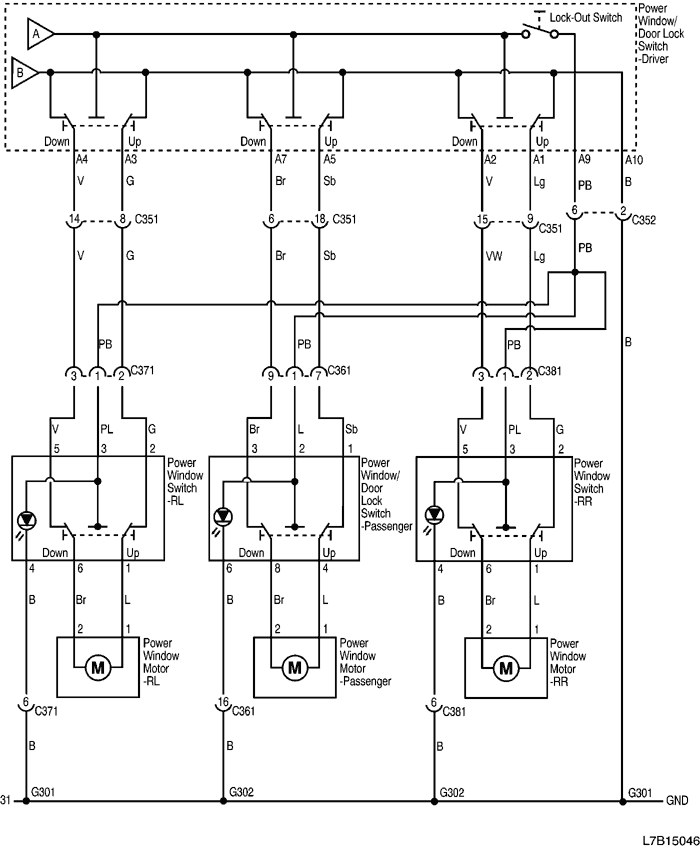
2) ЦЕПЬ ЭЛЕКТРИЧЕСКИХ СТЕКЛОПОДЪЕМНИКОВ ПЕРЕДНЕГО И ЗАДНИХ ПАССАЖИРОВ

L7B15046.png
Показать иллюстрациюПеревод текста в иллюстрациях


а. ИНФОРМАЦИЯ О РАЗЪЁМЕ

№ РАЗЪЁМА
(№ И ЦВЕТ КОНТАКТА)
СОЕДИНИТЕЛЬНЫЙ ЖГУТ ПРОВОДОВПОЛОЖЕНИЕ РАЗЪЁМА
С351 (контакт 18, серый) Кузов - дверь водителя Внизу передней стойки водителя
С352 (контакт 18, белый) Кузов - дверь водителя Внизу передней стойки водителя
С361 (контакт 18, серый) Кузов - дверь пассажира Внизу передней стойки пассажира
С371 (контакт 21, белый) Кузов - задняя левая дверь Внизу левой средней стойки
С381 (контакт 21, белый) Кузов - задняя правая дверь Внизу правой средней стойки
G301 Кузов На левой поперечине передней панели пола
G302 Кузов На правой поперечине передней панели пола

б. УСЛОВНОЕ ОБОЗНАЧЕНИЕ & И НАХОЖДЕНИЕ НОМЕРА КОНТАКТА

L7B1P046.png
Показать иллюстрациюПеревод текста в иллюстрациях


в. РАСПОЛОЖЕНИЕ РАЗЪЁМОВ И СОЕДИНЕНИЙ МАССЫ

L7B12013.png
Показать иллюстрациюПеревод текста в иллюстрациях


L7B12014.png
Показать иллюстрациюПеревод текста в иллюстрациях


L7B12015.png
Показать иллюстрациюПеревод текста в иллюстрациях


На предыдущую страницуНа следующую страницу


Главная страница сайта