Электрическая схема 2007 12. СИСТЕМА ЗАПИРАНИЯ ДВЕРЕЙК началу документа
Epica
На предыдущую страницуНа следующую страницу
Главная страница GMDEЗагрузить нединамическое оглавлениеЗагрузить динамическое оглавлениеПомощь



12. СИСТЕМА ЗАПИРАНИЯ ДВЕРЕЙ

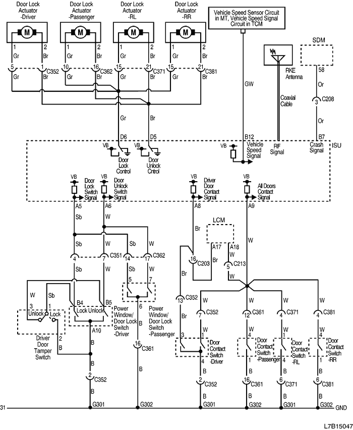
1) ЦЕПЬ ЗАПИРАНИЯ ДВЕРЕЙ

L7B15047.png
Показать иллюстрациюПеревод текста в иллюстрациях


а. ИНФОРМАЦИЯ О РАЗЪЁМЕ

№ РАЗЪЁМА
(№ И ЦВЕТ КОНТАКТА)
СОЕДИНИТЕЛЬНЫЙ ЖГУТ ПРОВОДОВПОЛОЖЕНИЕ РАЗЪЁМА
С203 (контакт 16, желтый) Приборная панель - кузов Коробка разъемов внизу левой передней стойки
C208 (контакт 16, белый) Подушка безопасности - приборная панель За аудиосистемой в центре приборной панели
С351 (контакт 18, серый) Кузов - дверь водителя Внизу передней стойки водителя
С352 (контакт 18, белый) Кузов - дверь водителя Внизу передней стойки водителя
С361 (контакт 18, серый) Кузов - дверь пассажира Внизу передней стойки пассажира
С371 (контакт 21, белый) Кузов - задняя левая дверь Внизу левой средней стойки
С381 (контакт 21, белый) Кузов - задняя правая дверь Внизу правой средней стойки
G301 Кузов На левой поперечине передней панели пола
G302 Кузов На правой поперечине передней панели пола

б. УСЛОВНОЕ ОБОЗНАЧЕНИЕ & И НАХОЖДЕНИЕ НОМЕРА КОНТАКТА

L7B1P047.png
Показать иллюстрациюПеревод текста в иллюстрациях


в. РАСПОЛОЖЕНИЕ РАЗЪЁМОВ И СОЕДИНЕНИЙ МАССЫ

L7B12013.png
Показать иллюстрациюПеревод текста в иллюстрациях


L7B12014.png
Показать иллюстрациюПеревод текста в иллюстрациях


L7B12015.png
Показать иллюстрациюПеревод текста в иллюстрациях


На предыдущую страницуНа следующую страницу


Главная страница сайта