Электрическая схема 2007 20. СИДЕНЬЯК началу документа
Epica
На предыдущую страницуНа следующую страницу
Главная страница GMDEЗагрузить нединамическое оглавлениеЗагрузить динамическое оглавлениеПомощь



20. СИДЕНЬЯ

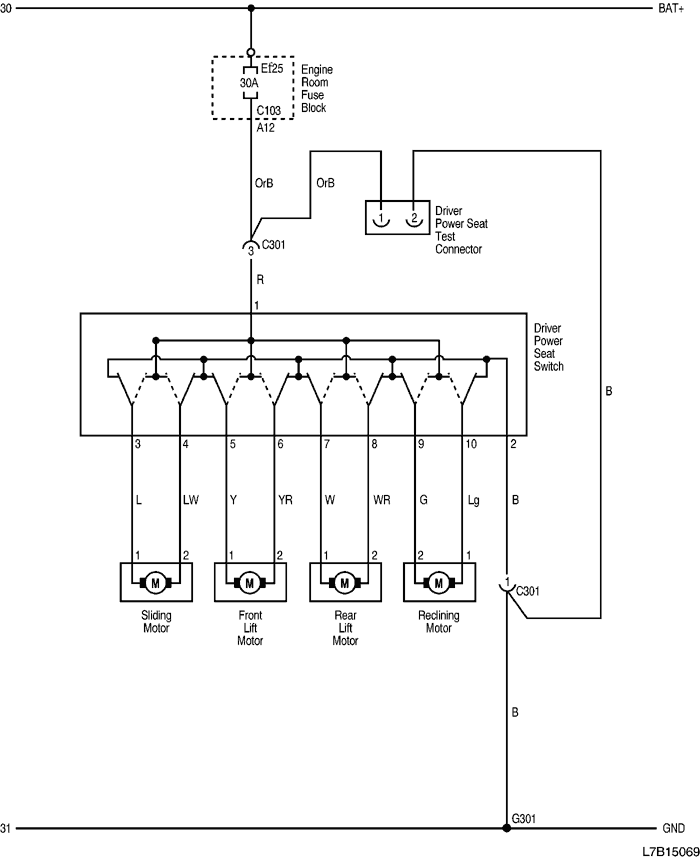
1) ЦЕПЬ СИДЕНЬЯ С ЭЛЕКТРИЧЕСКИМ ПРИВОДОМ РЕГУЛИРОВКИ

L7B15069.png
Показать иллюстрациюПеревод текста в иллюстрациях


а. ИНФОРМАЦИЯ О РАЗЪЁМЕ

№ РАЗЪЁМА
(№ И ЦВЕТ КОНТАКТА)
СОЕДИНИТЕЛЬНЫЙ ЖГУТ ПРОВОДОВПОЛОЖЕНИЕ РАЗЪЁМА
С103 (контакт 68, белый) Кузов - блок предохранителей в моторном отсеке Блок предохранителей в моторном отсеке
C301 (контакт 4, бесцветный) Кузов - сиденье водителя с электрическим приводом регулировки Под подушкой сиденья водителя
G301 Кузов На левой поперечине передней панели пола

б. УСЛОВНОЕ ОБОЗНАЧЕНИЕ & И НАХОЖДЕНИЕ НОМЕРА КОНТАКТА

L7B1P068.png
Показать иллюстрациюПеревод текста в иллюстрациях


в. РАСПОЛОЖЕНИЕ РАЗЪЁМОВ И СОЕДИНЕНИЙ МАССЫ

L7B12009.png
Показать иллюстрациюПеревод текста в иллюстрациях


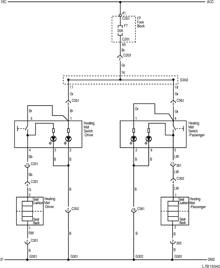
2) ЦЕПЬ ПОДОГРЕВАЮЩЕГО МАТА

L7B15340.png
Показать иллюстрациюПеревод текста в иллюстрациях


а. ИНФОРМАЦИЯ О РАЗЪЁМЕ

№ РАЗЪЁМА
(№ И ЦВЕТ КОНТАКТА)
СОЕДИНИТЕЛЬНЫЙ ЖГУТ ПРОВОДОВПОЛОЖЕНИЕ РАЗЪЁМА
С201 (контакт 76, черный) Приборная панель - блок предохранителей на приборной панели БЛОК ПРЕДОХРАНИТЕЛЕЙ НА ПРИБОРНОЙ ПАНЕЛИ
С203 (контакт 16, желтый) Приборная панель - кузов Коробка разъемов внизу левой передней стойки
C301 (контакт 4, бесцветный) Кузов - сиденье водителя с электрическим приводом регулировки Под подушкой сиденья водителя
C302 (4 контакт, бесцветный) Кузов - сиденье пассажира с электрическим приводом регулировки Под подушкой сиденья пассажира
С351 (контакт 18, серый) Кузов - дверь водителя Внизу передней стойки водителя
С352 (контакт 18, белый) Кузов - дверь водителя Внизу передней стойки водителя
С361 (контакт 18, серый) Кузов - дверь пассажира Внизу передней стойки пассажира
G301 Кузов На левой поперечине передней панели пола
G302 Кузов На правой поперечине передней панели пола

б. УСЛОВНОЕ ОБОЗНАЧЕНИЕ & И НАХОЖДЕНИЕ НОМЕРА КОНТАКТА

L7B1P069.png
Показать иллюстрациюПеревод текста в иллюстрациях


в. РАСПОЛОЖЕНИЕ РАЗЪЁМОВ И СОЕДИНЕНИЙ МАССЫ

L7B12009.png
Показать иллюстрациюПеревод текста в иллюстрациях


L7B12010.png
Показать иллюстрациюПеревод текста в иллюстрациях


На предыдущую страницуНа следующую страницу


Главная страница сайта