Электрическая схема 2007 Epica WIRING DIAGRAM FOR POWER SUPPLIES К началу документа
Epica
На предыдущую страницу На следующую страницу
Главная страница GMDE Загрузить нединамическое оглавление Загрузить динамическое оглавление Помощь




РАЗДЕЛ 3

WIRING DIAGRAM FOR POWER SUPPLIES



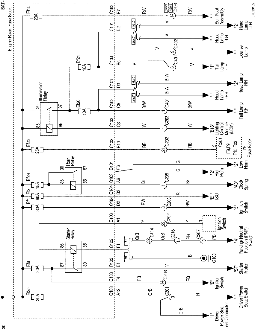
1. POWER SUPPLY FOR ENGINE ROOM FUSE BLOCK

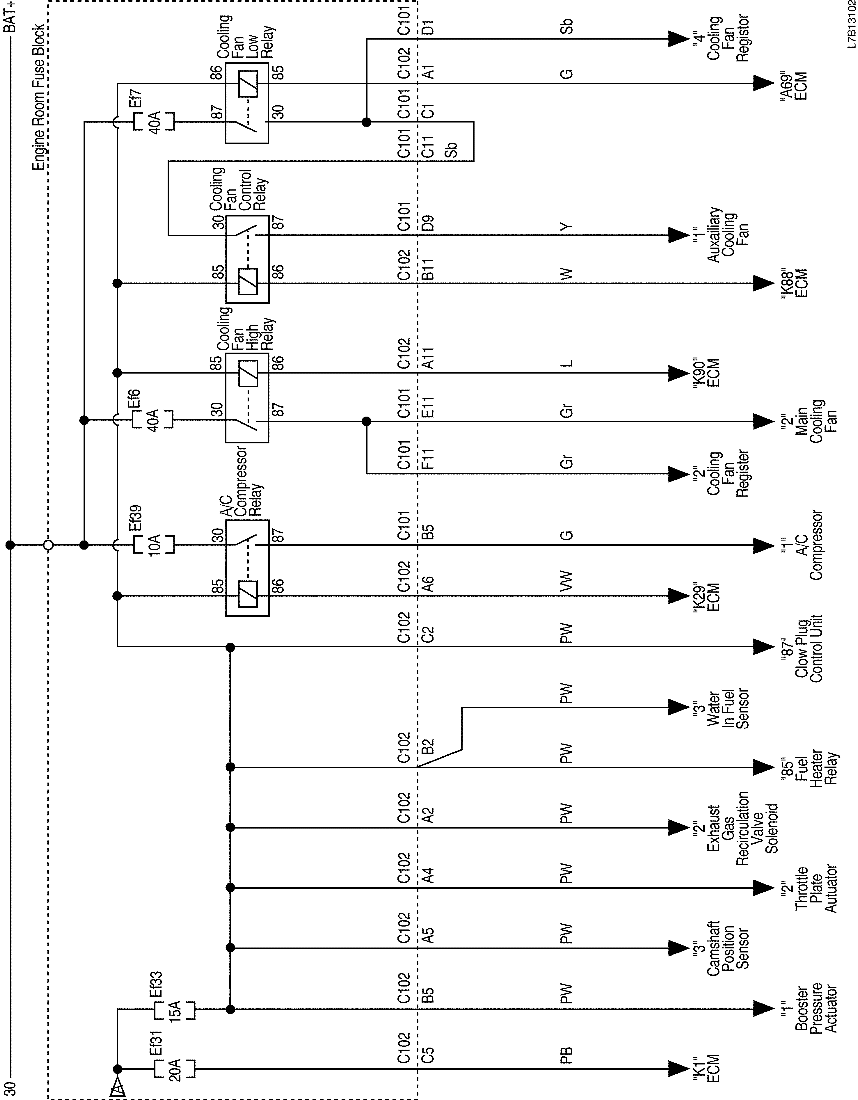
1) BAT + POWER SUPPLY

L7B23101.png
Показать иллюстрациюПеревод текста в иллюстрациях


L7B13102.png
Показать иллюстрациюПеревод текста в иллюстрациях


L7B23102.png
Показать иллюстрациюПеревод текста в иллюстрациях


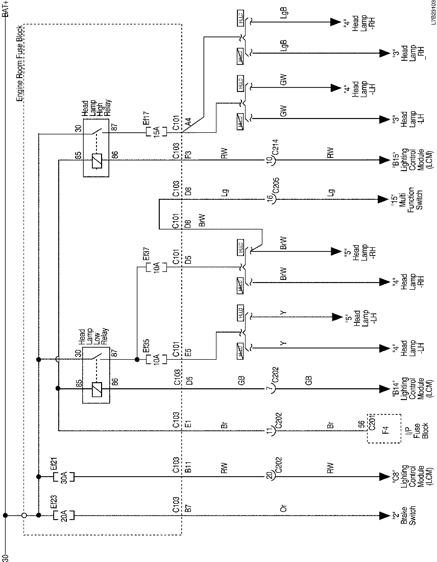
L7B23103.png
Показать иллюстрациюПеревод текста в иллюстрациях


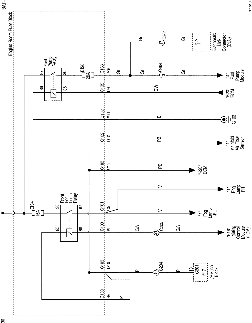
L7B13105.png
Показать иллюстрациюПеревод текста в иллюстрациях


2) IGN1 POWER SUPPLY

L7B23008.png
Показать иллюстрациюПеревод текста в иллюстрациях




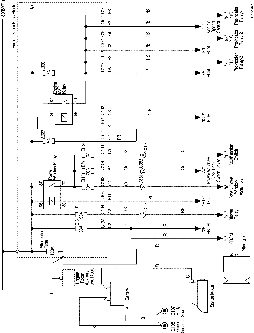
2. POWER SUPPLY FOR ENGINE ROOM AUXILIARY FUSE BLOCK

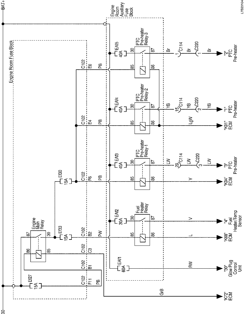
L7B23104.png
Показать иллюстрациюПеревод текста в иллюстрациях




3. POWER SUPPLY FOR I/P FUSE BLOCK

1) I/P FUSE BLOCK POWER INPUT

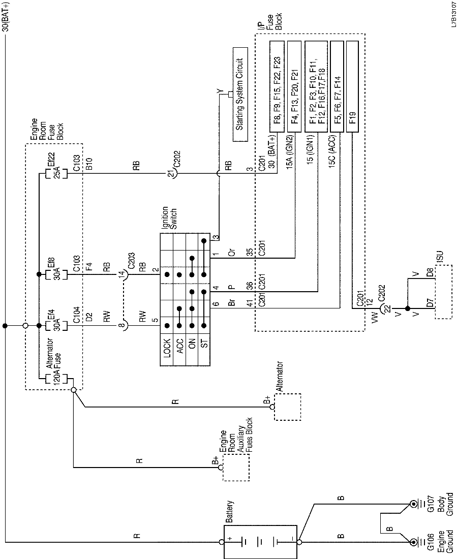
L7B13107.png
Показать иллюстрациюПеревод текста в иллюстрациях


2) BAT+ POWER SUPPLY

L7B13108.png
Показать иллюстрациюПеревод текста в иллюстрациях


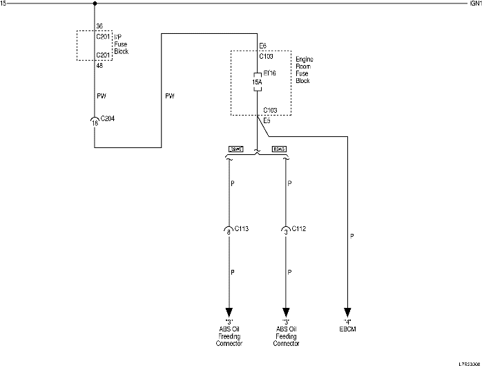
3) IGN1 POWER SUPPLY

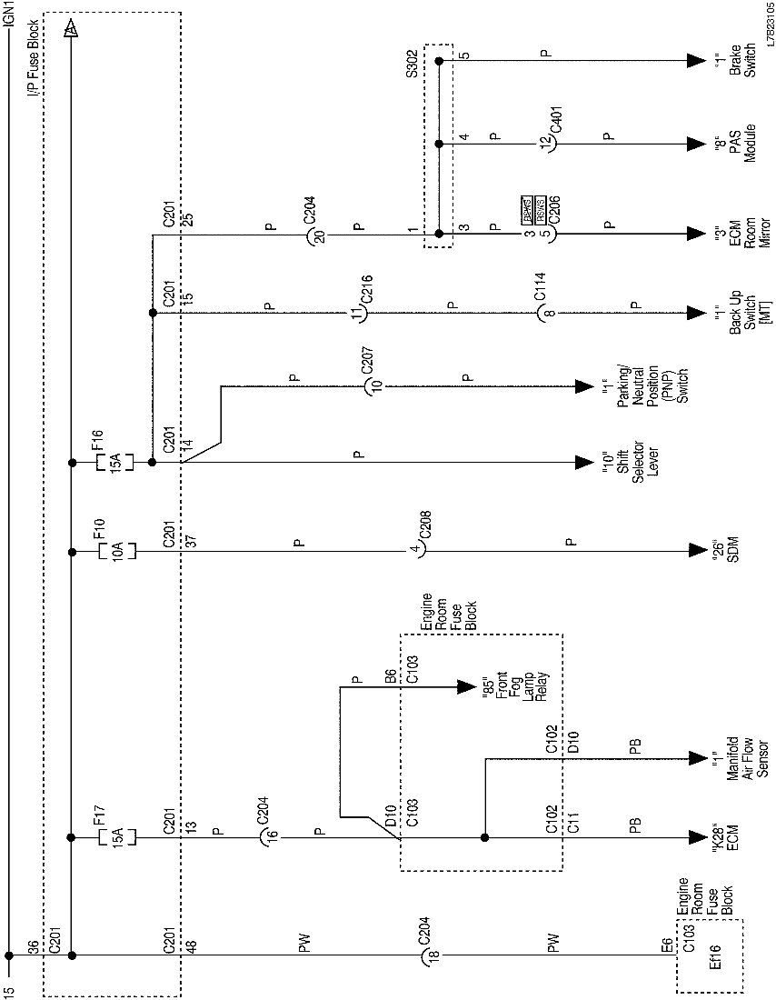
L7B23105.png
Показать иллюстрациюПеревод текста в иллюстрациях


L7B23106.png
Показать иллюстрациюПеревод текста в иллюстрациях


4) IGN2 POWER SUPPLY

L7B23107.png
Показать иллюстрациюПеревод текста в иллюстрациях


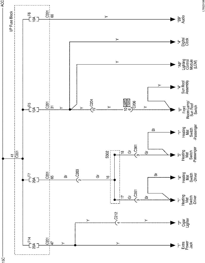
5) ACC POWER SUPPLY

L7B23108.png
Показать иллюстрациюПеревод текста в иллюстрациях


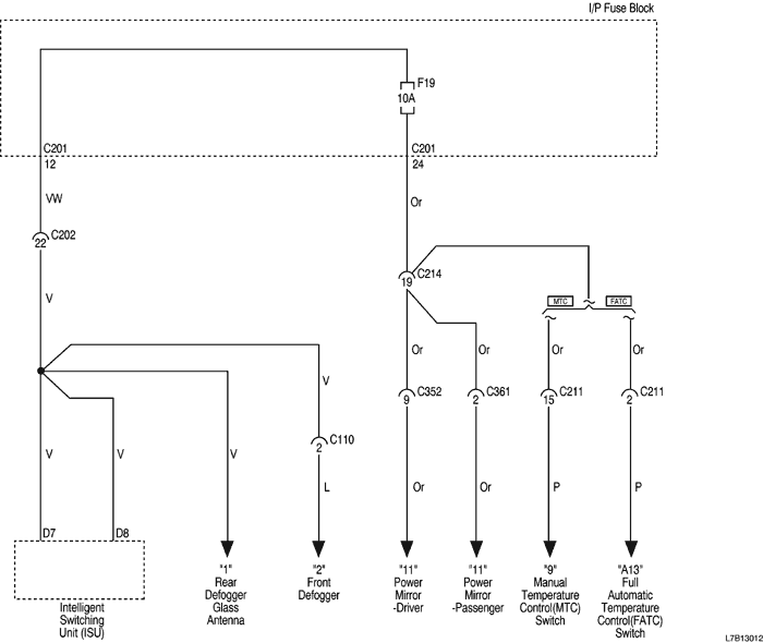
6) GLASS AND MIRROR DEFOGGER POWER SUPPLY

L7B13012.png
Показать иллюстрациюПеревод текста в иллюстрациях


На предыдущую страницу На следующую страницу


Главная страница сайта