Электрическая схема 2007 Epica 16. BATTERY SAVER К началу документа
Epica
На предыдущую страницу На следующую страницу
Главная страница GMDE Загрузить нединамическое оглавление Загрузить динамическое оглавление Помощь



16. BATTERY SAVER

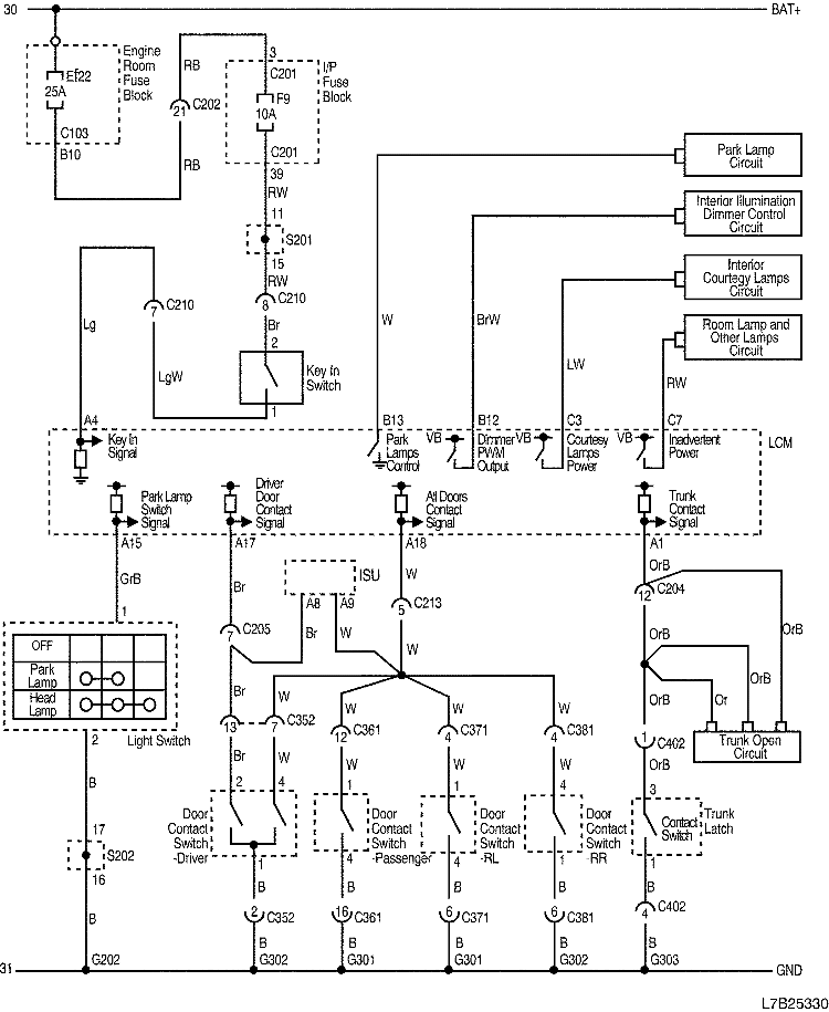
1) BATTERY SAVER CIRCUIT

L7B25330.png
Показать иллюстрациюПеревод текста в иллюстрациях


а. ИНФОРМАЦИЯ О РАЗЪЁМЕ

№ РАЗЪЁМА
(№ И ЦВЕТ КОНТАКТА)
СОЕДИНИТЕЛЬНЫЙ ЖГУТ ПРОВОДОВ ПОЛОЖЕНИЕ РАЗЪЁМА
C103 (68 Pin, White) Body - Engine room fuse block Engine room fuse block
C201 (76 Pin, Black) IP - I/P fuse block I/P fuse block
C202 (23 Pin, White) IP - Body Connector box at the bottom of right A pillar
C203 (16 Pin, Yellow) IP - Body Connector box at the bottom of left A pillar
C204 (22 Pin, White) IP - Body Connector box at the bottom of right A pillar
C210 (10 Pin, White) IP - Lock Housing Near the center of steering column
C213 (23 Pin, White) IP - Body Connector box at the bottom of left A pillarr
C352 (18 Pin, White) Body - Driver Door At the bottom of driver A pillar
C361 (18 Pin, Gray) Body - Passenger Door At the bottom of passenger A pillar
C371 (21 Pin, White) Body - Rear Left Door At the bottom of left B pillar
C381 (21 Pin, White) Body - Rear Right Door At the bottom of right B pillar
C402 (6 Pin, White) Trunk Lid - Body On the left side panel in trunk room
G202 IP Left bottom of IP center molding
G301 Body On the left crossmember of front floor panel
G302 Body On the ringht crossmember of front floor panel
G303 Body Near back shelf of left C pillar

б. УСЛОВНОЕ ОБОЗНАЧЕНИЕ & И НАХОЖДЕНИЕ НОМЕРА КОНТАКТА

L7B1P053.png
Показать иллюстрациюПеревод текста в иллюстрациях


в. РАСПОЛОЖЕНИЕ РАЗЪЁМОВ И СОЕДИНЕНИЙ МАССЫ

L7B22002.png
Показать иллюстрациюПеревод текста в иллюстрациях


г. КОНТАКТНАЯ КОЛОДКА

S201

L7B2S101.png
Показать иллюстрациюПеревод текста в иллюстрациях


S202

L7B1S002.png
Показать иллюстрациюПеревод текста в иллюстрациях


На предыдущую страницу На следующую страницу


Главная страница сайта