Электрическая схема 2007 Epica 17. EXTERIOR LAMPS К началу документа
Epica
На предыдущую страницу На следующую страницу
Главная страница GMDE Загрузить нединамическое оглавление Загрузить динамическое оглавление Помощь



17. EXTERIOR LAMPS

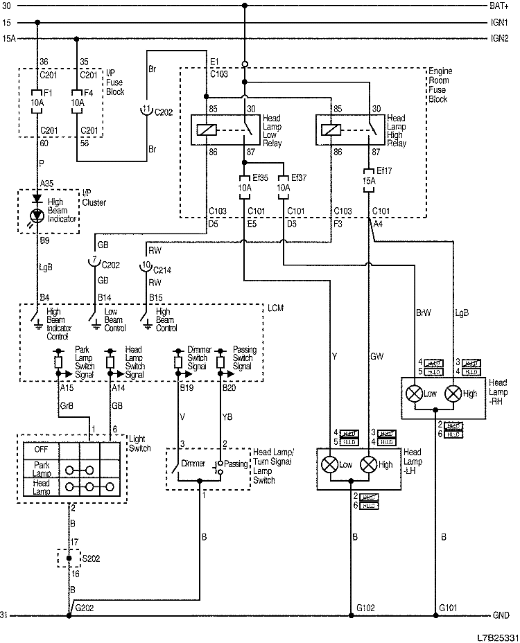
1) HEAD LAMP CIRCUIT

1-1) HEAD LAMP WITHOUT DAYTIME RUNNING LIGHT (DRL)

L7B25331.png
Показать иллюстрациюПеревод текста в иллюстрациях


а. ИНФОРМАЦИЯ О РАЗЪЁМЕ

№ РАЗЪЁМА
(№ И ЦВЕТ КОНТАКТА)
СОЕДИНИТЕЛЬНЫЙ ЖГУТ ПРОВОДОВ ПОЛОЖЕНИЕ РАЗЪЁМА
C101 (68 Pin, Black) Front - Engine room fuse block Engine room fuse block
C103 (68 Pin, White) Body - Engine room fuse block Engine room fuse block
C201 (76 Pin, Black) IP - I/P fuse block I/P fuse block
C202 (23 Pin, White) IP - Body Connector box at the bottom of right A pillar
C203 (16 Pin, Yellow) IP - Body Connector box at the bottom of left A pillar
C214 (23 Pin, White) IP - Body Connector box at the bottom of left A pillarr
G101 Front Behind left head lamp
G102 Front Behind right head lamp
G202 IP Left bottom of IP center molding

б. УСЛОВНОЕ ОБОЗНАЧЕНИЕ & И НАХОЖДЕНИЕ НОМЕРА КОНТАКТА

L7B1P054.png
Показать иллюстрациюПеревод текста в иллюстрациях


в. РАСПОЛОЖЕНИЕ РАЗЪЁМОВ И СОЕДИНЕНИЙ МАССЫ

L7B12003.png
Показать иллюстрациюПеревод текста в иллюстрациях


г. КОНТАКТНАЯ КОЛОДКА

S202

L7B1S002.png
Показать иллюстрациюПеревод текста в иллюстрациях


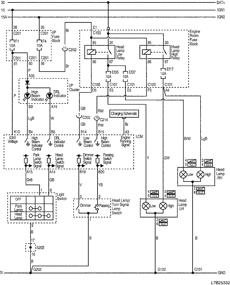
1-2) HEAD LAMP WITH DAYTIME RUNNING LIGHT (DRL)

L7B25332.png
Показать иллюстрациюПеревод текста в иллюстрациях


а. ИНФОРМАЦИЯ О РАЗЪЁМЕ

№ РАЗЪЁМА
(№ И ЦВЕТ КОНТАКТА)
СОЕДИНИТЕЛЬНЫЙ ЖГУТ ПРОВОДОВ ПОЛОЖЕНИЕ РАЗЪЁМА
C101 (68 Pin, Black) Front - Engine room fuse block Engine room fuse block
C103 (68 Pin, White) Body - Engine room fuse block Engine room fuse block
C201 (76 Pin, Black) IP - I/P fuse block I/P fuse block
C202 (23 Pin, White) IP - Body Connector box at the bottom of right A pillar
C203 (16 Pin, Yellow) IP - Body Connector box at the bottom of left A pillar
C214 (23 Pin, White) IP - Body Connector box at the bottom of left A pillarr
G101 Front Behind left head lamp
G102 Front Behind right head lamp
G202 IP Left bottom of IP center molding

б. УСЛОВНОЕ ОБОЗНАЧЕНИЕ & И НАХОЖДЕНИЕ НОМЕРА КОНТАКТА

L7B1P055.png
Показать иллюстрациюПеревод текста в иллюстрациях


в. РАСПОЛОЖЕНИЕ РАЗЪЁМОВ И СОЕДИНЕНИЙ МАССЫ

L7B12003.png
Показать иллюстрациюПеревод текста в иллюстрациях


г. КОНТАКТНАЯ КОЛОДКА

S202

L7B1S002.png
Показать иллюстрациюПеревод текста в иллюстрациях


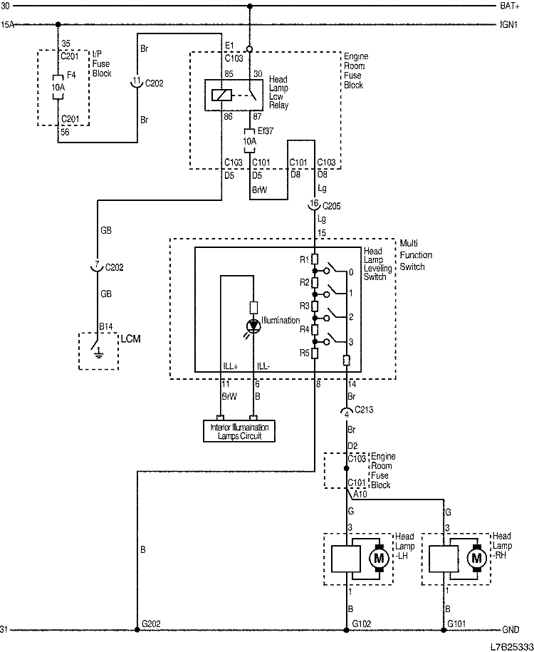
1-3) HEAD LAMP LEVELLING DEVICE (HLLD) CIRCUIT

L7B25333.png
Показать иллюстрациюПеревод текста в иллюстрациях


а. ИНФОРМАЦИЯ О РАЗЪЁМЕ

№ РАЗЪЁМА
(№ И ЦВЕТ КОНТАКТА)
СОЕДИНИТЕЛЬНЫЙ ЖГУТ ПРОВОДОВ ПОЛОЖЕНИЕ РАЗЪЁМА
C101 (68 Pin, Black) Front - Engine room fuse block Engine room fuse block
C103 (68 Pin, White) Body - Engine room fuse block Engine room fuse block
C201 (76 Pin, Black) IP - I/P fuse block I/P fuse block
C202 (23 Pin, White) IP - Body Connector box at the bottom of right A pillar
C203 (16 Pin, Yellow) IP - Body Connector box at the bottom of left A pillar
C205 (23 Pin, White) IP - Body Connector box at the bottom of right A pillar
C213 (23 Pin, White) IP - Body Connector box at the bottom of left A pillarr
G101 Front Behind left head lamp
G102 Front Behind right head lamp
G202 IP Left bottom of IP center molding

б. УСЛОВНОЕ ОБОЗНАЧЕНИЕ & И НАХОЖДЕНИЕ НОМЕРА КОНТАКТА

L7B1P056.png
Показать иллюстрациюПеревод текста в иллюстрациях


в. РАСПОЛОЖЕНИЕ РАЗЪЁМОВ И СОЕДИНЕНИЙ МАССЫ

L7B12003.png
Показать иллюстрациюПеревод текста в иллюстрациях


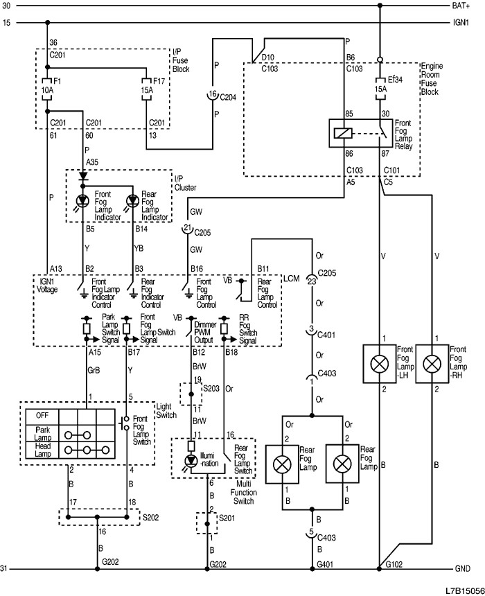
2) FOG LAMPS CIRCUIT

L7B15056.png
Показать иллюстрациюПеревод текста в иллюстрациях


а. ИНФОРМАЦИЯ О РАЗЪЁМЕ

№ РАЗЪЁМА
(№ И ЦВЕТ КОНТАКТА)
СОЕДИНИТЕЛЬНЫЙ ЖГУТ ПРОВОДОВ ПОЛОЖЕНИЕ РАЗЪЁМА
C101 (68 Pin, Black) Front - Engine room fuse block Engine room fuse block
C103 (68 Pin, White) Body - Engine room fuse block Engine room fuse block
C201 (76 Pin, Black) IP - I/P fuse block I/P fuse block
C204 (22 Pin, White) IP - Body Connector box at the bottom of right A pillar
C204 (22 Pin, White) IP - Body Connector box at the bottom of right A pillar
G102 Front Behind right head lamp
G202 IP Left bottom of IP center molding

б. УСЛОВНОЕ ОБОЗНАЧЕНИЕ & И НАХОЖДЕНИЕ НОМЕРА КОНТАКТА

L7B1P057.png
Показать иллюстрациюПеревод текста в иллюстрациях


в. РАСПОЛОЖЕНИЕ РАЗЪЁМОВ И СОЕДИНЕНИЙ МАССЫ

L7B22002.png
Показать иллюстрациюПеревод текста в иллюстрациях


г. КОНТАКТНАЯ КОЛОДКА

S201

L7B2S101.png
Показать иллюстрациюПеревод текста в иллюстрациях


S202

L7B1S002.png
Показать иллюстрациюПеревод текста в иллюстрациях


S203

L7B1S003.png
Показать иллюстрациюПеревод текста в иллюстрациях


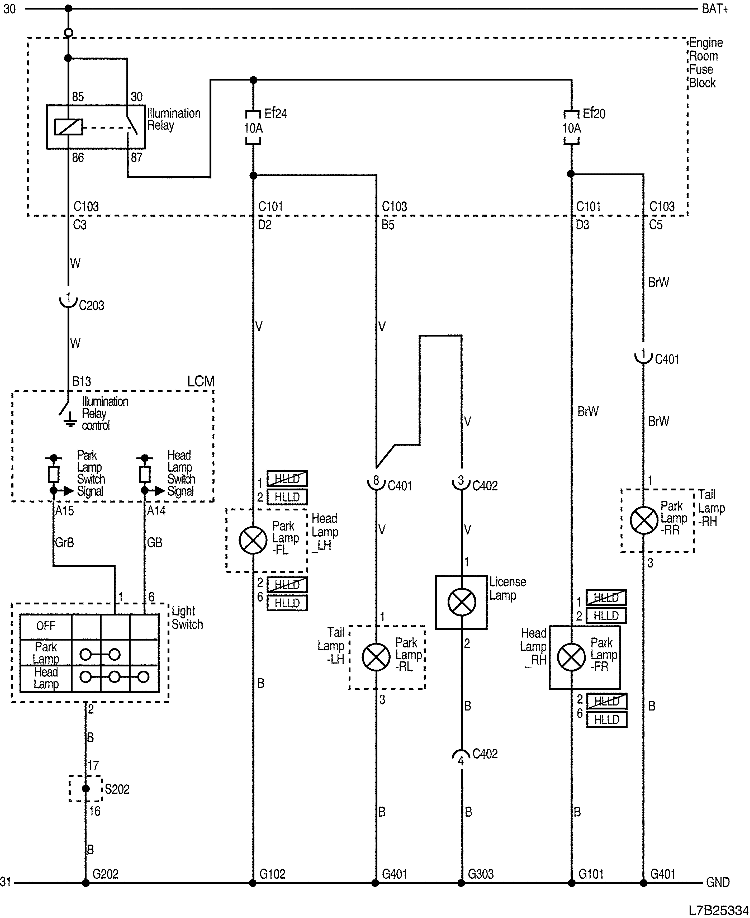
3) PARKING LAMP CIRCUIT

L7B25334.png
Показать иллюстрациюПеревод текста в иллюстрациях


а. ИНФОРМАЦИЯ О РАЗЪЁМЕ

№ РАЗЪЁМА
(№ И ЦВЕТ КОНТАКТА)
СОЕДИНИТЕЛЬНЫЙ ЖГУТ ПРОВОДОВ ПОЛОЖЕНИЕ РАЗЪЁМА
C101 (68 Pin, Black) Front - Engine room fuse block Engine room fuse block
C103 (68 Pin, White) Body - Engine room fuse block Engine room fuse block
C203 (16 Pin, Yellow) IP - Body Connector box at the bottom of left A pillar
C401 (16 Pin, White) Trunk Room - Body On the left side panel in trunk room
C402 (6 Pin, White) Trunk Lid - Body On the left side panel in trunk room
G101 Front Behind left head lamp
G102 Front Behind right head lamp
G202 IP Left bottom of IP center molding
G303 Body Near back shelf of left C pillar
G401 Trunk Room Left side panel of trunk room

б. УСЛОВНОЕ ОБОЗНАЧЕНИЕ & И НАХОЖДЕНИЕ НОМЕРА КОНТАКТА

L7B1P058.png
Показать иллюстрациюПеревод текста в иллюстрациях


в. РАСПОЛОЖЕНИЕ РАЗЪЁМОВ И СОЕДИНЕНИЙ МАССЫ

L7B22002.png
Показать иллюстрациюПеревод текста в иллюстрациях


г. КОНТАКТНАЯ КОЛОДКА

S202

L7B1S002.png
Показать иллюстрациюПеревод текста в иллюстрациях


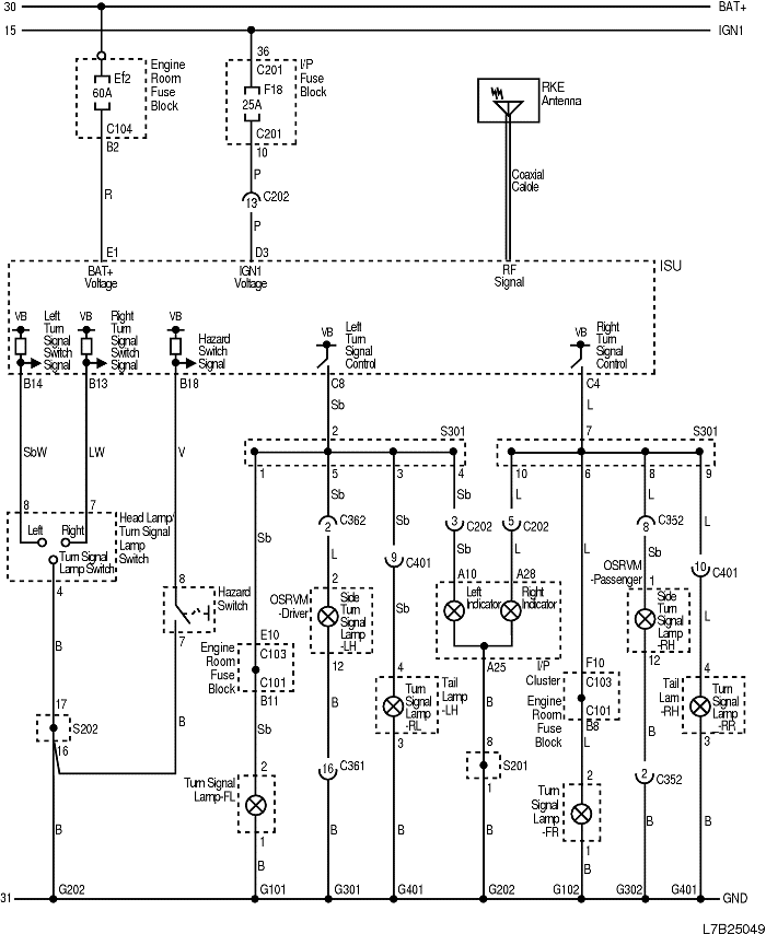
4) TURN SIGNAL AND HAZARD LAMP CIRCUIT

L7B25049.png
Показать иллюстрациюПеревод текста в иллюстрациях


а. ИНФОРМАЦИЯ О РАЗЪЁМЕ

№ РАЗЪЁМА
(№ И ЦВЕТ КОНТАКТА)
СОЕДИНИТЕЛЬНЫЙ ЖГУТ ПРОВОДОВ ПОЛОЖЕНИЕ РАЗЪЁМА
C101 (68 Pin, Black) Front - Engine room fuse block Engine room fuse block
C103 (68 Pin, White) Body - Engine room fuse block Engine room fuse block
C104 (8 Pin, Gray) Body - Engine room fuse block Engine room fuse block
C201 (76 Pin, Black) IP - I/P fuse block I/P fuse block
C202 (23 Pin, White) IP - Body Connector box at the bottom of right A pillar
C352 (18 Pin, White) Body - Driver Door At the bottom of driver A pillar
C361 (18 Pin, Gray) Body - Passenger Door At the bottom of passenger A pillar
C362 (18 Pin, White) Body - Passenger Door At the bottom of passenger A pillar
C401 (16 Pin, White) Trunk Room - Body On the left side panel in trunk room
G101 Front Behind left head lamp
G102 Front Behind right head lamp
G202 IP Left bottom of IP center molding
G301 Body On the left crossmember of front floor panel
G302 Body On the ringht crossmember of front floor panel
G401 Trunk Room Left side panel of trunk room

б. УСЛОВНОЕ ОБОЗНАЧЕНИЕ & И НАХОЖДЕНИЕ НОМЕРА КОНТАКТА

L7B1P059.png
Показать иллюстрациюПеревод текста в иллюстрациях


в. РАСПОЛОЖЕНИЕ РАЗЪЁМОВ И СОЕДИНЕНИЙ МАССЫ

L7B22002.png
Показать иллюстрациюПеревод текста в иллюстрациях


г. КОНТАКТНАЯ КОЛОДКА

S202

L7B1S002.png
Показать иллюстрациюПеревод текста в иллюстрациях


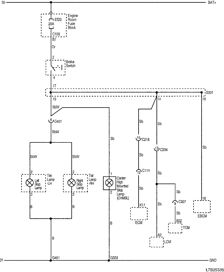
5) STOP LAMP CIRCUIT

L7B25335.png
Показать иллюстрациюПеревод текста в иллюстрациях


а. ИНФОРМАЦИЯ О РАЗЪЁМЕ

№ РАЗЪЁМА
(№ И ЦВЕТ КОНТАКТА)
СОЕДИНИТЕЛЬНЫЙ ЖГУТ ПРОВОДОВ ПОЛОЖЕНИЕ РАЗЪЁМА
C103 (68 Pin, White) Body - Engine room fuse block Engine room fuse block
C114 (36 Pin, Black) Engine Extension - Engine Behind engine room fuse block
C204 (22 Pin, White) IP - Body Connector box at the bottom of right A pillar
C207 (22 Pin, White) IP - TCM Behind driver's knee bolster
C216 (20 Pin, White) Engine - IP Near the Connector box at the bottom of left A pillar
C401 (16 Pin, White) Trunk Room - Body On the left side panel in trunk room
G303 Body Near back shelf of left C pillar
G401 Trunk Room Left side panel of trunk room

б. УСЛОВНОЕ ОБОЗНАЧЕНИЕ & И НАХОЖДЕНИЕ НОМЕРА КОНТАКТА

L7B1P060.png
Показать иллюстрациюПеревод текста в иллюстрациях


в. РАСПОЛОЖЕНИЕ РАЗЪЁМОВ И СОЕДИНЕНИЙ МАССЫ

L7B22005.png
Показать иллюстрациюПеревод текста в иллюстрациях


L7B12011.png
Показать иллюстрациюПеревод текста в иллюстрациях


г. КОНТАКТНАЯ КОЛОДКА

S301

L7B2S102.png
Показать иллюстрациюПеревод текста в иллюстрациях


6) BACK UP LAMP CIRCUIT

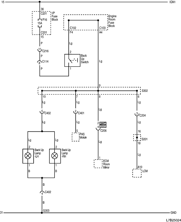
6-1) BACK UP LAMP WITH MANUAL TRANSMISSION

L7B25024.png
Показать иллюстрациюПеревод текста в иллюстрациях


а. ИНФОРМАЦИЯ О РАЗЪЁМЕ

№ РАЗЪЁМА
(№ И ЦВЕТ КОНТАКТА)
СОЕДИНИТЕЛЬНЫЙ ЖГУТ ПРОВОДОВ ПОЛОЖЕНИЕ РАЗЪЁМА
C102 (68 Pin, Gray) Engine - Engine room fuse block Engine room fuse block
C103 (68 Pin, White) Body - Engine room fuse block Engine room fuse block
C114 (36 Pin, Black) Engine Extension - Engine Behind engine room fuse block
C201 (76 Pin, Black) IP - I/P fuse block I/P fuse block
C204 (22 Pin, White) IP - Body Connector box at the bottom of right A pillar
C206 (10 Pin, White) Roof - Body Near the center of driver A pillar
C206 (18 Pin, White) Roof - Body Near the center of driver A pillar
C216 (20 Pin, White) Engine - IP Near the Connector box at the bottom of left A pillar
C401 (16 Pin, White) Trunk Room - Body On the left side panel in trunk room
C402 (6 Pin, White) Trunk Lid - Body On the left side panel in trunk room
G303 Body Near back shelf of left C pillar

б. УСЛОВНОЕ ОБОЗНАЧЕНИЕ & И НАХОЖДЕНИЕ НОМЕРА КОНТАКТА

L7B1P061.png
Показать иллюстрациюПеревод текста в иллюстрациях


в. РАСПОЛОЖЕНИЕ РАЗЪЁМОВ И СОЕДИНЕНИЙ МАССЫ

L7B22005.png
Показать иллюстрациюПеревод текста в иллюстрациях


L7B12012.png
Показать иллюстрациюПеревод текста в иллюстрациях


г. КОНТАКТНАЯ КОЛОДКА

S201

L7B2S101.png
Показать иллюстрациюПеревод текста в иллюстрациях


S302

L7B2S003.png
Показать иллюстрациюПеревод текста в иллюстрациях


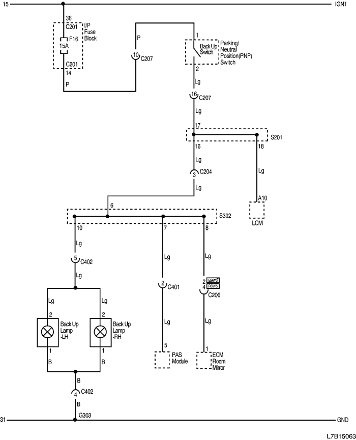
6-2) BACK UP LAMP WITH AUTOMATIC TRANSMISSION

L7B15063.png
Показать иллюстрациюПеревод текста в иллюстрациях


а. ИНФОРМАЦИЯ О РАЗЪЁМЕ

№ РАЗЪЁМА
(№ И ЦВЕТ КОНТАКТА)
СОЕДИНИТЕЛЬНЫЙ ЖГУТ ПРОВОДОВ ПОЛОЖЕНИЕ РАЗЪЁМА
C201 (76 Pin, Black) IP - I/P fuse block I/P fuse block
C204 (22 Pin, White) IP - Body Connector box at the bottom of right A pillar
C206 (10 Pin, White) Roof - Body Near the center of driver A pillar
C206 (18 Pin, White) Roof - Body Near the center of driver A pillar
C207 (22 Pin, White) IP - TCM Behind drver's knee bolster
C401 (16 Pin, White) Trunk Room - Body On the left side panel in trunk room
C402 (6 Pin, White) Trunk Lid - Body On the left side panel in trunk room
G303 Body Near back shelf of left C pillar

б. УСЛОВНОЕ ОБОЗНАЧЕНИЕ & И НАХОЖДЕНИЕ НОМЕРА КОНТАКТА

L7B1P062.png
Показать иллюстрациюПеревод текста в иллюстрациях


в. РАСПОЛОЖЕНИЕ РАЗЪЁМОВ И СОЕДИНЕНИЙ МАССЫ

L7B22005.png
Показать иллюстрациюПеревод текста в иллюстрациях


L7B12012.png
Показать иллюстрациюПеревод текста в иллюстрациях


г. КОНТАКТНАЯ КОЛОДКА

S201

L7B2S101.png
Показать иллюстрациюПеревод текста в иллюстрациях


S302

L7B2S003.png
Показать иллюстрациюПеревод текста в иллюстрациях


На предыдущую страницу На следующую страницу


Главная страница сайта