Электрическая схема 2007 Epica 18. INTERIOR LAMPS К началу документа
Epica
На предыдущую страницу На следующую страницу
Главная страница GMDE Загрузить нединамическое оглавление Загрузить динамическое оглавление Помощь



18. INTERIOR LAMPS

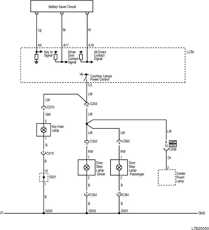
1) INTERIOR COURTESY LAMPS (KEY HOLE, DOOR STEP) CIRCUIT

L7B25050.png
Показать иллюстрациюПеревод текста в иллюстрациях


а. ИНФОРМАЦИЯ О РАЗЪЁМЕ

№ РАЗЪЁМА
(№ И ЦВЕТ КОНТАКТА)
СОЕДИНИТЕЛЬНЫЙ ЖГУТ ПРОВОДОВ ПОЛОЖЕНИЕ РАЗЪЁМА
C203 (16 Pin, Yellow) IP - Body Connector box at the bottom of left A pillar
C206 (10 Pin, White) Roof - Body Near the center of driver A pillar
C206 (18 Pin, White) Roof - Body Near the center of driver A pillar
C210 (10 Pin, White) IP - Lock Housing Near the center of steering column
C352 (18 Pin, White) Body - Driver Door At the bottom of driver A pillar
C361 (18 Pin, Gray) Body - Passenger Door At the bottom of passenger A pillar
C362 (18 Pin, White) Body - Passenger Door At the bottom of passenger A pillar
G202 IP Left bottom of IP center molding
G301 Body On the left crossmember of front floor panel
G302 Body On the ringht crossmember of front floor panel

б. УСЛОВНОЕ ОБОЗНАЧЕНИЕ & И НАХОЖДЕНИЕ НОМЕРА КОНТАКТА

L7B1P063.png
Показать иллюстрациюПеревод текста в иллюстрациях


в. РАСПОЛОЖЕНИЕ РАЗЪЁМОВ И СОЕДИНЕНИЙ МАССЫ

L7B22007.png
Показать иллюстрациюПеревод текста в иллюстрациях


L7B22008.png
Показать иллюстрациюПеревод текста в иллюстрациях


г. КОНТАКТНАЯ КОЛОДКА

S201

L7B2S101.png
Показать иллюстрациюПеревод текста в иллюстрациях


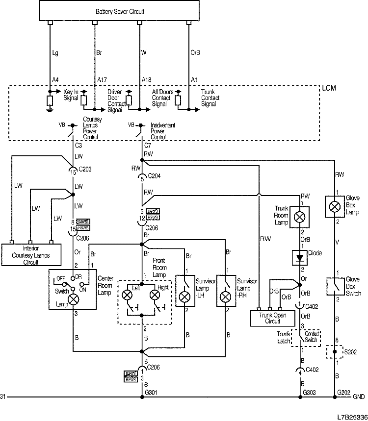
2) ROOM LAMPS AND OTHER LAMPS (SUNVISOR, GLOVE BOX, TRUNK ROOM) CIRCUIT

L7B25336.png
Показать иллюстрациюПеревод текста в иллюстрациях


а. ИНФОРМАЦИЯ О РАЗЪЁМЕ

№ РАЗЪЁМА
(№ И ЦВЕТ КОНТАКТА)
СОЕДИНИТЕЛЬНЫЙ ЖГУТ ПРОВОДОВ ПОЛОЖЕНИЕ РАЗЪЁМА
C203 (16 Pin, Yellow) IP - Body Connector box at the bottom of left A pillar
C204 (22 Pin, White) IP - Body Connector box at the bottom of right A pillar
C206 (10 Pin, White) Roof - Body Near the center of driver A pillar
C206 (18 Pin, White) Roof - Body Near the center of driver A pillar
C402 (6 Pin, White) Trunk Lid - Body On the left side panel in trunk room
G202 IP Left bottom of IP center molding
G301 Body On the left crossmember of front floor panel
G303 Body Near back shelf of left C pillar

б. УСЛОВНОЕ ОБОЗНАЧЕНИЕ & И НАХОЖДЕНИЕ НОМЕРА КОНТАКТА

L7B1P064.png
Показать иллюстрациюПеревод текста в иллюстрациях


в. РАСПОЛОЖЕНИЕ РАЗЪЁМОВ И СОЕДИНЕНИЙ МАССЫ

L7B22002.png
Показать иллюстрациюПеревод текста в иллюстрациях


L7B12017.png
Показать иллюстрациюПеревод текста в иллюстрациях


г. КОНТАКТНАЯ КОЛОДКА

S202

L7B1S002.png
Показать иллюстрациюПеревод текста в иллюстрациях


3) INTERIOR ILLUMINATION CIRCUIT

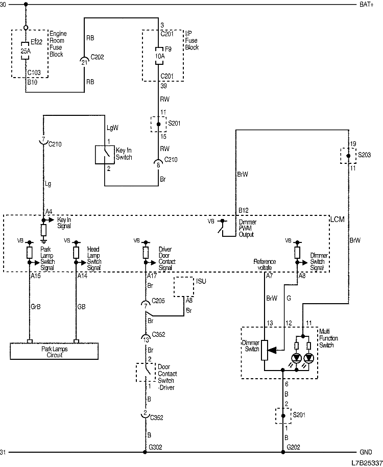
3-1) INTERIOR ILLUMINATION DIMMER CONTROL CIRCUIT

L7B25337.png
Показать иллюстрациюПеревод текста в иллюстрациях


а. ИНФОРМАЦИЯ О РАЗЪЁМЕ

№ РАЗЪЁМА
(№ И ЦВЕТ КОНТАКТА)
СОЕДИНИТЕЛЬНЫЙ ЖГУТ ПРОВОДОВ ПОЛОЖЕНИЕ РАЗЪЁМА
C103 (68 Pin, White) Body - Engine room fuse block Engine room fuse block
C201 (76 Pin, Black) IP - I/P fuse block I/P fuse block
C202 (23 Pin, White) IP - Body Connector box at the bottom of right A pillar
C210 (10 Pin, White) IP - Lock Housing Near the center of steering column
C352 (18 Pin, White) Body - Driver Door At the bottom of driver A pillar
G202 IP Left bottom of IP center molding
G302 Body On the ringht crossmember of front floor panel

б. УСЛОВНОЕ ОБОЗНАЧЕНИЕ & И НАХОЖДЕНИЕ НОМЕРА КОНТАКТА

L7B1P065.png
Показать иллюстрациюПеревод текста в иллюстрациях


в. РАСПОЛОЖЕНИЕ РАЗЪЁМОВ И СОЕДИНЕНИЙ МАССЫ

L7B22002.png
Показать иллюстрациюПеревод текста в иллюстрациях


г. КОНТАКТНАЯ КОЛОДКА

S201

L7B2S101.png
Показать иллюстрациюПеревод текста в иллюстрациях


S203

L7B1S003.png
Показать иллюстрациюПеревод текста в иллюстрациях


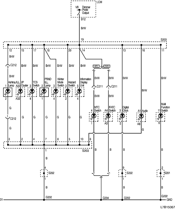
3-2) INTERIOR ILLUMINATION LAMPS CIRCUIT

L7B15067.png
Показать иллюстрациюПеревод текста в иллюстрациях


а. ИНФОРМАЦИЯ О РАЗЪЁМЕ

№ РАЗЪЁМА
(№ И ЦВЕТ КОНТАКТА)
СОЕДИНИТЕЛЬНЫЙ ЖГУТ ПРОВОДОВ ПОЛОЖЕНИЕ РАЗЪЁМА
C211 (15 Pin, White) IP - A/C Behind the glove box
C211 (16 Pin, White) IP - A/C Behind the glove box
C212 (4 Pin, White) IP - Ashtray Behind the ashtray
G201 IP Near diagnostic link connector
G202 IP Left bottom of IP center molding
G204 A/C Right bottom of IP center molding

б. УСЛОВНОЕ ОБОЗНАЧЕНИЕ & И НАХОЖДЕНИЕ НОМЕРА КОНТАКТА

L7B1P066.png
Показать иллюстрациюПеревод текста в иллюстрациях


в. РАСПОЛОЖЕНИЕ РАЗЪЁМОВ И СОЕДИНЕНИЙ МАССЫ

L7B22002.png
Показать иллюстрациюПеревод текста в иллюстрациях


г. КОНТАКТНАЯ КОЛОДКА

S201

L7B2S101.png
Показать иллюстрациюПеревод текста в иллюстрациях


S202

L7B1S002.png
Показать иллюстрациюПеревод текста в иллюстрациях


S203

L7B1S003.png
Показать иллюстрациюПеревод текста в иллюстрациях


На предыдущую страницу На следующую страницу


Главная страница сайта