Электрическая схема 2007 Epica 20. SEATS К началу документа
Epica
На предыдущую страницу На следующую страницу
Главная страница GMDE Загрузить нединамическое оглавление Загрузить динамическое оглавление Помощь



20. SEATS

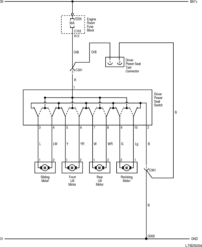
1) POWER SEAT CIRCUIT

L7B25054.png
Показать иллюстрациюПеревод текста в иллюстрациях


а. ИНФОРМАЦИЯ О РАЗЪЁМЕ

№ РАЗЪЁМА
(№ И ЦВЕТ КОНТАКТА)
СОЕДИНИТЕЛЬНЫЙ ЖГУТ ПРОВОДОВ ПОЛОЖЕНИЕ РАЗЪЁМА
C103 (68 Pin, White) Body - Engine room fuse block Engine room fuse block
C301 (4 Pin, Colorless) Body - Driver Power Seat Under the driver seat cushion
G302 Body On the ringht crossmember of front floor panel

б. УСЛОВНОЕ ОБОЗНАЧЕНИЕ & И НАХОЖДЕНИЕ НОМЕРА КОНТАКТА

L7B1P068.png
Показать иллюстрациюПеревод текста в иллюстрациях


в. РАСПОЛОЖЕНИЕ РАЗЪЁМОВ И СОЕДИНЕНИЙ МАССЫ

L7B22005.png
Показать иллюстрациюПеревод текста в иллюстрациях


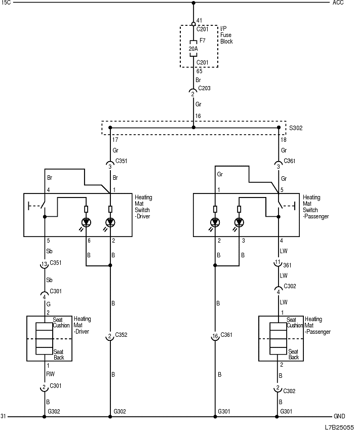
2) HEATING MAT CIRCUIT

L7B25055.png
Показать иллюстрациюПеревод текста в иллюстрациях


а. ИНФОРМАЦИЯ О РАЗЪЁМЕ

№ РАЗЪЁМА
(№ И ЦВЕТ КОНТАКТА)
СОЕДИНИТЕЛЬНЫЙ ЖГУТ ПРОВОДОВ ПОЛОЖЕНИЕ РАЗЪЁМА
C201 (76 Pin, Black) IP - I/P fuse block I/P fuse block
C203 (16 Pin, Yellow) IP - Body Connector box at the bottom of left A pillar
C301 (4 Pin, Colorless) Body - Driver Power Seat Under the driver seat cushion
C302 (4 Pin, Colorless) Body - Passenger Power Seat Under the passenger seat cushion
C351 (18 Pin, Gray) Body - Driver Door At the bottom of driver A pillar
C352 (18 Pin, White) Body - Driver Door At the bottom of driver A pillar
C361 (18 Pin, Gray) Body - Passenger Door At the bottom of passenger A pillar
G301 Body On the left crossmember of front floor panel
G302 Body On the ringht crossmember of front floor panel

б. УСЛОВНОЕ ОБОЗНАЧЕНИЕ & И НАХОЖДЕНИЕ НОМЕРА КОНТАКТА

L7B1P069.png
Показать иллюстрациюПеревод текста в иллюстрациях


в. РАСПОЛОЖЕНИЕ РАЗЪЁМОВ И СОЕДИНЕНИЙ МАССЫ

L7B22005.png
Показать иллюстрациюПеревод текста в иллюстрациях


L7B22006.png
Показать иллюстрациюПеревод текста в иллюстрациях


На предыдущую страницу На следующую страницу


Главная страница сайта