Электрическая схема 2007 Epica 22. WIPER/WASHER К началу документа
Epica
На предыдущую страницу На следующую страницу
Главная страница GMDE Загрузить нединамическое оглавление Загрузить динамическое оглавление Помощь



22. WIPER/WASHER

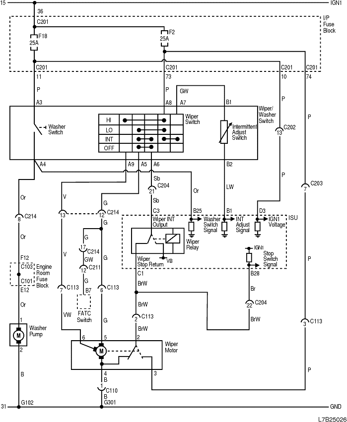
1) WIPER/WASHER CIRCUIT

L7B25026.png
Показать иллюстрациюПеревод текста в иллюстрациях


а. ИНФОРМАЦИЯ О РАЗЪЁМЕ

№ РАЗЪЁМА
(№ И ЦВЕТ КОНТАКТА)
СОЕДИНИТЕЛЬНЫЙ ЖГУТ ПРОВОДОВ ПОЛОЖЕНИЕ РАЗЪЁМА
C101 (68 Pin, Black) Front - Engine room fuse block Engine room fuse block
C103 (68 Pin, White) Body - Engine room fuse block Engine room fuse block
C110 (4 Pin, Gray) Body - Body Sub Beside wiper motor in cowl panel
C113 (8 Pin, Gray) Body - Body Sub Beside wiper motor in cowl panel
C201 (76 Pin, Black) IP - I/P fuse block I/P fuse block
C202 (23 Pin, White) IP - Body Connector box at the bottom of right A pillar
C203 (16 Pin, Yellow) IP - Body Connector box at the bottom of left A pillar
C204 (22 Pin, White) IP - Body Connector box at the bottom of right A pillar
C211 (16 Pin, White) IP - A/C Behind the glove box
C214 (23 Pin, White) IP - Body Connector box at the bottom of left A pillarr
G102 Front Behind right head lamp
G301 Body On the left crossmember of front floor panel

б. УСЛОВНОЕ ОБОЗНАЧЕНИЕ & И НАХОЖДЕНИЕ НОМЕРА КОНТАКТА

L7B1P073.png
Показать иллюстрациюПеревод текста в иллюстрациях


в. РАСПОЛОЖЕНИЕ РАЗЪЁМОВ И СОЕДИНЕНИЙ МАССЫ

L7B22002.png
Показать иллюстрациюПеревод текста в иллюстрациях


L7B22005.png
Показать иллюстрациюПеревод текста в иллюстрациях


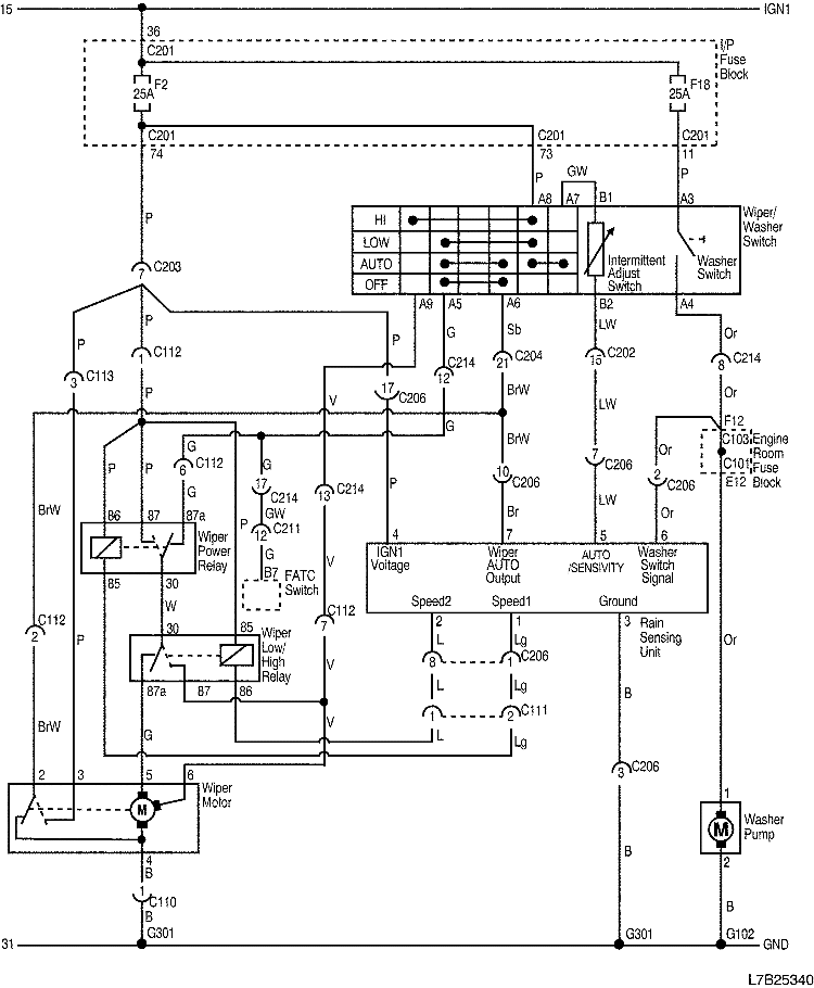
2) RAIN SENSING WIPER/WASHER CIRCUIT

L7B25340.png
Показать иллюстрациюПеревод текста в иллюстрациях


а. ИНФОРМАЦИЯ О РАЗЪЁМЕ

№ РАЗЪЁМА
(№ И ЦВЕТ КОНТАКТА)
СОЕДИНИТЕЛЬНЫЙ ЖГУТ ПРОВОДОВ ПОЛОЖЕНИЕ РАЗЪЁМА
C101 (68 Pin, Black) Front - Engine room fuse block Engine room fuse block
C103 (68 Pin, White) Body - Engine room fuse block Engine room fuse block
C110 (4 Pin, Gray) Body - Body Sub Beside wiper motor in cowl panel
C111 (2 Pin, Gray) Body - Body Sub Beside wiper motor in cowl panel
C112 (8 Pin, Gray) Body - Body Sub Beside wiper motor in cowl panel
C201 (76 Pin, Black) IP - I/P fuse block I/P fuse block
C202 (23 Pin, White) IP - Body Connector box at the bottom of right A pillar
C203 (16 Pin, Yellow) IP - Body Connector box at the bottom of left A pillar
C204 (22 Pin, White) IP - Body Connector box at the bottom of right A pillar
C206 (10 Pin, White) Roof - Body Near the center of driver A pillar
C206 (18 Pin, White) Roof - Body Near the center of driver A pillar
C211 (16 Pin, White) IP - A/C Behind the glove box
C214 (23 Pin, White) IP - Body Connector box at the bottom of left A pillarr
G102 Front Behind right head lamp
G301 Body On the left crossmember of front floor panel
G303 Body Near back shelf of left C pillar

б. УСЛОВНОЕ ОБОЗНАЧЕНИЕ & И НАХОЖДЕНИЕ НОМЕРА КОНТАКТА

L7B1P074.png
Показать иллюстрациюПеревод текста в иллюстрациях


в. РАСПОЛОЖЕНИЕ РАЗЪЁМОВ И СОЕДИНЕНИЙ МАССЫ

L7B22002.png
Показать иллюстрациюПеревод текста в иллюстрациях


L7B22005.png
Показать иллюстрациюПеревод текста в иллюстрациях


На предыдущую страницу На следующую страницу


Главная страница сайта